东元 海利普开关电源电路分析
- 格式:doc
- 大小:87.50 KB
- 文档页数:4
(1)变频器无法送电,上电即跳闸。
变频器的电源进线之前,一般接有空气断路器,作为电源开关。
空气断路器具有严重过载(短路)跳闸保护功能,上电跳闸,说明负载(变频器)有短路故障。
变频器主电路的三相整流电路(往往由整流模块构成)中任一只或多只二极管击穿短路,都会造成相间短路故障,引发前级电源开关器件跳闸的保护动作。
如果故障变频器,已送至维修部,不要对故障变频器贸然上电,以免扩大故障,先测量变频器主端子之间的电阻值,确定故障电路(及元件)并排除短路故障后,再为主电路上电。
(2)变频器上电无反应(或无指示),如同没有接通电源一样。
三相整流电路内部有3只以上整流二极管断路故障(此故障概率极低)。
限流充电电阻开路,使开关电源电路失去供电电源,或开关电源电路本身故障,使整机控制电路工作电源丢失。
故障表现为操作面板的相关指示灯不亮,操作显示面板(由数码管显示屏或液晶屏及按键、指示灯等组成)无显示,变频器控制端子的24V、10V辅助电源电压为零。
第一步,要区分是充电电阻开路还是开关电源电路无输出(停振)故障,可用测量直流回路有无DC550V电压和充电接触器主触点两端电阻值的方法来确定。
停电状态下,测量充电接触器主触点两端的电阻值,一般应为几欧姆至几十欧姆,若呈现千欧姆以上电阻值,说明充电电阻已经断路,由此使整机控制电路失去工作电源;若测量限流电阻的电阻值正常(或上电后测量DC550V电压正常),说明上电无反应故障,系由开关电源电路故障所引起。
第二步,确定是限流电阻的故障后,并非是一换了之。
充电电阻的损坏往往与充电接触器的主触点状态相关联:如果是因充电接触器未产生吸合动作或主触点有接触不良故障,则导致变频器运行电流通过充电电阻,投入起动信号后,有可能会在发生跳欠电压故障以前,限流电阻即已烧毁。
所以,换用限流电阻以后,在空载状态下,要继续检查和确认充电接触器KMO的工作状态是正常的以后,才能放心交付用户。
限流电阻损坏后,要选用优质元件,如果一时不能购到原型号器件,则可用小功率电阻,用多只串、并联方法,满足原电阻的功率和电阻值( 120W50Ω)要求,替代原限流电阻。
开关电源原理及各功能电路详解一、开关电源的电路组成开关电源的主要电路是由输入电磁干扰滤波器(EMI)、整流滤波电路、功率变换电路、PWM控制器电路、输出整流滤波电路组成。
辅助电路有输入过欠压保护电路、输出过欠压保护电路、输出过流保护电路、输出短路保护电路等。
开关电源的电路组成方框图如下:开关电源电路方框图二、输入电路的原理及常见电路1、AC输入整流滤波电路原理:输入滤波、整流回路原理图①防雷电路:当有雷击,产生高压经电网导入电源时,由MOV1、MOV2、MOV3:F1、F2、F3、FDG1组成的电路进行保护。
当加在压敏电阻两端的电压超过其工作电压时,其阻值降低,使高压能量消耗在压敏电阻上,若电流过大,F1、F2、F3会烧毁保护后级电路。
②输入滤波电路:C1、L1、C2、C3组成的双π型滤波网络主要是对输入电源的电磁噪声及杂波信号进行抑制,防止对电源干扰,同时也防止电源本身产生的高频杂波对电网干扰。
当电源开启瞬间,要对C5充电,由于瞬间电流大,加RT1(热敏电阻)就能有效的防止浪涌电流。
因瞬时能量全消耗在RT1电阻上,一定时间后温度升高后RT1阻值减小(RT1是负温系数元件),这时它消耗的能量非常小,后级电路可正常工作。
③整流滤波电路:交流电压经BRG1整流后,经C5滤波后得到较为纯净的直流电压。
若C5容量变小,输出的交流纹波将增大。
2、 DC输入滤波电路原理:①输入滤波电路:C1、L1、C2组成的双π型滤波网络主要是对输入电源的电磁噪声及杂波信号进行抑制,防止对电源干扰,同时也防止电源本身产生的高频杂波对电网干扰。
C3、C4为安规电容,L2、L3为差模电感。
② R1、R2、R3、Z1、C6、Q1、Z2、R4、R5、Q2、RT1、C7组成抗浪涌电路。
在起机的瞬间,由于C6的存在Q2不导通,电流经RT1构成回路。
当C6上的电压充至Z1的稳压值时Q2导通。
如果C8漏电或后级电路短路现象,在起机的瞬间电流在RT1上产生的压降增大,Q1导通使Q2没有栅极电压不导通,RT1将会在很短的时间烧毁,以保护后级电路。
开关电源电路图分析
50
[ 标签:开关电源,电路图]
z 、回答:2人气:137解决时间:2010-11-24 12:09
满意答案
好评率:100%
+310V电压经过1R1,1R2,稳压二极管1D1(防止栅极因电压过高击穿)给开关管G12栅极提供电压,使其导通,G12导通后,变压器初级56对地导通,+310V给变压器充电,由于电感对初级电流的阻碍作用,变压器上的电流从小到大,当电流达到一定程度后,电流检测电阻1R5上的电压增大(大于0.7V),使三极管导通,G11导通后,G12栅极对地被短路,G12关断,变压器初级所存的电能传递给变压器的两个次级,用于输出(124绕组)和光耦,G12栅极的供电(78绕组)。
D19,D13,1C5,1C0,1L1这些都是输出整流滤波部分。
1R9给光耦提供导通电压。
1R11,1R12组成采样电路,通过电阻分压的方式采集输出电压信号,TL431是一个精密基准电压芯片,当1R11采集电压大于2.5V时候,TL431KA级导通,光耦初级随之导通,光耦初级导通后次级也随之导通,接着G11导通,G12栅极无电压,G12关断。
1C7,1R8,1D5是一个吸收网络,用于变压器初级上感生的高压,防止G12因过压而发生2次击穿。
这个电源需要注意的是变压器初级一定要有足够的电感量,次级最好加一个几百欧的放电电阻,两个输出整流二极管最好也加上RC吸收电路。
打字慢,应该还有很多问题没说明白,欢迎继续追问。
开关电源电路组成及常见各模块电路分析开关电源电路是一种将输入电流转换为高频脉冲的电路,通过变压器进行变换和滤波,最终将电源提供给负载。
它由多个模块组成,包括输入滤波器、整流器、功率变换器、输出滤波器和反馈控制器等。
下面我将对这些模块进行详细分析。
1.输入滤波器:开关电源电路的输入端通常会接入输入电源,因此需要一个输入滤波器来滤除输入电源中的高频噪声和电磁干扰。
输入滤波器通常由电容和电感构成,能够将输入电压平滑成纯直流信号,并提供稳定的电压给后续电路。
2.整流器:整流器的作用是将交流信号转换为直流信号,并提供稳定的电压给功率变换器。
常见的整流器有全波整流和半波整流两种方式。
全波整流使用四个二极管,能够将输入电压的正半周期和负半周期都转换为直流信号,效率更高。
而半波整流只使用两个二极管,仅将输入电压的正半周期转换为直流信号。
3.功率变换器:功率变换器是开关电源电路的核心部分,主要负责将直流信号转换为高频脉冲信号,通过变压器变换和带宽控制,将电源提供给负载。
常见的功率变换器有多种类型,包括单端交错式、反激式、降压升压式等。
这些变换器均具有高效率、可靠性和短路保护等特点。
4.输出滤波器:输出滤波器用于平滑功率变换器输出的高频脉冲信号,并将其转换为稳定的直流电压。
通常由电感和电容构成,能够滤除高频噪声和纹波,提供稳定的输出电压给负载。
5.反馈控制器:反馈控制器用于监测输出电压,并通过控制开关管的开关状态来实现自动调整电路的输出电压。
当输出电压低于设定值时,反馈控制器会调整开关管的开关状态,使电路输出电压回到设定值。
常见的控制方式有PID控制、PWM控制等。
以上是开关电源电路的常见模块。
这些模块通过相互协作,能够将输入电源转换为稳定的高频输出电压,并提供给负载。
开关电源电路具有高效率、小体积、轻量化等优点,在电子设备中得到广泛应用。
开关电源电路分析开关电源是一种电压转换电路,主要的工作内容是升压和降压,广泛应用于现代电子产品。
因为开关三极管总是工作在“开” 和“关” 的状态,所以叫开关电源。
开关电源实质就是一个振荡电路,这种转换电能的方式,不仅应用在电源电路,在其它的电路应用也很普遍,如液晶显示器的背光电路、日光灯等。
开关电源与变压器相比具有效率高、稳性好、体积小等优点,缺点是功率相对较小,而且会对电路产生高频干扰,电路复杂不易维修等。
开关电源一般包括四要素:整流滤波、起动电路、正反馈电路和稳压电路。
开关式稳压电源具有转换效率高、耗电省、稳压范围宽、体积小和重量轻等特点。
为此,在彩色电视机电路中得到广泛应用。
电视机的开关电源有多种形式,但串联式脉冲宽度调制型开关稳压电源应用较为广泛。
下面以此种电路为例来分析。
一、工作原理及主要参数1.电路组成及工作原理串联型开关稳压电源的基本形式如图1所示。
图中,V为开关管,VD为续流二极管,L为储能电感线圈,CL为滤波电容,RL为负载电阻。
图1 串联型开关电源原理图其稳态工作过程可作如下分析:设开关管V 在T1期间导通,T2期间截止,周期性地变化,则其工作周期为T=T1+T2,见图4―57(a)。
由于负载RL 端电压为Uo,所以负载功率为Po=U2o/RL,负载电流为Io=Uo/RL 。
2. 主要参数及其计算(1)占空比δ的确定。
当开关电源达到稳态工作时,电路处于平衡状态。
开关管V 导通期间的电流增量ΔiL1和截止期间的电流减小量ΔiL2应相等,即有:11()()i o o o ii o U U T U T L LU U TU U T--===δδδ (2)平均电流IL 及L 的确定。
由于负载与电感L 是串联的,因此电感中的平均电流即为负载电流Io,故有 L oI I =当Ui 和Uo 确定后,由式(4―28)和式(4―30)δ、Io 也随之确定。
L 的最小值以Lmin 表示,则 2min1(1)2o oU T L P δ-=(3)滤波电容CL 的确定。
开关电源分析开关电源是一种广泛应用于电子设备中的电源转换器。
它将输入电压转换为所需输出电压,并通过开关元件的控制实现电路的开关功能。
在讨论开关电源的原理和分析之前,我们先来了解一下开关电源的基本构成和工作原理。
开关电源通常由输入滤波电路、整流电路、变换电路和输出滤波电路四个主要部分组成。
首先是输入滤波电路,它主要用来对输入电压进行滤波和去除杂散干扰。
输入电压经过输入滤波电路后,得到平稳的直流电压。
接下来是整流电路,它将输入直流电压转换为脉冲电压。
整流电路通常采用二极管桥整流电路。
当输入电压大于输出电压时,二极管导通,电流经过负载;否则,二极管不导通,电流通过滤波电容器进行充电。
然后是变换电路,它是开关电源的核心部分,用于将脉冲电压转换为所需的输出电压。
变换电路主要由开关管和变压器组成。
开关管控制变压器的工作状态,将输入电压转换为脉冲电流,并通过变压器的绝缘性能得到所需的输出电压。
最后是输出滤波电路,它主要用于滤波输出脉冲电压,使其变得平稳,以供给电子设备使用。
了解了开关电源的基本构成和工作原理,我们接下来来分析一下开关电源的优点和缺点。
首先是开关电源的优点。
开关电源的转换效率较高,一般可以达到70%以上,有些高效率电源甚至可以达到90%以上。
这是因为开关电源采用了高频开关技术,减小了传统线性电源中能量损耗较高的电压调节器。
开关电源还具有体积小、重量轻的特点,便于携带和安装。
此外,开关电源还能实现对输出电压和电流的精确控制,并提供额外的保护功能,如电流限制、过温保护等。
然而,开关电源也存在一些缺点。
首先是开关电源产生的高频噪声会对其他电子设备造成干扰。
其次,开关电源的设计和制造要求较高,需要较复杂的电路和元器件,增加了成本和技术难度。
此外,开关电源还可能产生较多的电磁辐射,对周围环境和人体健康造成一定的影响。
因此,在实际应用中,我们需要根据具体情况来选择是否使用开关电源。
最后,我们来简单介绍一下开关电源的应用领域。
开关电源电路分析
开关管的工作原理是:当控制端的输入信号为高电平时,开关管导通,输入电源与传输装置连接,电流流过,输出电压稳定;当输入信号为低电
平时,开关管截断,输入电源与传输装置断开,电流停止流动,输出电压
为零。
输入滤波电路是用来对输入直流电进行滤波,使得输入电压稳定,减
小输入电压的纹波。
常见的输入滤波电路有电容滤波和电感滤波。
开关变换电路是开关电源电路的核心部分,其工作原理是通过一个开
关管来控制输入电源与传输装置的连接。
开关变换电路的核心是通过调整
开关管的导通和断开时间来改变输出电压。
常用的开关变换电路有单端开
关电源、双端开关电源和反激式开关电源等。
输出滤波电路是将输出的直流电进行滤波,减小输出电压的纹波。
输
出滤波电路通常采用电感滤波和电容滤波的组合,使输出电压更加稳定。
除了以上的基本部分外,开关电源电路还包括保护电路、反馈电路和
调整电路等。
保护电路主要用于检测和保护开关电源工作时的过电流、过
电压等异常情况,防止电路损坏;反馈电路用于对输出电压进行稳定控制,保证输出电压的稳定性;调整电路用于调整输出电压的大小,使得输出电
压能够达到期望值。
海利普P型机15kW变频器开关电源电路戡误
————————————————————————————————作者:————————————————————————————————日期:
海利普P型机15kW变频器开关电源电路戡误
如题。
因重修该机型过电压故障,测试中惊觉原测绘图有误。
测绘中,尤其出书后,渐感沉重、后怕,汗颜,乃至于自责。
由测绘而成的电路图,不知其中还有多少不确定处。
电路勘误后,其原理说明,也会随之改动,甚至会颠覆原有的认识。
正如下图所示。
但未有更好的途径,也未有过多的精力,来改正这些错误。
个人之力,真是太渺小,太无奈。
图一原D22、D24接法电路测绘有误
图二 D22、D24更正后电路。
开关电源的主要电路是由:防雷电路,输入电磁干扰滤波器(Electromagnetic Interference,简称EMI),输入整流滤波电路,功率变换电路,脉宽调制(PWM)控制器电路,输出整流滤波电路组成。
辅助电路有输入过压,欠压保护电路, 输出过压,欠压保护电路,输出过流保护电路,输出短路保护电路等。
开关电源的电路组成方框图如下:220V的交流电经交流滤波电路滤除外来的杂波信号,同时也防止电源本身产生的高频杂波对电网的干扰。
再经二极管桥式整流电路和滤波电路,整流滤波后得到约300V的直流电,送给功率变换电路进行功率转换。
功率变换电路中的开关功率管(IGBT)就在脉冲宽度调制(PWM)控制器(UC3842)输出的脉冲控制信号和驱动下,工作在“开”“关”状态,从而将300V直流电切换成宽度可变的高频脉冲电压。
把高频脉冲电压送给高频变压器,高频变压器的次级(二次侧)就会感应出一定的高频脉冲交流电,并送给高频整流滤波电路进行整流,滤波。
经高频整流滤波后便可得到我们所需的各种直流电压。
输出电压下降或上升时,由取样电路将取样信号通过光电耦合器(PC817),送入控制电路,经过其内部调制,由控制电路的输出端将变宽的或变窄的驱动脉冲送到开关功率管的栅极(G极),使变换电路产生的高频脉冲方波也随之变宽或变窄,由此改变输出电压平均值的大小,从而使直流电压基本稳定在所须的电压值上。
开关电源的电路原理图如下:开关电源电路原理图开关电源的常见故障分析及维修由于开关电源的输入部分工作在高压,大电流的状态下,故障率最高,如高压大电流整流二极管,滤波电容,开关功率管等较易损坏。
其次就是输出整流部分的整流二极管,保护二极管,滤波电容,限流电阻等较易损坏;再就是脉宽调制控制器的反馈部分和保护部分。
下面就对开关电源常见故障产生的原因作一分析及如何排除这些故障的维修方法。
一.保险丝熔断一般情况下,保险丝熔断说明开关电源的内部电路存在短路或过流的故障。
开关电源工作原理如何理解及其电路图详细解析开关模式电源(Switch Mode Power Supply,简称SMPS),又称交换式电源、开关变换器,是一种高频化电能转换装置,是电源供应器的一种。
其功能是将一个位准的电压,透过不同形式的架构转换为用户端所需求的电压或电流。
开关电源的输入多半是交流电源(例如市电)或是直流电源,而输出多半是需要直流电源的设备,例如个人电脑,而开关电源就进行两者之间电压及电流的转换。
开关模式电源(Switch Mode Power Supply,简称SMPS),又称交换式电源、开关变换器,是一种高频化电能转换装置,是电源供应器的一种。
其功能是将一个位准的电压,透过不同形式的架构转换为用户端所需求的电压或电流。
开关电源的输入多半是交流电源(例如市电)或是直流电源,而输出多半是需要直流电源的设备,例如个人电脑,而开关电源就进行两者之间电压及电流的转换。
开关电源不同于线性电源,开关电源利用的切换晶体管多半是在全开模式(饱和区)及全闭模式(截止区)之间切换,这两个模式都有低耗散的特点,切换之间的转换会有较高的耗散,但时间很短,因此比较节省能源,产生废热较少。
理想上,开关电源本身是不会消耗电能的。
电压稳压是透过调整晶体管导通及断路的时间来达到。
相反的,线性电源在产生输出电压的过程中,晶体管工作在放大区,本身也会消耗电能。
开关电源的高转换效率是其一大优点,而且因为开关电源工作频率高,可以使用小尺寸、轻重量的变压器,因此开关电源也会比线性电源的尺寸要小,重量也会比较轻。
若电源的高效率、体积及重量是考虑重点时,开关电源比线性电源要好。
不过开关电源比较复杂,内部晶体管会频繁切换,若切换电流尚加以处理,可能会产生噪声及电磁干扰影响其他设备,而且若开关电源没有特别设计,其电源功率因数可能不高。
主要用途开关电源产品广泛应用于工业自动化控制、军工设备、科研设备、LED照明、工控设备、通讯设备、电力设备、仪器仪表、医疗设备、半导体制冷制热、空气净化器,电子冰箱,液晶显示器,LED灯具,通讯设备,视听产品,安防监控,LED灯带,电脑机箱,数码产品和仪器类等领域。
开关电源电路图讲解.多图!!!图片:图片:图片:图片:开关电源电路图一、主电路从交流电网输入、直流输出的全过程,包括:1、输入滤波器:其作用是将电网存在的杂波过滤,同时也阻碍本机产生的杂波反馈到公共电网。
2、整流与滤波:将电网交流电源直接整流为较平滑的直流电,以供下一级变换.3、逆变:将整流后的直流电变为高频交流电,这是高频开关电源的核心部分,频率越高,体积、重量与输出功率之比越小.4、输出整流与滤波:根据负载需要,提供稳定可靠的直流电源。
二、控制电路一方面从输出端取样,经与设定标准进行比较,然后去控制逆变器,改变其频率或脉宽,达到输出稳定,另一方面,根据测试电路提供的资料,经保护电路鉴别,提供控制电路对整机进行各种保护措施.三、检测电路除了提供保护电路中正在运行中各种参数外,还提供各种显示仪表资料。
四、辅助电源提供所有单一电路的不同要求电源。
开关控制稳压原理开关K以一定的时间间隔重复地接通和断开,在开关K接通时,输入电源E通过开关K和滤波电路提供给负载RL,在整个开关接通期间,电源E向负载提供能量;当开关K断开时,输入电源E便中断了能量的提供。
可见,输入电源向负载提供能量是断续的,为使负载能得到连续的能量提供,开关稳压电源必须要有一套储能装置,在开关接通时将一部份能量储存起来,在开关断开时,向负载释放。
图中,由电感L、电容C2和二极管D组成的电路,就具有这种功能。
电感L用以储存能量,在开关断开时,储存在电感L中的能量通过二极管D释放给负载,使负载得到连续而稳定的能量,因二极管D使负载电流连续不断,所以称为续流二极管.在AB间的电压平均值EAB可用下式表示:EAB=TON/T*E式中TON为开关每次接通的时间,T为开关通断的工作周期(即开关接通时间TON和关断时间TOFF 之和)。
由式可知,改变开关接通时间和工作周期的比例,AB间电压的平均值也随之改变,因此,随着负载及输入电源电压的变化自动调整TON和T的比例便能使输出电压V0维持不变。
开关电源原理与分析开关电源是一种将电能进行转换的电源设备。
它通过快速开关器件的控制,将输入电源信号转换为高频脉冲信号,然后经过滤波和稳压电路的处理,输出稳定的直流电压。
开关电源具有体积小、效率高、可靠性强等优点,已广泛应用于各个领域。
一、开关电源工作原理开关电源的主要工作原理是利用开关器件(如晶体管、MOSFET等)的导通和截断特性,在开关状态之间进行快速切换,将输入电源信号转换为高频脉冲信号。
开关电源的核心是开关转换器,包括输入滤波电路、开关管、变压器、输出整流滤波电路等组成。
1. 输入滤波电路输入滤波电路的作用是将输入电源中的高频噪声滤除,保证后续电路的稳定工作。
一般采用电容滤波和电感滤波的方式,将高频噪声滤除。
2. 开关管开关管是开关电源的核心元件之一,负责开关电源的开关操作。
常用的开关管有晶体管、MOSFET等。
开关管在导通和截断状态之间快速切换,将输入电源信号转换为高频脉冲信号。
3. 变压器变压器是开关电源的重要组成部分,用于将高频脉冲信号进行变压变换。
通过变压器的差分传递,从而实现输入输出电压的转换。
变压器通常采用高频变压器,具有体积小、效率高等特点。
4. 输出整流滤波电路输出整流滤波电路负责将高频脉冲信号转换为稳定的直流电压。
一般采用二极管整流和电容滤波的方式,将脉冲波形变为平滑的直流电压。
通过稳压电路对输出电压进行调整,以保证输出的稳定性。
二、开关电源的优点与应用开关电源相比传统的线性电源,具有以下优点:1. 效率高:开关电源的转换效率通常在80%以上,比线性电源高很多,能够更好地节约能源。
2. 体积小:开关电源采用高频脉冲转换,减小了变压器和滤波电容的体积,因此体积小巧,适合应用于有空间限制的场合。
3. 可靠性强:采用开关器件进行转换,工作频率高,寿命长,可靠性较高。
开关电源广泛应用于各个领域,包括但不限于:1. 通信领域:用于通信基站、无线电台等设备的电源供应,具有高效率和稳定性的特点。
重点解析开关电源工作原理及电路图本文以丰富的开关电源案例分析,介绍单端正激式开关电源,自激式开关电源,推挽式开关电源、降压式开关电源、升压式开关电源和反转式开关电源。
随着全球对能源问题的重视,电子产品的耗能问题将愈来愈突出,如何降低其待机功耗,提高供电效率成为一个急待解决的问题。
传统的线性稳压电源虽然电路结构简单、工作可靠,但它存在着效率低(只有40%-50%)、体积大、铜铁消耗量大,工作温度高及调整范围小等缺点。
为了提高效率,人们研制出了开关式稳压电源,它的效率可达85%以上,稳压范围宽,除此之外,还具有稳压精度高、不使用电源变压器等特点,是一种较理想的稳压电源。
正因为如此,开关式稳压电源已广泛应用于各种电子设备中,本文对各类开关电源的工作原理作一阐述。
一、开关式稳压电源的基本工作原理开关式稳压电源接控制方式分为调宽式和调频式两种,在实际的应用中,调宽式使用得较多,在目前开发和使用的开关电源集成电路中,绝大多数也为脉宽调制型。
因此下面就主要介绍调宽式开关稳压电源。
调宽式开关稳压电源的基本原理可参见下图。
对于单极性矩形脉冲来说,其直流平均电压Uo取决于矩形脉冲的宽度,脉冲越宽,其直流平均电压值就越高。
直流平均电压U。
可由公式计算,即Uo=Um×T1/T式中Um为矩形脉冲最大电压值;T为矩形脉冲周期;T1为矩形脉冲宽度。
从上式可以看出,当Um与T不变时,直流平均电压Uo将与脉冲宽度T1成正比。
这样,只要我们设法使脉冲宽度随稳压电源输出电压的增高而变窄,就可以达到稳定电压的目的。
二、开关式稳压电源的原理电路1、基本电路图二开关电源基本电路框图开关式稳压电源的基本电路框图如图二所示。
交流电压经整流电路及滤波电路整流滤波后,变成含有一定脉动成份的直流电压,该电压进人高频变换器被转换成所需电压值的方波,最后再将这个方波电压经整流滤波变为所需要的直流电压。
控制电路为一脉冲宽度调制器,它主要由取样器、比较器、振荡器、脉宽调制及基准电压等电路构成。
开关电源原理分析开关电源是一种常见的电源供应系统,它通过不间断地开关调节电流,使得输出电压稳定。
本文将对开关电源的原理进行分析,包括其基本构成、工作原理和优缺点等。
一、开关电源的基本构成开关电源主要由以下几个基本部分组成:1. 输入滤波电路:用于减小输入端的干扰电流和噪声。
2. 整流电路:将交流输入转换为直流电压。
3. 直流链接电路:连接整流电路和升压、降压电路。
4. 控制电路:用于控制开关器件的导通和关断。
5. 变换电路:包括升压和降压电路,用于根据需要提供稳定的输出电压。
6. 输出滤波电路:用于减小输出端的纹波电流和残余噪声。
二、开关电源的工作原理开关电源的工作原理如下:1. 控制器接收输入电压,并根据需要产生相应的控制信号。
2. 控制信号使得开关管正常工作,实现导通和关断的变化。
3. 当开关管导通时,输入电源的电能会通过变压器传递到输出端,根据变压器比例得到所需的电压。
4. 当开关管关断时,输入电源的电能会存储在电感中,并通过二极管输出到负载,保持输出电流的稳定性。
5. 控制器不断监测输出电压和电流,并根据需要调整开关管的导通和关断频率,从而实现输出电压的稳定。
三、开关电源的优缺点开关电源相比于传统的线性电源,具有以下优点:1. 高效率:开关电源采用开关器件进行调节,能够更有效地转换电能,提高能源利用率。
2. 小体积:由于开关电源使用高频开关器件,可以采用较小的变压器和滤波电容,使得整个电源系统更加紧凑。
3. 轻量化:由于效率高和体积小,开关电源在重量上较传统线性电源更轻便,适用于便携式设备。
4. 电压稳定性好:开关电源通过高频开关调节电流,能够更精确地控制输出电压,使其更加稳定。
然而,开关电源也存在一些缺点:1. 输出纹波:由于开关管的开关频率较高,会引入输出纹波电流,需要通过滤波电路来减小。
2. EMI干扰:开关电源高频开关会产生较强的电磁辐射干扰,需要采取相应的措施来减小对周围设备的影响。
开关电源电路详解图————————————————————————————————作者:————————————————————————————————日期:开关电源电路详解图一、开关电源的电路组成开关电源的主要电路是由输入电磁干扰滤波器(EMI)、整流滤波电路、功率变换电路、PWM控制器电路、输出整流滤波电路组成。
辅助电路有输入过欠压保护电路、输出过欠压保护电路、输出过流保护电路、输出短路保护电路等。
开关电源的电路组成方框图如下:二、输入电路的原理及常见电路1、AC 输入整流滤波电路原理:①防雷电路:当有雷击,产生高压经电网导入电源时,由MOV1、MOV2、MOV3:F1、F2、F3、FDG1 组成的电路进行保护。
当加在压敏电阻两端的电压超过其工作电压时,其阻值降低,使高压能量消耗在压敏电阻上,若电流过大,F1、F2、F3 会烧毁保护后级电路。
②输入滤波电路:C1、L1、C2、C3组成的双π型滤波网络主要是对输入电源的电磁噪声及杂波信号进行抑制,防止对电源干扰,同时也防止电源本身产生的高频杂波对电网干扰。
当电源开启瞬间,要对C5充电,由于瞬间电流大,加RT1(热敏电阻)就能有效的防止浪涌电流。
因瞬时能量全消耗在RT1电阻上,一定时间后温度升高后RT1阻值减小(RT1是负温系数元件),这时它消耗的能量非常小,后级电路可正常工作。
③整流滤波电路:交流电压经BRG1整流后,经C5滤波后得到较为纯净的直流电压。
若C5容量变小,输出的交流纹波将增大。
2、DC 输入滤波电路原理:①输入滤波电路:C1、L1、C2组成的双π型滤波网络主要是对输入电源的电磁噪声及杂波信号进行抑制,防止对电源干扰,同时也防止电源本身产生的高频杂波对电网干扰。
C3、C4 为安规电容,L2、L3为差模电感。
② R1、R2、R3、Z1、C6、Q1、Z2、R4、R5、Q2、RT1、C7组成抗浪涌电路。
在起机的瞬间,由于C6的存在Q2不导通,电流经RT1构成回路。
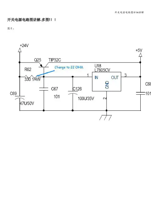
开关电源工作原理详细分析对于3.3V输出而言,有三种选项可供选择:☆在+5 V输出部分增加一个3.3V的电压稳压器,很多低端电源都是采用的这种设计方案;☆为3.3 V输出增加一个像图27所示的完整的整流电路和滤波电路,但是需要和5 V整流电路共享一个变压器。
这是高端电源比较普通的一种设计方案。
☆采用一个完整的独立的3.3V整流电路和滤波电路。
这种方案非常罕见,仅在少数发烧级顶级电源中才可能出现,比如说安耐美的银河1000W。
由于3.3V输出通常是完全公用5V整流电路(常见于低端电源)或者部分共用(常见于高端电源中),所以说3.3V输出往往会受到5V输出的限制。
这就是为什么很多电源要在铭牌中著名“3.3V和5V联合输出”。
下图28是一台低端电源的二次侧。
这里我们可以看到负责产生PG信号的整合电路。
通常情况下,低端电源都会采用LM339整合电路。
二次侧此外,我们还可以看到一些电解电容(这些电容的个头和倍压器或者主动式PFC电路的电容相比要小的多)和电感,这些元件主要是负责滤波功能。
为了更清晰的观察这款电源,我们将电源上的飞线以及滤波线圈全部移除,如图29所示。
在这里我们能看到一些小的二极管,主要用于-12 V and –5 V的整流,通过的电流非常小(这款电源只要0.5A)。
其他的电压输出的电流至少要1A,这需要功率二极管负责整流。
–12 V以及–5V负压电路的整流二极管二次侧(二)●二次侧(2)下图30描述的是低端电源二次侧散热片上的元器件:二次侧散热片上的元器件从左至右以此为:☆稳压器IC芯片——尽管它有三个针脚而且看起来和三极管非常相似,但是它却是可IC芯片。
这款电源采用的是7805稳压器(5V稳压器),负责+5VSB的稳压。
之前我们已经提到过,+5VSB采用的是独立的输出电路,因为它即便是在PC处于断电状态时依然需要向+5VSB提供+5 V输出。
这就是为什么+5VSB输出也通常会被称之为“待机输出”。
维修开关电源时,若无直流输出,首先找到开关管主电流回路,也就是开关管VT1的集电极电流回路,看看发射机E极是否存在虚焊问题。
作用是将开关管打开,使300V的电压上正、下负,经L1,VT1导通,形成电流IC,欲使VT1导通,必须给R1、R2、R3、R4加上一个300V电压,使得B、E间形成电流*说明1、对一般的开关电源来说启动电阻为100KΩ~300 KΩ,即R1+R2+R3+R4的总值约为200 KΩ左右2、开关管的电流放大系数为几到几十倍,我们假设VT1的β为20倍3、VT1的基极电流Ib = 300V / 200 KΩ = 1.5 mA4、VT1的集电极电流 Ic = β * Ib = 30mA5、流过储能电感L1的电流也就是30mA此时,L1的输出功率300V * 30mA = 9W 远远不够负载使用*结论须提高Ic 电流,得通过激励电路。
加入下面的L2,是为了提高基极电流Ib 从而达到提高Ic 的目的,进而提高L1 提供给负载的功率具体工作过程:当IC产生时,使得L1产生感生电动势,通过耦合变压器耦合到L2上,此时L2上的感生电动势为上正、下负,通过一个电阻、电容、R4 及VT1的BE极,构成一个回路,产生电流,加载到Ib 上,当电容充满电后,也会充电电源,增加Ib.电流Ic 为30mA,但因为有L1的存在,所以不能突变到30mA,只能一点点渐变,这样就在L1中产生了磁通,从而耦合到了L2上。
脉宽调整电路的功能是:实现稳压和调压。
当输入电网的电压发生波动时,要保持电源的输出电压不变;稳压当输出电压需要变化的时候,可以输出不同的电压;调压理论依据:通过改变开关管的占空比(开关的闭合时间和断开时间)来实现同频率下输出不同的电压。
具体电路工作过程:当输入电网电压变大时,脉宽电路适当减小导通时间,反之亦然;当负载电压变大时,适当增大导通时间,反之亦然。
图中,红色区域即为调整开关管导通时间的电路Vd1 为光电耦合器,由一个发光二极管和一个三极管组成。
两例变频器开关电源电路实例
——兼论电容C23在电路中的重要作用
先看以下电路实例:
图1 东元7200PA 37kW变频器开关电源电路
CN4
图2 海利普HLPP001543B型15kW变频器开关电源电路
图1、图2电路结构和原理基本上是相同的,下面以图1电路例简述其工作原理。
开关电源的供电取自直流回路的530V直流电压,由端子CN19引入到电源/驱动板。
电路原理简述:由R26~R33电源启动电路提供Q2上电时的起始基极偏压,由Q2的基极电流Ib的产生,导致了流经TC2主绕组Ic的产生,继而正反馈电压绕组也产生感应电压,经R32、D8加到Q2基极;强烈的正反馈过程,使Q2很快由放大区进入饱合区;正反馈电压绕组的感应电压由此降低,Q2由饱合区退出进入放大区,Ic开始减小;正反馈绕组的感应电压反向,由于强烈的正反馈作用,Q2又由放大状态进入截止区。
以上电路为振荡电路。
D2、R3将Q2截止期间正反馈电压绕组产生的负压,送入Q1基极,迫使其截止,停止对Q2的Ib的分流,R26-R33支路再次从电源提供Q1的起振电流,使电路进入下一个振荡循环过程。
5V输出电压作为负反馈信号(输出电压采样信号)经稳压电路,来控制Q2的导通程度,实施稳压控制。
稳压电路由U1基准电压源、PC1光电耦合器、Q1分流管等组成。
5V输出电压的高低变化,转化为PC1输入侧发光二极管的电流变化,进而使PC1输出测光电三极管的导通内阻变化,经D1、R6、PC1调整了Q2的偏置电流。
以此调整输出电压使之稳定。
这是我的第二本有关变频器维修的书中,对图1电路原理的简述,由于疏漏了对电容C23作用的讲解,给读者带来了一些疑问:1)N2绕组负电压是如何加到Q2基极的?2)电路中C23的作用是什么?3)C23的充、放电回路是怎样走的?这3问题涉及到电路原理的关键部分,无它,开关电管Q2即无法完成由饱和导通→进入放大区→快速截止→重新导通的工作状态转换,三个问题其实又只是一个问题,即图1的C23(或图2中的C38)究竟对电路的工作状态转换起到怎样的重要作用?先不要忙,将这个问题暂且按下不表,先说几句题外话。
在由3844(42/43/34)PWM脉冲芯片为核心构成的开关电源电路,大行其道的今天,像图1、图2这样由两只双极型晶体管构成的开关电源电路(对比于集成器件,或称之为分立元件构成的开关电源),仍占有一席之地,在数个变频器厂家的产品中,得到应用。
难道是厂家技术人员有怀旧情结吗?还是为了降低生产成本?其实都不是!采用分立元件做开关电源,设计人员肯定有更全面和深入的考虑。
而我的维修经验而论,我比较倾向和首肯于由分立元件构成的开关电源,理由是其工作可靠性高,故障率低,使用和维修都比较让人放心。
电路的质量,并不取决于采用集成器件或分立元件,也不取决于电路采用元器件的数量多少,这些都是形式而非本质。
相对于分立元件组成的电路,集电器件是否就具有技术上的先进性和工作上的可靠性?则真的是一个问号,不可一概而论。
比较二者电路的设计难度,分立元件的电路,恐怕难度要更高一些。
与分立元件的电源相比,用3844做成的电源电路,更像一个“傻瓜型”电路,有固定的电路模式,与成型外围作成一个电路单元,可以应急取代任意开关电源电路,达到修复目的(有的技术人员已经这样做了)。
电路的元件数量愈少,电路结构越是精简,电路的故障率就越低,这是一个被实践验证的法则。
实际维修中,采用图1电路形式的开关电源,故障率和可靠性,要优于用集成器件做成的开关电源。
个别电源,停电时还好好儿的,一上电,开关管就炸掉了,说明即使“傻瓜型”电路,在设计上也不可掉以轻心,关
键环节电路参数的严重偏离,也会导致电路设计的失败!
电路的优劣,还是不在于电路的形式,不在于采分立元件还是采用集成器件,用3844芯片设计的大量经典电路,在变频器开关电源中也同样大展身手。
此处不再讨论两种电路的优劣,结合电路的振荡工作过程,说明一下电容C23在电路中所起的作用。
1)变频器上电瞬间,由启动电阻R20~R30、R33提供开关管Q2的基极正偏电流,Q2由截止状态进入放大区,产生IC2→开关变压器TC2的主绕组N1流入电流而储能→反馈绕组N2产生上+下-的感应电压信号,经二极管D8输入开关管Q2的基极,使Ib2↑→IC2↑,直至IC2达到饱和。
引发振荡状态的第一个转折。
二极管D8正偏导通时,相当于将电容C23短接(二者成并联接法),C23在此时不起作用。
2)Q2饱和期间(IC2不再变化),N2感生正电压降低→Ib2↓→IC2↓→令Q2退出饱和区进入放大区。
IC2↓→N2反馈绕组感应电压反向,从图1上看,感应电压的极性变为上负下正,二极管D8反偏截止。
假设没有C23,电路的振荡过程将被阻断,C23的作用在此时凸显,使振荡过程能够得以继续。
D8反偏,相当于开路,解除了对C23的短接,N2感应电压,经R32、Q2的be结到电源地,形成C23的充电电流通路,在C23上形成左+右-的充电电压。
从信号耦合的角度来看,C23将N2绕组的负向电压耦合至Q2的基极,对Q2基极的正偏电压进行了衰减,进一步令Ib2↓→IC2↓,强烈正反馈过程,使Q2很快进行截止状态。
再换一个角度看,在中、高频电路,双极型晶体管的be结电容,不容忽视。
正向偏压,对结电容实施了上+下-的充电控制,C23所提供的负向电压,有反向强制将Q2的be结电容所储存的“电荷拉出”的作用,能令其快速截止。
这是为什么要对开关管施加负向偏压的原因。
Q2截止后,因为C23上负压的存在(C23上的负压有一个放电时间),C23能维持一定时间的截止,直到其负向电压能量因放电小于启动电阻所提供正向电压的能量,Q2由截止状态,又会再度进入放大区。
C23的负电压(对Q2来讲,是负向偏压)的放电回路:C23右端的负电压→R32→N2绕组到地→DC530V 供电电源→启动电阻→C23的左端,C23的充电电荷被泄放,Q2负向偏压消失,为重新导通创造了条件。
并联在分流管Q1的c、e极的二极管D9,限制Q2的be结反偏压峰值,有保护Q1、Q2的作用。
电路设计中,C23容量的选值和R33的选值,作为RC时间常数影响到振荡周期,需要与开关变压器的相关参数一起,精心核算和核准。
变频器对DC530V电压的采样和检测,是通过对开关变压器二次绕组的电压采来完成的。
我在相关博文已道破这一“机密”。
在这里顺便再说明一下。
开关管Q2饱合导通时,将TC2的初级绕组接入直流530V电源的两端,此时D11正偏导通,将N3绕组感应所得,与DC530V供电成比例的负向交流电压,整流和后续RC电路滤波后,得到-42V电压采样信号,送MCU主板电路,用于直流电压显示、过、欠压报警与停机保护,控制VVV/F输出等。
D11和D12接于同一个次级绕组上,D12在Q2截止期间(TC2释放磁能)正偏导通,D将“大面积低幅度”的正向脉冲整流作为5V供电,而D11却在Q2饱和导通期间,将“小面积而幅度高”的负向脉冲做负向整流后,作为电压检测信号。
D12整流电压是稳压的,D11输出电压值,仅反映DC530V电压的高低,并非
稳压输出,为什么?朋友们可以自己先想一下,我的《直流电压检测电路的问号》一文中已有讨论,上此不予赘述了。
-42V
+5V
N1输入电压波形示意图Q2截
止
Q2饱合导通0V
530V
5V
0V
-42V
N3输出电压波形示意图
图3 直流回路电压采样等效电路及波型示意图
为驱动电路供电的六组相互隔离的整流、滤波电路,省略未画,请参见第四章驱动电路的相关内容。
对开关电源故障的检修,要找出其中关键的脉络。
主要有两个电路环节:
1、振荡支路——包括起振电路和正反馈信号回路。
起振电路:由TC2主绕组、开关管Q2的C 、E 极构成Q2的I C 电流回路,和由启动电阻R26—R33、Q2的发射结构成的(Ib )起振回路;由TC2的正反馈绕组(有时称自供电绕组,本电路中兼有两种身份)、R3
2、D8构成的正反馈回路。
起振回路和正反馈回路,二者结合,共同提供了和满足了开关管Q2的振荡条件。
2、稳压支路——U1、PC1、Q1构成了对输出电压的采样电路和电压误差放大电路,以Q1对Q2的I C 的分流作用实现对输出电压的调整。
在实际工作中,开关电源电路的两个支路其实共同构成了对Q2的I b 的控制。
显然,稳压支路会影响到振荡支路。
如Q2的漏电或击穿,将会造成对Q2的I b 分流过大,导致电路停振。
电路停振肯定不仅只是振荡电路本身的问题,但检修的步骤,却可以围绕两个支路来展开。