铁路轨道介绍
- 格式:doc
- 大小:28.50 KB
- 文档页数:3
一、轨道结构1.轨道:是铁路的主要技术装备之一。
轨道引导列车运行,直接承受来自列车的荷载,并将其传至路基或桥隧结构物。
轨道结构应具有足够的强度、稳定性和耐久性,并具有正确的几何形位,保证列车安全、平稳、不间断的运行。
2.轨道一般由钢轨、轨枕、道床、道岔、连接零件和防爬设备组成。
3.我国铁路正线轨道类型分为特重型、重型、次重型、中性和轻型。
设计时应本着由轻到重逐步增强的原则。
根据路段旅客列车设计行车速度及近期预测运量等主要运营条件确定。
4.钢轨的功能:是铁路轨道的重要组成部件。
其功能在于为为车轮滚动提供阻力最小的表面,并引导列车的车轮运行,直接承受车轮荷载并将其传于轨枕。
在电气化铁路或自动闭塞区段,钢轨兼有轨道电路的功能。
5.钢轨的要求:钢轨应具有足够的强度、耐磨性和稳定性。
钢轨还应具有足够的刚度,其表面应具有良好的平顺性,使之在列车作用时不至产生过大的变形,以减少列车的动力冲击。
6.钢轨的类型:一般以每米质量千克数表示。
我国铁路钢轨的主要类型有75、60、50kg/m和43kg/m。
为满足特殊部位的需要,在标准钢轨断面上进行刨、削或特种工艺轧制形成特种断面钢轨。
7.钢轨断面:作用于直线轨道钢轨上的力,其主要成分是竖直力。
钢轨在列车荷载作用下的弯曲应力大多分布于轨头和轨底,其最佳断面形状为工字型。
钢轨采用工字断面,有三部分组成:①钢轨轨头:高度为E,是直接接触车轮的部分,应具有抵抗压溃和耐磨的能力,,故轨头应大而厚,其外形应与车轮踏面相适应。
钢轨头部顶面应具有足够的宽度(C),以使在其上面滚动的车轮踏面和轨头顶面磨耗均匀。
钢轨头部顶面应轧制成为隆起的圆弧形,使车轮传来的压力更集中于钢轨截面对称轴。
轻型钢轨顶面半径为300mm的圆弧;较重型钢轨顶面半径为80、300、80mm或80、500、80mm的复合圆弧。
②钢轨腰部:必须有足够的厚度和高度,以满足强度条件。
轨腰的两侧为曲线。
轨腰和钢轨头部及底部的连接,必须保证夹板有足够的支承面。
一. 轨道结构的组成及功用答:有砟轨道结构由钢轨,轨枕,联结零件,防爬设备,道床和道岔组成。
轨道是铁路的主要技术装备之一,是行车的基础。
轨道的作用是引导机车车辆运行,直接承受列车荷载作用,并把荷载分布传递给路基或桥隧建筑物。
二. 作用在轨道上的力有哪些?答:竖向力包括轮重和附加动应力,因车辆蛇形运动,车轮轮缘接触钢轨而产生的往复周期性的横向力,列车启动制动的纵向水平力。
三. 图示两种轨道计算模型各叫什么名称?标出图中参数并说明其物理意义? 答:a :轨枕间距;u :钢轨基础弹性。
四. 钢轨支座刚度D ,道床系数C ,轨道特性参数k ,钢轨整体刚度,钢轨基础弹性模量u 的定义及相互关系?答:钢轨支座刚度D :使钢轨支座顶面产生单位下沉式,所需要的施加于支座顶面的力;道床系数C :道床顶面产生单位下沉时所需施加于道床顶面的单位面积的压力; 钢轨基础弹性模量u :为使单位长度的钢轨基础产生单位下沉所需施加在其上的分布力;钢轨整体刚度:使钢轨产生单位下沉所需的竖直荷载;轨道特性系数k :钢轨基础与钢轨的刚比系数相互关系2t u k K k === 五. 轨道强度检算时为什么引进速度系数,偏载系数和横向水平力系数,以及各系数的意义? 答:当列车运行时,影响动轮载的因素有很多,目前主要考虑速度,未被平衡超K高和列车通过曲线的横向力的影响。
故分别用速度系数,偏载系数和横向水平力系数考虑。
速度系数:由行车速度引起的动轮载增量与静轮载之比,随速度增大而增大;偏载系数:列车通过曲线时,由于存在未被平衡的超高,产生偏载,使外轨或内轨轮载增加,其增量与静轮载的比值;横向水平力系数:考虑横向水平力和偏心竖直力联合作用下,使钢轨承受横向水平弯曲和扭转,由此产生轨头和轨底边缘弯曲应力增大而引入的系数。
六.什么是速度系数,我国速度系数共分几级,应用范围多少?答:由行车速度引起的动轮载增量与静轮载之比为速度系数。
我国速度系数共分3级,分别适用于行车速度小于120km/h,行车速度在120~160km/h,行车速度在160~200km/h三种。
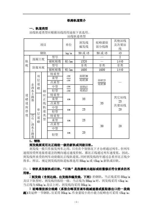
铁路轨道简介一、轨道类型站线轨道类型应根据站线的用途按下表选用。
到发线要采用比正线轻一级的新轨或同级旧轨。
到发线一般只作接发列车之用,只有在个别情况下才办理通过列车。
但列车速度因受所连接着道岔的侧向通过速度控制,都比正线通过列车速度低,因此,到发线所承受的列车动荷载比正线轨道低,同时到发线的年通过总重亦比正线少得多,所以,规定到发线的轨道标准选用50kg/m或43kg/m新轨或旧轨。
注:1钢轨系指新轨或旧轨;“旧轨”是指磨耗未超标或经整修后符合要求的再用轨。
2到发线(含到达线、出发线和编发线,下同)的钢轨,当正线采用80kg/m 及以下轨型时,到发线仍按轻一级;当正线为50kg/m时,到发线采用43kg/m;当正线为60kg/m及以上时,到发线均采用50kg/m;3驼峰溜放部分线路(系指自峰顶至调车线减速器或脱鞋器出口的一段线路)及延伸一节钢轨,宜采用50kg/m,作业量较小的小能力驼峰也可采用43kg/m;在驼峰溜放部分的线路,即自峰顶至调车线减速器或脱鞋器出口的这一段线路上,坡度陡,曲线半径小,作业量大,轨道受车轮的冲击力和摩擦力较大,钢轨磨耗严重。
为了延长钢轨使用寿命,保证轨道强度和稳定,减少养护工作,故规定采用与到发线相同的钢轨。
对作业量较小的驼峰可采用43kg/m钢轨。
4其他站线系指调车线、牵出线、机车走行线及站内联络线,次要站线系指除到发线及其他站线以外的站线;因不通行正规列车,只作机车、车辆走行、调动停留之用,轨道承受的动荷载更低,故规定可铺设43kg/m钢轨。
5改建车站时,次要站线上可保留38kg/m的钢轨;根据轨道应力分析,在电力机车和内燃机车轴重大于21t及速度为25~30km/m的次要站线铺设38kg/m钢轨,一般强度是够的,故规定在改建车站时,次要站线上可保留38kg/m的旧轨。
6在按速度要求须采用18号单开道岔,且铺设混凝土枕的线路上,应采用Ⅱ型混凝土枕。
2、轨枕普通木枕按截面尺寸分为Ⅰ、Ⅱ类。
.铁路轨道的组成:钢轨、轨枕、连接零件、道床、防爬设备、道岔。
2.轨道的类型如何分类:设计车速在300km/h为无碴轨道结构;200km/h—250km/h为有碴轨道结构;特重型、重型、次重型、中型、轻型。
3.轨距、水平、轨底坡定义,如何测量:(1)轨距:为两股钢轨头部内侧与轨道中线相垂直的距离,1435mm,用道尺和轨检车量测。
(2)水平:指线路左右两股轨道顶面的相对高差,用道尺和轨检车量测。
(3)轨底坡:钢轨底面对轨枕顶面的倾斜度,可根据钢轨顶面车轮碾磨痕迹的光带位置来判断。
4.标准轨距:1435mm;曲线轨距:由固定轴距为4m的车辆顺利通过为条件计算出来的;曲线轨距加宽:把曲线的内侧向内侧方向移动一定距离。
5.轨道误差:允许偏差+6mm或-2mm;正线、到得大于5mm。
三角坑:再一段不太长的距离内,首先是左股轨道比右股轨道高,接着是右股轨道比左股轨道高,所形成的轨道不平顺。
6.曲线规矩加宽:将曲线轨道内轨向曲线中心方向移动,曲线外轨的位置保持与轨道中心半个规矩的距离不变。
曲线外轨超高:有外轨提高法和线路中心高度不变法,前者是保持内轨标高不变而只抬高外轨,后者是内外轨分别各降低和抬高超高值的一半。
超高值视离心力的大小而定,曲线半径越小,速度越高,离心力越大,用来平衡的超高值越大。
7.钢轨按取整后的每延米长度质量来分:43kg/m、45kg/m、50kg/m、60kg/m、75kg/m。
8.标准钢轨长度:25m和12.5m;标准缩短:比25m缩短40mm 80mm160mm,比15m缩短40mm 80mm 120mm六种。
短轨长度为6.5m。
9.轨道附属设施:轨撑、防爬设备、轨距杆、曲线加强增加轨枕配置。
轨道爬行:由于钢轨相对于轨枕、轨排相对于道床的阻力不足导致轨道纵向位移。
信号标志及线路标志作用是:向行人和线路养护人员先是铁路建筑物、设备的位置和状态,位置设置在铁路运行方向的左侧。
10.轨缝:18mm。
铁路轨道分类
铁路轨道是指铁路车辆行驶的轨道路面。
根据不同的使用要求和铁路线路的特点,铁路轨道可以分为以下几类:
1.标准轨道
标准轨道是指轨距为1435mm的铁路轨道,也称为国际轨道。
在全球范围内,超过60%的铁路线路采用标准轨道。
2.窄轨道
窄轨道是指轨距小于标准轨道的铁路轨道,一般为1000-1067mm。
窄轨道的造价较低,适用于地形复杂的地区或者运输量较小的线路。
3.宽轨道
宽轨道是指轨距大于标准轨道的铁路轨道,一般为1676-2000mm。
宽轨道适用于运输量较大的线路,能够提高运输效率。
4.混合轨道
混合轨道是指在同一线路上同时使用两种或以上轨距的铁路轨道。
混合轨道能够实现不同轨距的铁路车辆的运行,提高线路的利用率。
5.高速轨道
高速轨道一般指设计时速在250km/h及以上的铁路轨道,具有高速、安全、舒适的特点。
高速轨道采用了先进的技术和设备,能够满足现代化的铁路运输需求。
不同类型的铁路轨道各有特点和适用范围,选择合适的铁路轨道对于铁路运输的安全和效率都具有重要的意义。
qu120轨道技术参数QU120轨道是一种常见的铁路轨道,它是中国铁路系统中的一种重要组成部分。
QU120轨道的技术参数包括轨道型号、材质、尺寸、重量、耐用性、使用范围以及安全性等方面,下文将对其进行详细介绍。
首先,QU120轨道的型号为QU120,其中QU代表其为铁路钢轨,120代表其轨头尺寸为120磅。
这种型号的轨道通常用于重载铁路线路,具有承载能力强、适应性好的特点。
其次,QU120轨道的材质一般为优质优特钢,具有高强度、高韧性、耐磨损、耐腐蚀等特点。
这种材质能够满足重载铁路线路对轨道强度和耐久性的要求。
QU120轨道的尺寸为轨头高175mm,轨腰宽150mm,轨尾高35mm,轨腰厚65mm。
这种尺寸的设计旨在提供良好的线路稳定性和运行平稳性,同时也能够满足列车行驶的需求。
QU120轨道的重量为120kg/m,这种较高的重量能够提供更好的稳定性和承载能力,适用于承载重载列车运行的线路。
QU120轨道具有较长的使用寿命,在正常使用条件下,可以达到30年以上。
这得益于其优质优特钢材质和合理的尺寸设计,能够有效抵抗腐蚀、磨损和疲劳等因素的影响。
QU120轨道适用于各种类型的铁路线路,特别是用于承载重载货物和长途客运列车的干线铁路。
它可以满足线路的高强度、高速度和高穿越稳定性的要求,为列车运行提供良好的保障。
在安全性方面,QU120轨道经过严格的质量控制和检测,确保其满足相关的安全标准和要求。
同时,铁路部门还采取了多种措施,如定期检测和维护、轨道补强等,以确保QU120轨道的安全使用。
总之,QU120轨道作为中国铁路系统中的一种重要组成部分,具有较高的质量和性能,能够满足重载铁路线路的需求。
通过对其技术参数的详细介绍,相信读者对QU120轨道有了更加全面的了解。
● 1.轨道结构自上而下由钢轨,轨枕,碎石道床或混凝土整体道床等力学性能不同的材料组成,钢轨之间用接头联结零件联结或焊接,钢轨和轨枕用扣件联结,在站场还有用于列车转换轨道的道岔。
轨道的结构特点是组合性散体性● 2.运营条件用行车速度,轴重和运量三个参数●钢轨作用:为车轮提供连续,平顺和阻力最小的滚动表面,引导列车运行;直接承受车轮巨大压力,并分布传递到轨枕;在电气化铁路或自动闭塞区段,兼作轨道电路(需要有足够强度和耐磨性,较高抗疲劳强度和冲击韧性,一定弹性,足够光滑顶面,良好可焊性,高速铁路钢轨的高平直度)● 3.钢轨类型:75,60,50,43kg/m,我国钢轨标准长度有25和12.5m,长定尺钢轨长度有50和100m● 4.钢轨“工”字形,由轨头,轨腰,轨底组成● 5.钢轨机械联接形式按相对于轨枕位置:悬空式,承垫式。
按两股钢轨接头相对位置:相对式,相错式。
我国一般采用相对悬空式。
● 6.预留轨缝条件:(1)当轨温达到当地最高轨温时,轨缝应大于等于0,使轨端不受挤压力,以防温度压力太大而胀轨跑道。
(2)当轨温达到当地最低轨温时,轨缝应小于或等于构造轨缝,使接头螺栓不受剪力,以防止接头螺栓拉弯或拉断。
●7.轨枕:横向轨枕,纵向轨枕,短枕(按构造和铺设方法分)一般区间的普通轨枕,用于道岔上的岔枕,用于无砟桥梁上的桥枕(按使用目的)木枕,混凝土枕,钢枕(按材质)混凝土枕有I,II,III型●8.扣件:足够扣压力,适当弹性,一定的轨距和水平调整量●9.扣件功用:长期有效的保持钢轨与轨枕的可靠联结,阻止钢轨相对于轨枕移动,并能在动力作用下充分发挥其缓冲减振性能,延缓轨道残余变形积累●10.道床:轨枕的基础,用于固定轨枕位置,防止轨枕纵、横向位移并把所承受的压力分布传递给路基或桥隧建筑物,同时起到排水作用●11.道床功能:(1)承受来自轨枕压力并均匀的传递到路基面(2)提供轨道的纵、横向阻力,保持轨道的稳定(3)提供轨道弹性,减缓和吸收轮轨的冲击和振动(4)提供良好的排水性能,以提高路基的承载能力,减少基床病害(5)便于轨道养护维修作业,校正线路的平纵断面●12.无咋轨道是指采用混凝土,沥青混合料等整体基础取代散粒碎石道床的轨道结构:其轨枕本身由混凝土浇灌而成,而路基也不用碎石,钢轨,轨枕直接铺设在混凝土路基上●13.CRTS 1型板式无砟轨道啊:由60kg/m钢轨,WJ-2型扣件,预制轨道板,CA砂浆层,钢筋混凝土底座组成,底座采用C40钢筋混凝土,凸型挡台,现浇道床●14.CRTSII型板式无咋轨道(1)轨道板下填充层-CA砂浆层(2)极限位方式-凸形挡台(3)板间纵连方式-不纵连●15.CRTSIII型板式轨道(1)板下U形筋(2)自密实混凝土(3)底座凹槽的限位方式●16.CRTSI型双块式无咋轨道,现浇道床●17.CRTSII型双块式无咋轨道:埋入式无咋轨道,区别于I型采用的施工工艺是先浇筑道床板混凝土,然后通过振动法将轨枕压入到混凝土中,直至达到精确的位置并适应ZPW-2000轨道铁路●18.轨道的几何形位包括:轨距,水平,轨向,高低,轨底坡●19.轨距:钢轨顶面下16mm处两股钢轨头部作用边之间的最小距离●20.游间:当轮对的一个车轮轮缘紧贴一股钢轨作用边时,另一个车轮轮缘与另一股钢轨作用边之间便形成一定的间隙,称为…●游间:对列车平稳性和轨道平稳性有重要影响,如果游间太小,就会增加行车阻力和钢轨及车轮的磨损,甚至可能卡住车轮、挤翻钢轨或导致爬轨,危及行车安全;如果游间过大,车辆运行时蛇行运动幅度越大,横向加速度越大,作用于钢轨上横向力越大,动能损失越大,轮轨间撞击越大,加剧轮轨磨耗和轨道变形,严重时引起脱轨和行车安全●21.水平指的是线路左右两股钢轨顶面的相对高差,一般用道尺测量●22.钢轨水平误差危害:(1)水平差,在一段相当长的距离内,一股钢轨的轨顶水平,较另一股始终高(2)三角坑,一段不太长的距离内,先是左股钢轨高,后是右股钢轨高(或相反)两最大水平误差点之间距离不足18m,对行车安全危害大,延长不足18m距离内出现水平差超过4mm的三角坑,就会出现车轮不能全部正常压紧钢轨的情况,甚至爬上钢轨,引起脱轨事故。
铁路轨道的分类
铁路轨道可以根据不同的分类标准进行分类。
以下是几种常见的铁路轨道分类:
1. 根据用途分类:
- 主线轨道:用于长途运输的主要铁路线路,包括高速铁路、普速铁路等。
- 支线轨道:连接主线轨道的辅助线路,通常用于连接次要城市或农村地区。
- 专用线轨道:用于特定用途的铁路线路,如工矿专用线、港口专用线等。
2. 根据轨距分类:
- 标准轨:轨距为1435毫米,是全球最常见的轨距,也是大多数国家的标准轨距。
- 宽轨:轨距超过标准轨的轨距,如俄罗斯的宽轨(1520毫米)和印度的宽轨(1676毫米)等。
- 窄轨:轨距小于标准轨的轨距,通常用于轻轨、城市轨道交通和观光铁路等。
3. 根据电气化分类:
- 电气化轨道:安装了电气化设备,如电网供电和牵引供电系统,用于提供电力驱动列车运行的轨道。
- 非电气化轨道:没有安装电气化设备,列车依靠燃油或蓄电池等非电力形式进行驱动的轨道。
4. 根据运营方式分类:
- 客运轨道:主要用于运输乘客的轨道,包括城市轨道交通、地
铁、有轨电车等。
- 货运轨道:主要用于运输货物的轨道,包括铁路货运线路和专用线路等。
需要注意的是,以上分类只是常见的一些分类方式,实际上还可以根据地理位置、技术特点等进行更详细的分类。
不同国家和地区可能有不同的轨道分类标准和轨距标准。
铁路轨道的概念和特点铁路轨道是用于支撑和引导火车行驶的一种线性结构,通常由轨枕、轨架和轨道组成。
铁路轨道是铁路交通的基础设施,具有以下特点:1. 高强度和稳定性:铁路轨道需要能够承受列车的重量和运行时的冲击力,因此必须具备高强度和稳定性。
轨枕、轨架和轨道的材料和结构设计需要经过严格的计算和测试,确保能够承受列车的运行负荷。
2. 光洁度和平整度:由于列车的轮对必须与轨道保持良好的接触,轨道的光洁度和平整度对于列车运行的平稳性和安全性至关重要。
铁路轨道在铺设时需要经过仔细的调整和检测,以确保轨道的平整度和光洁度达到要求。
3. 延续性和接续性:铁路轨道是一个延续性的结构,因为火车需要长距离的行驶。
在铺设轨道时,需要确保铁轨的接续性,即相邻铁轨的连接处需要保证平整度和强度,使得列车能够平稳地通过。
4. 寿命长:由于铁路轨道是用于长期运营的基础设施,其需具备较长的使用寿命。
因此,铁路轨道的材料和设计需要经过充分的研究和试验,以确保其能够在长期使用中保持稳定性和可靠性。
5. 维护成本较高:铁路轨道的使用需要定期的检查和维护,以确保其良好的运行状态。
由于铁路交通的特点,对轨道的维护和修复通常需要停运列车,给运营带来一定的经济成本。
6. 安全性要求高:铁路轨道是铁路运营的基础设施,其安全性要求较高。
轨道的设计和维护需要遵守一定的标准和规范,以确保列车的安全行驶。
7. 适应性强:铁路轨道需要适应各种复杂的地形和气候条件。
不同地区的轨道设计和铺设需要考虑地形的起伏、交叉点、特殊结构等因素,确保铁路能够在各种条件下安全、稳定地运行。
总之,铁路轨道作为铁路交通的基础设施之一,具有高强度、稳定性、光洁度和平整度等特点。
其设计和维护需要遵循一定的规范和标准,以满足列车的运行需求并确保行车安全。
铁路轨道的使用寿命较长,但同时也需要定期的维护和修复,维护成本较高。
铁路轨道的设计还需要考虑适应各种地形和气候条件的要求,确保铁路能够在各种复杂条件下安全运行。
“铁路轨道”教学大纲
课程编号:30L313Q
适用专业:土木工程课程层次及学位课否:专业主修课程、学位课
学时数:32 学分数:2
执笔者:高亮编写日期:2003年12月
一、课程的任务和教学目标
《铁路轨道》是土木工程专业的专业主修课程及学位课,是从事铁路和城市轨道交通轨道结构设计、施工及轨道管理工作的重要基础课。
任务是使学生系统学习铁路轨道的组成、设计原理和方法、轨道管理等相关知识。
主要讲授内容有:绪论、轨道结构与部件、几何形位、轨道结构力学分析、道岔、无缝线路等。
通过对此课程的学习,可以使学生较好地从事铁路、城市轨道交通设计、施工、管理等方面的工作。
二、课程教学内容和学时分配
(一)绪论(建议3学时)
了解世界铁路的发展概况、我国铁路高速与重载铁路的建设概况、铁路的性质及其在国民经济与交通体系中的地位,及该专业的发展的现状、科研动态等;
重点:使学生系统了解该课程的主要讲授内容及各部分的联系。
(二)铁路轨道结构与几何形位(建议8学时)
了解轨道结构的发展现状、轨道组成及部件(包括钢轨、轨枕、联结零件、道床、道岔、线路防爬及曲线加强设备);理解轨道各种部件的工作特点(材质、构造、类型、伤损等)和功用;掌握轨道几何形位的设置依据、要素及特征等理论和计算方法,并对高速铁路或提速线路的几何参数有一定的了解。
重点:轨道几何行位的要素及特征。
(三)轨道结构力学分析(建议7学时)
了解轨道结构力学分析的目的、意义和轨道结构的受力特点;轨道结构力学分析的几种模型;掌握轨道强度计算理论(主要是连续弹性基础梁理论)。
了解轨道横向受力分析的原理;了解轨道准静态、动力学的发展动态。
重点:轨道强度理论(主要是连续弹性基础梁理论);
难点:轨道强度理论。
(四)道岔(建议6学时)
了解道岔的功能、种类;掌握单开道岔的构造特点、各部件的功能及要求等。
了解道岔的几何尺寸,理解道岔的允许过岔速度、轨道连接等内容。
了解提速、高速道岔的结构特点。
重点:单开道岔的构造;
难点:道岔的几何尺寸部分;
(五)无缝线路(建议8学时)
掌握无缝线路的基本原理和基本理论(包括长轨节内温度力的分布规律、无缝线路稳定性理论、无缝线路设计方法等);了解桥上无缝线路、无缝道岔等特殊部位的设计和无缝线路的铺设养护及维修。
重点:无缝线路的基本原理和基本理论(包括长轨节内温度力的分布规律、无缝线路稳定性理论);
难点:长轨节内温度力的分布规律和无缝线路稳定性理论;
建议:提示学生务必先预习。
三、课程教学安排及要求
(一)课堂教学
要求既要突出重点,又要使学生全面掌握本课程的知识,应使用电子课件。
应注意培养学生的思维能力、分析问题、解决问题的能力,尤其在无缝线路理论、轨道强度计算等方面。
要求指导学生如何自学,使学生了解、会查阅本专业的文献资料。
注意培养学生查阅资料,归纳总结问题能力。
(二)实践性教学环节
可以单独安排课程设计,培养学生分析问题和解决问题的能力。
内容可以是线路大修课程设计、铁路无缝线路设计等。
课程设计可以作为实践教学环节另做安排,学分另计。
(三)作业
所布置的作业应能使学生深入理解基本原理和概念、提高分析解决实际问题的能力以及查阅资料、归纳总结问题的能力。
并可加大研究性专题及综合评述性题目。
部分作业需要上机编制程序进行。
主要作业题目建议为:归纳总结轨道部件的组成和特点(1题);几何形位方面的计算及分析(1题、上机计算);轨道强度计算及分析(1题、上机计算);无缝线路方面的计算分析(2~3题、上机计算);高速、提速道岔结构特点(1题)。
四、课程的考核
考核的主要目标:对轨道结构的种类、特点、基本原理、养护维修方法等有较详细的了解,并能进行简单的编程设计。
考核的建议方式:可采用开卷或闭卷考试(可占70%),平时成绩可占30%。
五、本课程与其它课程的联系与分工
先修课程:材料力学、结构力学、钢结构设计原理等。
相关课程:铁路轨道测试技术、新型轨道结构、城市轨道交通。
六、建议教材及教学参考书
(1)谷爱军.铁路轨道.中国铁道出版社,2005
(2)许实儒,童本浩. 铁路轨道基本理论.中国铁道出版社, 1997;
(3)童大埙. 铁路轨道基本知识.中国铁道出版社, 1997;
(4)郝赢. 铁道工程. 中国铁道出版社,2000;
(5)王午生, 许玉德, 郑其昌.铁道与城市轨道交通工程.同济大学出版社, 2003;
(6)卢耀荣. 无缝线路研究与应用. 中国铁道出版社,2004;
(7)范俊杰. 现代铁路轨道(第二版), 中国铁道出版社,2004;
(8)赵国堂. 高速铁路无碴轨道结构. 中国铁道出版社,2006;
(9)翟婉明. 车辆—轨道耦合动力学(第二版), 中国铁道出版社,2000;(10)铁路轨道设计规范(TB10082-2005) . 中国铁道出版社,2006;
(11)既有线提速200km/h技术条件. 中国铁道出版社,2006;
(12)客运专线铁路工程竣工验收动态检测指导意见. 中国铁道出版社,2008。