成形冲压件的公差
- 格式:doc
- 大小:133.50 KB
- 文档页数:5
冲压件公差及选用一平冲压件尺寸公差〔GB/T 13914—1992〕
1
二成型冲压件尺寸公差〔GB/T 13914-1992〕
2
注:1. 平冲压件是经平面冲裁工序加工而成型的冲压件。
2.成型冲压件是经弯曲、拉深及其他成型方法加工而成的冲压件。
3。
平冲压件尺寸公差适用于平冲压件,也适用于成型冲压件上经冲裁工序加工而成的尺寸.
4.平冲压件、成型冲压件尺寸的极限偏差按下述规定选取:
⑴孔〔内形〕尺寸的极限偏差取表中给出的公差数值,冠以“+”作为上偏差,下偏差为0。
⑵轴〔外形〕尺寸的极限偏差取表中给出的公差数值,冠以“-”作为下偏差,上偏差为0。
⑶孔中心距、孔边距、弯曲、拉深及其他成型方法加工而成的长度、高度及未注公差尺寸的
极限偏差,取表中给出的公差数值的一半,冠以“±"作为上下偏差。
三尺寸公差等级的选用〔GB/T 13914-1992〕
3
四角度公差〔GB/T 13915—1992〕
注:1. 冲压件冲裁角度:在平冲压件或成型冲压件的平面部分,经冲裁工序加工而成的角度.
2。
冲压件弯曲角度:经弯曲工序加工而成的冲压件的角度。
3。
冲压件冲裁角度冲压件弯曲角度的极限偏差按下述规定选取:
⑴依据使用的需要选用单向偏差。
⑵未注公差的角度的极限偏差,取表中给出的公差数值的一半,冠以“±”作为上下偏差. 五角度公差等级的选用
4
说明:本公差系根据现有资料整理的,且国标随时都可能修订,故仅供设计时参考。
2008年整理
5。
中华人民共和国国家标准GB/T 13914-92冲压件尺寸公差Tolerance of dimensions for stanpings1主题内容与适用范围本标准规定可金属冲压件的尺寸公差等级符号`代号`公差数值及极限片偏差本标准适用于金属材料冲压成形的零件。
非金属材料冲压件可参考执行。
1术语2.1 平冲压件经平面冲裁工序加工而成形的冲压件。
2.2 成形冲压件经弯曲`拉深及其他成形方法加工而成的冲压件。
3公差等级、符号、代号及数值3.1 平冲压件尺寸公差分11个等级,即:ST1`ST2至ST11。
其中ST表示平冲压件尺寸公差,公差等级代号用阿拉伯数字表示。
从ST1至ST11等级依次降低。
平冲压件尺寸公差适用于平冲压件,也适用于成形冲压件上经冲裁工序加工而成的尺寸。
平冲压件尺寸公差数值按表1规定。
3.2 成形冲压件尺寸公差分10个等级,即:FT1`FT2至FT10。
FT表示成形冲压件尺寸公差,公差等级代号用阿拉伯数字表示。
从FT1至ST10等级依次降低。
成形冲压件尺寸公差数值按表2规定。
表2 成形冲压件尺寸公差mm3.3 冲压件未注尺寸公差按本标准规范系列,由相应的技术文件作出具体规定。
4冲压件尺寸极限偏差平冲压件`成形冲压件尺寸的极限偏差按下述规定选取。
4.1 孔(内形)尺寸的极限偏差取表中给出的公差数值,冠以“+”作为上偏差`下偏差为04.2 轴(外形)尺寸的极限偏差取表中给出的公差数值,冠以“—”号作为下偏差`上偏差为04.3 孔中心距`孔边距`弯曲`拉深与其他的成形方法而成的长度`高度及未注公差尺寸的极限偏差,取表中给出的公差值的一半,冠以“±”号分别作为上`下偏差5公差等级选用平冲压件`成形冲压件尺寸公差等级选用见附录A(参考件)附录A公差等级选用(参考件)A1 平冲压件尺寸公差等级选用按表A1规定。
表A1A2 成形冲压件尺寸公差等级选用按表A2规定。
表A2附加说明:本标准由中华人民共和国机械电子工业部提出。
冲压件的形状位置公差是指冲压件的实际形状和位置与设计要求之间的偏差。
这些公差通常用于确保冲压件在装配和使用过程中能够满足功能和互换性要求。
以下是一些常见的冲压件形状位置公差:
1.直线度公差:限制冲压件直线部分的直线度偏差。
2.平面度公差:限制冲压件平面部分的平面度偏差。
3.圆度公差:限制冲压件圆形部分的圆度偏差。
4.圆柱度公差:限制冲压件圆柱形部分的圆柱度偏差。
5.平行度公差:限制冲压件两个要素之间的平行度偏差。
6.垂直度公差:限制冲压件两个要素之间的垂直度偏差。
7.倾斜度公差:限制冲压件两个要素之间的倾斜度偏差。
8.同轴度公差:限制冲压件两个同轴要素之间的同轴度偏差。
9.对称度公差:限制冲压件两个对称要素之间的对称度偏差。
这些形状位置公差的具体要求和数值通常根据冲压件的功能、使用要求以及制造工艺能力来确定。
在设计和制造过程中,合理的公差控制可以确保冲压件的质量和可靠性。
冲压件尺寸公差标准冲压件尺寸公差标准是指在冲压加工过程中,对于冲压件的尺寸公差进行规定和控制的标准。
冲压件尺寸公差的准确控制对于产品的质量和性能具有重要影响,因此在实际生产中,必须严格按照相关标准进行操作和管理。
首先,冲压件尺寸公差的标准化对于产品质量的稳定性和可靠性具有重要意义。
通过制定统一的尺寸公差标准,可以有效地规范冲压件的生产过程,确保产品尺寸的稳定性和一致性。
这对于提高产品的质量和可靠性具有重要作用,同时也有利于降低生产成本,提高生产效率。
其次,冲压件尺寸公差的标准化可以提高产品的互换性和通用性。
在现代工业生产中,很多产品都是由多个零部件组装而成的,而这些零部件往往需要具有一定的互换性和通用性。
通过严格控制冲压件尺寸公差,可以确保不同厂家生产的零部件可以互相替换使用,从而提高了产品的通用性和适用范围。
另外,冲压件尺寸公差的标准化也有利于提高产品的外观质量和装配精度。
在产品装配过程中,如果冲压件的尺寸公差控制不当,很容易导致产品的装配困难,甚至影响产品的外观质量。
通过严格控制冲压件尺寸公差,可以有效地提高产品的装配精度,保证产品的外观质量和装配质量。
此外,冲压件尺寸公差标准化还有利于提高企业的竞争力和市场地位。
在市场竞争日益激烈的情况下,产品的质量和性能往往成为企业竞争的关键因素。
通过严格控制冲压件尺寸公差,可以提高产品的质量和性能,从而赢得市场的认可和信赖,提升企业的竞争力和市场地位。
综上所述,冲压件尺寸公差标准化对于产品质量、互换性、外观质量、装配精度以及企业竞争力都具有重要意义。
因此,在实际生产中,必须严格按照相关标准进行操作和管理,确保冲压件尺寸公差得到准确控制,从而提高产品的质量和性能,赢得市场的认可和信赖。
浙江星星家电股份有限公司企业标准冲压件尺寸公差Q/JD J01008-2012续表1 平冲压件公差数值基本尺寸 材料厚度 公差等级大于 至 大于 至 ST6 ST7 ST8-- 0.5 0.14 0.200.5 1 0.20 0.2810 251 3 0.28 0.403 6 0.36 0.506 0.44 0.60-- 0.5 0.20 0.280.5 1 0.28 0.4025 631 3 .040 0.563 6 0.50 0.706 0.60 0.86-- 0.5 0.26 0.360.5 1 0.36 0.5063 1601 3 0.50 0.703 6 0.64 0.906 0.78 1.10— 0.5 0.4 0.5 0.70.5 1 0.5 0.7 1.0160 4001 3 0.7 1.0 1.43 6 0.9 1.3 1.86 1.1 1.5 2.10.5 0.5 0.7 1.00.5 1 0.7 0.9 1.3400 10001 3 0.9 1.3 1.83 6 1.2 1.6 2.46 1.4 2.0 2.8— 0.5 0.7 1.0 1.40.5 1 1.0 1.4 2.010001 3 1.4 2.0 2.83 6 1.6 2.2 3.26 1.9 2.6 3.64.2 成形冲压件公差数值成形压件公差数值见表2(参照GB/T 13914中成形冲压件公差数值修约而成)。
表2 成形冲压件公差数值基本尺寸 材料厚度 公差等级大于 至 大于 至 FT6 FT7-- 0.5 0.10-- 10.5 1 0.141 1.5 0.20-- 0.5 0.180.5 1 0.241 31 3 0.343 4 0.44续表2 成形冲压件公差数值基本尺寸 材料厚度 公差等级大于 至 大于 至 FT6 FT7-- 0.5 0.240.5 1 0.343 101 3 0.483 6 0.606 0.70-- 0.5 0.320.5 1 0.4610 251 3 0.643 6 0.806 1.00-- 0.5 0.400.5 1 0.5825 631 3 0.803 6 1.006 1.20-- 0.5 0.560.5 1 0.7863 1601 3 1.103 6 1.406 1.60-- 0.5 0.8 1.10.5 1 1.0 1.6160 4001 3 1.4 2.23 6 1.8 2.86 2.2 3.4-- 0.5 1.0 1.60.5 1 1.4 2.2400 10001 3 1.8 2.83 6 2.2 3.46 2.6 4.0注:1、材料厚度≤0.5mm成形冲压件尺寸公差等级推荐FT6;2、基本尺寸≤160mm时用游标卡尺测量;3、基本尺寸大于160mm时用卷尺测量。
冲压件公差及选用一平冲压件尺寸公差〔GB/T 13914-1992〕
二成型冲压件尺寸公差〔GB/T 13914-1992〕
注:1. 平冲压件是经平面冲裁工序加工而成型的冲压件。
2.成型冲压件是经弯曲、拉深及其他成型方法加工而成的冲压件。
3. 平冲压件尺寸公差适用于平冲压件,也适用于成型冲压件上经冲裁工序加工而成的尺寸。
4.平冲压件、成型冲压件尺寸的极限偏差按下述规定选取:
⑴孔〔内形〕尺寸的极限偏差取表中给出的公差数值,冠以“+”作为上偏差,下偏差为0。
⑵轴〔外形〕尺寸的极限偏差取表中给出的公差数值,冠以“-”作为下偏差,上偏差为0。
⑶孔中心距、孔边距、弯曲、拉深及其他成型方法加工而成的长度、高度及未注公差尺寸的
极限偏差,取表中给出的公差数值的一半,冠以“±”作为上下偏差。
三尺寸公差等级的选用〔GB/T 13914-1992〕
四角度公差〔GB/T 13915-1992〕
注:1. 冲压件冲裁角度:在平冲压件或成型冲压件的平面部分,经冲裁工序加工而成的角度。
2. 冲压件弯曲角度:经弯曲工序加工而成的冲压件的角度。
3. 冲压件冲裁角度冲压件弯曲角度的极限偏差按下述规定选取:
⑴依据使用的需要选用单向偏差。
⑵未注公差的角度的极限偏差,取表中给出的公差数值的一半,冠以“±”作为上下偏差。
五角度公差等级的选用
说明:本公差系根据现有资料整理的,且国标随时都可能修订,故仅供设计时参考。
2008年整理。
冲压件尺寸精度要求1.冲压件的检查要求1。
1. 冲压件尺寸测量时,应将冲压件夹紧定位在检具上测量.1。
1.1 检具上夹紧位置应与焊接夹具夹紧点一致,无压紧点应在自然状态下测量.1.1.2两个零件搭接头按同一块样板检测,样板与零件间隙不超过0.3mm。
1。
1。
3毛刺高度允许值1。
2冲压件表面质量1。
2.1表面区域分类1.2。
2冲压件表面质量检查表面质量的判定依据:冲压件喷漆后表面缺陷的可见程度,一类和二类表面区域在光照条件下检验(A:无可见缺陷 B:有轻微可见缺陷 C:有可接受的一般缺陷)。
1。
3.冲压件尺寸公差要求2. 冲压件未注公差尺寸的极限偏差2.1平冲压件长度L,直径D、d未注公差尺寸的极限偏差按表1规定.表1注:上表中如果是孔类其公差取正值;如果是轴类则取负值;若是非孔轴类则取正负值,此时其偏差数值取表中值之半。
2.2未注公差成形尺寸的极限偏差2.2。
1弯曲长度尺寸及拉延深度未注公差尺寸的极限偏差按表2规定。
表22。
2。
2加强筋、加强窝高度h未注公差尺寸的极限偏差按表3规定。
表32。
3未注公差圆角半径极限偏差2。
3.1冲裁圆弧半径R的极限偏差按表4规定。
表42.3.2两冲裁面构成的内部和外部尖角如图样上未注明要求时,按小于或等于料厚t取值。
2。
3。
3 未注公差成形圆角半径的极限偏差按表5规定表52.4。
未注公差的极限偏差2.4.1冲裁角度未注明公差尺寸的极限偏差按表6规定.表62.4。
2 弯曲角度未注明公差尺寸的极限偏差按表7规定表72。
5。
成形拉延件允许有局部材料变薄或增厚,变薄后的最小厚度为: t min =75%tt min —材料的的最小厚度,mm t —材料的公称厚度,mm2.6。
冲压件的孔心距、孔边距及孔组距未注公差尺寸的极限偏差。
2.6.1 带料、扁条料等材料冲孔对边缘距离未注公差尺寸的极限偏差按表8规定。
表82。
6.2 孔距公差及组孔间距未注公差尺寸的极限偏差按表9规定。
冲压件厚度公差标准冲压件是工业生产中常见的零部件,其质量和精度对产品的品质和性能有着关键的影响。
其中,冲压件的厚度公差是一个重要的指标,用来表征产品的尺寸变化范围和制造精度。
本文将对冲压件厚度公差标准进行探讨。
一、冲压件厚度公差的定义冲压件的厚度公差是指在设计和制造过程中,冲压件的实际厚度与设计要求厚度之间允许的差距。
正常情况下,冲压件的厚度都不会完全符合设计要求,会存在一定的偏差。
厚度公差的设定旨在控制这种偏差范围,以保证产品的稳定性和可靠性。
二、冲压件厚度公差的分类根据冲压件的应用领域和要求,冲压件的厚度公差可以分为一般公差和精密公差两种类型。
1. 一般公差一般公差适用于一般工业产品及低精度要求的冲压件。
它的公差范围相对较大,可以容许一定的误差。
一般公差的设定主要考虑到生产成本和工艺要求,以兼顾经济性和可制造性。
2. 精密公差精密公差适用于高精度要求的冲压件,如汽车零部件、精密仪器等。
它的公差范围相对较小,要求制造过程更加精细和精确。
精密公差的设定需要考虑到产品的使用环境、功能要求和工艺能力,以保证产品的质量和性能。
三、冲压件厚度公差的计算方法冲压件厚度公差的计算主要依据设计规范和制造标准进行。
通常情况下,可以采用以下两种方法进行计算:1. 统计方法统计方法是根据一定数量的样本进行测量和统计,然后通过统计推断的方法计算出厚度公差的范围。
这种方法的优势在于能够较全面地反映生产过程中的实际情况,但需要一定的测试和数据处理能力。
2. 经验方法经验方法是根据经验和生产实践得出的经验公式或经验数据进行公差计算。
这种方法适用于一些常见且简单的冲压件,能够满足一般情况下的需求,但难以适应复杂和高精度的要求。
四、冲压件厚度公差的控制要点在实际生产中,为了保证冲压件的厚度公差符合要求,需要注意以下几个要点:1. 严格控制生产工艺生产工艺是冲压件厚度公差控制的关键。
要通过优化工艺流程、合理选择设备和工装,最大限度地减小制造过程中的误差和影响,提高产品的稳定性和一致性。
五金冲压公差标准一、尺寸公差尺寸公差是指零件的实际尺寸与基本尺寸之间的差异。
为确保冲压件的质量和性能,本标准规定了以下几个方面的尺寸公差:1.1 冲压件的整体尺寸公差应符合图纸中标注的尺寸公差要求。
1.2 冲压件的局部尺寸公差应符合图纸中标注的局部尺寸公差要求。
1.3 冲压件的厚度公差应符合图纸中标注的厚度公差要求。
二、形状公差形状公差是指零件的形状误差。
为确保冲压件的质量和性能,本标准规定了以下几个方面的形状公差:2.1 冲压件的外形应符合图纸中标注的形状要求。
2.2 冲压件的轮廓度应符合图纸中标注的轮廓度要求。
2.3 冲压件的圆度应符合图纸中标注的圆度要求。
三、位置公差位置公差是指零件的位置误差。
为确保冲压件的质量和性能,本标准规定了以下几个方面的位置公差:3.1 冲压件的位置度应符合图纸中标注的位置度要求。
3.2 冲压件的平行度应符合图纸中标注的平行度要求。
3.3 冲压件的垂直度应符合图纸中标注的垂直度要求。
四、表面粗糙度表面粗糙度是指零件表面的微观不平度。
为确保冲压件的质量和性能,本标准规定了以下几个方面的表面粗糙度:4.1 冲压件的表面粗糙度应符合图纸中标注的表面粗糙度要求。
4.2 冲压件的表面光洁度应符合图纸中标注的表面光洁度要求。
五、材料硬度材料硬度是指金属材料的硬度指标。
为确保冲压件的质量和性能,本标准规定了以下几个方面的材料硬度:5.1 冲压件的材料硬度应符合图纸中标注的材料硬度要求。
5.2 冲压件的硬度过低或过高都可能导致冲压件的质量问题,应根据实际需要选择合适的材料硬度。
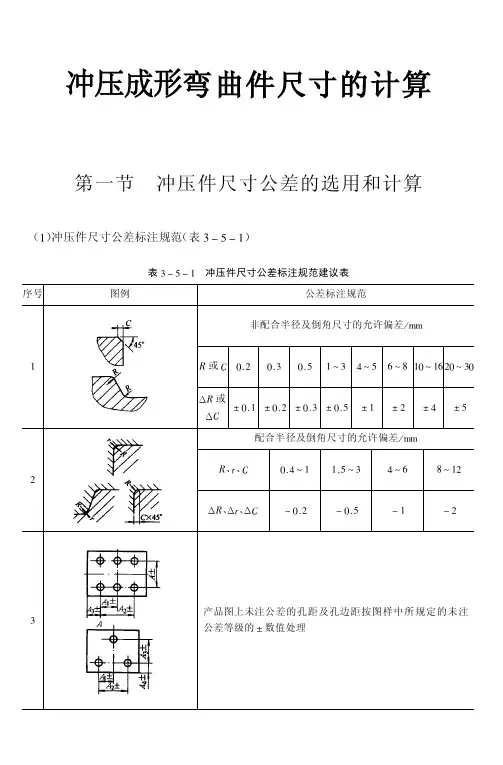
冲压成形弯曲件尺寸的计算第一节冲压件尺寸公差的选用和计算(!)冲压件尺寸公差标注规范(表"#$#!)表"#$#!冲压件尺寸公差标注规范建议表序号图例公差标注规范!非配合半径及倒角尺寸的允许偏差%&&!或"’()’("’($!*"+*$,*-!’*!,)’*"’!!或!".’(!.’().’(".’($.!.).+.$)配合半径及倒角尺寸的允许偏差%&&!、#、"’(+*!!($*"+*,-*!)!!、!#、!"#’()#’($#!#)"产品图上未注公差的孔距及孔边距按图样中所规定的未注公差等级的.数值处理序号图例公差标注规范!落料件外形按截面最大的一端测量,冲孔内形按截面最小的一端测量。
允许冲件在落料凹模一面和冲孔凸模一面有自然圆角(塌角)"冲裁件要求有清角必须注明要求,否则,允许有不大于#$%&&之小圆角,图面上绘成圆角者,允许有不大于#$"&&的小圆角’切口件以标注尺寸的一边为准,另一边不作测量。
如图示,测量尺寸!,方孔部分则不测量(弯曲件角部由于材料内侧压缩、外侧拉伸,允许弯曲件角部出现胀出毛刺,如有特殊要求,则应增加工艺措施)冲裁或弯曲圆弧头或圆形零件,其图纸上同时标注直径"和半径#时,一律以直径"为测量依据,半径#作为参考尺寸*产品图上有如图示尺寸标注者,按下法理解:+$大于*#,的钝角,!角两边交点作为尺寸一端-$小于*#,的锐角,取!角部分圆弧顶点序号图例公差标注规范!"图形无法确定交点位置时,一律按标注基准确定位置!!产品图上未注公差尺寸,按图例所示方法处理,(#)或($)值按非配合尺寸公差处理,(%)值取非配合尺寸公差的绝对值的一半!&弯曲件处理方法同!!!’拉深件横断面材料厚度,允许有自然变形现象(即上口变厚下部变薄,其变形量约在(!(&)"(*)!之间,但必须保证底部圆角完整无伤对变薄拉深件,横断面材料厚度按图样设计要求!+拉深件尺寸:!(标注内径尺寸者,外径不作测量;标注外径尺寸者,内径不作测量&(底部圆角以凸模圆角为准’(矩形拉深件角部圆角半径,标注内径者,外径不作测量序号图例公差标注规范!"产品图上未注公差的不直度允许偏差按图样中规定的公差或未注公差等级处理!#产品图上未注公差的不平行度允许偏差按图样中规定的公差或未注公差等级处理!$产品图上未注公差的不同轴度允许偏差按内径和外径公差之和的四分之一计算!%产品图上未注公差的不圆度允许偏差按产品尺寸公差的二分之一计算。
成形冲压件的公差1、曲长度L,拉深直径D和卷圆直径d(图2-5)的极限偏差按表2-5规定。
图2-5C ±1.60±2.00±2.40±3.20±4.00D ±2.80±3.20±4.00±5.20±6.20400 1000 A ±0.70±0.80±0.90±1.00±0.70B ±1.40±1.60±1.80±2.00±2.80C ±2.80±3.20±3.60±4.00±5.60D ±4.80 ±5.20±5.60±6.40±7.201000 3150 A ±1.20±1.40±1.60±1.70±1.80B ±2.40±2.80±3.20±3.40±3.60C ±4.80±5.60±6.00±6.40±7.20D ±6.40±6.80±7.20±7.602.弯曲平行度公差弯曲平面A与B(图2-6)的平行度公差等于弯曲长度L的公差值。
平行度应以两平行要素中较长的要素作基础,若两者长度相同时,可任选一个作基准。
图2-63.弯曲角度(包括未注明的90º和等边多边形的角度)的极限偏差按表2-6规定,图2-7为90º压弯件的角度偏差aº。
图2-7弯曲角度种类精度等级A B C D直角弯曲±1º00´±1º30´±1º30´±2º00´4.带凸缘拉深件拉深深度H(图2-5)的极限偏差按表2-7规定.表2-7 带凸缘拉深件拉深深度H的极限偏差材料厚度拉深深度范围≤18>18-50 >50-120 >120-180 >180-260 >260-500≤1±0.3±0.5±0.8±1.0±1.4±1.6>1-2 ±0.4±0.6±1.0±1.2±1.6±1.8>2-4 ±0.5±0.8±1.2±1.4±1.8±2.0>4-6 ±0.6±1.0±1.4±1.6±2.0-图2-8表2-8翻边、加强筋、加强窝高度h1的极限偏差翻边、加强筋(窝)高度≤6>6-10 >10-18 >18-30 >30极限偏差±1.0-0.5±1.2-1.0±1.5-1.0±2.5-1.0±3.0-1.06.成形件圆弧半径r(图2-5、图2-8)的极限偏差按表2-9规定。
成形冲压件的公差
1、曲长度L,拉深直径D和卷圆直径d(图2-5)的极限偏差按表2-5规定。
图2-5
B ±0.80±1.00±1.20±1.60±2.00
C ±1.60±2.00±2.40±3.20±4.00
D ±2.80±3.20±4.00±5.20±6.20
400 1000 A ±0.70±0.80±0.90±1.00±0.70
B ±1.40±1.60±1.80±2.00±2.80
C ±2.80±3.20±3.60±4.00±5.60
D ±4.80 ±5.20±5.60±6.40±7.20
1000 3150 A ±1.20±1.40±1.60±1.70±1.80
B ±2.40±2.80±3.20±3.40±3.60
C ±4.80±5.60±6.00±6.40±7.20
D ±6.40±6.80±7.20±7.60
2.弯曲平行度公差
弯曲平面A与B(图2-6)的平行度公差等于弯曲长度L的公差值。
平行度应以两平行要素中较长的要素作基础,若两者长度相同时,可任选一个作基准。
图2-6
3.弯曲角度(包括未注明的90º和等边多边形的角度)的极限偏差按表2-6规定,图2-7为90º压弯件的角度偏差aº。
图2-7
弯曲角度种类
精度等级
A B C D
直角弯曲±1º00´±1º30´±1º30´±2º00´其他角度弯曲±1º00´±1º30´±2º00´±3º00´4.带凸缘拉深件拉深深度H(图2-5)的极限偏差按表2-7规定.
材料厚度
拉深深度范围
≤18>18-50 >50-120 >120-180 >180-260 >260-500
≤1±0.3±0.5±0.8±1.0±1.4±1.6
>1-2 ±0.4±0.6±1.0±1.2±1.6±1.8
>2-4 ±0.5±0.8±1.2±1.4±1.8±2.0
>4-6 ±0.6±1.0±1.4±1.6±2.0-
5.翻边高度h(图2-5)、加强筋、加强窝高度h1(图2-8)的极限偏差按表2-8规定。
图2-8
表2-8翻边、加强筋、加强窝高度h1的极限偏差
翻边、加强筋(窝)高度≤6>6-10 >10-18 >18-30 >30
极限偏差±1.0
-0.5
±1.2
-1.0
±1.5
-1.0
±2.5
-1.0
±3.0
-1.0
6.成形件圆弧半径r(图2-5、图2-8)的极限偏差按表2-9规定。
表2-9成形件圆弧半径r的极限偏差 mm
圆板半径≤3>3-6 >6-10 >10-18 >18-30 >30
极限偏差+1
+1.5
+2.5
+3
+4
+5
7.成形件材料变薄的最小厚度按如下公式计算:
t最小=0.8t公称-△
式中:t最小--------材料的最小厚度,mm;
t公称--------材料的公称厚度,mm;
△ -------------材料厚度下偏差的绝对值,mm。
8.成形件同轴度和对称度的公差
成形件同轴度和对称度的公差,等于构成同轴度和对称度诸要素中较大尺寸的公差值。
例:图2-9为一底部有一孔的带凸缘的筒形拉深件:当t=1.5mm,D=22mm,精度等级为B时,根据表2-5查得D极限偏差为±0.6mm,因此,工件孔d时D的同轴度公差为1.2mm。
图2-9
三、冲压件孔中心距、孔组距的公差
1、与同一零件联接的孔中心距及孔组间距a1(图2-10)的极限偏差按表2-10规定。
图2-10
表2-10与同一零件联接的孔中心距及孔组距的极限偏差 mm
孔中心距、孔组间距
a1
拉深深度范围
A B C D
≤18±0.15±0.20±0.30±0.40 >18-120 ±0.20±0.25±0.40±0.50 >120-260 ±0.25±0.30±0.50±0.60 >260-500 ±0.30±0.50±0.60±0.70 >500 ±0.50±0.60±0.70±0.80 2.与不同零件联接的孔组间距a2(图2-11)的极限偏差按表2-6规定。
图2-11
表2-11与不同零件联接的孔组间距的极限偏差 mm
孔级间距a2
精度等级
A B C D
≤120±0.40±0.6±0.8±1.0
>120-260 ±0.7±0.8±1.0±1.2
>260-500 ±1.0±1.2 ±1.4±1.6
>500-1200 ±1.3±1.6±1.8±2.0 >1200 ±1.6±2.0±2.2±2.5四、其他公差
1.冷冲压件的平面度、直线度的公差等于有关表面最大轮廓尺寸的0.5%。
2.对加工后易变形而在装配后能恢复正确几何形状的成形零件,其尺寸偏差不作规定。
在自由状态下实际尺寸允许超出极限尺寸,但装配后实际尺寸应在其极限偏差尺寸范围内。
3.冲裁断面允许有正常的塌角、光亮带、剪裂带、斜度(图2-12)。
图2-12。