形位公差--符号
- 格式:doc
- 大小:189.00 KB
- 文档页数:3
形位公差符号大全形位公差是机械制造中常见的一种公差,它用来描述零件的形状和位置的偏差范围,是保证零件装配和工作精度的重要手段。
形位公差的表示方法主要有两种,一种是采用ISO标准的形位公差符号,另一种是采用国家标准的形位公差符号。
在实际的工程设计和制造中,了解和掌握形位公差符号的含义和应用是非常重要的。
本文将对形位公差符号进行全面详细的介绍,希望能够为广大工程技术人员提供一些帮助和参考。
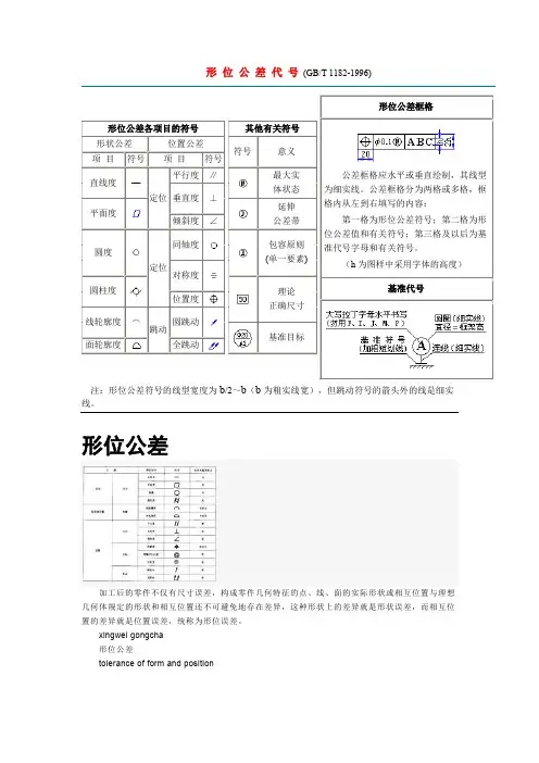
1. 直线度公差。
直线度公差是用来描述直线轴线的偏离程度的公差,其符号为⊥。
在图纸上表示为⊥0.1,表示直线轴线的偏差范围为0.1。
直线度公差的应用范围非常广泛,特别是在需要保证零件装配精度和工作精度的场合,直线度公差的控制显得尤为重要。
2. 平面度公差。
平面度公差是用来描述平面表面的偏离程度的公差,其符号为△。
在图纸上表示为△0.05,表示平面表面的偏差范围为0.05。
平面度公差在机械制造中也是一种常见的公差,尤其是对于需要保证平面密封性和工作精度的零件,平面度公差的控制至关重要。
3. 圆度公差。
圆度公差是用来描述圆形轴线的偏离程度的公差,其符号为◎。
在图纸上表示为◎0.02,表示圆形轴线的偏差范围为0.02。
圆度公差在轴类零件的制造中非常常见,对于需要保证轴类零件的转动精度和配合精度的场合,圆度公差的控制尤为重要。
4. 同轴度公差。
同轴度公差是用来描述轴线同一直线上的偏离程度的公差,其符号为∥。
在图纸上表示为∥0.03,表示轴线同一直线上的偏差范围为0.03。
同轴度公差在需要保证零件装配精度和工作精度的场合也是一种常见的公差。
5. 同心度公差。
同心度公差是用来描述轴孔中心和轴线中心的偏离程度的公差,其符号为⊙。
在图纸上表示为⊙0.04,表示轴孔中心和轴线中心的偏差范围为0.04。
同心度公差在需要保证轴类零件的配合精度和工作精度的场合也是一种常见的公差。
6. 垂直度公差。
垂直度公差是用来描述两个垂直面的偏离程度的公差,其符号为⊥。
形位公差的符号和图示大全形位公差加工后的零件不仅有尺寸公差,构成零件几何特征的点、线、面的实际形状或相互位置与理想几何体规定的形状和相互位置还不可避免地存在差异,这种形状上的差异就是形状公差,而相互位置的差异就是位置公差,统称为形位公差tolerance of form and position;形位公差术语根据GB/T1182-2008 已改为新术语几何公差;包括形状公差和位置公差;任何零件都是由点、线、面构成的,这些点、线、面称为要素;后零件的实际要素相对于理想要素总有误差,包括形状误差和位置误差;这类误差影响机械产品的功能,设计时应规定相应的公差并按规定的标准符号标注在图样上;20世纪50年代前后,工业化国家就有形位公差标准;国际标准化组织ISO于1969年公布形位公差标准,1978年推荐了形位公差检测原理和方法;中国于1980年颁布形状和位置公差标准,其中包括检测规定;形状公差和位置公差简称为形位公差;下列图表有利于金粉更直观的了解其概念;测量方法形状误差指零件上的点、线、面等几何要素在加工时可能产生的几何形状上的误差;如:加工一根圆柱时,轴的各断面直径可能大小不同、或轴的断面可能不圆、或轴线可能不直、或平面可能翘曲不平等;位置误差指零件上的结构要素在加工时可能产生的相对位置上的误差;如:阶梯轴的各回转轴线可能有偏移等;目前有一种高效测量各种形位误差的测量方法,就是可以直接利用数据采集仪连接各种指示,如百分表等,数据采集仪会自动读取测量数据并进行数据分析,无需人工测量跟数据分析,可以大大提高机械测量效率;测量仪器:偏摆仪、百分表或其他指示表、数据采集仪测量原理:数据采集仪可从百分表中实时读取数据,并进行形位误差的计算与分析,各种形位误差计算公式嵌入数据采集仪软件中,不需要人工计算,提高测量的准确率;。
形位公差符号与表示方法介绍一、形位公差零件加工时,不仅会产生尺寸误差,还会产生形状和位置误差。
零件表面的实际形状对其理想形状所允许的变动量,称为形状误差。
零件表面的实际位置对其理想位置所允许的变动量,称为位置误差。
形状和位置公差简称形位公差。
二、形位公差代号形位公差代号和基准代号如图所示。
若无法用代号标注时,允许在技术要求中用文字说明。
三、形状公差1、直线度符号为一短横线(-),是限制实际直线对理想直线变动量的一项指标。
它是针对直线发生不直而提出的要求。
2、面度符号为一平行四边形,是限制实际平面对理想平面变动量的一项指标。
它是针对平面发生不平而提出的要求。
3、圆度符号为一圆(○),是限制实际圆对理想圆变动量的一项指标。
它是对具有圆柱面(包括圆锥面、球面)的零件,在一正截面(与轴线垂直的面)内的圆形轮廓要求。
4、圆柱度符号为两斜线中间夹一圆(/○/),是限制实际圆柱面对理想圆柱面变动量的一项指标。
它控制了圆柱体横截面和轴截面内的各项形状误差,如圆度、素线直线度、轴线直线度等。
圆柱度是圆柱体各项形状误差的综合指标。
5、线轮廓度符号为一上凸的曲线(⌒),是限制实际曲线对理想曲线变动量的一项指标。
它是对非圆曲线的形状精度要求。
6、下面封闭,是限制实际曲面对理想曲面变动量的一项指标。
它是对曲面的形状精度要求四、定向公差1、平行度(∥)用来控制零件上被测要素(平面或直线)相对于基准要素(平面或直线)的方向偏离0°的要求,即要求被测要素对基准等距。
2、垂直度(⊥)用来控制零件上被测要素(平面或直线)相对于基准要素(平面或直线)的方向偏离90°的要求,即要求被测要素对基准成90°。
3、倾斜度(∠)用来控制零件上被测要素(平面或直线)相对于基准要素(平面或直线)的方向偏离某一给定角度(0°~90°)的程度,即要求被测要素对基准成一定角度(除90°外)。
五、定位公差1、同轴度(◎)用来控制理论上应该同轴的被测轴线与基准轴线的不同轴程度。
形位公差的符号和图示大全,赶紧收藏吧!2014-12-08金属加工形位公差加工后的零件不仅有尺寸公差,构成零件几何特征的点、线、面的实际形状或相互位置与理想几何体规定的形状和相互位置还不可避免地存在差异,这种形状上的差异就是形状公差,而相互位置的差异就是位置公差,统称为形位公差(tolerance of form and position)。
形位公差术语根据GB/T1182-2008 已改为新术语几何公差。
包括形状公差和位置公差。
任何零件都是由点、线、面构成的,这些点、线、面称为要素。
后零件的实际要素相对于理想要素总有误差,包括形状误差和位置误差。
这类误差影响机械产品的功能,设计时应规定相应的公差并按规定的标准符号标注在图样上。
20世纪50年代前后,工业化国家就有形位公差标准。
国际标准化组织(ISO)于1969年公布形位公差标准,1978年推荐了形位公差检测原理和方法。
中国于1980年颁布形状和位置公差标准,其中包括检测规定。
形状公差和位置公差简称为形位公差。
下列图表有利于金粉更直观的了解其概念。
测量方法形状误差指零件上的点、线、面等几何要素在加工时可能产生的几何形状上的误差。
如:加工一根圆柱时,轴的各断面直径可能大小不同、或轴的断面可能不圆、或轴线可能不直、或平面可能翘曲不平等。
位置误差指零件上的结构要素在加工时可能产生的相对位置上的误差。
如:阶梯轴的各回转轴线可能有偏移等。
目前有一种高效测量各种形位误差的测量方法,就是可以直接利用数据采集仪连接各种指示,如百分表等,数据采集仪会自动读取测量数据并进行数据分析,无需人工测量跟数据分析,可以大大提高机械测量效率。
【金属加工微信,内容不错值得关注!】测量仪器:偏摆仪、百分表(或其他指示表)、数据采集仪测量原理:数据采集仪可从百分表中实时读取数据,并进行形位误差的计算与分析,各种形位误差计算公式嵌入数据采集仪软件中,不需要人工计算,提高测量的准确率。
机械制图常用形位公差符号表示方法一、形位公差零件加工时,不仅会产生尺寸误差,还会产生形状和位置误差。
零件表面的实际形状对其理想形状所允许的变动量,称为形状误差。
零件表面的实际位置对其理想位置所允许的变动量,称为位置误差。
形状和位置公差简称形位公差。
二、形位公差符号标注符号直线度(-)——是限制实际直线对理想直线直与不直的一项指标。
平面度——符号为一平行四边形,是限制实际平面对理想平面变动量的一项指标。
它是针对平面发生不平而提出的要求。
圆度(○)——是限制实际圆对理想圆变动量的一项指标。
它是对具有圆柱面(包括圆锥面、球面)的零件,在一正截面(与轴线垂直的面)内的圆形轮廓要求。
圆柱度(/○/)——是限制实际圆柱面对理想圆柱面变动量的一项指标。
它控制了圆柱体横截面和轴截面内的各项形状误差,如圆度、素线直线度、轴线直线度等。
圆柱度是圆柱体各项形状误差的综合指标。
线轮廓度(⌒)——是限制实际曲线对理想曲线变动量的一项指标。
它是对非圆曲线的形状精度要求。
面轮廓度——符号是用一短线将线轮廓度的符号下面封闭,是限制实际曲面对理想曲面变动量的一项指标。
它是对曲面的形状精度要求。
定向公差——关联实际要素对基准在方向上允许的变动全量。
定向公差包括平行度、垂直度、倾斜度。
平行度(‖)——用来控制零件上被测要素(平面或直线)相对于基准要素(平面或直线)的方向偏离0°的要求,即要求被测要素对基准等距。
垂直度(⊥)——用来控制零件上被测要素(平面或直线)相对于基准要素(平面或直线)的方向偏离90°的要求,即要求被测要素对基准成90°。
倾斜度(∠)——用来控制零件上被测要素(平面或直线)相对于基准要素(平面或直线)的方向偏离某一给定角度(0°~90°)的程度,即要求被测要素对基准成一定角度(除90°外)。
定位公差——关联实际要素对基准在位置上允许的变动全量。
定位公差包括同轴度、对称度和位置度。
形位公差符号及标注含义形位公差符号及标注含义一.形位公差零件加工时,不仅会产生尺寸误差,还会产生形状和位置误差.零件表面的实际形状对其理想形状所允许的变动量,称为形状误差.零件表面的实际位置对其理想位置所允许的变动量,称为位值误差。
形状和位置公差简称为形位公差。
二.形位公差符号三.形状公差3.1 直线度(一)▬▬直线度是实际直线对理想直线的允许变动量,限制了加工表面线在某个方向上的偏差,如果直线超差有可能导致该工件安装时无法准确装入工艺文件规定的位置。
●标注含义:被表面投影后为一接近直线的”波浪线”(如下图),该”波浪线”的变化范围应该在距离为公差值t(t=0.1)的平行线之间。
3.2 平面度平面度表示面的平整程度,指测量平面具有的宏观凹凸高度相对理想平面的偏差,一般来讲,有平面度要求的就不必有直线度要求了,因为平面度包括了面上各个方向的直线度。
●标注含义: 被测加工表面必须位于距离为公差值t(t=0.01)的两平行面内,如下区域。
3.3 圆度(○) ▬▬是指工件横截面接近理论圆的程度,工件加工后的投影圆应该在圆度要求的公差范围之内。
●标注含义:被测圆柱面的任意截面的圆周必须位于半径为公差值t(t=0.025)的两同心圆之内,如右图区域。
3.4 圆柱度()▬▬是限制实际圆柱面对理想圆柱面变动量的一项指标。
它控制了圆柱体横截面和轴截面内的各项形状误差,如圆度,素线直线度,轴线直线度等。
圆柱度是圆柱体各项形状误差的综合指标。
标注含义:被测圆柱面必须位于半径为公差t(t=0.1)的两同轴圆柱面之间,如图。
●圆柱度和圆度的区别:圆柱度是相对于整个圆柱面而言的,圆度是相对于圆柱截面的单个圆而言的,圆柱度包括圆度,控制好了圆柱度也就保证圆度,但反过来不行。
●圆柱度和圆度的作用:柴油机的结构中有多处规定了圆柱度和圆度,如发动机的活塞环,控制好活塞环的圆度可保证其密封性,而活塞环的圆柱度则对于缸套中上下运动的顺畅性至关重要。
形 位 公 差 代 号 (GB/T 1182-1996)注:形位公差符号的线型宽度为b /2~b (b 为粗实线宽),但跳动符号的箭头外的线是细实线。
形位公差加工后的零件不仅有尺寸误差,构成零件几何特征的点、线、面的实际形状或相互位置与理想几何体规定的形状和相互位置还不可避免地存在差异,这种形状上的差异就是形状误差,而相互位置的差异就是位置误差,统称为形位误差。
xingwei gongcha 形位公差tolerance of form and position包括形状公差和位置公差。
任何零件都是由点、线、面构成的,这些点、线、面称为要素。
机械加工后零件的实际要素相对于理想要素总有误差,包括形状误差和位置误差。
这类误差影响机械产品的功能,设计时应规定相应的公差并按规定的标准符号标注在图样上。
20世纪50年代前后,工业化国家就有形位公差标准。
国际标准化组织(ISO)于1969年公布形位公差标准,1978年推荐了形位公差检测原理和方法。
中国于1980年颁布形状和位置公差标准,其中包括检测规定。
形状公差和位置公差简称为形位公差(1)形状公差:构成零件的几何特征的点,线,面要素之间的实际形状相对与理想形状的允许变动量。
给出形状公差要求的要素称为被测要素。
(2)位置公差:零件上的点,线,面要素的实际位置相对与理想位置的允变动量。
用来确定被测要素位置的要素称为基准要素。
形位公差的研究对象是零件的几何要素,它是构成零件几何特征的点,线,面的统称.其分类及含义如下:(1) 理想要素和实际要素具有几何学意义的要素称为理想要素.零件上实际存在的要素称为实际要素,通常都以测得要素代替实际要素.(2) 被测要素和基准要素在零件设计图样上给出了形状或(和)位置公差的要素称为被测要素.用来确定被测要素的方向或(和)位置的要素,称为基准要素.(3) 单一要素和关联要素给出了形状公差的要素称为单一要素.给出了位置公差的要素称为关联要素.(4) 轮廓要素和中心要素由一个或几个表面形成的要素,称为轮廓要素.对称轮廓要素的中心点,中心线,中心面或回转表面的轴线,称为中心要素形状公差有直线度,平面度,圆度和圆柱度.其含义和标注如下:1) 直线度2) 平面度平面度公差带只有一种,即由两个平行平面组成的区域,该区域的宽度即为要求的公差值.3) 圆度在圆度公差的标注中,箭头方向应垂直于轴线或指向圆心.4) 圆柱度形位公差的标注应注意以下问题:(1) 形位公差内容用框格表示,框格内容自左向右第一格总是形位公差项目符号,第二格为公差数值,第三格以后为基准,即使指引线从框格右端引出也是这样.(2) 被测要素为中心要素时,箭头必须和有关的尺寸线对齐.只有当被测要素为单段的轴线或各要素的公共轴线,公共中心平面时,箭头可直接指在轴线或中心线,这样标注很简便,但一定要注意该公共轴线中没有包含非被测要素的轴段在内.(3) 被测要素为轮廓要素时,箭头指向一般均垂直于该要素.但对圆度公差,箭头方向必须垂直于轴线.(4) 当公差带为圆或圆柱体时,在公差数值前需加注符号"Φ",其公差值为圆或圆柱体的直径.这种情况在被测要素为轴线时才有.同轴度的公差带总是一圆柱体,所以公差值前总是加上符号"Φ";轴线对平面的垂直度,轴线的位置度一般也是采用圆柱体公差带,需在公差值前也加上符号"Φ".(5) 对一些附加要求,常在公差数值后加注相应的符号,如(+)符号说明被测要素只许呈腰鼓形外凸,(-)说明被测要素只许呈鞍形内凹,(>)说明误差只许按符号的小端方向逐渐减小.如形位公差要求遵守最大实体要求时,则需加符号○M.在框格的上,下方可用文字作附加的说明.如对被测要素数量的说明,应写在公差框格的上方;属于解释性说明(包括对测量方法的要求)应写在公差框格的下方.例如:在离轴端300mm处;在a,b范围内等.形位公差是为了满足产品功能要求而对工件要素在形状和位置方面所提出的几何精度要求。
形位公差符号大全作为机加工老司机,你阅图无数,加工无数。
当我们说到“形位公差”,它是既理论又实际的专业知识,你对它有多了解呢?在生产中,如果我们对图纸标注的形位公差理解错误,就会使加工分析、加工结果与要求偏离,甚至带来严重后果。
今天,就让我们一起来系统了解14项形位公差。
先给大家看重点,下面这张表是国际统一化的14项形位公差符号,这非常重要哦。
1直线度直线度,即通常所说的平直程度,表示零件上的直线要素实际形状保持理想直线的状况。
直线度公差是实际线对理想直线所允许的最大变动量。
示例1:在给定平面内,公差带必须在距离为0.1mm的两平行直线间的区域。
示例2:在公差值前加注记号Φ、则公差带必须在直径0.08mm 的圆柱面内的区域。
2平面度平面度,即通常所说的平整程度,表示零件的平面要素实际形状,保持理想平面的状况。
平面度公差是实际表面对理想平面所允许的最大变动量。
示例:公差带是位于距离0.08mm的两个平行平面之间的区域。
3圆度圆度,即通常所说的圆整程度,表示零件上圆的要素实际形状与其中心保持等距的状况。
圆度公差是在同一截面上,实际圆对理想圆所允许的最大变动量。
示例:公差带必须在同一正截面上,半径差为公差值0.03mm的两个同心圆之间的区域。
4圆柱度圆柱度是表示零件上圆柱面外形轮廓上的各点,对其轴线保持等距状况。
圆柱度公差是实际圆柱面对理想圆柱面所允许的最大变动量。
示例:公差带是半径差为公差值0.1mm的两个同轴圆柱面之间的区域。
5线轮廓度线轮廓度是表示在零件的给定平面上,任意形状的曲线,保持其理想形状的状况。
线轮廓度公差是指非圆曲线的实际轮廓线的允许变动量。
示例:公差带是由包络一系列直径为公差0.04mm的圆的两包络线之间的区域。
诸圆的圆心位于具有理论正确几何形状的线上。
6面轮廓度面轮廓度是表示零件上的任意形状的曲面,保持其理想形状的状况。
面轮廓度公差是指非圆曲面的实际轮廓线,对理想轮廓面的允许变动量。
形位公差符号及标注含义一.形位公差零件加工时,不仅会产生尺寸误差,还会产生形状和位置误差.零件表面的实际形状对其理想形状所允许的变动量,称为形状误差.零件表面的实际位置对其理想位置所允许的变动量,称为位值误差。
形状和位置公差简称为形位公差。
二.形位公差符号三.形状公差3.1 直线度(一)▬▬直线度是实际直线对理想直线的允许变动量,限制了加工表面线在某个方向上的偏差,如果直线超差有可能导致该工件安装时无法准确装入工艺文件规定的位置。
●标注含义:被表面投影后为一接近直线的”波浪线”(如下图),该”波浪线”的变化范围应该在距离为公差值t(t=0.1)的平行线之间。
3.2 平面度平面度表示面的平整程度,指测量平面具有的宏观凹凸高度相对理想平面的偏差,一般来讲,有平面度要求的就不必有直线度要求了,因为平面度包括了面上各个方向的直线度。
●标注含义: 被测加工表面必须位于距离为公差值t(t=0.01)的两平行面内,如下区域。
3.3 圆度(○) ▬▬是指工件横截面接近理论圆的程度,工件加工后的投影圆应该在圆度要求的公差范围之内。
●标注含义:被测圆柱面的任意截面的圆周必须位于半径为公差值t(t=0.025)的两同心圆之内,如右图区域。
3.4 圆柱度()▬▬是限制实际圆柱面对理想圆柱面变动量的一项指标。
它控制了圆柱体横截面和轴截面内的各项形状误差,如圆度,素线直线度,轴线直线度等。
圆柱度是圆柱体各项形状误差的综合指标。
标注含义:被测圆柱面必须位于半径为公差t(t=0.1)的两同轴圆柱面之间,如图。
●圆柱度和圆度的区别:圆柱度是相对于整个圆柱面而言的,圆度是相对于圆柱截面的单个圆而言的,圆柱度包括圆度,控制好了圆柱度也就保证圆度,但反过来不行。
●圆柱度和圆度的作用:柴油机的结构中有多处规定了圆柱度和圆度,如发动机的活塞环,控制好活塞环的圆度可保证其密封性,而活塞环的圆柱度则对于缸套中上下运动的顺畅性至关重要。
四位置公差4.1 平行度()▬▬,指两平面或两直线平行的程度,即其中一平(边)相对于另一平面(边)平行的误差最大允许值。
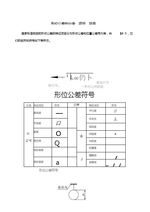
形位公差的分类、项目、符号国家标准规定的形状公差的特征项目分为形状公差和位置公差两大类,共14个,它们的名称和符号如下表所示。
形位公差符号,分类特征项目符号分类特征项目符号形公差直瓯度—平行度//垂直度丄平面度口倾弭度圓度O *同轴度◎圆柱度Q对称度位置度线轮廓度9圆眺动/面轮廓度a全跳动r / /形位公差符号1」L00仍卜指引线」基准代号—形位公差数值h为图中字高形位公差的定义直线度-所有点都在一条直线上的情况,公差由两条平行线形成的区域来指定平面度-表面上所有的点都在一个平面上,公差由两个平行平面形成的区域来表示圆度-表面上所有点都在圆周上。
公差由两个同心圆限制的区域来指定。
圆柱度-旋转表面上的所有点都与公共轴等距。
圆柱公差制定了两个同心圆柱所形成的公差区域,此旋转表面必须在此区域中。
轮廓度-控制不规则的表面、线条、弧形或普通位面的定义公差方式。
轮廓可适用于单个线条元件或者零件的整个表面。
轮廓公差指定了沿着实际轮廓的唯一边界。
倾斜度-表面与轴处于指疋角度的情况(与数据平面或轴的角度不是90度)。
公差区域是由两个平行平面定义的,这两个平行平面与数据平面或轴成指定的基本角度。
垂直度-表面或轴与数据平面或轴成直角的情况。
垂直公差指定了下列情况之一:由垂直于数据平面或轴的两个平面定义的区域,或者由垂直与数据轴的两个平行平面所定义的区域。
平行度-表面与轴上所有点与数据平面或轴等距的情况。
平行度公差指定了下列情况之一: 平行于数据平面或轴的两个平面或线定义的区域,或者其轴平行于数据轴的圆柱公差区域。
同轴度- 旋转表面的所有交叉可组合元素的轴,是数据特征的公共轴。
同心度公差指定了其轴与数据轴一致的圆柱公差区域。
位置度- 位置度公差定义了允许其中中心轴或者中心平面偏离真正(理论上正确)位置的区域。
基本尺寸建立了从数据特征和相互关联的特征之间的真正位置。
位置误差是,特征与其正确位置间,总的可允许的位置偏移量。
形位公差符号及标注含义一、形位公差零件加工时,不仅会产生尺寸误差,还会产生形状和位置误差。
零件表面的实际形状对其理想形状所许诺的变更量,称为形状误差。
零件表面的实际位置对其理想位置所许诺的变更量,称为位置误差。
形状和位置公差简称形位公差。
二、形位公差符号三形状公差直线度(-)——直线度公差是实际直线对理想直线的许诺变更量,限制了加工面或线在某个方向上的误差,若是直线度超差有可能致使该工件安装时无法准确装入工艺文件规定的位置。
标注含义:被测表面投影后为一接近直线的“波浪线”(如以下图),该“波浪线”的转变范围应该在距离为公差值t(t=)的两平行直线之间。
平面度——平面度表示面的平整程度,指测量平面具有的宏观凹凸高度相对理想平面的误差,一样来讲,有平面度要求的就没必要有直线度要求了,因为平面度包括了面上各个方向的直线度。
标注含义:被测加工表面必需位于距离为公差值t(t=)的两平行平面内,如以下图区域。
圆度(○)——是指工件横截面接近理论圆的程度,工件加工后的投影圆应在圆度要求的公差范围之内。
标注含义:被测圆柱面的任意截面的圆周必需位于半径差为公差值t (t=)的两同心圆之内,如右图区域。
圆柱度()——是限制实际圆柱面对理想圆柱面变更量的一项指标。
它操纵了圆柱体横截面和轴截面内的各项形状误差,如圆度、素线直线度、轴线直线度等。
圆柱度是圆柱体各项形状误差的综合指标。
标注含义:被测圆柱面必需位于半径差为公差值t(t=)的两同轴圆柱面之间,如图。
圆柱度和圆度的区别:圆柱度是相关于整个圆柱面而言的,圆度是相关于圆柱面截面的单个圆而言的,圆柱度包括圆度,操纵好了圆柱度也就能够保证圆度,但反过来不行。
圆柱度和圆度的作用:柴油机的结构中有多处规定了圆柱度和圆度,如发动机的活塞环,操纵好活塞环的圆度可保证其密封性,而活塞的圆柱度那么关于其在缸套中上下运动的顺畅性相当重要。
四位置公差平行度()——,指两平面或两直线平行的程度,即其中一平面(边)相关于另一平面(边)平行的误差最大许诺值。
形位公差符号
形位公差符号如下:
1.直线度:符号为一短横线(-),是限制实际直线对理想直线变动量的一项指标。
2.平面度:符号为一平行四边形,是限制实际平面对理想平面变动量的一项指标。
3.圆度:符号为一圆(○),是限制实际圆对理想圆变动量的一项指标。
4.圆柱度:符号为两斜线中间夹一圆(/○/),是限制实际圆柱面对理想圆柱面变动量的一项指标。
5.线轮廓度:符号为一上凸的曲线(⌒),是限制实际曲线对理想曲线变动量的一项指标。
6.面轮廓度:符号为上面为一半圆下面加一横。
14项形位公差符号
1. 平面度:⊥于参考平面的表面的平坦程度。
2. 圆度:圆形要素表面偏差程度。
3. 圆柱度:圆柱形要素表面偏差程度。
4. 球度:球形要素表面偏差程度。
5. 同轴度:两个轴线间的距离偏差程度。
6. 同心度:两个圆心间的距离偏差程度。
7. 垂直度:两个表面之间的垂直程度。
8. 平行度:两个表面之间的平行程度。
9. 倾斜度:两个表面之间的倾斜程度。
10. 偏心度:两个圆心之间的距离偏差程度。
11. 平面角度:两个平面之间的夹角偏差程度。
12. 锥度:圆锥形要素表面偏差程度。
13. 圆锥度:圆锥形要素底面表面偏差程度。
14. 圆锥度:圆锥形要素顶面表面偏差程度。
- 1 -。
常用形位公差符号.jpg
形位公差开放分类:
专业术语、公差、形位公差
加工后的零件不仅有尺寸误差,构成零件几何特征的点、线、
面的实际形状或相互位置与理想几何体规定的形状和相互位置还不可避免地存在差异,这种形状上的差异就是形状误差,而相互位置的差异就是位置误差,统称为形位误差。
xingwei gongcha
形位公差
tolerance of form and position
包括形状公差和位置公差。
任何零件都是由点、线、面构成的,这些点、线、面称为要素。
机械加工后零件的实际要素相对于理想要素总有误差,包括形状误差和位置误差。
这类误差影响机械产品的功能,设计时应规定相应的公差并按规定的标准符号标注在图样上。
20世纪50年代前后,工业化国家就有形位公差标准。
国际标准化组织(ISO)于1969年公布形位公差标准,1978年推荐了形位公差检测原理和方法。
中国于1980年颁布形状和位置公差标准,其中包括检测规定。
形状公差和位置公差简称为形位公差
(1)形状公差:构成零件的几何特征的点,线,面要素之间的实际形状相对与理想形状的允许变动量。
给出形状公差要求的要素称为被测要素。
(2)位置公差:零件上的点,线,面要素的实际位置相对与理想位置的允变动量。
用来确定被测要素位置的要素称为基准要素。
形位公差的研究对象是零件的几何要素,它是构成零件几何特征的点,线,面的统称.其分类及含义如下:
(1) 理想要素和实际要素
具有几何学意义的要素称为理想要素.零件上实际存在的要素称为实际要素,通常都以测得要素代替实际要素.
(2) 被测要素和基准要素
在零件设计图样上给出了形状或(和)位置公差的要素称为被测要素.用来确定被测要素的方向或(和)位置的要素,称为基准要素.
(3) 单一要素和关联要素
给出了形状公差的要素称为单一要素.给出了位置公差的要素称为关联要素. (4) 轮廓要素和中心要素
由一个或几个表面形成的要素,称为轮廓要素.对称轮廓要素的中心点,中心线,中心面或回转表面的轴线,称为中心要素
形状公差有直线度,平面度,圆度和圆柱度.其含义和标注如下:
1) 直线度
2) 平面度
平面度公差带只有一种,即由两个平行平面组成的区域,该区域的宽度即为要求的公差值.
3) 圆度
在圆度公差的标注中,箭头方向应垂直于轴线或指向圆心.
4) 圆柱度
形位公差的标注应注意以下问题:
(1) 形位公差内容用框格表示,框格内容自左向右第一格总是形位公差项目符号,第二格为公差数值,第三格以后为基准,即使指引线从框格右端引出也是这样.
(2) 被测要素为中心要素时,箭头必须和有关的尺寸线对齐.只有当被测要素为单段的轴线或各要素的公共轴线,公共中心平面时,箭头可直接指在轴线或中心线,这样标注很简便,但一定要注意该公共轴线中没有包含非被测要素的轴段在内.
(3) 被测要素为轮廓要素时,箭头指向一般均垂直于该要素.但对圆度公差,箭头方向必须垂直于轴线.
(4) 当公差带为圆或圆柱体时,在公差数值前需加注符号"Φ",其公差值为圆或圆柱体的直径.这种情况在被测要素为轴线时才有.同轴度的公差带总是一圆柱体,所以公差值前总是加上符号"Φ";轴线对平面的垂直度,轴线的位置度一般也是采用圆柱体公差带,需在公差值前也加上符号"Φ".
(5) 对一些附加要求,常在公差数值后加注相应的符号,如(+)符号说明被测要素只许呈腰鼓形外凸,(-)说明被测要素只许呈鞍形内凹,(>)说明误差只许按符号的小端方向逐渐减小.如形位公差要求遵守最大实体要求时,则需加符号○M.在框格的上,下方可用文字作附加的说明.如对被测要素数量的说明,应写在公差框格的上方;属于解释性说明(包括对测量方法的要求)应写在公差框格的下方.例如:在离轴端
300mm处;在a,b范围内等.
形位公差是为了满足产品功能要求而对工件要素在形状和位置方面所提出的几何精度要求。
以形位公差带来限制被测实际要素的形状和位置。
形位误差对零件使用性能的影响
1.影响零件的功能要求。
2.影响零件的配合性质。
3.影响零件的互换性。
现行国家标准
GB/T 1182—1996《形状和位置公差通则、定义、符号和图样表示法》。
GB/T 1184—1996《形状和位置公差未注公差值》。
GB/T 4249—1996《公差原则》。
GB/T 16671—1996《形状和位置公差最大实体要求、最小实体要求和可逆要求》。
GB13319—1991《形状和位置公差位置度公差》。