医用氧生产工艺流程图0
- 格式:doc
- 大小:31.95 KB
- 文档页数:1
制氧厂工艺流程
制氧厂是一种用于生产纯氧气的设备,通常用于工业生产和医疗用途。
制氧厂的工艺流程包括空气分离、压缩、冷却、分离和储存等多个步骤。
下面将详细介绍制氧厂的工艺流程。
1. 空气分离
制氧厂的工艺流程首先是空气分离。
空气中包含大量的氮气、氧气和其他杂质气体。
制氧厂通过空气分离技术将氧气从空气中分离出来。
这一步通常采用分子筛吸附技术或者膜分离技术。
通过这些技术,可以将氧气从空气中提取出来,得到高纯度的氧气。
2. 压缩
分离出的氧气需要经过压缩处理,将氧气压缩成液态或者高压气体。
这一步通常使用压缩机进行,压缩机可以将氧气压缩成需要的压力和温度。
3. 冷却
压缩后的氧气需要经过冷却处理,将氧气冷却成液态。
这一步
通常使用冷凝器进行,冷凝器可以将氧气冷却到需要的温度,使其
变成液态。
4. 分离
冷却后的氧气需要进行进一步的分离处理,将液态氧气中的杂
质气体去除。
这一步通常使用精馏塔或者其他分离设备进行,通过
这些设备可以将氧气中的杂质气体分离出来,得到高纯度的液态氧气。
5. 储存
最后一步是将分离出的氧气储存起来,以备后续使用。
储存通
常采用液氧储罐或者气体储罐进行,这些储罐可以将氧气储存起来,并在需要时将氧气输送到需要的地方。
以上就是制氧厂的工艺流程,通过空气分离、压缩、冷却、分
离和储存等多个步骤,可以生产出高纯度的氧气,满足工业生产和
医疗用途的需求。
目的建立一整套完善医用氧生产工艺规程,使其生产过程规范化,标准化。
范围医用氧的生产责任生产经理、质量部长、车间主任内容1产品概述品名:氧通用名:医用氧汉语拼音:YiYongyang产品性状:本品为无色气体;无臭,无味;有强助燃力。
本品在常压20C时,能在乙醇或水中溶解。
功能与主治:用于缺氧的预防和治疗。
用法与用量:长期使用浓度以30—40%(ml/ml )为限,应急时可吸入纯氧。
贮藏:置耐压钢瓶内,在36C以下保存。
包装规格:40L/瓶有效期:1年2处方和依据处方依据:《中华人民共和国药典》2010年版二部。
制法:将低温贮罐中的液氧经液氧泵输送到汽化器,再将汽化的汽态氧通过管路经汇流排,充装至钢瓶,检验合格后,即可出品。
生产工艺流程图3生产过程气瓶充装前岗位标准操作规程。
气瓶回厂后,逐只进行外观检查验收,合格后,对瓶体外观进行清洁,用饮用水清洗,用抹布擦拭清除瓶体上残留的合格证、标签及污物。
用钢瓶真空干燥装置进行抽真空至,对瓶口采用75%乙醇进行消毒,对瓶体采用紫外线消毒40分钟,检查。
检查结束后做好检查记录。
将消毒后的钢瓶放入待充区。
充装操作过程说明生产前核对确认充装室清场、清洁,设备状态完好。
生产部下达批充装指令,转交充装班长。
充装操作:把汇流排两侧需充装一侧气瓶卡好,打开置换气瓶阀进行置换2次。
第二次置换气瓶压力充装到2Mpa时,结束置换,开始充装,注意监听气瓶内有无异响,记录充装压力、时间、瓶号。
充装压力达到最终压力的10%禁止再插入空瓶进行充装。
充装压力达到关闭截止阀,打开另一侧截止阀。
逐只关闭实瓶瓶阀,将管余气排空,卸下气瓶,送入待验实瓶区(下次充装操作同上)。
充装结束关闭液氧泵,打开放空阀。
本批生产充装结束后,由充装人员和质量部监控员对实瓶进行检压检漏。
然后填写请验单申请质量检验。
根据质量部检验下发批产品合格放行指令,领取合格证,确认并打印批号后把合格证粘贴到氧瓶肩部,瓶口封防伪防尘签,然后将成品放入合格品区。
医用氧生产工艺规程第一章总则第一条目的和依据为了规范医用氧生产工艺,确保医用氧的质量和安全性,本规程制定;根据国家相关法律法规,参照《医用气体的生产与管理规程》等相关标准进行制定。
第二条适用范围本规程适用于医用氧的生产工艺,包括原料采购、生产加工、质量控制、环境监测等各个环节。
第三条定义1.医用氧:指经过专门处理、符合有关标准和要求的氧气,用于医院和临床治疗。
2.生产厂家:指生产医用氧的企业或单位。
第二章原料采购和储存第四条原料采购1.生产厂家应选择有资格的供应商,并与供应商签订正式的供货合同。
2.采购的氧气原料应符合国家相关标准和要求。
第五条原料储存1.氧气原料应储存在通风、干燥、无可燃物和易爆物的储存室内。
2.储存区域应定期清洁消毒,禁止存放其他化学品,杜绝交叉污染的可能。
第三章生产加工第六条制氧设备和工艺1.生产厂家应使用符合国家标准的制氧设备,保证设备的安全可靠性。
2.生产厂家应建立制氧工艺流程,包括原料净化、压缩、冷却、分离等环节,并建立相应的监测和控制系统。
第七条生产操作1.操作人员应接受专业培训和操作指导,并持有相应的操作证书。
2.生产操作应按照标准操作程序进行,保证操作的安全和规范。
第四章质量控制第八条质量监测1.生产厂家应建立医用氧的质量监测系统,包括原料氧气和产出医用氧的监测。
2.监测指标应符合国家相关标准和要求,如氧纯度、杂质含量等。
第九条质量记录1.质量监测结果应进行记录,并保留至少一年。
2.生产厂家应建立质量档案,包括质量记录、质量整改等。
第五章环境监测第十条生产环境1.生产厂家应建立医用氧生产车间,环境应符合相关卫生、安全标准。
2.生产车间应进行定期消毒和通风。
第十一条废气管理1.废气排放应符合国家相关标准和要求。
2.废气排放口应位于无人区域或采取相应的控制措施,防止污染环境。
第六章安全管理第十二条生产安全1.生产厂家应制定生产安全规程和应急预案,并组织人员进行培训。
建德市横山气体有限责任公司医用氧(液态)生产工艺流程液氧生产工艺流程1.原料空气经空气过滤器除去灰尘及其它机械杂质后在无油空压机压缩,经空气预冷器预冷后进入切换使用的分子筛纯化器,空气中的二氧化碳、碳氢化合物及水蒸气被吸附。
空气经净化后进入空分冷箱,大部分在主换热器内与反流气体换热达到接近空分液化温度约-172℃进入下塔,另一部分空气进入膨胀机膨胀制冷送入上塔。
在下塔中,空气被初步分离成氮和富氧液体空气,经液空、液氮过冷器后进入上塔,液氧在塔内液氧蒸发器进一步精馏,产生成品液氧,气化为气氧经在线检测及人工抽测氧含量合格后进入液氧贮槽贮存。
2.空气分离的基本原理:是利用液化空气中各组份沸点的不同而将各组份分离开来。
要达到这个目的,空分装置的工作应包括七个过程,其分别为空气的过滤与压缩、空气中水分与二氧化碳的清除、空气被冷却到液化温度、冷量的制取、液化、精馏、危险杂质的排除。
2.1空气的过滤与压缩大气中的空气先经过空气过滤器过滤其灰尘等机械杂质,然后在空气压缩机中被压缩到所需的压力。
压缩产生的热量被冷却水带走。
2.2空气中水分与二氧化碳的清除加工空气中的水分和二氧化碳若进入空分设备的低温区后会形成冰和干冰,就会阻塞换热器的通道和塔板上的小孔。
因而配用分子筛纯化器来先清除空气中的水分和二氧化碳,分子筛纯化器成对轮换使用,一只工作时另一只再生。
2.3空气被冷却到液化温度空气的冷却是在主换热器中进行的,在其中空气被来自精馏塔的返流气体冷却到接近液化温度;与此同时,冷的返流气体被复热。
2.4冷量的制取由于绝热的损失,换热器复热不足损失和冷箱中向外直接排放低温流体,分馏塔所需的冷量是由空气膨胀机和等温节流效应而获得的。
2.5液化在启动阶段,加工空气在主换热器和过冷气器中与返流冷气流换热而被液化,在正常运行中,氮气和液氧的热交换是在冷凝器中进行的,由于两种流体压力不同,氮气被液化而液氧被蒸发,氮气与液氧分别由下塔和上塔供给,这是保证上、下塔精馏过程的进行所必须具备的条件。
医用制氧机生产工艺流程医用制氧机是一种用于制造高纯度氧气的设备,通常用于医院、急救中心和家庭护理等场所。
其生产工艺流程通常包括以下几个关键步骤:1. 原材料准备,生产医用制氧机的原材料主要包括金属、塑料、电子元件、过滤材料等。
这些材料需要经过严格的选择和采购,确保符合医疗设备的相关标准和要求。
2. 设计和工程规划,在生产医用制氧机之前,需要进行详细的设计和工程规划。
这包括机器的外观设计、内部结构设计、电路设计等。
设计过程需要考虑到设备的稳定性、安全性和高效性。
3. 零部件加工和制造,生产医用制氧机需要大量的零部件,这些零部件通常需要通过加工和制造来完成。
例如,金属部件需要进行冲压、焊接、抛光等工艺,塑料部件需要注塑成型,电子元件需要进行焊接和组装等。
4. 组装和调试,在零部件加工和制造完成后,需要对这些零部件进行组装。
组装过程需要严格按照设计要求进行,确保设备的各项功能和性能符合标准。
随后需要对整机进行调试,确保设备的稳定性和可靠性。
5. 质量检验和认证,生产医用制氧机的最后一步是进行质量检验和认证。
这包括对设备各项功能和性能的检测,确保设备符合相关的医疗设备标准和法规要求。
同时,还需要进行相关的认证申请,如CE认证、FDA认证等。
总的来说,生产医用制氧机的工艺流程涉及到原材料准备、设计和工程规划、零部件加工和制造、组装和调试、质量检验和认证等多个环节。
在整个生产过程中,需要严格遵守医疗设备的相关标准和要求,确保生产出的医用制氧机能够稳定、安全、高效地为医疗服务。
罐装医用氧生产工艺流程英文回答:The production process of canned medical oxygen involves several steps to ensure the quality and safety of the product. Here, I will explain the process in detail.1. Raw Material Preparation:The first step is to prepare the raw materials needed for producing medical oxygen. This includes sourcing and testing the quality of the compressed oxygen gas, which is the main ingredient. The gas is typically obtained from air separation units or cryogenic distillation plants.2. Purification and Filtration:Once the compressed oxygen gas is obtained, it goes through a purification and filtration process. This involves removing impurities, such as moisture, carbondioxide, and other contaminants, to ensure the oxygen meets the required medical standards. Filtration is done using specialized filters to remove any remaining particles.3. Compression and Cooling:After purification, the oxygen gas is compressed to increase its density and stored in high-pressure cylinders. The compression process is carried out using compressors, which can vary in size and capacity depending on the production requirements. Cooling is also necessary to prevent the gas from overheating during compression.4. Filling and Sealing:Once the compressed oxygen gas is ready, it is filled into clean and sanitized cans or cylinders. The filling process is automated and controlled to ensure accurate filling levels. After filling, the cans or cylinders are sealed to maintain the integrity of the product and prevent any leakage.5. Quality Control:Throughout the production process, strict qualitycontrol measures are implemented to ensure the finalproduct meets the required medical standards. This includes regular testing of the oxygen gas for purity, as well as inspecting the cans or cylinders for any defects or damages.6. Packaging and Labeling:Once the cans or cylinders are filled and sealed, they are packaged and labeled according to regulatory requirements. This includes providing necessary information such as the oxygen concentration, expiration date, andsafety instructions. The packaging is designed to protectthe product during transportation and storage.7. Storage and Distribution:The final step is to store the canned medical oxygen in a controlled environment to maintain its quality and safety. The cans or cylinders are stored in designated areas withproper ventilation and temperature control. They are then distributed to medical facilities, emergency services, and other customers as per their requirements.中文回答:罐装医用氧的生产工艺流程涉及多个步骤,以确保产品的质量和安全性。
高锰酸钾制氧流程图
检查装置的气密性(?)气
密性不好,无法收集气体。
往试管中装入高锰酸钾。
注意在试管口要堵棉花,
(?)以防高锰酸钾的粉尘堵塞导气管。
固定试管于铁架台。
(1)试管口略向下倾斜,(?)防止水倒流引起试管炸裂;(2)试管夹夹在距离管口的1/3处;(3)导气管伸入试管部分不易过长,(?)否则不利于气体的排出。
收集氧气。
(1)集气瓶注满水,玻璃片必须平移,不能封入气泡;(2)等气泡连续均匀冒出时再开始收集。
(?)防止收集的氧气不纯。
点燃酒精灯。
(1)要使用酒精灯的外焰加热,(?)因为外焰温度最高;(2)首先要进行预热,(?)否则易导致试管炸裂。
实验完成后先把导气管从水槽中拿出,在熄灭酒精灯。
(?)否则会导致水倒流,引起试管炸裂。
医用氧生产工艺
医用氧生产工艺是指将空气中的氮气和杂质去除,使其富集氧气的过程。
下面是一个关于医用氧生产工艺的简单介绍。
医用氧生产工艺首先要从空气中去除杂质,而常用的方法则是利用分子筛吸附技术。
分子筛是一种微孔结构的材料,可以选择性吸附氮气和其他杂质,而不吸附氧气。
空气通过分子筛装置时,氮气和杂质会被吸附住,而富含氧气的空气则通过。
之后,富含氧气的空气经过压缩,使氧气浓度进一步提高。
压缩氧气是通过压缩机实现的,压缩机能够将氧气压缩到一定程度,使其浓度达到医用氧的标准。
压缩后的氧气可供医疗机构使用。
随后,压缩氧气需要进行冷却,以降低氧气的温度,确保其不会对人体产生伤害。
冷却通常通过冷凝器实现,冷凝器能够将氧气冷却至安全范围内。
最后,冷却后的医用氧经过过滤和保湿处理,以去除残留的杂质和增加湿度,使其达到使用要求。
过滤和保湿处理一般使用过滤器和湿化器实现,过滤器能够去除微小的颗粒物和细菌,湿化器能够增加湿度,使氧气更加舒适。
以上就是医用氧生产工艺的基本流程。
通过这些步骤,我们可以生产出高纯度、无杂质的医用氧,供医疗机构使用。
医用氧在医疗过程中起到了至关重要的作用,对于患者的治疗和康复具有重要意义。
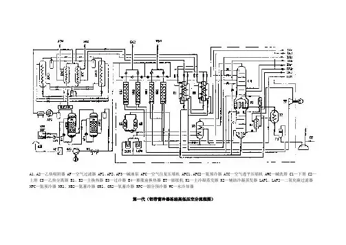
A1、A2—乙炔吸附器 AF—空气过滤器 APl、AP2、AP3—碱液泵 APC—空气往复压缩机 APC1、APC2—氨预冷器 ATC—空气透平压缩机 AWC—碱洗塔 C1—下塔 C2—上塔 CS—乙炔分离器 E1、E2—主换热器 E3—过冷器 E4—膨胀前换热器 ET—膨胀机 K1—主冷凝蒸发器 K2—辅助冷凝蒸发器 LAFl、LAF2—二氧化碳过滤器NPC—氮预冷器 NR1、NB2—氮蓄冷器 ORl、OR2—氧蓄冷器 RPC—馏分预冷器 WC—水冷却器第一代(铝带蓄冷器冻结高低压空分流程图)A1、A2—液空吸附器 A3—液氧吸附器 A4、A5—二氧化碳吸附器 AC—空气冷却塔 AF—空气过滤器 ASC—空气螺杆压缩机 C1—下塔 C2—上塔 E1—液空过冷器E2—液氮过冷器 E3—污氮一空气液化器 EFl、EF2—膨胀前空气过滤器 ETl、ET2、ET3—膨胀机 K1—冷凝蒸发器 NRl、NR2—氮蓄冷器 ORl、OR2—氧蓄冷器 V1、V2、V3、V4—自动阀箱 V5、V6、V7、V8—抽气阀箱 WC—水冷却器 WP—水泵第二代(管式蓄冷器冻结全低压空分流程图)AC—空气冷却塔 AF—空气过滤器 ATC—空气透平压缩机 C1—下塔 C2—上塔 C3—粗氩塔 C4—精氩塔 E1—氧一空气液化器 E2—污氮一空气液化器 E3、4—液空过冷器 E5—液氮过冷器 E6—氩换热器 EH—电加热器 ET—透平膨胀机 K1—冷凝蒸发器 K2—粗氩冷凝蒸发器 K3—精氩冷凝器 K4—精氩蒸发器 OE—液氧喷射器 R1、2—切换式换热器 SL—消声器 V1、2、3、4—自动阀箱 WC—水冷却器 W1、2—水泵第三代(切换式换热器冻结全低压空分流程图)AC—空气冷却塔 AF—空气过滤器 ATC—空气透平压缩机 C1—下塔 C2—上塔 C3—粗氩塔 C4—精氩塔 C5—除甲烷塔 E1—主换热器 E2—液空液氮过冷器 E4—氩换热器 EH—电加热器 ET—透平膨胀机 K1—冷凝蒸发器 K2—粗氩冷凝蒸发器 K3—精氩冷凝器 K4—精氩蒸发器 MS1、2—分子筛吸附器 OE—液氧喷射器RH—蓄热器 RU—制冷机 WC—水冷却器WPl、2—水泵第四代(常温分子筛净化全低压空分流程图)AC—空气冷却塔 AF—空气过滤器 ATC—空气透平压缩机 B—增压机 C1—下塔 C2—上塔 C3—粗氩塔 C4—精氩塔 C5—除甲烷塔 E1—空气液化器 E2—液空过冷器 E3—氩换热器 EH—电加热器 ET—透平膨胀机 K1—冷凝蒸发器 K2—粗氩冷凝蒸发器 K3—精氩冷凝器 K4—精氩蒸发器 MS1、2—分子筛吸附器 OE—液氧喷射器 RH—蓄热器 RU—制冷机 WC—水冷却器WPl、2—水泵第五代(常温分子筛净化增压膨胀空分流程图)AC—空气冷却塔 AF—空气过滤器 APl、AF2—流程液氩泵 ATC—空气透平压缩机 B—增压机 C1—下塔 C2—填料上塔 C3I—粗氩填料塔I段C3Ⅱ—粗氩填料塔Ⅱ段 C4—精氩填料塔 E1—主换热器 E2—液空液氮过冷器 EH—电加热器 ET—透平膨胀机 K1—冷凝蒸发器 K2—粗氩冷凝蒸发器 K3—精氩冷凝器 K4—精氩蒸发器 LQ—粗氩液化器 MS1、MS2—分子筛吸附器 OE—液氧喷射器 PV—液氮平衡器 WC—水冷却器第六代(常温分子筛净化填料上塔全精馏制氩空分流程图)AC-空气冷却塔 AF—空气过滤器 APl、AP2—流程液氩泵 ATC1—空气透平压缩机 ATC2—空气增压压缩机 B-增压机 C1-下塔 C2-填料上塔 C3I—粗氩填料塔I段C4-精氩填料塔 El-主换热器 E2-高压换热器 E3-液空液氮过冷器 SH—蒸汽加热器 ET-透平膨胀机 K1-冷凝蒸发器 K2-粗氩冷凝器 K3-精氩冷凝器 K4-精氩蒸发器 LQ—粗氩液化器 MSl、MS2-分子筛吸附器 NP—液氮泵 OP—液氧泵 WC—水冷却器 WPl、WP2—水泵第七代(常温分子筛净化空气膨胀双泵内压缩空分流程图)AC-空气冷却塔 AF—空气过滤器 APl、AP2—流程液氩泵 ATC—空气透平压缩机 B-增压机 C1-下塔 C2-填料上塔 C3I—粗氩填料塔I段C3Ⅱ—粗氩填料塔Ⅱ段CA-精氩填料塔 El-主换热器 E2-高压换热器 E3-液空液氮过冷器 SH-蒸汽加热器 ET-透平膨胀机 K1-冷凝蒸发器 K2-粗氩冷凝器 K3-精氩冷凝器 K4-精氩蒸发器 LQ—粗氩液化器 MSl、MS2-分子筛吸附器 NTC—循环氮气压缩机 OPl、OP2—液氧泵 RU—制冷机组 WC—水冷却器WPl、WP2—水泵第七代(常温分子筛净化氮气膨胀双泵内压缩空分流程图)。
医用氧供氧技术工艺一、医院在医疗和抢救危重病人采用新式的中心供氧系统,代替老式的瓶装氧气,可降低医院成本和劳动力,提高经济效益,更好改善医院的医疗环境,减少病人的二次感染和交叉感染,防止有害病菌流入病房,保证病人的生命安全,医疗单位可积极推广此项技术。
二、瓶装医用氧的使用存在的问题目前我国一般只有大、中城市大医院已采用中心供氧技术,但大多数小医院(特别是乡镇医院)医疗和抢救病人仍采用瓶装氧气直入病房使用,虽然都使用了保证质量的医用氧,但使用瓶装医用氧存在以下缺点:1、瓶装医用氧压力较高,一般都在13.5MPa以上,钢瓶重量均在60Kg以上,而气瓶相对来讲,对气温、装卸较为敏感,温度升高及激烈碰撞都存在着一定的危险性,稍有不慎容易引起事故发生,并有可能造成恶性事故。
同时钢瓶太笨重,现在医院病房大多均为高楼,60公斤重钢瓶搬上搬下,确实不便,虽然有电梯帮助,但搬运时发出的声音及滚动时磨擦声音对病人及场地均有一定影响,劳力增大,花费时间多,难以保证医疗机构的正常医疗秩序。
2、钢瓶供氧`压力不稳定,空瓶满瓶更换时需装卸压力表,调节供氧压力,操作繁杂,并要间断供氧,对危重病人抢救极为不利,一旦操作失误,会给患者带来生命危险,容易造成不必要的医疗事故。
3、由于瓶装医用氧在医院较为分散,送货、收瓶、检验、维修管理都给送氧单位及医院带来一些不便。
万一医院内发生意外事故(如火灾)那么分散在医院各地方的氧气瓶,就像一颗颗炸弹,威胁医院病人及医务人员安全,严重时会给周边地带带来不可想象的损失。
4、每个氧气瓶进入病房及手术室,还应消毒处理,防止各类有害菌带入病房及手术室,给病人带来二次感染,同时给医院工作带来极大不便。
5、瓶装医用氧容积较小,一般每个钢瓶容积在40升左右,盛装氧气量有限利用率低,成本高,不能满足现代医疗大量用氧的需要。
根据综上所述几个较为直观的缺点,许多隐性弊端还相当多,所以此种瓶装氧供应方式,已经不能适应医疗工作发展的需要,迫切需要更好、更简便、更安全、更经济的供氧方式。
文件名称医用氧生产工艺规程文件编号STP-SC-GY-00起草人起草日期2006 年 4月 10日审核人审核日期2006 年4月20日批准人批准日期2006 年4月25 日执行日期2006 年5月 1 日颁发部门质量部版本号00分发号分发部门质量部生产部目的建立一整套完善医用氧生产工艺规程,使其生产过程规范化,标准化。
范围医用氧的生产责任生产经理、质量部长、车间主任内容1产品概述1.1 品名:氧1.1.1 通用名:医用氧1.1.2 汉语拼音: YiYongyang1.2 产品性状:本品为无色气体;无臭,无味;有强助燃力。
本品在常压 20℃时,能在乙醇或水中溶解。
1.3 功能与主治:用于缺氧的预防和治疗。
1.4 用法与用量:长期使用浓度以 30—40%(ml/ml )为限,应急时可吸入纯氧。
1.5贮藏:置耐压钢瓶内,在36℃以下保存。
1.6包装规格:40L/瓶1.7 有效期: 1 年2处方和依据2.1处方依据:《中华人民共和国药典》2010年版二部。
2.2制法 : 将低温贮罐中的液氧经液氧泵输送到汽化器,再将汽化的汽态氧通过管路经汇流排,充装至钢瓶,检验合格后,即可出品。
钢瓶验收钢瓶清洁钢瓶抽真空钢瓶消毒生产工艺流程图液氧液氧泵汽化器汇流排氧气钢瓶成品检验合格品区3生产过程3.1 气瓶充装前岗位标准操作规程。
气瓶回厂后,逐只进行外观检查验收,合格后,对瓶体外观进行清洁,用饮用水清洗,用抹布擦拭清除瓶体上残留的合格证、标签及污物。
用钢瓶真空干燥装置进行抽真空至-0.06MPa, 对瓶口采用75% 乙醇进行消毒,对瓶体采用紫外线消毒40 分钟,检查。
检查结束后做好检查记录。
将消毒后的钢瓶放入待充区。
3.2 充装操作过程说明3.2.1生产前核对3.2.1.1确认充装室清场、清洁,设备状态完好。
3.2.1.2生产部下达批充装指令,转交充装班长。
3.2.1.3充装操作:把汇流排两侧需充装一侧气瓶卡好,打开置换气瓶阀进行置换 2 次。
氧气工艺流程氧气是一种重要的工业气体,广泛应用于冶金、化工、医药等领域。
氧气工艺流程是指将空气中的氧气分离出来,经过精细加工后得到高纯度的氧气的过程。
下面将介绍氧气工艺流程的主要步骤和关键技术。
1. 空分设备氧气工艺流程的第一步是利用空分设备将空气中的氧气分离出来。
空分设备通常包括压缩机、冷凝器、膜分离器等组件。
首先,空气经过压缩机增压,然后通过冷凝器冷却至低温,使其中的水分和二氧化碳凝结成液体。
接下来,空气通过膜分离器,利用膜的选择性透气性质,将氧气和氮气分离出来。
这样就得到了含有高浓度氧气的气体混合物。
2. 脱硫和脱水得到的气体混合物中可能还含有少量的硫化氢、二氧化硫等有害气体,以及一定量的水蒸气。
因此,需要进行脱硫和脱水处理。
脱硫通常采用吸收剂或催化剂来吸附或氧化有害气体,将其转化为无害的物质。
脱水则利用干燥剂或冷凝器将气体中的水分去除,以防止在后续的加工过程中对设备造成腐蚀。
3. 分离纯化经过脱硫和脱水处理后的气体混合物,还需要进行分离纯化,以获得高纯度的氧气。
分离纯化通常采用吸附分离、凝聚分离或膜分离等技术。
其中,吸附分离是最常用的方法之一,利用吸附剂对氮气进行吸附,而氧气则通过,从而实现氧气的分离。
4. 储存和输送经过分离纯化后得到的高纯度氧气,需要进行储存和输送。
通常采用液态储存或压缩气体储存的方式。
液态储存将氧气冷却至低温,压缩成液体,以减小体积,便于储存和输送。
而压缩气体储存则将氧气压缩成高压气体,以增加储存密度,减小体积。
在输送过程中,需要注意避免氧气泄漏和与易燃物质接触,以确保安全。
5. 应用领域高纯度氧气广泛应用于冶金、化工、医药等领域。
在冶金行业,氧气被用于炼钢、炼铁等工艺中,以提高炉温和氧化效果。
在化工行业,氧气被用于氧化反应、燃烧反应等工艺中,以提高反应速率和产物纯度。
在医药行业,氧气被用于医用氧疗,以治疗呼吸系统疾病和缺氧症。
综上所述,氧气工艺流程包括空分设备、脱硫和脱水、分离纯化、储存和输送等步骤,通过这些步骤可以将空气中的氧气分离出来,得到高纯度的氧气,并广泛应用于冶金、化工、医药等领域。
医用液态氧生产流程医用液态氧是一种广泛应用于医疗行业的氧气产品,其生产流程经过多个步骤,确保产品的质量和安全性。
本文将介绍医用液态氧的生产流程。
医用液态氧的生产需要通过空分设备来进行。
空分设备是一种通过物理方法将空气中的氧气、氮气和其他气体分离的设备。
在空分设备中,通过压缩空气,然后通过冷却和冷凝技术,将空气中的水分和杂质去除,得到纯净的氧气。
接下来,纯净的氧气会被送入液化设备中,进行液化处理。
液化设备利用低温原理,将氧气冷却至其沸点以下,使其从气态转变为液态。
在这个过程中,需要使用制冷剂来降低氧气的温度,以实现液态化。
液态氧在液化设备中被收集并储存,然后通过管道输送到储存罐中。
储存罐通常采用特殊的材料和结构,以确保液态氧的安全存储和运输。
储存罐内部有压力控制系统和安全阀,以便在需要时释放过多的压力。
医用液态氧在储存罐中保持液态状态,直到需要使用时才被提取出来。
提取过程通常通过一个专门的装置,将液态氧转化为气态,然后通过管道输送到使用设备中。
在这个过程中,需要控制液态氧的流速和压力,确保医用液态氧的稳定供应。
医用液态氧会被输送到医疗机构。
在医疗机构中,医用液态氧会被储存在特殊的容器中,以便医护人员根据需要随时提取和使用。
医用液态氧是一种重要的医疗辅助气体,广泛用于各种医疗场景,如手术室、急诊室和重症监护室等。
总结一下,医用液态氧的生产流程包括空分设备分离氧气、液化设备液化氧气、储存罐存储氧气以及输送到医疗机构供医护人员使用。
这个流程确保了医用液态氧的质量和安全性,为医疗行业提供了重要的支持。
医用液态氧的生产流程需要严格控制各个环节,以确保产品符合相关的医疗标准和法规要求,从而为患者提供安全有效的医疗气体。