钻芯法混凝土强度检测报告
- 格式:docx
- 大小:368.38 KB
- 文档页数:10
建筑工程钻芯法检测混凝土强度测定摘要: 工程结构检测的结构是国家一项非常重要的检测指标,其中混凝土强度检测技术亦包含在内,且是其非常重要的一项内容。
所以,针对钻芯法在建筑工程结构完整性检测应用中存在的问题,为了能对混凝土工程质量实施快速有效地大范围检测,结合某工程实例,对比试验结果,综合考虑芯样强度及其它因素,提出了使用钻芯法进行混凝土质量检测的评价方法, 提高判断的准确性,来综合评价桩身完整性。
关键词:建筑工程钻芯检测混凝土强度1 结构检测的工程背景这些年来,安全性是人们一直津津乐道的话题,结构建设也将其包括在内,还有适用性和耐久性也都出现在人们所要求的范围内,慢慢的要求提高,建设的技术要求以及材料材质也需要不断的适应社会的发展。
所以,新型结构渐渐的淡出在人们的视野内,越来越多的新型结构体系随之发展起来,尤其是高层建筑的兴起给予工程师们更为广阔的设计空间和发展空间。
在新建或在建工程中,其混凝土结构的混凝土强度,通常是在施工过程中预留混凝土立方体试块,进行标准养护和同条件养护达到规定期限后,对试块进行检测来得到其代表值作为其强度的。
如果遇到不同的情况时,可能对其结果照成影响,会遇到各种各样的不合格情况,或对其结果存在不同的意见时;可以采用非破损或局部破损的检测方法对现场实体进行检测。
所以,我们通常检测混凝土的强度采用钻芯法。
2 钻芯法检测混凝土强度钻芯法检测混凝土强度是一种直观的检测方法。
它在既有建筑物的混凝土结构构件的研究中被广泛应用。
为了比较清楚的看到混凝土的抗压强度的大小,这就需要借助新的测量方法,而钻芯法就是这样的测量方法,他是直接从被测量的物体内抽取其中的一部分进行测量,而估计整体的抗压强度,也可以说他是一部分来估计整体。
一般情况下,在对芯样试件抗压强度试验后,也通常在别的地方上也起到一定的用处,应用在物理、化学的分析上。
在己建混凝土结构上钻取芯样进行抗压强度试验是目前构件内部状况直观检验和强度评定的最好方法。
检测报告NO: XXXXXXXX工程名称:委托单位:检测方法:基桩钻芯法检测报告日期:某某建设工程质量检测有限公司地址:邮编:电话:传真:基桩钻芯法检测报告MMJC-6123C批准:审核:校核:项目负责:基桩钻芯法检测报告(附录)一、工程及地质概况根据《xxxx岩土工程勘察报告》,拟建场地土层情况自上而下为:1、填土:灰黄色,稍湿,松散,厚度约0.4~4.8m。
2、中砂:灰黄色,饱和,稍密,厚度约0.85~5.6m。
3、残积砂质粘性土:灰黄、灰白色,可塑~硬塑状,厚度约0.9~23.8m。
4、全风化花岗岩:灰黄、灰白色,硬塑状,岩芯呈砂土状,风化裂隙极发育。
土石工程分级为Ⅲ级。
厚度约0.5~28.35m。
5、强风化花岗岩(砂土状):灰黄、灰白色,岩芯呈砂土状,致密,散体结构,风化裂隙发育。
土石工程分级为Ⅳ级。
厚度约2.4~14.4m。
6、强风化花岗岩(碎块状):灰黄、灰白色,坚硬状,岩芯呈碎屑、碎块状,块状结构,风化裂隙发育。
土石工程分级为Ⅳ级。
7、中风化花岗岩:灰白色,块状结构,岩芯成柱、短柱状,裂隙尚发育,岩石坚硬程度为较坚硬,岩体完整程度为较破碎,岩石饱和单轴抗压强度62.0MPa。
土石工程分级为Ⅴ~Ⅵ级,未揭穿。
二、试桩参数由业主、监理或设计单位指定,对施工编号为1#、2#桩这2根桩进行钻芯法试验。
技术参数如表1所示。
表1 各试桩有关参数三、检测目的和芯样抗压试验要求基桩钻芯法是采用金刚石岩芯钻探技术和施工工艺,对桩基工程中的基桩,钻取砼芯样,用以评定桩身完整性、桩底沉渣厚度、桩端持力层及桩身砼强度。
抗压试验芯样由委托方和监理按照《建筑基桩检测技术规范》(JGJ 106-2014)要求从检测桩所取芯样中选取。
芯样试件的抗压强度试验按现行国家标准《普通砼力学性能试验方法》(GB/T50081-2002)有关规定进行。
四、芯样钻取、加工及试验本次取芯试验采用XY-2XY-2B型钻机,管理编号MMJC-122D-1,其振动小、调速范围广、扭矩大,采用液压操纵,钻机立轴的径向跳动不超过0.1mm 。
基桩检测报告(钻芯法基桩检测)报告编号:H F-××(检测机构代号)2012-ZXF***备案编号:******工程名称:合肥市××××大厦委托单位:合肥市××××公司检测桩型:××××××桩场地位置:合肥市××路××号检测日期:****年**月**日~**月**日检测机构全称(此页为封面,背面为检测机构的报告申明)合肥市××××大厦×××桩钻芯法检测报告主检:(签名)审核:(签名)批准:(签名)签发日期:****年**月**日目录1 工程概况对受检工程项目进行简单描述。
包括层数、结构形式、基础形式、桩型,总设计桩数量等。
受××××的委托,由××××对其在建的××××工程×根××××桩进行钻芯法检测,以检测工程桩的桩身完整性。
2 工程地质概况建议采用表格形式。
4 检测过程叙述4.1 检测依据《建筑基桩检测技术规范》(JGJ 106-2003)。
(或其他,例如设计要求或建设单位特别要求) 4.2 检测目的及抽样方法本次基桩钻芯法基桩检测目的为验收性检测。
本工程总设计(施工)桩数为**根,检测数量为**根(根据具体情况叙述抽样或受检桩位确定过程,说明检测数量是否满足规范要求)。
4.3 检测设备(对所用钻机和钻具等主要工程钻机设备进行说明)6 基桩钻芯法检测结果汇总表对钻芯检测的过程出现的现象或结果进行描述或分析(如果有)7检测结论与建议合肥市×××××大厦共施工×××桩***根,本次钻芯法检测工程桩**根(或全部进行钻芯法检测),检测比例为**.**%。
钻芯法检测混凝土抗折强度检测报告1.引言概述部分的内容可以写成以下样式:1.1 概述混凝土是建筑工程中广泛应用的一种重要材料,其抗折强度是评估混凝土结构性能的重要指标之一。
然而,传统的混凝土抗折强度检测方法需要采取破坏性试验,不仅工作量大,而且对实际工程造成了一定的损害。
为了解决这一问题,钻芯法成为一种广泛应用的非破坏性混凝土抗折强度检测方法。
钻芯法通过在混凝土结构上钻取芯样,并利用芯样所承受的剪应力来间接评估混凝土的抗折强度。
相较于传统的破坏性试验,钻芯法不仅具有不破坏性、高效率的特点,而且可以在施工过程中进行多次测量,对实际工程的损害更小。
本文旨在介绍钻芯法检测混凝土抗折强度的原理和方法,并探讨该方法的优势和适用范围。
接下来的章节将首先阐述钻芯法的工作原理和检测方法,包括芯样的钻取过程和试验的具体操作步骤。
然后,本文将详细讨论钻芯法相较于传统方法的优势,如不破坏性、高效率和可重复性等。
同时,我们将探讨钻芯法的适用范围,包括不同混凝土强度等级和不同结构形式的应用情况。
通过本文的研究和总结,将进一步明确钻芯法检测混凝土抗折强度的可行性,并展望其在混凝土结构工程中的意义和应用前景。
旨在为工程师和科研人员提供一个更加准确、高效和经济的混凝土抗折强度检测方法,推动混凝土结构工程的发展和创新。
1.2 文章结构文章结构本文主要包括以下几个部分:1. 引言:介绍本文所要讨论的问题,并概括了钻芯法检测混凝土抗折强度的背景和意义。
2. 正文:2.1 钻芯法检测混凝土抗折强度的原理和方法:详细介绍了钻芯法检测混凝土抗折强度的原理,包括了测试设备、试验步骤和数据解析等内容。
2.2 钻芯法检测混凝土抗折强度的优势和适用范围:阐述了钻芯法检测混凝土抗折强度相较于其他方法的优势,例如无损、准确性高、样本不受破坏等,并说明了适用的具体场景和条件。
3. 结论:3.1 钻芯法检测混凝土抗折强度的可行性总结:总结了钻芯法检测混凝土抗折强度的可行性和可靠性,强调其在实际工程中的应用价值。
钻芯法混凝土强度检测报告Document serial number【NL89WT-NY98YT-NC8CB-NNUUT-NUT108】1-检测报告Detection Report报告编号Serial NumberRYJK-JG-002(11)-2016项目名称Sample Description中海·国际社区S04#楼楼板混凝土强度检测委托单位Applicant广西瑞宇建筑科技有限公司监测类别Monitoring Type委托检测广西瑞宇建筑科技有限公司Guangxi Ruiyu Construction Technology Co.,Ltd.2016年11月30日声明1.本监测报告涂改、换页无效;2.未经本监测单位书面批准,不得复制本报告,复印的报告未加盖检测专用章无效;3.监测报告无三级审核手写签字无效;4.检测单位名称与检测专用章所示名称不符者无效;5.如对本监测报告有异议,可在收到报告后15天内向本检测单位书面提请复议;6.指定样品的委托检测结果仅对样品负责。
地址:广西南宁市秀厢大道56号4号综合楼邮编:530004电话: Fax:工程名称中海·国际社区S04#楼委托日期2016年11月设计单位南宁市建筑设计院检测日期2016年11月16日-2016年11月17日监理单位桂林南方建设监理有限责任公司样品编号/施工单位歌山建设集团有限公司样品类别/监测地点广西南宁市降桥路监测类别委托检测监测项目楼板混凝土强度检测目录1 工程概况中海国际社区S04#楼位于广西南宁市降桥路,由南宁中海宏洋房地产有限公司承建。
该工程为一栋3层的框架结构建筑,基础采用CFG桩基础。
该工程设计单位为南宁市建筑设计院。
一层柱的设计混凝土强度等级均为C30,一层梁(板)至屋面梁(板)的设计混凝土强度等级均为C30。
一层墙体的设计砂浆强度等级为。
一层柱受力钢筋的设计混凝土保护层厚度分别为30mm。
我公司根据相关规范及业主要求,对该工程二层②-③×C-D轴楼板进行钻芯法混凝土强度检测。
委托编号:2018-模拟-044计量认证:160302340774资质证号:(冀)建检字第11147号检测报告(钻芯法检测)工程名称:---***************2018年10月注意事项1、报告无“检验检测专用章”或检验单位公章无效;2、复制报告未重新加盖“检验检测专用章”或检测单位公章无效;3、报告无报告人、审核、批准签字无效;4、报告涂改和无骑缝章无效;5、对检测签订报告若有异议,应于收到报告之日起十五日内向检测单位提出;6、一般情况,委托检测鉴定,仅对委托项目负责。
钻芯试验检测报告批准人:审核人:主检人:绘图人:目录一、工程概况 (5)二、检测内容 (5)三、检测依据 (5)四、检测数量表 (5)五、工程地质概况 (5)六、检测方法简介 (6)七、检测结果分析 (9)八、附图 (10)一、工程概况地基参数:本工程桩为混凝土灌注桩,桩径500mm,桩长17.0m,混凝土强度C25。
检测方法:钻芯法检测设备:液压高速钻机检测日期:2018年10月12日二、检测内容:灌注桩桩长、桩身混凝土强度、判断桩身完整性类别三、检测依据1、《建筑基桩检测技术规范》JGJ106-2014;2、《普通混凝土力学性能试验方法》GB/T50081-2002;3、设计图纸及相关技术资料。
四、检测数量表五、工程地质概况六、检测方法简介1、现场检测钻机设备安装必须周正、稳固、底座水平。
钻机在钻芯过程中不得发生倾斜、位移,钻芯孔垂直度偏差不得大于0.5%。
每回次钻孔进尺宜控制在1.5m内;钻至桩底时,宜采取减压、慢速钻进、干钻等适宜的方法和工艺,钻取沉渣并测定沉渣厚度;对桩底强风化岩层或土层,可采用标准贯入试验、动力触探等方法对桩端持力层的岩土性状进行鉴别。
2、芯样试件截取与加工截取混凝土抗压芯样试件应符合下列规定:当桩长小于10m时,每孔应截取2组芯样;当桩长为10m-30m时,每孔应截取3组芯样,当桩长大于30m时,每孔应截取芯样不少于4组;上部芯样位置距桩顶设计标高不宜大于1倍桩径或超过2m,下部芯样位置距桩底不宜大于1倍桩径或超过2m,中间芯样宜等间距截取;缺陷位置能取样时,应截取1组芯样进行混凝土抗压试验;同一桩基的钻芯孔数大于1个,且某一孔在某深度存在缺陷时,应在其他孔的该深度处,截取1组芯样进行混凝土抗压强度试验。
钻芯法混凝⼟强度检测报告完整版钻芯法混凝⼟强度检测报告Document serial number【NL89WT-NY98YT-NC8CB-NNUUT-NUT108】1-检测报告Detection Report报告编号Serial NumberRYJK-JG-002(11)-2016项⽬名称Sample Description中海·国际社区S04#楼楼板混凝⼟强度检测委托单位Applicant⼴西瑞宇建筑科技有限公司监测类别Monitoring Type委托检测⼴西瑞宇建筑科技有限公司Guangxi Ruiyu Construction Technology Co.,Ltd.2016年11⽉30⽇声明1.本监测报告涂改、换页⽆效;2.未经本监测单位书⾯批准,不得复制本报告,复印的报告未加盖检测专⽤章⽆效;3.监测报告⽆三级审核⼿写签字⽆效;4.检测单位名称与检测专⽤章所⽰名称不符者⽆效;5.如对本监测报告有异议,可在收到报告后15天内向本检测单位书⾯提请复议;6.指定样品的委托检测结果仅对样品负责。
地址:⼴西南宁市秀厢⼤道56号4号综合楼邮编:530004电话: Fax:⼯程名称中海·国际社区S04#楼委托⽇期2016年11⽉设计单位南宁市建筑设计院检测⽇期2016年11⽉16⽇-2016年11⽉17⽇监理单位桂林南⽅建设监理有限责任公司样品编号/施⼯单位歌⼭建设集团有限公司样品类别/监测地点⼴西南宁市降桥路监测类别委托检测监测项⽬楼板混凝⼟强度检测⽬录1 ⼯程概况中海国际社区S04#楼位于⼴西南宁市降桥路,由南宁中海宏洋房地产有限公司承建。
该⼯程为⼀栋3层的框架结构建筑,基础采⽤CFG桩基础。
该⼯程设计单位为南宁市建筑设计院。
⼀层柱的设计混凝⼟强度等级均为C30,⼀层梁(板)⾄屋⾯梁(板)的设计混凝⼟强度等级均为C30。
⼀层墙体的设计砂浆强度等级为。
⼀层柱受⼒钢筋的设计混凝⼟保护层厚度分别为30mm。
钻芯法检测混凝土强度检测报告一、检测目的和范围本检测报告旨在通过对混凝土构件进行钻芯取样,检测其实际强度,以评估其是否满足设计要求。
检测范围包括混凝土构件的强度、密实度、龄期等指标。
二、检测方法和原理本检测采用钻芯法进行。
钻芯法是一种直接从混凝土构件上钻取芯样,通过芯样的外观质量、抗压强度等指标来评估混凝土整体性能的方法。
其原理是基于混凝土抗压强度的非破损检测方法,具有较高的准确性和可靠性。
三、检测设备和工具本检测采用的主要设备和工具包括:钻机、取芯钻头、定位仪、切割机、压力试验机等。
其中,钻机用于钻取芯样,取芯钻头用于在混凝土上开孔,定位仪用于确定取芯位置,切割机用于将芯样从构件上切割下来,压力试验机用于对芯样进行抗压强度试验。
四、检测样品和样本本检测选取了以下样品和样本:某建筑物混凝土构件10个,其中5个为柱子,5个为梁。
选取的样本应具有代表性,并考虑到不同部位、不同龄期等因素。
五、检测程序和步骤1. 确定取芯位置:根据构件的实际情况,使用定位仪确定取芯位置。
2. 钻取芯样:使用钻机在混凝土上钻取芯样,芯样长度不小于100mm。
3. 芯样处理:将取出的芯样进行外观质量检查,并对其进行编号和记录。
4. 抗压强度试验:将芯样放置在压力试验机上,进行抗压强度试验,并记录试验数据。
5. 数据整理和分析:对试验数据进行整理和分析,计算出混凝土的抗压强度,并评估其性能。
六、检测结果和数据分析通过对比设计强度和实际抗压强度数据,发现部分混凝土构件的实际抗压强度低于设计强度。
这可能与施工过程中的质量控制不当或材料问题有关。
具体数据和分析结果见附表。
七、检测结论和建议根据本检测报告的检测结果和数据分析,可以得出以下结论:被检测的混凝土构件中,部分构件的实际抗压强度低于设计强度。
建议对低于设计强度的构件进行加固处理,以提高其承载能力。
同时,应加强施工过程中的质量控制,确保混凝土质量符合设计要求。
八、检测报告的格式和内容本检测报告的格式应规范、清晰,内容应详实、准确。
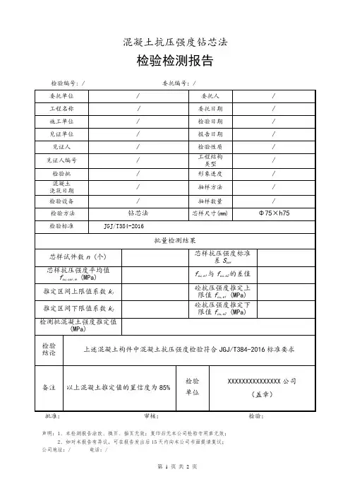
检验检测报告(二维码) (CMA 章) 报告编号:HNTZX- 委托编号:批准: 审核: 检验:单位地址: 电话: 传真:声明: 本报告检验数据与所抽检部位相符合。
本报告一式五份,复印件无本公司检验专用章无效。
委托单位 要求建设单位委托原始记录编号 工程名称委托日期施工单位检验日期 见证单位 (甲方、乙方、第三方) 报告日期见证人 (检测现场旁站人) 检验性质 (委托) 检验目的 (中间结构验收、结构验收、验证检测、抽查)工程结构 类型 (框架、框剪) 检验批 (检测X 层至y 层) 形象进度 (工程进度) 检验设备 (设备名称及设备自编号)抽样方法 (见检测方案实施) 检验方法钻芯法抽样数量检验标准 CECS03:2007(检验方法标准)检验情况 □初检 □复检 □加倍检 (初检、复检、加倍检)混凝土 浇筑日期芯样尺寸(mm)批量检测结果芯样试件数n (个) 芯样抗压强度标准差S cor芯样抗压强度平均值f cu,cor,m (MPa) f cu,e1与f cu,e2的差值 推定区间上限值系数k 1 砼抗压强度推定上限值f cu,e1 (MPa) 推定区间下限值系数k 2砼抗压强度推定下限值f cu,e2 (MPa)检测批混凝土强度推定值(MPa)检验 结论备注检验 单位(盖章)检验检测报告检验编号:委托编号:单个构件检验结果序号钻芯构件部位芯样编号芯样平均直径d (mm)芯样抗压截面面积A(mm2)混凝土的破坏形态芯样破坏时最大压力F c (N)芯样抗压强度值f cu,cor(MPa)芯样抗压强度最小值f cu,cor,min(MPa)单个构件混凝土强度推定值(MPa)单个构件评定备注检验单位(盖章)批准:审核:检验:。
钻芯法混凝土强度检测
报告
TYYGROUP system office room 【TYYUA16H-TYY-TYYYUA8Q8-
1-
检测报告
Detection Report
报告编号
RYJK-JG-002(11)-2016
Serial Number
项目名称
中海·国际社区S04#楼楼板混凝土强度检测Sample Description
委托单位
广西瑞宇建筑科技有限公司
Applicant
监测类别
委托检测
Monitoring Type
广西瑞宇建筑科技有限公司
Guangxi Ruiyu Construction Technology Co.,Ltd.
2016年11月30日
声明
1.本监测报告涂改、换页无效;
2.未经本监测单位书面批准,不得复制本报告,复印的报告未加盖检测专用章无
效;
3.监测报告无三级审核手写签字无效;
4.检测单位名称与检测专用章所示名称不符者无效;
5.如对本监测报告有异议,可在收到报告后15天内向本检测单位书面提请复议;
6.指定样品的委托检测结果仅对样品负责。
地址:广西南宁市秀厢大道56号4号综合楼邮编:530004
电话: Fax:
目录
1 工程概况
中海国际社区S04#楼位于广西南宁市降桥路,由南宁中海宏洋房地产有限公司承建。
该工程为一栋3层的框架结构建筑,基础采用CFG桩基础。
该工程设计单位为南宁市建筑设计院。
一层柱的设计混凝土强度等级均为C30,一层梁(板)至屋面梁(板)的设计混凝土强度等级均为C30。
一层墙体的设计砂浆强度等级为。
一层柱受力钢筋的设计混凝土保护层厚度分别为30mm。
我公司根据相关规范及业主要求,对该工程二层②-③×C-D轴楼板进行钻芯法混凝土强度检测。
我公司于2016年11月16日-2016年11月17日进场进行检测,现将检测结果汇报如下。
2检测依据及工具
检测依据
本次检测评定主要依据以下规范、规程:
(1)《混凝土结构工程施工质量验收规范》GB 50204-2015;
(2)《钻芯法检测混凝土强度技术规程》JGJ/T 384-2016;
(3)本工程现有设计图纸及其它规范文件。
检测工具
本工程检测主要仪器设备见表2-1所示。
3检测内容
钻芯法混凝土强度检验。
4检测方法
1、芯样钻取
芯样应在结构或构件的下列部位钻取
(1)结构或构件受力较小的部位;
(2)混凝土强度质量具有代表性的部位;
(3)便于钻芯机安放与操作的部位;
(4)避开主筋预埋件和管线的位置并尽量避开其他钢筋;
(5)用钻芯法和非破损法综合测定强度时应与非破损法取同一测区。
2. 钻取芯样的数量应符合下列规定:
a.按单个构件检测时,每个构件的钻芯数量不应少于3 个;对于较小构件,钻芯数量可取2 个;
b.对构件的局部区域进行检测时,应由要求检测的单位提出钻芯位置及芯样数量;
c.作回弹法检测混凝土强度修正的芯样数量应不少于6 个。
3、芯样加工及技术要求
a.芯样直径应为粗骨料粒径的3倍。
在构件截面较小或钢筋过密不可能钻取标准尺寸芯样时,芯样直径可为粗骨料粒径的2倍。
芯样高度和直径之比应在1~2的范围内。
应依据芯样直径和高度选择合适型号的钻机和钻头。
b.芯样试件内不应含有钢筋,如不能满足此项要求,每个试件内最多只允许含有二根直径小于10mm的钢筋,且钢筋应与芯样轴线基本垂直并不得露出端面。
c.芯样抗压试件的高度和直径之比应在1-2的范围内。
d.锯切后的芯样应满足平整度和垂直度的要求,当不能满足时,应对端面进行加工,用水泥砂浆(或水泥净浆)等材料补平。
水泥砂浆(或水泥净浆)补平厚度不宜大于5mm,硫磺胶泥(硫磺)补平。
厚度不宜大于,补平层应与芯样结合牢固,以使受压时补平层与芯样的结合面不提前破坏。
e.测量和记录芯样尺寸:
平均直径:用游标卡尺测量芯样中部,在相互垂直的两个位置上取其二次测量的算术平均值,精确至;
芯样高度:用钢板尺进行测量,精确至1mm;
垂直度:用游标量角器测量,两个端面与母线的夹角,精确至;
平整度:用钢板尺和塞尺测量芯样端面的缝隙。
f.芯样尺寸偏差及外观质量超过下列数值时,不得用作抗压强度试验。
①经端面补平后的芯样高度小于 ( d 为芯样试件平均直径)或大于 d时;
②沿芯样高度任一直径与平均直径相差达2mm以上时;
③芯样端面的不平整度在100mm长度内超过时;
④芯样端面与轴线的不垂直度超过2 度时;
⑤芯样有裂缝或有其他较大缺陷时。
4、芯样试件的试验
a.芯样的试件宜在与被检测结构或构件混凝土湿度基本一致的条件下进行抗压强度试验。
如结构工作条件比较干燥,芯样试件应以自然干澡状态进行试验;如结构工作条件比较潮湿,芯样试件应以潮湿状态进行试验。
b.按自然干燥状态进行试验时,芯样试件在受压前应在室内自然干3d(天);按潮湿状态进行试验时,芯样试件应在20℃±5℃的清水中浸泡40~48h,从水中取出后应立即进行试验。
c.芯样试件的抗压试验应按国家标准《普通混凝土力学性能试验方法》中对立方体试块抗压试验的规定进行。
5、混凝土强度的计算
a.芯样试件的混凝土强度换算值系指用钻芯法测得的芯样的强度,换算成相应于测试龄期的,边长为150mm的立方体试块的抗压强度值。
b.芯样试件的混凝土强度换算值(f
cu·cor
) ,应按下列公式计算:
f
cu·cor =β
c
F
c
/ A
c
式中:f
cu·cor
—芯样试件混凝土强换算值(Mpa),精确至;
F
c
—芯样试件抗压试验测得的最大压力(N);
A
c
—芯样试件抗压截面面积(mm2)
β
c
—芯样试件强度换算系数。
土的强度换算值。
d.单个构件或单个构件的局部区域。
可取芯样试件混凝土强度换算值中的最小值作为其代表值.
5抽样方案
本工程二层混凝土楼板结构总数为11块。
依据《建筑结构检测技术标准》(GB/T 50344-2004)第条对建筑结构检测中检测批的最小样本容量“对于梁类、板类构件,应各抽取构件数量的2%且不少于5个构件进行检验”。
业主仅委托我公司对该工程二层②-③×C-D轴楼板进行钻芯法混凝土强度检测。
6检测结果及分析
本工程二层②-③×C-D轴楼板所钻取的1组共3件混凝土芯样的抗压强度换算值分别为、、。
根据《钻芯法检测混凝土强度技术规程》(JGJ/T 384-2016)第条规定“单个构件的混凝土强度推定值不再进行数据的舍弃,而应按芯样试件混凝土抗压强度值中的最小值确定”。
所检测有效芯样抗压强度推定值为,满足设计要求。
检测结果详见附表1。
7检测结论
本工程二层②-③×C-D轴楼板所检的1组3件混凝土芯样的抗压强度推定值满足设计要求。
广西瑞宇建筑科技有限公司
二〇一六年十一月三十日
附表1 混凝土结构后锚固件抗拉拔检测结果
附录1:检测时间和环境描述
检测时间:2016年11月16日-2016年11月17日
天气情况(进场):晴转多云风力:1~3级
温度:15~18℃
附录2:检测人员构成
现场检测人员:王恺钊(签字) 29(证书编号)
胡艳(签字) 18(证书编号)(以下空白)。