螺纹连接设计及螺栓紧固力矩设定
- 格式:pdf
- 大小:10.02 MB
- 文档页数:57
紧固螺栓的扭力矩必须为多少
紧固螺栓的扭力矩是指在安装螺栓时所需施加的力矩大小。
正确的扭力矩可以
确保螺栓连接的紧固效果,防止螺栓松动或过紧导致的问题。
在工程实践中,紧固螺栓的扭力矩大小需要根据具体情况而定,取决于螺纹尺寸、材料、标准等因素。
影响紧固螺栓扭力矩的因素
1.螺纹尺寸:螺栓的直径和螺距是决定扭力矩大小的重要因素。
一般
来说,螺栓尺寸越大,扭力矩也会相应增加。
2.螺栓材料:不同材质的螺栓对扭力矩的需求也会不同。
通常来说,
较硬的螺栓需要施加更大的扭力矩才能保证连接牢固。
3.标准要求:根据不同的标准和规范,紧固螺栓的扭力矩也会有所不
同。
在安装过程中需要按照相应标准规定的扭矩范围来进行操作。
如何确定紧固螺栓的扭力矩
1.使用扭力扳手:扭力扳手是一种专门用于施加一定扭矩的工具,可
以帮助工程师准确施加所需的扭力矩。
2.参考标准规范:在安装过程中,需要参考相关的标准要求,比如ISO、
GB等标准,来确定合适的扭力矩范围。
3.根据螺栓规格:根据螺栓的具体规格和材质,可以咨询制造商或相
关专业人士,以确定正确的扭力矩数值。
注意事项
1.不要盲目施加过大的扭矩,以免损坏螺栓或连接件。
2.在使用扭力扳手时,要确保扳手的准确度和稳定性,避免误差。
3.定期检查紧固螺栓的扭力矩,确保连接件的安全可靠性。
综上所述,紧固螺栓的扭力矩是确保螺栓连接稳固的关键因素,需要根据不同
螺栓的尺寸、材质和标准要求来确定合适的扭力矩数值。
正确施加扭力矩可以有效预防螺栓松动或过紧的问题,保障工程设备的安全运行。
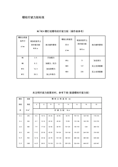
螺栓拧紧力矩标准M6~M24螺钉或螺母的拧紧力矩(操作者参考)未注明拧紧力矩要求时,参考下表(普通螺栓拧紧力矩)未注明拧紧力矩要求时,参考下表(普通螺栓拧紧力矩)公制螺栓扭紧力矩 Q/STB 12.521.5-2000围:本标准适用于机械性能10.9级,规格从M6-M39的螺栓的扭紧力矩,对于使用尼龙垫圈、密封垫圈、其它非金属垫圈的螺栓,本标准不适用。
★对于设计图纸有明确力矩要求的,应按图纸要求执行。
套管螺母紧固力矩 Q/STB B07833-1998紧固件的同行!您好!我是mDesign机械设计平台中国区总代理。
非常期待与您的合作。
我们希望在紧固件领域能有所作为。
我姓,联系137*61966719。
以下是MDESIGN机械设计平台的简要介绍:mDesign是源于德国的一款机械设计平台。
软件编制始于1983年,主要由mDesign公司、德累斯顿工业大学(Technische Universität Dresden)、VDI(德国工程师协会)、DIN的人员一同编制完成。
软件主要是基于德国机械标准(VDI、DIN以及ISO)进行编制,对机械零件(齿轮、轴、轴承、螺栓、梁、联轴器、皮带、链条、胶接等等)进行计算和验证。
轴基于DIN743,高强度螺栓基于VDI2230,齿轮尺寸设计基于DIN3960,齿轮强度校核基于DIN3990/ISO6336。
MDESIGN对高强度螺栓、轴、齿轮箱、LVR、LVR planet开发了独立的模块,除这些模块同时可对计算结果进行优化。
以下是这5个模块的主要功能:高强度螺栓模块:高温低温工况服役的螺栓、可计算最多5层的被连接件、空心螺栓、自定义齿轮螺栓、不可简化的多螺栓分布、偏心负载工况。
同时我公司聘请了德国波鸿大学的技术支持,专门研究vdi2230的。
以下模块如果您有朋友在做的话也请帮忙推荐。
轴模块:同时对一根轴的8个轴承和50个轴段进行设计、校验和优化、空心轴、锥形轴、自定义槽口、寿命以及疲劳。
螺栓拧紧力矩标准及计算详解
螺栓拧紧力矩是选定螺栓类型、式样的重要依据。
对于标准的螺栓,有固定的螺栓拧紧力矩范围的,可以根据此范围来选定螺栓。
一般来说,螺钉的抗拉、抗剪强度是一定的,实际使用时应根据具体连接应力推算拧紧力,然后选择合适规格的螺钉螺栓。
螺栓拧紧力矩计算
T=KFd
T:拧紧螺母的力矩
K:扭矩系数(近似取0.2)
F:预紧力
d:螺栓大径
备注:一般联接用钢制螺栓联接推荐按下列关系确定
碳素钢:F<=(0.6~0.7) Os A1
合金钢:F<=(0.5~0.6) Os A1
Os:螺栓材料的屈服极限
A1:螺栓危险剖面面积。
中华人民共和国汽车行业标准汽车用螺纹紧固件拧紧力矩规范本标准适用于碳素钢或合金钢制造的螺纹直径为6-20㎜、6级精度以上的汽车用一般螺栓、螺钉、螺柱和螺母的紧固。
其螺纹尺寸及公差按GB 193-1981《普通螺纹直径与螺距系列》、GB 196-1981《普通螺纹基本尺寸》和GB 197-1981《普通螺纹公差与配合》标准的规范;螺栓、螺钉、螺柱和螺母机械性能,螺栓、螺钉、螺柱与螺母被拧入基体件强度级别的组合按GB3098-1982《紧固件机械性能》标准的规定。
本标准不适用于承受交变载荷或加润滑剂装配的螺栓、螺钉、螺柱和螺母的紧固件,以及紧定螺钉和类似的不规定抗拉强度的螺纹紧固件。
1、汽车用螺纹紧固件拧紧力矩国家机械工业局1999-03-15批准实施附录螺纹紧固件的拧紧力矩在拧紧螺母时,其拧紧扭矩M 需要克服被旋合螺纹间的摩擦力矩和螺母与被联接件(或垫圈)支承面之间的摩擦力矩,并使联接产生预紧力P 。
,它们的关系为M=KP 。
d ×10-3式中:M ——拧紧扭矩,N ·mK ——拧紧扭矩系数; P 。
——预紧力,N ; d ——螺纹直径,㎜。
要想得到规定的预紧力,应进行的量的实验求出拧紧扭矩系数的实际数值,通过以上的关系计算,把一定大小的扭矩施加到螺母上就能得到。
通过实验和数学分析得出,汽车用普通螺纹紧固件拧紧扭矩系数的平均值为0.284。
对于表1-表4中未规定的各级机械性能的螺纹紧固件的拧紧扭矩,可按(A2)、(A3)、(A5)经验公式计算确定。
螺纹紧固件最大拧紧扭矩为M max =0.170σs A s d ×10-3式中M max ——最大拧紧扭矩,N ·mσs ——螺纹紧固件的屈服强度N/mm 2; A s ——螺纹部分有效面积,mm 2。
A S =(4π232d d +)2式中:d 2——螺纹中径,㎜;d 3=d 1-H/6,㎜;d 1——螺纹小径,㎜; H=0.866p ,㎜; p ——螺距,㎜。
螺钉力矩标准螺钉力矩标准是指在螺栓连接中,施加到螺钉上的力矩大小的标准规定。
螺栓连接是机械制造中常见的一种连接方式,它通过螺纹的摩擦力和预紧力来实现零件的连接。
而螺钉力矩标准则是保证螺栓连接质量和安全性的重要指标之一。
螺钉力矩标准的制定是为了保证螺栓连接的可靠性和稳定性。
在实际的工程应用中,如果螺钉力矩不符合标准,就会导致螺栓连接的松动或者过紧,从而影响整个机械设备的使用效果和安全性。
因此,严格遵守螺钉力矩标准是非常重要的。
螺钉力矩标准的制定需要考虑多个因素。
首先是螺栓材料的性能和强度,不同材料的螺栓在受力时表现也会有所不同,因此需要根据材料的性能来确定力矩标准。
其次是螺栓连接的使用环境和条件,不同的使用环境对螺栓连接的要求也会有所不同,需要根据实际情况来确定力矩标准。
最后是螺栓连接的设计要求,不同的设计要求对力矩标准也会有影响,需要根据设计要求来确定力矩标准。
在实际的工程应用中,如何正确地施加螺钉力矩也是非常重要的。
通常情况下,我们会使用扭力扳手或者电动扭力扳手来施加力矩。
在施加力矩时,需要注意选择合适的扭矩大小,以及正确的施加方向和方法,避免因施加不当而导致螺栓连接的问题。
除了施加力矩的方法外,检测螺钉力矩也是非常重要的。
通常情况下,我们会使用扭力扳手或者扭矩扳手来进行力矩的检测,通过检测力矩的大小来判断螺栓连接是否符合标准要求。
同时,还可以使用力矩表来进行力矩的监测和记录,以便后续的维护和管理。
总之,螺钉力矩标准是保证螺栓连接质量和安全性的重要指标,严格遵守螺钉力矩标准对于保证机械设备的正常运行和安全性至关重要。
在实际的工程应用中,我们需要根据材料性能、使用环境和设计要求来确定力矩标准,同时注意施加力矩的方法和检测力矩的重要性。
只有这样,才能保证螺栓连接的可靠性和稳定性,确保机械设备的正常运行和安全性。
螺栓的选用及紧固力矩标准
1内、外螺纹等级的配合。
2对于没有特殊说明的公制螺栓螺母,按下表给出的力矩拧紧。
(单位:N.m)。
3 对于没有特殊说明的过渡接头类,按下表给出的力矩拧紧。
4 对于没有特殊说明的软管接头螺母类,按下表给出的力矩拧紧。
5 对于美制锥管螺纹接头类,按下表给出的力矩拧紧。
6螺纹处存在不同材料配合时,按照强度最低的材料所要求的力矩进行拧紧力矩的选取。
对于没有特殊说明的硬铝材料螺栓螺母,拧紧力矩为同种规格的8.8级钢制螺纹规定力矩的70%执行,按下表给出的力矩拧紧。
7 螺栓长度选择原则:紧固后螺杆露出螺母端面(3-10mm)。
8上述拧紧力矩,可以根据螺纹处材料、热处理情况、螺纹周围结构等实际情况做适当的调整。
螺栓拧紧力矩标准M6~M24螺钉或螺母的拧紧力矩(操作者参考)未注明拧紧力矩要求时,参考下表(普通螺栓拧紧力矩)未注明拧紧力矩要求时,参考下表(普通螺栓拧紧力矩)公制螺栓扭紧力矩 Q/STB 12.521.5-2000范围:本标准适用于机械性能10.9级,规格从M6-M39的螺栓的扭紧力矩,对于使用尼龙垫圈、密封垫圈、其它非金属垫圈的螺栓,本标准不适用。
★对于设计图纸有明确力矩要求的,应按图纸要求执行。
套管螺母紧固力矩 Q/STB B07833-1998材料 HPb63-3Y2直通式压注油杯 Q/STB B07020-1998(螺纹M6、M8*1、M10*1)紧固力矩:0.3-0.5Kg.m。
安全阀 Q/STB B07029-1998(螺纹R1/8)紧固力矩:2.9-4.9Nm。
通气塞 Q/STB B07030-1998 (螺纹R1/4)紧固力矩:2.94-5.88Nm。
螺塞 Q/STB B07040-1998(公称直径08-10螺距1.25,12-36螺距1.5)螺栓(排气) Q/STB B07060-1998(M12*1.5)紧固力矩:58.8-78.4N.m。
软管(锥形密封)Q/STB B07100-1998软管(锥形密封) Q/STB B07123-1998(接头部螺母拧紧力矩)螺母(球头式管接头用) Q/STB B07201-1998 拧紧力矩:N.m 材料:(Q235)管接头螺母 Q/STB B07202-1998拧紧力矩(Q235 / HPb 59-1)铰接螺栓 Q/STB B07206-1998拧紧力矩(Q235)球头式端直通接头 Q/STB B07211-1998拧紧力矩(Q235 HPb 60-1 )表中拧紧力矩适用于钢制接头管接头 Q/STB B07212-1998紧固力矩(区分代号为5、7的件材料Q235)套管螺母 Q/STB B07221-1998拧紧力矩(材料Q235)管接头 Q/STB B07230-1998拧入紧固力矩(Q235)弯头(带座) Q/STB B07235-1998 、 B07236-1998 拧紧力矩喉箍 Q/STB B07281-1998拧紧力矩U形管夹及座 Q/STB B07283-1998螺母的紧固力矩(区分代号 2、3使用)管夹 Q/STB B07289-1998(有效紧固直径φ25-φ232) 紧固力矩:8.8±05Nm套管接头 Q/STB B07290-1998套管螺母 Q/STB B07833-1998软管(空调器用) Q/STB B09488-1998。
螺栓力矩标准螺栓力矩标准是指在螺栓紧固过程中所需的力矩数值,它直接影响着螺栓的紧固质量和安全性能。
螺栓力矩标准的制定是为了保证螺栓在工作过程中能够承受所需的载荷,同时又不至于造成过度紧固而导致螺栓断裂或松动。
在工程施工和设备安装中,螺栓是一种常用的紧固件,因此螺栓力矩标准的合理应用对于工程质量和安全具有重要意义。
一、螺栓力矩标准的重要性。
螺栓力矩标准的制定是为了保证螺栓在工作过程中能够承受所需的载荷,同时又不至于造成过度紧固而导致螺栓断裂或松动。
合理的螺栓力矩标准可以保证螺栓的紧固质量,防止因紧固不足或过紧而引起的安全事故。
另外,螺栓力矩标准也可以保证螺栓在使用过程中的稳定性和可靠性,延长螺栓的使用寿命,降低维护成本。
二、螺栓力矩标准的制定依据。
螺栓力矩标准的制定需要考虑多个因素,包括螺栓的材料、尺寸、螺纹类型、螺栓连接的零件材料、工作环境等。
在制定螺栓力矩标准时,需要参考国家标准、行业标准以及相关的设计规范,同时还需要考虑螺栓的预紧力、摩擦系数、材料的强度和变形特性等因素,综合考虑各种因素后确定合理的力矩数值。
三、螺栓力矩标准的应用。
在实际工程中,螺栓力矩标准的应用需要严格按照设计规范和要求进行。
在紧固螺栓时,应该使用专用的扭力扳手或扭矩扳手进行控制,以确保施加的力矩符合标准要求。
同时,在螺栓紧固过程中,还需要注意螺栓的预紧力和角度控制,以保证螺栓的紧固质量。
四、螺栓力矩标准的检测和验证。
为了保证螺栓力矩标准的有效性,需要对螺栓的紧固力矩进行检测和验证。
可以通过专用的扭矩表或扭力传感器对螺栓的力矩进行实时监测,以确保螺栓的紧固质量符合标准要求。
同时,还可以通过拉伸试验和松动试验对螺栓的紧固性能进行验证,以保证螺栓在工作过程中能够承受所需的载荷。
五、结论。
螺栓力矩标准的合理应用对于工程质量和安全具有重要意义。
合理的螺栓力矩标准可以保证螺栓的紧固质量,防止因紧固不足或过紧而引起的安全事故。
因此,在工程施工和设备安装中,需要严格按照设计规范和要求进行螺栓的紧固,并对螺栓的紧固力矩进行检测和验证,以确保螺栓在工作过程中能够承受所需的载荷,同时又不至于造成过度紧固而导致螺栓断裂或松动。
螺栓的拧紧力矩标准本篇文章将列出各类螺丝的拧紧力矩标准,当用户未注明拧紧力矩要求时,我们所参考的参考的标准。
需要强调的是:拧紧力矩和破坏扭力是两个概念,拧紧力(矩)是指螺丝拧入工件的建议值;破坏扭力(即破坏扭矩)指将螺丝拧断的最小值(详见紧固件的破坏扭矩标准GB3098.13),很显然,拧紧力矩是少于破坏扭矩的。
这是普通螺栓拧紧力矩:公制螺栓扭紧力矩Q/STB 12.521.5-2000范围:本标准适用于机械性能10.9级,规格从M6-M39的螺栓的扭紧力矩,对于使用尼龙垫圈、密封垫圈、其它非金属垫圈的螺栓,本标准不适用。
注:对于设计图纸有明确力矩要求的,应按图纸要求执行。
谈螺栓预紧力的选用和螺栓强度校核螺栓作为连接件,使用十分广泛, 其在机车车辆、航太航空、风电机组上的使用环境大多是高强度高应力, 而在乘用车主要部件的使用环境大多是低应力卨周期,但仍然存在著极大的隐患。
从安全角度来说,螺栓所联接的部件都是很昂贵的。
所以,螺栓失效时,损坏的不仅仅是它们本身,而是整个产品。
螺栓连接作为汽车装配上的重要应用,据有关资料介绍,根据发动机上的螺纹紧固件通常在1500?2000 颗左右,品种更是高达100个以上,规格也是从M6?M30不等,而其中大约100颗是与车辆的安全性能有密切联系的。
而做为在装配过程中最重要的螺栓规格及预紧力的选用,存在理论上的不足和认识的误区。
不论螺纹紧件作为连接或密封作用,还是需要装配的子零件,都有一定的屈服极限。
在装配过程中,如果预紧力过大,使零件的变形量超过零件的屈服强度,零件就会损环。
故装配件要长时间稳定有效工作,设计人员必须对螺栓预紧力进行规范设计。
1.螺栓预紧力的选用螺栓作为重要的连接件,在总成件安装时必须拧紧,在连接承受工作载荷之前,预先受到力的作用,这个预加的力就是预紧力;预紧的目得到是为了增强连接的可靠性和紧密性,防止总成安装件在工作时候,受到力的作用,各连接件之间出现缝隙或相对滑移,所以在总成件的设计中,必须对预紧力的大小进行规范设计。
螺栓拧紧力矩标准M6~M24螺钉或螺母的拧紧力矩(操作者参考)未注明拧紧力矩要求时,参考下表(普通螺栓拧紧力矩)未注明拧紧力矩要求时,参考下表(普通螺栓拧紧力矩)公制螺栓扭紧力矩Q/STB 12.521.5-2000范围:本标准适用于机械性能10.9级,规格从M6-M39的螺栓的扭紧力矩,对于使用尼龙垫圈、密封垫圈、其它非金属垫圈的螺栓,本标准不适用。
★对于设计图纸有明确力矩要求的,应按图纸要求执行。
套管螺母紧固力矩Q/STB B07833-1998材料HPb63-3Y2直通式压注油杯Q/STB B07020-1998(螺纹M6、M8*1、M10*1)紧固力矩:0.3-0.5Kg.m。
安全阀Q/STB B07029-1998(螺纹R1/8)紧固力矩:2.9-4.9Nm。
通气塞Q/STB B07030-1998 (螺纹R1/4)紧固力矩:2.94-5.88Nm。
螺塞Q/STB B07040-1998(公称直径08-10螺距1.25,12-36螺距1.5)螺栓(排气)Q/STB B07060-1998(M12*1.5)紧固力矩:58.8-78.4N.m。
软管(锥形密封)Q/STB B07100-1998软管(锥形密封)Q/STB B07123-1998(接头部螺母拧紧力矩)螺母(球头式管接头用)Q/STB B07201-1998 拧紧力矩:N.m 材料:(Q235)管接头螺母Q/STB B07202-1998拧紧力矩(Q235 / HPb 59-1)铰接螺栓Q/STB B07206-1998拧紧力矩(Q235)球头式端直通接头Q/STB B07211-1998 拧紧力矩(Q235 HPb 60-1 )表中拧紧力矩适用于钢制接头管接头Q/STB B07212-1998紧固力矩(区分代号为5、7的件材料Q235)套管螺母Q/STB B07221-1998拧紧力矩(材料Q235)管接头Q/STB B07230-1998拧入紧固力矩(Q235)弯头(带座)Q/STB B07235-1998 、B07236-1998 拧紧力矩喉箍Q/STB B07281-1998拧紧力矩U形管夹及座Q/STB B07283-1998螺母的紧固力矩(区分代号2、3使用)管夹Q/STB B07289-1998(有效紧固直径φ25-φ232) 紧固力矩:8.8±05Nm套管接头Q/STB B07290-1998套管螺母Q/STB B07833-1998软管(空调器用)Q/STB B09488-1998。