公司安全检查表电子版本
- 格式:doc
- 大小:291.00 KB
- 文档页数:32
企业常用检查类型和频次:1、综合安全检查1.1公司级安全检查:是以落实岗位安全生产责任制为重点,各专业共同参与的全面检查,公司级检查每季度一次。
1.2检查内容:1)公司级安全检查主要检查公司工艺管理、设备管理、电气管理、消防管理、化学品管理、安全设施、厂房建筑;具体检查内容见《公司级安全检查表》。
2)车间级安全检查主要检查部门各级管理人员的职责、工艺、设备、电气、仪表、现场管理、安全教育、作业证、警示标志及其它情况。
每月至少一次,具体检查内容见《车间级安全检查表》。
2、专业性安全检查1)电气设备(专业)安全检查主要检查电气作业、变配电室管理、电气设备、防护用品;每季度至少一次,具体检查内容见《电气设备(专业)安全检查表》。
2)防火防爆及消防安全检查主要检查厂区及建筑物、生产工艺过程、消防设施、作业现场、生产装置与设备、安全管理;每季度至少一次,具体检查内容见《防火防爆及消防安全检查表》。
3)特种设备安全检查主要检查特种设备的检验、操作人员的安全教育与持证上岗情况;每季度至少一次,具体检查内容见《特种设备安全检查表》。
4)机械设备安全主要检查设备基础管理、运行管理、维护管理等;每季度至少一次,具体检查内容见《机械设备安全检查表》。
5)厂房、建筑物安全检主要检查耐火等级检查、防雷电检查、现场检查、防护设施;每季度至少一次,具体检查内容见《厂房、建筑物安全检查表》。
6)危险化学品安全检查主要检查化学品的使用、贮存管理等,每季度至少一次,具体检查内容见《危险化学品安全检查表》。
3、节假日检查主要是节前对安全、保卫、消防、生产设备、备用设备、应急预案等进行的检查,特别是应对节日干部、检维修队伍值班安排和原辅料、备品备件、应急预案落实情况进行重点检查。
具体检查内容见《节假日安全检查表》。
4、季节性检查:主要是根据气候变化的特点,由安全人事部组织各有关专业和部门的人员参加的,对防火防爆、防雨防洪、防雷电、防暑降温、防风工作等,进行预防性季节检查,具体检查内容见《季节性安全检查表》。
安全检查表
编制:_____________________
审核:_____________________
批准:_____________________
施行日期:__________________
目录
公司级安全检查表 (3)
车间级安全检查表 (5)
班组级安全日检查表 (7)
电气安全检查表 (8)
电梯安全检查表 (10)
消防安全检查表 (12)
消防设施、器材检查记录表(年) (13)
机械设备安全检查表 (14)
职能部门安全检查表 (16)
仓储物流安全检查表 (17)
重大节假日和特殊时期安全检查表 (18)
专项安全检查表 (19)
子公司安全督查表 (20)
公司级安全检查表
安委会
车间级安全检查表
安委会
班组级安全日检查表
电气安全检查表
安委会
电梯安全检查表
消防安全检查表
消防设施、器材检查记录表(年)
机械设备安全检查表
专项安全检查表
子公司安全督查表
安委会。
A/DT.G-01-2011
文件编号:A/DT.J-5-23-2011
公司安全检查表
检查时间:检查人员:
序号检查内容检查标准检查情况异常情况整改措施及
责任人
备注
1生产运行安全生产运行正常口正常口不正常
2生产现场车间内外应保持整齐、清洁、通道平
坦、畅通无违章停放车辆
口正常口不正常
3设备保养责任落实到人口正常口不正常4安全标志牌整洁完好口正常口不正常5动火严格执行动火制度口正常口不正常6进入容器内作业按规定办理手续口正常口不正常7设备修理悬挂警示标志并落实安全措施口正常口不正常
8设备管道应无裂纹和渗漏,管道应保持畅通,
密封良好,无跑、冒、滴、漏现象
口正常口不正常
9管道上的阀门应启闭灵活,关闭严密不漏口正常口不正常
10原材料、半成品、
器具、运输工具等
堆放规范,不得侵占车行通道和人行
通道
口正常口不正常
11工艺纪律操作记录准时、准确、字体工整口正常口不正常12工艺控制点在规定范围口正常口不正常
13工作环境、职业安
全卫生
生产现场包括操作室整洁干净口正常口不正常
14个人防护用品配备完好、按要求穿戴口正常口不正常
检查部门或人员:行政部、企管部检查频次:每季度检查1次,必要时增加检查次数。
扬州五亭桥缸套有限公司安全检查表
编制:于春华
审核:
批准:
受控状态:
受控编号:
发布日期:实施日期:
目录
1、公司级安全检查表
2、分厂级安全检查表
3、工段(班组)级安全检查表
4、岗位工人日常安全检查表
5、管理人员巡回安全检查表
6、电气设备(专业)安全检查表
7、防火防爆及消防安全检查表
8、压力容器、压力管道安全检查表
9、危险化学品安全检查表
10、危险化学品储罐区防火安全检查表
11、机械设备安全检查表
12、季节性安全检查表
13、监测仪表安全检查表
14、厂房、建筑物安全检查表
15、节假日安全检查表
公司级安全检查表
分厂级安全检查表
工段(班组)级安全检查表检查人:检查时间:
管理人员巡回安全检查表
电气设备(专业)安全检查表
防火防爆及消防安全检查表
压力容器、压力管道安全检查表
危险化学品安全检查表
危险化学品储罐区防火安全检查表
机械设备安全检查表
季节性安全检查表
监测仪表安全检查表
厂房、建筑物安全检查表
节假日安全检查表。
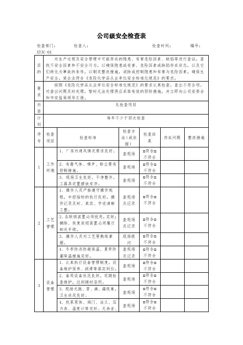
公司级安全检查表检查部门:检查人:检查时间:编号:XTJC-01目的对生产过程及安全管理中可能存在的隐患、有害危险因素、缺陷等进行查证,查找不安全因素和不安全行为,以确保隐患或有害、危险因素或缺陷存在状态,以及它们转化为事故的条件,以制定整改措施,消除或控制隐患和有害与危险因素,确保生产安全,使企业符合《危险化学品从业单位安全标准化规范》的要求。
要求按照《危险化学品从业单位安全标准化规范》的要求认真检查,查出不符合项。
对查出问题及时处理,暂时无法处理得应采取有效的预防措施,并立即向公司安委会和市安监局领导汇报。
内容见检查项目计划每年不少于四次检查序号检查项目检查标准检查方法(或依据)检查结果存在问题整改措施1工作环境1、厂房内通风情况要求良好。
查现场□符合□不符合2、有毒气体、噪声、粉尘要有控制措施。
查现场□符合□不符合3、现场卫生良好,干净整齐,工器具定置摆放有序。
查现场□符合□不符合2工艺管理1、操作人员严格遵守操作规程,中控指标的执行良好,操作记录及时、真实、字迹清晰工整。
查现场及记录□符合□不符合2、各联锁装置必须投用,完好;摘除、恢复连锁装置必须履行相关手续。
查现场及记录□符合□不符合3、操作人员对工艺要熟练掌握。
现场提问□符合□不符合4、冬季防冻防凝保温、夏季防暑降温措施完好。
查现场及记录□符合□不符合3设备管理1、认真执行设备管理制度,设备维护保养、润滑等落实到位。
查现场□符合□不符合2、备用设备状况良好,定期检查维护,达到随时启用。
查现场□符合□不符合3、现场无跑、冒、滴、漏现象,卫生状况良好。
查现场□符合□不符合4、机泵泵体、阀门、法兰、压力表、温度计等完好。
无杂音、查现场□符合□不符合无振动,暴露在外的传动部位有符合标准的安全防护罩。
4关键装置及重点部位1、严格执行关键装置重点部位安全管理制度。
查现场及记录□符合□不符合2、设备设施运行良好,各监测报警装置安装齐全并运行良好。
安全检查表(全套)
编制:
审核:
批准:
发布日期:2021.1 实施日期:2021.1
目录
1.厂级安全检查表
2.车间综合安全检查表
3.班组级安全检查表
4.岗位工人安全检查表
5.管理人员日常巡回检查表
6.电气设备(专业)安全检查表
7.消防安全(专业)检查表
8.节假日安全检查表
9.季节性安全检查表
厂级安全检查表
车间综合安全检查表
检查人:检查时间:
班组级安全检查表
检查人:检查时间:
岗位工人日常安全检查表
管理人员日常巡回安全检查表
电气设施设备安全检查表
防火防爆及消防安全检查表
节假日安全检查表
春季安全生产检查表
夏季安全生产检查表
秋季安全生产检查表
冬季安全生产检查表。
扬州五亭桥缸套有限公司
安全检查表
编制:于春华
7、防火防爆及消防安全检查表
8、压力容器、压力管道安全检查表
9、危险化学品安全检查表
10、危险化学品储罐区防火安全检查表
11、机械设备安全检查表
12、季节性安全检查表
13、监测仪表安全检查表
14、厂房、建筑物安全检查表
15、节假日安全检查表
公司级安全检查表
检查人:
分厂级安全检查表
欢迎共阅
欢迎共阅
欢迎共阅
欢迎共阅
工段(班组)级安全检查表
欢迎共阅
欢迎共阅
欢迎共阅
管理人员巡回安全检查表
欢迎共阅
欢迎共阅
欢迎共阅
电气设备(专业)安全检查表
欢迎共阅
欢迎共阅
防火防爆及消防安全检查表
欢迎共阅
欢迎共阅
欢迎共阅
压力容器、压力管道安全检查表
欢迎共阅
欢迎共阅
危险化学品安全检查表
欢迎共阅
欢迎共阅
欢迎共阅
欢迎共阅
危险化学品储罐区防火安全检查表
欢迎共阅
欢迎共阅
机械设备安全检查表
欢迎共阅
欢迎共阅
欢迎共阅
欢迎共阅
欢迎共阅
监测仪表安全检查表
欢迎共阅
欢迎共阅
厂房、建筑物安全检查表
欢迎共阅
欢迎共阅
节假日安全检查表
欢迎共阅
欢迎共阅。
公司级安全检查表1 / 422 / 42车间级安全检查表3 / 424 / 425 / 42班组级安全检查表检查人:检查时间:6 / 427 / 428 / 42安全设施设备安全检查表9 / 42防火防爆及消防安全检查表检查人:检查时10 / 4211 / 4212 / 42防尘防毒安全检查表13 / 42厂内机动车辆安全检查表14 / 4215 / 42节假日安全检查表16 / 4217 / 42压力容器、压力管道安全检查表检查人:检查时18 / 42危险化学品安全检查表检查人:19 / 4220 / 4221 / 42危险化学品储罐区安全检查表检查人:22 / 42电气设备安全检查表23 / 4224 / 42机械设备安全检查表25 / 4226 / 42监测和测量安全检查表检查人:检查时27 / 42厂房、建筑物安全检查表28 / 4229 / 42春季安全生产检查表检查人:检查时30 / 4231 / 42夏季安全生产检查表检查人:检查时32 / 4233 / 4234 / 42秋季安全生产检查表35 / 4236 / 4237 / 4238 / 42冬季安全生产检查表检查人:检查时39 / 4240 / 4241 / 4242 / 42。
日常安全检查表
检查人:被检查单位(部门):检查时间:
检查项
目
检查内容检查结果整改要求整改责任人备注
一、环境安全通道是否堵塞,有无障碍
各类通道地面是否平畅,并符合人、车进出要求垃圾堆放是否分类放置,有无乱堆乱放
各安全出口周围是否埋压、畅通
车间照明灯光是否正常
二、通道各类通道地面是否平畅,并符合人、车进出要求垃圾堆放是否分类放置,有无乱堆乱放
各安全出口周围是否埋压、畅通
通道是否有安全出口标志
三、防火管理
车间照明灯光是否正常
应急照明,出口指示灯是否有效工作
各处灭火器是否在安全使用范围内
灭火器周围是否有杂物,灭火器筒体完好,
铅封完好、压力完好
消防用具是否齐全,水压是否正常
各处是否有私自用电现象
检查负责人签字:被检部门负责人签字:。
公司安全检查表
安全检查表
编制:
审核:
批准:
施行日期:
目录
公司级安全检查表 (4)
车间级安全检查表 (7)
班组级安全日检查表 (10)
电气安全检查表 (11)
电梯安全检查表 (14)
消防安全检查表 (17)
消防设施、器材检查记录表(年) (19)
机械设备安全检查表 (21)
职能部门安全检查表 (24)
仓储物流安全检查表 (25)
重大节假日和特殊时期安全检查表 (27)
专项安全检查表 (29)
子公司安全督查表 (31)
公司级安全检查表
安委会
车间级安全检查表
安委会
班组级安全日检查表
安委会仅供学习与交流,如有侵权请联系网站删除谢谢10
电气安全检查表
安委会
电梯安全检查表
安委会
消防安全检查表
安委会
消防设施、器材检查记录表(年)
安委会
机械设备安全检查表
安委会
职能部门安全检查表
安委会仓储物流安全检查表
安委会
重大节假日和特殊时期安全检查表
安委会
专项安全检查表
安委会
子公司安全督查表
安委会。