出口不锈钢餐厨具等产品抽样方案
- 格式:doc
- 大小:25.50 KB
- 文档页数:1
餐具抽检实施方案为了确保餐具的安全和卫生,我们制定了以下的餐具抽检实施方案,以便对餐具进行有效的监管和管理。
一、抽检范围。
1. 餐具种类,包括餐具、玻璃杯、餐盘等;2. 抽检对象,所有用于餐厅、食堂、饭店、酒店等场所使用的餐具。
二、抽检标准。
1. 外观质量,包括餐具表面是否有划痕、变形、颜色褪变等;2. 卫生安全,检测餐具是否有污渍、油渍、异味等;3. 功能完整,检查餐具是否有破损、裂纹、松动等;4. 化学安全,检测餐具是否符合国家卫生标准,不含有害物质。
三、抽检程序。
1. 制定抽检计划,根据餐具使用情况和抽检频率,制定抽检计划;2. 抽样方法,按照统一的抽样方法,从不同批次、不同供应商的餐具中进行随机抽样;3. 实施抽检,对抽样的餐具进行外观、卫生、功能、化学安全等方面的检测;4. 记录和分析,对抽检结果进行记录和分析,及时发现问题并提出改进措施;5. 处理不合格餐具,对于不合格的餐具,及时进行处理,包括修复、更换或报废。
四、抽检频率。
1. 日常抽检,对于日常使用的餐具,建议每月进行一次抽检;2. 季度抽检,对于长期存放或不经常使用的餐具,建议每季度进行一次抽检;3. 特殊情况抽检,对于新购进的大批餐具,或者接到消费者投诉时,需要进行特殊情况的抽检。
五、抽检结果处理。
1. 合格,对于合格的餐具,及时进行标识并放入使用;2. 不合格,对于不合格的餐具,及时进行处理,并对问题进行追踪和整改;3. 监督抽检,对于不合格率较高的餐具,需要进行监督抽检,直至合格为止。
六、抽检记录。
1. 抽检记录,对每次抽检的餐具进行记录,包括抽检时间、抽检人员、抽检结果等;2. 分析报告,对抽检结果进行分析和汇总,形成抽检报告,为管理决策提供依据。
七、抽检管理。
1. 责任部门,明确餐具抽检的责任部门和相关人员;2. 培训教育,对抽检人员进行相关培训,提高抽检人员的专业水平和抽检质量;3. 定期评估,对抽检工作进行定期评估,发现问题及时改进。
产品抽检方案第1篇产品抽检方案一、背景为确保产品质量,维护消费者权益,根据《中华人民共和国产品质量法》、《中华人民共和国消费者权益保护法》等相关法律法规,结合企业实际情况,制定本产品抽检方案。
二、目标1. 确保产品符合国家相关法律法规及标准要求;2. 提高产品质量,降低不合格产品率;3. 提升企业品牌形象,增强市场竞争力;4. 保障消费者权益,提高客户满意度。
三、抽检范围1. 抽检产品:公司所有在售产品;2. 抽检环节:生产过程、成品仓库、市场流通环节;3. 抽检频次:根据产品特性、生产批次、市场反馈等因素,合理制定抽检频次。
四、抽检标准及方法1. 抽检标准:依据国家相关法律法规、产品标准、企业内控标准等进行抽检;2. 抽检方法:采用随机抽样、分层抽样等方法进行抽检。
五、抽检流程1. 制定抽检计划:根据产品特性、生产计划、市场反馈等,制定月度、季度、年度抽检计划;2. 抽样:按照抽检计划,由专业人员进行抽样,保证抽样的公正性、客观性;3. 检验:将抽取的样品送至具备相应资质的检验机构进行检验;4. 结果处理:根据检验结果,对不合格产品进行追溯、分析、处理;5. 信息反馈:将抽检结果及时反馈给相关部门,督促改进;6. 持续改进:根据抽检结果,优化生产过程,提高产品质量。
六、责任划分1. 生产部门:负责生产过程的质量控制,确保产品符合标准要求;2. 质量管理部门:负责制定抽检计划,监督抽检过程,处理抽检结果;3. 采购部门:负责采购符合质量要求的原辅材料;4. 市场部门:负责收集市场反馈信息,协助质量管理部门制定抽检计划;5. 法规部门:负责确保抽检方案符合国家相关法律法规要求。
七、考核与奖惩1. 对抽检合格率较高的部门,给予表彰和奖励;2. 对抽检不合格的部门,按照公司规定进行处罚,并要求其制定整改措施;3. 将抽检结果纳入员工绩效考核,激发员工质量意识。
八、培训与宣传1. 定期组织质量培训,提高员工质量意识和操作技能;2. 加强质量宣传,提高全体员工对抽检工作的重视程度。
常规食品抽样方案一般情况下,采集散装固体、半固体样品时,散装固体从盛放样品容器的上、中、下不同的部位多点样品采集,混合后按四分法对角样品采集,再进行混合,最后取有代表性样品放入样品采集容器中;散装半固体类较稠的物料不易充分混匀,打开包装,用样品采集器从各桶中分上、中、下三层分别取出检样,然后将检样混合均匀。
散装固体、半固体样品采集时,可使用钳子、小勺或镶子样品采集;采集散装液体样品时,应先充分混合后,再取中间部位进行样品采集,样品采集时可使用玻璃吸管或倾倒方式进行采集。
盛装样品的样品采集容器应密封,并不应含有待检物质及十扰物质。
其中:盛装液体、半液体样品的容器,常用带塞玻璃瓶、带塞广口玻璃瓶、塑料瓶;盛装固体、半固体样品的容器,可用广口玻璃瓶、塑料袋。
用于理化检验的样品采集容器根据检验项目选用硬质玻璃瓶或聚乙烯制品,酸性食品不应选用金届容器盛装,检测农药残留用样品不应选用塑料袋或塑料容器盛装,黄油类样品不应与纸或任何吸水、吸油材料表面有接触。
无菌取样一、无菌取样原则:凡在取样过程中造成污染的源头均用适当的方法去除,从而达到无菌取样的目的,保证样品不受外界污染。
二、污染源头:1、人员(1) 手一一样人员采样前要用75%洒精棉对手、手腕及裸露的手臂进行消蠹(2) 口——样人员要戴口罩(3) 头一一样人员要带帽,将头发完全覆盖(4) 体一一采样人员要注意着装,十净卫生(最好洁白工作服)2、器具(1) 采样勺:采样用的勺子用活水洗后,要至于电热鼓风十燥箱中进行十热灭菌160C2小时,取出用白内袋密闭包严待用。
如要重复利用,则采完样要用75% 洒精棉擦拭整个勺子(包括勺柄),再用洒精灯(外焰)反复灼烧灭菌(包括易接触粉部分勺柄),冷却后使用。
(2) 白内袋:采样用的白内袋要求是无菌的,已打包未使用的白内袋要密封存放(3) 包装袋:取样前用洒精棉对包装袋灭菌3、空气:紫外灯消蠹(1) 取样前保证工作服活洁卫生;建议戴好帽子、口罩。
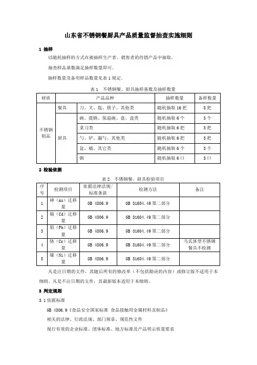
金属制器皿、餐具产品质量统计调查合格判定准则TDZZ 342203.2—20171范围本准则适用于金属制餐具和器皿产品质量合格率统计调查。
产品范围包括不锈钢器皿、餐具。
2 产品分类2.1产品分类及代码产品分类及代码见表1 。
表1 产品分类及代码2.2产品种类根据金属制餐具和器皿产品标准,将产品分为以下五个种类:不锈钢器皿 GB/T 29601-2013不锈钢餐具 GB/T 15067.2-20163检验依据不锈钢器皿 GB/T 29601-2013不锈钢餐具 GB/T 15067.2-2016食品安全国家标准食品接触用金属材料及制品 GB 4806.9-2016人造气氛腐蚀试验盐雾试验 GB/T 10125-2012经备案现行有效的企业标准及产品明示质量要求相关的法律法规、部门规章和规定4抽样4.1抽样型号或规格样品应是产品标准规定的不锈钢餐具、不锈钢器皿类。
4.2抽样基数、方法及数量为使调查具有代表性,调查样本可根据不同价格区间内各品牌及型号的市场份额进行选取。
随机抽取同一规格、同一批次的3个不锈钢餐具或器皿产品。
4.4抽样单应按有关规定填写调查样品登记单,并记录样品及相关信息。
5检验要求5.1检验项目及重要程度分类(见表2、表3)表2.检验项目表表3.产品种类与检验项目对照表5.2检验应注意的问题(1)检验机构在接收样品时,必须认真检查样品是否完好。
(2)样品应为标有不锈钢标志的餐具或器皿。
(3)若被检产品明示的质量要求高于本准则中检验项目依据的标准要求且检验方法一致时,应按被检产品明示的质量要求判定。
若被检产品明示的质量要求低于本准则中检验项目依据的国家或行业强制性标准要求时,应按国家或行业强制性标准要求判定;若被检产品明示的质量要求缺少本准则中的检验项目时,应按本准则中检验项目依据的标准要求进行检验并判定。
6判定原则6.1判定总则6.1.1 综合判定经检验,检验项目全部合格,判定为被抽查产品合格;检验项目中任一项或一项以上不合格,判定为被抽查产品不合格。
不锈钢橱柜在户外市场的出口调查报告不锈钢橱柜在户外市场的出口调查报告1. 引言随着人们对户外生活方式的追求越来越高,户外市场的需求也逐渐增长。
在这个持续扩大的市场中,不锈钢橱柜作为一种理想的户外厨房装备备受瞩目。
本文将对不锈钢橱柜在户外市场的出口情况进行深入调查和分析,旨在为读者提供对这一产品的全面了解。
2. 不锈钢橱柜的优势2.1 耐用性不锈钢橱柜以其高度耐用的特点而备受消费者青睐。
不锈钢材质具有抗锈蚀、耐高温、抗腐蚀等特性,使得橱柜在户外环境中能够长时间保持美观和功能完好。
2.2 卫生性由于户外环境常常暴露于灰尘和各种污染物,不锈钢橱柜具有易于清洁和维护的优点。
其光滑的表面使得清洁变得简单,且不吸附异味,保证食品的卫生安全。
2.3 美观性不锈钢橱柜以其简约、现代的外观设计,能够与户外环境相融合,并提升整体的美观性。
不锈钢材质的金属质感给人以稳重和高端的感觉,满足了消费者对于产品外观的追求。
3. 不锈钢橱柜在户外市场的出口情况通过对当前不锈钢橱柜在户外市场的出口情况进行调查,可以得出以下结论:3.1 主要出口国家和地区不锈钢橱柜主要出口到美国、澳大利亚和欧洲等发达国家和地区。
这些地区的消费者对户外生活和厨房设备的需求较高,使得不锈钢橱柜有着广阔的市场前景。
3.2 出口趋势随着人们对健康生活方式的追求,户外烹饪成为了一种流行的社交活动。
不锈钢橱柜作为户外厨房的核心设备,其出口量呈现逐年上升的趋势。
未来几年,不锈钢橱柜有望进一步拓展出口市场份额。
4. 我的观点和理解我对不锈钢橱柜在户外市场的出口前景持乐观态度。
不锈钢橱柜以其优良的性能和外观特点,在满足消费者户外生活需求的也能够满足他们对产品质量和卫生安全的要求。
鉴于不锈钢橱柜在国内市场已经有一定的成熟度,企业可以通过开拓海外市场来实现更大的发展空间。
总结:本文详细调查了不锈钢橱柜在户外市场的出口情况,重点突出了不锈钢橱柜的优势及其在户外市场的前景。
不锈钢餐厨具产品质量河南省监督抽查实施细则版(一)不锈钢餐厨具是现代餐饮行业不可或缺的基础设施。
为了保障消费者的用餐安全和健康,河南省市场监督管理局最近发布了《不锈钢餐厨具产品质量河南省监督抽查实施细则版》,对不锈钢餐厨具产品的监督抽查工作进行了全面规范。
一、监督抽查的范围和对象该规定明确了监督抽查的范围,即所有在河南省境内生产、流通的不锈钢餐厨具产品均在监管范围内。
监督抽查的对象包括所有餐饮企业和销售商,以及生产厂家和出口企业。
二、监督抽查的方式和时限监督抽查采用抽样检查和日常监管相结合的方式进行。
不锈钢餐厨具产品需要认证的生产企业,在出厂前必须通过国家质量认证。
此外,对于出厂前未通过质量认证的产品,必须在河南省的检测机构进行抽样检查,以确保其质量合格。
另外,河南省还要按照规定的时间要求对餐饮企业进行定期监督抽查,以检查产品的质量和卫生状况。
三、监督抽查的细则和要求监督抽查的规定按照国家标准和行业标准进行,严格控制不锈钢餐厨具产品的质量与外观。
其要求包括检查产品的整体质量、表面光洁度和边沿锐利度、选材质量和使用寿命等方面的指标。
此外,还要求产品在生产过程中,不得混入短板和劣质材料,以确保产品符合国家标准和规定的质量保证要求。
四、监督抽查的处理和处罚如产品不符合国家标准和规定的质量保障要求,待检查结果出来后,生产企业或销售商将会面临相应的处罚。
处理和处罚包括警告、暂时禁止生产、吊销执照等,并按相关规定记录整个过程,以确保效果持久和透明。
同时,经核实,对于违反有关规定的生产企业或销售商,其管理人员也将面临相应的处理和处罚。
总之,河南省市场监督管理局发布的《不锈钢餐厨具产品质量河南省监督抽查实施细则版》是为了保障消费者的权益和用餐健康,更好地推进消费者保护工作的有力组织措施。
人们相信,在该标准的引领下,河南省的不锈钢餐厨具行业必将会有更大的发展空间,同时也为消费者吃得安心、健康、放心提供了有效的保障。
餐饮具抽检实施方案为了保障消费者的饮食安全,确保餐饮业的卫生质量,对餐饮具进行抽检是非常必要的。
为了有效实施餐饮具抽检工作,制定一套科学合理的实施方案是至关重要的。
本文将就餐饮具抽检实施方案进行详细介绍。
一、抽检对象。
餐饮具抽检的对象主要包括餐具、餐桌、餐椅、厨房用具等。
其中,餐具是抽检的重点对象,包括餐具的材质、卫生状况、使用寿命等方面。
二、抽检频次。
针对不同类型的餐饮场所,抽检频次可以有所不同。
一般来说,规模较大、客流量较大的餐饮场所,抽检频次可以适当增加,以确保餐饮具的卫生安全。
三、抽检标准。
餐饮具抽检的标准应当严格执行国家相关标准,包括餐饮具的材质安全、卫生标准、使用寿命等方面的要求。
同时,也可以结合当地实际情况,制定更为严格的地方标准,以提升餐饮具的卫生质量。
四、抽检流程。
餐饮具抽检的流程应当包括抽样、送检、检测、结果反馈等环节。
在抽检过程中,要确保抽样的随机性和代表性,以保证抽检结果的客观性和准确性。
五、抽检结果处理。
对于抽检结果不合格的餐饮具,要及时通知相关餐饮场所进行整改,并对整改情况进行跟踪检查。
对于多次不合格的餐饮场所,要进行相应的处罚,并及时向社会公布,以保障消费者的知情权。
六、抽检责任。
餐饮具抽检工作应当明确相关部门的责任,包括卫生监督部门、食品安全监管部门等,各相关部门要加强协作,形成合力,确保餐饮具抽检工作的顺利实施。
七、抽检宣传。
为了提升餐饮业的整体卫生水平,对餐饮具抽检工作要进行宣传,引导餐饮业主动配合抽检工作,增强全社会对餐饮安全的关注度。
总结,餐饮具抽检实施方案的制定和执行,对于提升餐饮业的整体卫生水平,保障消费者的饮食安全具有重要意义。
各相关部门要加强协作,形成合力,确保餐饮具抽检工作的顺利实施。
同时,也需要引导餐饮业主动配合抽检工作,共同维护餐饮业的良好形象,保障消费者的合法权益。
餐饮用具抽检计划(共10篇):抽检用具餐饮计划餐饮用具消毒哪4道工序消毒液要根据餐饮用具成都餐饮用具批发市场篇一:餐饮服务食品安全监督抽检计划表餐饮服务食品安全监督抽检计划表篇二:餐饮抽检方案[2013]042013xxxx区餐饮服务食品安全监督抽检工作方案为认真贯彻《食品安全法》及其实施条例,根据省市食品药品监督管理局对餐饮食品的监管要求,充分发挥技术监督效能,及时了解我区餐饮食品的安全现状,确保全区人民饮食安全,结合我区实际情况,特制订2013年全区餐饮服务食品安全监督抽检工作方案。
一、工作目标坚持“科学、合理、有效”的要求,围绕餐饮服务环节食品致病微生物污染、化学危害物质污染、违法添加非食用物质及滥用食品添加剂等危害因素开展监督抽检。
为餐饮安全日常监管提供技术支撑、为餐饮安全监督执法提供法律依据、为评价餐饮单位和地方餐饮安全水平提供素材,及时发现餐饮服务环节食品安全隐患,有效防范餐饮安全系统性、区域性风险,预防重大食品安全事故发生,维护人民群众身体健康和生命安全。
二、工作内容(一)抽检品种。
包括餐饮服务环节主要食品原料、餐饮单位自制食品、节日食品及食品相关产品等4大类18个品种。
主要食品原料是畜肉、禽肉、面粉、植物油、水产品、蔬菜、非发酵豆制品7个品种,餐饮单位自制食品是熟肉制品、酱腌菜、面- 1 - 制品和淀粉制品、鲜榨果蔬汁、乳制品、凉拌菜、盒饭7个品种,节日食品是元宵、粽子、月饼3个品种,食品相关产品是餐饮具1个品种。
本年度监督抽检共分4期进行,分别于3月、6月、9月和11月前进行。
每个品种分2期抽检,部分品种安排在第二期针对学校食堂的专项监督抽检。
具体抽检品种、抽检频次和检验项目见附件1。
(二)抽样数量和场所。
本年度市局安排我区共监督抽检35批次,抽样场所以集体单位食堂(含学校、托幼机构)为重点,覆盖各类餐饮单位(大型餐馆、中型餐馆、小型餐馆、小吃店、快餐店、食堂)。
被抽检场所的数量原则上每月重点场所应不少于辖区内重点场所总数的1%,其他场所不少于场所总数0.5%;全年重点场所监督抽检覆盖面达到10%以上,其中学校食堂专项抽检的覆盖率达到30%,其他餐饮业态覆盖面达到5%以上。
产商品监督抽查检验实施方案为认真履行产品质量监管职责,加强对工业品生产和流通的监督管理,规范企业生产行为和流通领域销售者经营行为,保障产品质量安全,根据《产品质量法》《产品质量监督抽查管理办法》,结合实际,制定本实施方案。
一、抽检产商品品种着重消费者反映突出的农资肥料、食品相关产品、儿童学生用品、防控产品、珠宝首饰、污染源产品等商品类别,全年计划抽检产商品13种大类别。
以食品相关产品、家具、液化气、服装鞋帽(校服)、儿童用品(玩具、童车)、床上用品、钢材、铝合金型材、电线电缆、消防安全产品、黄金首饰、汽油、柴油、肥料等为重点品种,以消费者投诉举报及日常监管执法中发现的网络交易商品质量问题为重点产品,以危及人体健康、人身财产安全的检验项目为重点指标,强化“靶向”抽检。
二、抽检地域及场所以城郊、村以及第三方网络商品交易平台等为重点领(地)域,以商场、超市、小商店、集中交易市场等为重点场所。
强化源头治理,加大对商品区域代理、批发商、仓储物流等商品集散地的抽检力度。
三、抽检项目安排及品种数量、批次1.食品相关产品40批次,检测依据GB4806.1-2016《食品接触材料及制品通用安全要求》等,检测项目使用性能、高锰酸钾消耗量、脱色试验、容量偏差、感官要求等。
2.农资肥料产品150批次,检测依据GB/T15063-2009《复混肥料》、GB/T18877-2009《有机-无机复混肥料》、GB/T20413-2017《过磷酸钙》、GB/T21633-2008 《掺混肥料》等,检测项目总养分、总氮、有效磷、氧化钾、氯离子等。
3.珠宝首饰产品40批次,检测依据《2020年XX省珠宝玉石和贵金属产品质量监督抽查实施细则》、GB11881-2012、GB/T31912-2015、GB/T16552-2017、GB/T16553-2017等,检测项目颜色、形状、透明度、光密特征、多色性、折射率、双折射率、荧光观察、红外光谱、紫外可见光谱、名称等。
餐具消毒抽检方案1. 引言在日常生活中,餐具消毒是确保食品平安和公共卫生的重要环节之一。
餐具消毒抽检方案旨在对餐具的消毒情况进行抽样检测,确保餐具消毒工作的有效性和合规性。
本文档将介绍餐具消毒抽检方案的目的、范围、抽检方法、抽检标准等相关内容。
2. 方案目的本方案的主要目的是监督和检测餐具消毒工作,确保餐具的消毒工作符合卫生标准和法规要求,保障食品平安。
通过抽检餐具,可以及时发现消毒不达标的情况,并采取相应的措施进行整改,防止食品污染和传播疾病。
3. 方案范围本方案适用于餐饮场所、食堂、餐饮企业等使用餐具进行食品加工、制作和供给的场所。
涉及的餐具包括但不限于餐盘、碗、筷子、勺子、刀叉等。
4. 抽检方法4.1 抽样方式餐具消毒抽检采用随机抽样的方式进行。
抽样应覆盖不同时间段和使用区域的餐具,以保证全面监测。
4.2 抽样数量抽样数量应根据实际情况进行合理确定。
建议每次抽检至少抽取10%的餐具进行检测,以获取可靠的抽检结果。
4.3 抽样时间抽样时间应该选择在食品加工和供给的顶峰期,以保证抽检结果的准确性和有效性。
4.4 抽样方式抽检人员应随机选择餐具,并使用干净的手套或工具将餐具放入密闭袋中。
在抽检过程中,应注意防止二次污染。
5. 抽检标准5.1 外观检查抽检餐具的外观是否完好无损,无明显污垢和异味。
5.2 消毒效果检测采用适当的方法对抽检的餐具进行消毒效果检测。
常用的方法有大肠杆菌总数检测、菌落总数检测等。
5.3 抽检结果评估抽检结果应根据相关标准进行评估。
假设检测结果满足相关标准要求,那么餐具消毒工作合格;假设检测结果不满足相关标准要求,那么需采取相应的措施进行整改。
6. 报告和整改6.1 抽检报告对每次抽检的餐具进行记录,包括抽检时间、抽检人员、抽样数量、抽检结果等信息。
将抽检结果以报告的形式备案,以备将来的查验和追溯。
6.2 整改措施假设抽检结果不达标,应立即增加消毒频率并采取相应的整改措施,如更换消毒剂、增加消毒时间等。
餐具消毒抽检实施方案一、背景介绍。
近年来,随着人们对餐饮卫生安全的重视程度不断提高,餐具消毒工作成为餐饮行业必不可少的重要环节。
为了确保餐具消毒工作的有效性和规范性,需要对餐具消毒进行抽检,以确保消毒工作的有效性和稳定性,保障食品安全,提高餐饮服务质量。
二、抽检范围。
1. 抽检对象,所有餐饮服务单位使用的餐具,包括餐厅、快餐店、食堂等。
2. 抽检内容,主要包括餐具消毒设备的运行情况、消毒剂的使用情况、消毒程序的执行情况等。
三、抽检程序。
1. 制定抽检计划,由相关部门制定餐具消毒抽检计划,确定抽检频次、抽检样本数量和抽检时间等。
2. 抽样检测,按照抽检计划,对不同餐饮服务单位的餐具进行抽样检测,确保覆盖面广,样本代表性强。
3. 抽检标准,依据国家相关法律法规和卫生标准,制定餐具消毒抽检标准,明确消毒设备运行标准、消毒剂使用标准、消毒程序执行标准等。
4. 抽检方法,采用实地抽检和实验室检测相结合的方式,对餐具消毒设备进行实地检查,对消毒剂和餐具进行实验室检测,全面评估餐具消毒情况。
四、抽检内容。
1. 检查消毒设备,检查餐饮服务单位的消毒设备是否完好,运行是否正常,消毒温度、时间等是否符合要求。
2. 检查消毒剂使用情况,检查餐饮服务单位使用的消毒剂种类、浓度、使用方法等是否符合卫生标准。
3. 检查消毒程序执行情况,检查餐饮服务单位的消毒程序是否符合规定,操作人员是否按照要求进行消毒操作。
五、抽检结果处理。
1. 合格情况,对通过抽检的餐饮服务单位给予表扬,并加强日常监督管理,确保继续保持消毒工作的规范性和有效性。
2. 不合格情况,对不合格的餐饮服务单位进行整改,要求立即停止使用不合格的餐具,并对消毒设备、消毒剂等进行整改,直至达到卫生标准要求。
六、抽检结果通报。
对抽检结果进行统计分析,及时向社会公布抽检结果,对合格的餐饮服务单位进行通报表扬,对不合格的餐饮服务单位进行通报批评,并要求其整改到位。
七、抽检总结。
厨电产品成品出厂抽查检验控制程1 目的规范成品出厂抽样检查方法,确保本公司出厂的成品质量最终满足顾客要求。
2 适用范围适用于本公司厨电产品成品的出厂抽样检查。
3 引用标准GB/T2828.1—2003 《计数抽样检验程序》4 职责4.1 品质共享部负责公司内所有成品的出厂抽样检查的实施及处理;4.2 生产部负责留放检查批的首件成品及不合格产品的原因分析和制定改善措施;4.3 实验室负责进行型式试验和定期确认检验;4.4 品质异常时,其他部门协助品质共享部及工厂制造系统妥善处理。
5 工作程序5.1 成品出厂检验(OQC)人员由经过培训的品质共享部人员担任。
5.2 检验批同型号,在基本相同的时间和一致的条件下制造的产品。
可以是同一天生产的同一种机型或连续多个工作日生产同一机型且产品组装前的零部件是同一次投料的批作为一个检验批。
但如果是第二种情况,数量超过2000台应作为不同批处理。
5.3 抽样方案5.3.1 未通过TR7和ADCP评审的新产品百台、千台试产的检查水平按一般检查水平Ⅱ(GⅡ)水平进行抽样,接收质量限(AQL)为:5.3.1.1 电气产品: A类不合格接收方案为(0,1);B类不合格AQL=4.0;C类不合格判批合格;5.3.1.2 燃气产品: A类不合格接收方案为(0,1);B类不合格AQL=4.0;C类不合格判批合格;不合格分级标准详见《产品质量审核评级指导书》;5.3.2 通过TR7和ADCP评审,由试产转为正常生产的产品的检查水平按特殊检查水平S-4水平进行抽样,接收质量限(AQL)同5.3.1;5.3.3 正常生产的产品质量异常或长期稳定的,经过制造总监批准后可按GB/T2828.1—2003 标准进行加严或放宽检验;5.3.4 电器产品、热水器、气电两用灶、灶柜一体机采用分数接受数一次抽样方案,燃气灶产品采用二次抽样方案。
5.4 出厂检验(也叫OQC检验)5.4.1 入库检验。
不锈钢家庭用品通用检测标准编号:版次:1.1日期:版次修订说明修订者日期1.1撰写审查核准人员日期1 目的(1)确定不锈钢家庭用品的一般品质要求.(2)概述产品检验标准及不良品分类标准(有特殊要求除外)。
2 产品范围不锈钢家庭用品产品包括但不限于以下产品:食物容器类:各种餐盘、饭盒、碗等食物加工类:各种刀具、炊具、锅、铲、瓢、盆等餐具类:餐刀、餐叉、餐勺、汤勺等饮用类:各种金属杯、水壶等3 抽样检测标准:(1)除规定要求进行全检或免检的产品外,其他产品一律都用抽样检验(2)抽样计划:GB/T 2828.1-2003 抽样检验用表(3)品质允收水平:总抽样数的抽样标准为一般抽样II级水平(L2),而测试或测量项目的抽样标准为特殊抽样S-2水平或S1水平,后者包含在前者的样本数内。
(4)AQL允收值如下:危险缺陷(Critical) AQL 0严重缺陷(Major) AQL 1.5轻微缺陷(Minor) AQL 2.5危险缺陷:是指任何因为不符合安全标准而导致产品危害人体的一种缺陷。
严重缺陷:是指会造成产品不能有效使用,会造成产品需要修理或更换的一种缺陷 轻微缺陷:是指产品能使用或运行,但轻微地违反产品既定标准的一种缺陷。
4 包装要求(1)所有的标贴包括说明书、警告标志、箱唛(正唛、侧唛及其他内外箱唛)、彩盒;向上标志、易碎标志、吊卡等等,必须:(i )按中文要求印刷,(ii )贴于正确位置,(iii )清晰 (2)包装的说明书、组装图必须与产品实际功能一致 (3)所有的包装材料必须全新,不能有损坏和浸湿。
(4)包装材料必须能足够保护产品在正常运输过程中不受损坏。
(5)包装及产品上的条形码必须正确及能扫描。
5 材质零件及材料要求材料要求1 产品应使用能够使成品满足于其所有性能要求的材料制造。
且所选材料在可预见的使用条件下不应释放出任何可能对健康有损害的物质,或对任何有机组织产生不良影响的成分。
2 认证要求如产品使用非通用性新材料,必须能提供权威机构出具的无毒检验证明;如客户特别指定的认证及产品销售地区的强制性认证,必须能提供产品认证证书。
饭店餐具抽查方案近年来,餐饮行业发展迅速,但也同时伴随着食品安全的风险。
为了保障消费者的身体健康,饭店需要落实餐具和环境的卫生管理。
本文从饭店的实际情况出发,提出餐具抽查方案,以确保餐具的卫生程度。
背景一些饭店因为经营不善或卫生设施不完善,餐具卫生条件较差,食客吃饭后容易感染疾病,引起连锁反应。
更为重要的是,由于顾客对食品安全的重视程度越来越高,餐饮企业应该以高标准管理自己的餐饮业务,以提高消费者的购买信任度,也是餐饮企业守护自己品牌形象的重要手段。
抽查方案抽查频率:每周至少一次抽查人员:用餐环节的工作人员采样方法:1.按照使用时间长短,对陈旧餐具着重检查。
2.对食客注意到的不干净的餐具进行检查。
3.对消毒设备的检查,并采集未消毒餐具进行检查。
检查项包括:1.除了正常的、底部不干净之外,是否有其他可见的污渍或瑕疵。
2.餐具表面有多少刮痕或划痕。
划痕是很小的凹槽和裂纹,是污垢的藏身之处。
3.所有餐具是否干燥,是否有异味。
4.检查抓把部位是否干净,容易堆积污垢。
餐具管理以上的餐具抽查方案只是验证和纠正问题的方法,餐具管理还应遵循以下基本原则:1.餐具存储在干燥、清洁、通风方便的地方。
2.在使用前应该先进行清洗,并在清洗过程中配合使用消毒设备。
3.清洗和消毒餐具后应展示出来,以便消费者检查。
4.餐具应有禁止不干净餐具使用的规定,员工应负责清理餐具并视情况餐具进行购买。
5.当发现餐具有损坏时应立即进行替换,不得继续使用。
结论饭店餐具的卫生与否对消费者的身体健康有很大的影响,也会对顾客信任度造成影响,所以餐饮企业有必要建立稳定、全面的餐具管理体系,并严格按照执法规范进行管理。
抽查作为一个纠纷解决和隐患排查的手段,要坚持每天、每周、每月要求,逐步完善制度。
只有这样,才能为消费者营造一个清洁卫生、和谐愉悦的就餐环境。