过程的监视和测量控制程序
- 格式:doc
- 大小:154.50 KB
- 文档页数:17
过程和产品的监视及测量控制程序一、引言过程和产品的监视及测量控制程序是组织内部质量管理体系的重要组成部分。
它确保组织能够及时监测和控制生产过程和产品质量,以提供满足客户需求的产品和服务。
本文将详细介绍过程和产品的监视及测量控制程序的要求和实施方法。
二、程序目的过程和产品的监视及测量控制程序的主要目的是确保组织能够:1. 监视生产过程和产品的关键参数,以及与质量相关的数据;2. 采取适当的控制措施,确保过程和产品的质量满足规定的要求;3. 及时发现和纠正生产过程中的问题,以防止不合格产品的产生;4. 持续改进生产过程和产品的质量。
三、程序要求1. 确定监视和测量的对象根据组织的业务特点和产品特性,确定需要监视和测量的过程和产品。
这些对象应该是对产品质量有重要影响的关键参数,如尺寸、重量、力学性能等。
2. 制定监视和测量计划制定监视和测量计划,明确监视和测量的频率、方法和责任人。
计划应该覆盖所有需要监视和测量的对象,并确保能够及时获取和分析监测数据。
3. 确保测量设备的准确性和可追溯性确保使用的测量设备具有准确的测量能力,并能够追溯到国家或国际标准。
定期校准和检验测量设备,记录校准结果并保留相关证明文件。
4. 采集和分析监测数据按照监视和测量计划,及时采集监测数据,并进行分析和评估。
对于超出规定要求的情况,应及时采取控制措施,防止不合格产品的产生。
5. 纠正和预防措施发现问题时,应及时采取纠正措施,消除问题的根本原因。
同时,还应根据问题的性质和影响程度,采取相应的预防措施,避免问题的再次发生。
6. 持续改进通过持续监视和测量,及时发现和纠正生产过程中的问题,并进行改进。
定期评估监视和测量程序的有效性,并根据评估结果进行必要的调整和改进。
四、程序实施方法1. 确定监视和测量的对象与相关部门和人员进行沟通,了解产品质量要求和关键参数,确定需要监视和测量的对象。
可以借助质量手册、技术规范、客户要求等文件进行参考。
文件制修订记录确定并确保质量治理体系所需的过程得到监视和测量,证实过程是否保持事实上现预期结果的能力。
采取适当措施,确保过程符合要求。
2.0范围适用于公司管理职责、资源提供、产品实现和测量有关过程的监视和测量。
3.0职责3.1 总经理领导质量管理体系过程的监视和测量工作。
3.2 管理者代表具体组织体系过程监视和测量工作。
3.3 各职能部门按照有关文件规定的职责、权限实施与部门专业(业务)管理有关的过程的监视和测量。
3.4 技术质量部是过程监视和测量的主管部门,除承担本部门的“监视和测量的控制”职责外,还负有对其他部门进行监督、检查职责。
4.0程序流程图(见附件)5.0程序5.1 总经理负责对质量管理体系进行策划,对管理评审进行策划,配置必要的资源,并按策划的时刻间隔每年举行一次治理评审会议,以确保质量治理体系连续的适宜性和有效性。
监测依据:《管理评审控制程序》5.2 管理者代表负责内部质量体系审核的策划,结合公司实际情形,确定质量治理体系所需的过程,并按策划的时刻间隔进行内部体系审核,以验证质量治理体系运行过程的有效性和符合性。
监测依据:《内部质量体系审核控制程序》5.3 技术质量部负责对产品监视和测量过程进行控制;负责监视和测量设备的控制;负责对过程进行日常的监视和测量。
5.3.1 对生产现场直接影响产品质量的诸因素(人、机、料、法、环)的日常监测由现场检验员按《过程检验规程》的要求进行检验:按《产品监视和测量控制程序》的要求正确使用产品的检验和试验状态标识;对过程检验显现的不合格品按《不合格品控制程序》进行处理。
5.3.2 技术质量部负责监视和测量设备检定、校准、台帐的建立和工装的检验检定。
5.3.3 技术质量部负责对生产过程的监视测量。
监测依据:《产品监视和测量控制程序》、《监视和测量设备控制程序》、《不合格品控制程序》、《纠正预防措施控制程序》5.4 各部门按照有关程序文件的要求,按时开展各自专业管理及检查活动,对发现的问题提出处理意见,并对有关的整改,纠正活动实施监视、测量控制并保存有关记录。
过程监视和测量控制程序
(ISO9001:2015)
1 范围
本标准规定了对公司质量管理体系过程进行监视和测量的控制要求,以证实过程实现所策划的结果的能力。
本标准适用于公司对质量管理体系过程进行监视和测量的管理。
2 职责
2.1技术质量部负责对质量管理体系有关过程进行监视和测量。
2.2 公司各部门负责与本单位有关的过程进行监视和测量。
3 工作程序
3.1为确保质量管理体系具备实现策划时所预期的结果的能力,保证质量管理体系不偏离公司质量管理体系文件的规定,最终满足顾客要求,各部门应采用适宜的方法,对本单位负责的质量管理体系有关过程进行监视、并结合部门承担的职责进行测量,以证实过程实现所策划的结果的能力。
当过程未能达到策划结果时,应及时采取相应的纠正和纠正措施,确保过程和产品的符合性。
3.2 需要进行监视和测量的质量管理体系过程包括:管理过程、产品实现过程和相关支持性过程。
在对过程进行监视和测量时,应根据过程的特点采取内部审核、管理评审、日常监督、检查、定期评审、考核评价等方法进行监视,对于可以用测量方法对过程参数或过程结果进行测量的应进行测量,以确定测量结果,评价过程的有效性。
3.3 应主要进行监视和测量的过程
3.3.1 与顾客有关的过程。
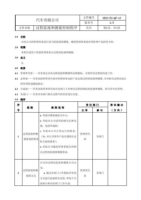
1.0目的
对本公司的管理体系进行适当的监视和测量,确保管理体系的有效性和产品的符合性。
2.0范围
本程序适用于质量管理体系全过程的监视和测量。
3.0定义
无
4.0职责
4.1管理者代表——负责设定本各过程监视和测量的业绩指标,并组织对过程的改进工作。
4.2品管部——负责协助管理者代表对管理体系包括产品实现过程的监视和测量,并对相关过程改进后
的有效性进跟踪验证。
4.3 行政部——负责协助管理者代表对各部门工作相关过程的指标的监视和测量,即月评审会管理。
4.3各部门――负责对本部门相关过程中的差异进行改进。
7.0 相关记录表单
无
附录1:
8.0修改一览表。
公司质量管理过程和产品的监视和测量控制程序1. 目的通过对产品实现的必需过程进行监视和测量,以确保满足顾客的要求,对产品特性进行监视和测量,以验证产品符合规定要求。
2.适用范围适用于本公司产品实现过程持续满足预定目标的能力和用于生产的产品进行监视和测量的控制。
3.职责综合部负责对质量管理体系各过程进行监控。
生产部负责产品特性的监控和测量。
4.工作程序4.1过程的监视和测量过程的监视和测量包含对质量管理体系过程活动的监视和测量及对产品实现过程的监视和测量。
4.1.1对质量管理体系过程活动的监视、测量,可采用调查、了解、分析的方法,每年进行一次。
4.1.2对产品实现各过程的监视、测量,根据本公司的实际情况,确定为“焊接、组装、调试”过程进行重点监视和测量。
质检部负责制定焊接、组装、调试的技术规范、测试指标及数据记录等。
4.1.3生产过程的测量和监视a) 生产部门负责使用控制图,对质量形成的关键过程进行测量,对图形数据分布进行趋势分析,明确过程质量和过程实际能力之间的关系,以确定需要采取纠正或预防措施的时机。
b) 当过程产品合格率接近或低于控制下限时,生产部门应及时发出《纠正预防措施实施单》,定出责任部门,对其从人、机、料、法、环等方面分析原因、制定和实施4.2 产品的监视与测量4.2.1综合部编制检验指导书,明确检验点、控制频率、抽样方案、控制项目、监测方法、使用的计量器具设备等。
4.2.2进货验证对购进的材料,仓库管理员核对送货单,确认财产品名、规格数量等无误后,置于待检区或挂上“待检品”牌予以标识和区分。
并填写《送检单》交有关部门检验,具体内容见《采购控制程序》。
4.2.3半成品的监视和测量4.2.3.1对于生产和组装线上的产品,按规定要求设置质量控制点,按规定间隔依检验规程对产品进行监视和测量。
进行检验,经检验合格,在产品上贴上工号标签,对关键过程由检验员进行检验,在产品上贴上检验员工号标签,方可转入下道工序,如不合格则执行《不合格品控制程序》。
监视和测量控制程序1.目的为了确保产品和服务要求得到满足,应在产品生产和服务过程中,对产品的特性和服务质量进行监视和测量。
2.适用范围适用于对工程施工、验收和售后服务的日常监控和测量工作。
3.职责3.1项目部、子公司负责对施工过程中的质量进行监视和测量。
3.2物业子公司负责对物业管理服务的工作质量进行监视和测量。
3.3品质部负责对各部门的工作质量进行监视和测量。
3.4各部门负责职责范围内工作质量进行监视和测量。
4.工作程序4.1工程施工的监控和测量。
4.1.1材料进货验证对进场的工程建设所需材料、设备、物资要进行检验、验证。
验证合格贴上合格标签,准于施工使用;验证不合格的,按《不合格品控制程序》处置。
4.1.2阶段检查验收4.1.2.1各阶段的施工符合规定要求时,项目部、子公司组织有关人员进行验收。
4.1.2.2验收内容a.基槽验收主要检查基槽土质情况;b.主体封顶验收主要对混凝土外观、各轴线间距、梁柱截面尺寸及质量记录资料等情况的检查;c.竣工验收是对单体工程及其配套工程和工程相关资料的全面检查。
4.1.2.3为不影响产品的交付使用时间,项目部、子公司可决定组织有关人员进行中间结构验收。
4.1.3验收评审进行现场实测检查后,验收小组召开评审会议,以会议记录的形式如实的记录验收情况。
验收合格的,准许进入下道工序,不合格的按《不合格品控制程序》处置。
4.1.4日常检查为确保工程质量,品质部组织相关部门对工程施工进行定期和不定期检查。
4.1.4.1检查内容包括工程项目的质量及上次发现的问题的改进情况。
4.1.4.2检查时间项目总监按照检查规定的内容,每月对工程进行定期检查,对现场管理作综合考评。
4.1.4.3检查方法和要求a.在定期检查时,通过检查记录(包括监理单位与工程管理部门)、现场办公例会的会议纪要和工程现场加以确认,实事求是的予以评价,并作好检查记录。
b.在检查过程中发现的不合格品,按《不合格品控制程序》执行。
1目的对产品实现的必须的过程进行监视和测量,以确保满足顾客的要求;对产品特性进行监视和测量,以确保满足顾客的要求;对产品特性进行监视和测量,以验证产品要求得到满足。
2范围适用于对产品实现过程持续满足其预定目的的能力进行确认;对生产所用原材料生产的半成品和成品及采购产品进行监视和测量,其它物项的监视和测量可照相关条款执行。
3总则3.1监视和测量应遵循下列要求:1)国际国内标准2)合同要求3)有关法规3.2通过监视和测量确保不合格原材料不准投产;不合格半成品不准转序;不合格成品不准入库或销售。
3.3职责质量部负责对过程和产品的监视和测量。
在产品实现过程的各个阶段的最终接收应由与产品生产的操作或直接监督无关的人员来执行。
4程序4.1过程的监视和测量4.1.1生产部负责识别需要进行监视和测量的实现过程,它包括产品实现过程,也包括公司根据产品特点策划的各过程,特别是生产和服务运作的全过程。
4.1.2.过程持续满足预定目的的能力,是指过程实现产品并使其满足要求的本领。
4.1.3与质量相关的各过程应根据组织总目标进行分解,转化为本过程具体的质量目标,如生产部的工序产品合格率技术部的设计输出文件失误率、市场部采购产品的合格率、市场部的销售指标及顾客服务满意率等。
为保证目标的顺利完成,需进行相应的监视和测量:A)当过程产品合格率接近或低于控制下限时,质量部应及时发出“纠正预防措施表”,定出责任部门,对其从人员、设备、原材料、各类规程、生产环境及检验等方面分析原因并采取相应的措施。
B)当需要采取改进措施时,质保部制定相应的改进计划,经管理者代表审核,总经理批准后,交责任部门实施,质保部负责跟踪验证实施效果。
4.1.4应保留有效的对过程监视和测量的参数更改记录。
4.2产品监视和测量4.2.1质量部负责编制各类检测规程,明确检测点、检测频率、抽样方案、检测项目、检测方法、判别依据、使用的检测设备等。
4.2.2进货验证4.2.2.1原材料的监视和测量4.2.2.1.1供销部采购的原材料到厂后,先放入原材料待检区,市场部的采购员向质量部报验,填写“报验单”。
编写:文件号:-1审核:版本/修改:A/0批准:页次:1/21.0目的对生产过程实施监视和测量,为确保产品生产过程受控,满足产品质量要求。
2.0范围本程序使用对产品实施过程,持续满足其预定目标的能力确认,可适用于每个生产部门的能力的控制。
3.0定义过程能力:一个稳定过程的固有精细差的总范围。
4.0职责4.1技术部负责指定各生产部门的过程监视和测量的作业指导书。
4.2质量部负责过程能力的分析和测定,以及本程序的实施和管理。
4.3技术部负责设备机器能力的测定和分析,并向质量部提供测定数据。
4.4质量部巡检员负责提供生产过程中的测量数据,并制作控制图。
5.0程序5.1过程能力的监视和测量5.1.1技术部根据控制计划的要求编制各生产工序的作业指导书,并确保所有文件到达生产现场。
5.1.2对所有汽车行业新产品和新的生产过程,项目小组/技术部应编制三个阶段(样件、试生产、生产)的控制计划,对于控制计划中规定的产品特殊特性及特殊工序以具体情况制作相关控制图,并进行过程能力Cpk测定,一般工序以作业指导书控制。
5.1.3生产现场的操作人员根据文件规定的产品特性或过程特性进行过程数据的测定。
5.1.4质量部根据生产现场制作的控制图进行过程是否受控的分析,并计算过程Cpk。
◆当过程能力Cpk>1.67表示过程受控◆当过程能力Cpk≤1.33表示过程不受控,应启动反映计划,由项目小组/技术部改进控制方法,采取纠正措施,若措施无效时,必须对产品进行100%检验,以确保产品满足顾客的需求。
◆当过程能力Cpk≥3时,表明过程能力过剩,考虑到为了减少设备的投入,节省成本,与顾客协商可以适当降低过程能力。
5.1.5生产现场应保持在产品投入前生产件批准时(PPAP)的过程能力,一旦在生产过程中操作人员发现特殊变异情况,应及时采取措施纠正,当发现几种非随机现象时,应立即与质量管理人员联系,便于及时解决问题。
5.1.6质量部质量管理人员应经常检查生产过程的控制情况,便于发现问题,并对操作人员测定数据和制作控制图进行监控。
1 目的对产品实现的必须的过程进行监视和测量,以确保满足顾客的要求;对产品特性进行监视和测量,以验证产品要求得到满足。
2 范围适用于对产品实现过程持续满足其预定目的的能力进行确认;对生产所用原材料、生产的半成品和成品进行监视和测量。
3 职责3.1 质量部门负责对过程进行监视和测量。
3.2质量部门负责对产品进行监视和测量。
4 程序4.1过程的监视和测量4.1.1 质量部门负责识别需要进行监视和测量的实现过程,它包括产品实现过程,也包括公司根据产品特点策划的各过程和子过程,特别是生产和服务运作的全过程。
4.1.2过程持续满足预定目的的能力,是指过程实现产品并使其满足要求的本领。
4.1.3与质量有关的各过程应根据组织总目标进行分解,转化为本过程具体的质量目标,如各车间的一次交验合格率、质量部门的文件更改完整率、销售部的物资到货合格率、销售部的合同履行率及顾客满意度等。
为保证目标的顺利完成,需进行相应的监视和测量;4.2 产品的监视和测量4.2.1技术质量部门负责编制各类检验规程,明确检测点、检测频率、抽样方案、检测项目、检测方法、判别依据、使用的检测设备等,质量部门负责按检验规程进行检验,并对检验人员进行授权。
4.2.2进货验证4.2.2.1对购进物资,采购部核对供方送货单,确认物料品名、规格、数量等无误、包装无损后,采购部填写“原材料检查报告单”内“供方名称”、“产品名称”、“数量”、等栏目后,交质量部门。
4.2.2.2检验员接采购部“原材料检查报告单”,按对应的检验要求进行检验,并填写“原材料检验报告单”中的检验项目及结论栏目。
a)若“原材料检验报告单”的结论为:合格,由检验员贴合格标识,同时检验员在“原材料检查报告单”上签字,交采购部/库房办理入库手续。
b) 若“原材料检验报告单”的结论为:不合格,由检验员作不合格标识,并将“原材料检验报告单”交质量部,按《不合格平控制程序》执行。
4.2.2.3 紧急放行:本公司不允许紧急放行。
过程的监视和测量程序在各个行业,监视和测量过程的程序非常重要。
无论是生产制造、科研实验还是安全控制,都需要对过程进行监视和测量,以确保过程的稳定性和安全性。
本文将介绍一些过程的监视和测量程序,以及它们的作用和实施方法。
过程监视程序过程监视程序是指对生产过程中的关键参数进行实时监控的程序。
这些关键参数可能包括温度、湿度、压力、流量等多种参数。
为了确保生产过程的稳定性和质量,这些参数必须被准确地监测和控制。
温度监测程序温度是生产过程中最基本的一个参数,因此,温度监测程序的重要性不言而喻。
温度监测程序可以根据生产过程的需要,实时监测和控制温度。
这些程序可以使用数字温度计、红外线温度计、热电偶等多种设备进行测量。
湿度监测程序湿度是另一个十分重要的参数,湿度监测程序可以确保在生产过程中环境的湿度处于适宜的范围内。
过高或过低的湿度都可能会对生产过程产生影响。
在一些特殊的行业,如制药和电子行业,湿度的控制尤为重要。
压力监测程序在一些特殊的生产过程中,压力是一个必须被控制和监测的参数。
比如说,在石化和燃气行业中,压力监测程序可以确保设备在安全范围内运行,避免发生爆炸和其他安全事故。
流量监测程序在大多数生产过程中,流量也是一个必须被控制和监测的参数。
流量监测程序可以确保生产过程中的物料流动正常。
在食品和饮料行业中,流量监测程序可以确保分配的份量准确,保证产品质量。
过程测量程序过程测量程序是指对生产过程中的某些参数进行定期测量。
这些参数可能是温度、压力、湿度等多种参数。
定期测量这些参数可以帮助生产部门了解生产过程的实际情况,以便及时做出调整。
温度测量程序温度测量程序可以使用数字温度计、红外线温度计、热电偶等设备进行测量。
在进行温度测量之前,一定要对设备进行校准,确保测量结果的准确性。
压力测量程序压力测量可以通过压力计等设备进行测量。
压力计可以用来测量生产过程中的气体压力、液体压力等多种压力。
湿度测量程序湿度测量程序可以使用湿度计等设备进行测量。
过程监视和测量控制程序The document was prepared on January 2, 2021过程监视和测量控制程序1 目的对质量管理体系过程进行适当的监视和测量,以证实过程实现预期结果的能力,并确保产品的符合性.2 范围适用于对质量管理体系的所有过程,包括质量目标的监视和测量.3 职责作业员负责一般工序与特殊工序的产品生产的设置与监视及产品的自检.生产部班组长与品质部过程巡检员负责工艺纪律抽查.过程检验员负责特殊工序生产条件的确认与监视、一般工序的首检与巡检、不合格品的控制.品质部过程检验员负责对工序监视的分析与改进.品质部、生产部与技术部工程科等负责对工序的有效性与效率的测量.管理部负责对公司质量目标完成情况的统计.各岗位工作人员负责对本岗位工作的监督、对下属岗位工作的检查、对相应质量目标完成情况的统计.4 工作程序生产提供过程的监视和测量生产提供过程的监视特殊过程的作业人员在每日生产之前、生产条件变换或调整后再开始生产作业,均要按过程作业指导书的要求做好生产准备,通知过程检验员予以确认,检验员确认无误后方可进入批量生产,检验员须将确认结果纪录于过程检验记录表中.特殊过程的作业员在生产过程中须随时抽查生产条件是否变化、是否满足工艺要求,发现异常则立即予以调整,同时将产品予以隔离标示并应追溯至必要的阶段,及时报告品质部部长处理.过程检验员每两小时对生产条件检查一次,并记录于过程检验记录表中,若发现异常,则立即通知作业员予以注意,并及时调整,相应的产品予以隔离标示,并及时报告品质部部长处理,必要时须按纠正和预防措施及持续改进程序的要求实施纠正措施.一般过程非特殊过程的作业员在每班刚开始生产、生产条件变换或调整后再生产时,均按过程作业指导书的要求设置好生产条件并生产出首件产品后,首先由作业员进行自检,自检合格后则通知过程检验员进行检验,检验合格后方可进入批量生产,并按过程检验规范的要求予以记录.一般过程的作业员在生产过程中须随时抽查生产条件是否变化、是否满足工艺要求,并按过程检验规范的要求予以自检或互检,如发现异常则立即予以调整,并将产品予以隔离标示,通知过程检验员进行处理.过程检验员则按过程检验规范要求的频率对产品进行巡检,并同时确认生产条件,若发现异常则立即通知作业员并予以调整,同时将产品予以隔离标示,按不合格品控制程序进行处理,必要时须按纠正和预防措施及持续改进程序的要求实施纠正措施.生产班组长每班对本班各道工序的生产工艺的执行情况各抽查两次,包括对安全技术操作规程的遵守情况,并记录于工艺纪律抽查记录表中.如发现异常须及时要求作业员予以纠正,并通知过程检验员对产品的符合性进行加严检查,必要时责任人员须按纠正和预防措施及持续改进程序的要求实施纠正措施,此种工艺纪律检查应作为对作业员考核的依据之一.在发现异常的情况下,应考虑适当增加抽查的频率.生产部主管须每天审阅工艺纪律抽查记录表以了解工艺规范的执行情况,并每周抽查两次,记录于工艺纪律抽查记录表中,以对工艺规范的执行与抽查情况予以验证,并作为对作业员及班组长考核的依据之一.如部分生产条件如部分工艺参数需通过必要的物理试验或化学分析才能予以确认时,则对该类生产条件应按照规定的频率予以确认,但在考虑作为过程监视的试验或分析方法时应注意时效性.品质部部长应经常对过程监视及过程检验的记录予以分析,掌握生产条件变化的规律,并与过程控制规范相比较,以不断改进过程控制方法,在适当时应尽量考虑采用防错、自动控制等方法来监视生产过程以不断改进过程监视的有效性和效率.生产提供过程的测量对于关键过程与重要的产品质量特性,有关部门应考虑采用必要的统计技术应用于过程的测量与监视,如在对过程进行设计和开发时计算其工序能力指数以验证过程能力是否达到规定的要求,在过程控制中采用控制图等方法以持续监视过程的稳定性与过程能力等.品质部每月根据检验记录对各产品各工序的合格率进行统计,必要时还可以根据不同的不合格类型分别统计不合格率,并与制定的质量目标进行比较,以掌握过程的有效性.生产部与技术部等部门每月根据相关的记录统计各产品产量、工时、材料消耗、设备计划内停机率与计划外停机率指标,并根据工时定额、材料定额等分别计算适当的人员、设备及材料消耗的效率或有效性指标.其他过程的监视和测量对于生产提供过程以外的其他过程,如销售、设计、采购、计划、工程、人事等过程的监视和测量规定如下:对于涉及到不同岗位的过程,则在过程运行中,按照过程流程的顺序,由后续流程的岗位对前面流程的岗位的工作符合性进行检查,形成相互监督的机制,对于发现到的异常现象,则以一定的形式通知相关人员予以纠正参见信息交流控制程序,必要时须按纠正和预防措施及持续改进程序的要求实施纠正措施.对相关岗位工作的监督作为对该岗位工作人员考核的重要依据之一.每月月底,由各岗位的直属主管就该岗位一个月来的工作质量情况进行检查,形成岗位工作月度检查记录,发现异常情况时,须立即要求有关人员予以纠正,必要时按纠正和预防措及持续改进程序的规定要求其实施纠正措施.岗位工作月度检查情况是对该岗位工作人员考核的重要依据之一.质量目标实施的监视和测量各相关职能部门每季度根据分解到本部门各适当层次的年度质量目标与各产品质量目标的具体指标统计相应的完成情况,形成部门质量目标完成情况统计表并送交管理部,管理部根据各部门质量目标的完成情况,形成公司质量目标完成情况统计表,并将汇总的各部门与公司的质量目标完成情况报送总经理.对于未完成质量目标的情况,由总经理组织有关部门起先原因分析,并按纠正和预防措施及持续改进程序的要求落实纠正措施,质量目标的完成情况亦是岗位工作人员考核的重要依据之一.5 相关/支持性文件纠正和预防措施及持续改进程序裁线过程IPQC检验指导卡片压接过程IPQC检验指导卡片装配过程IPQC检验指导卡片成品OQC检验指导卡片逐批QA检验指导卡片AVA0/-2004 不合格品控制程序AVA0/ 信息交流控制程序6 质量记录Q/AVA0·JL—09 过程检验记录单Q/AVA0·JL—09 巡回检验记录单Q/AVA0·JL—09 成品检验记录单Q/AVA0·JL—09 端子压接首件封样单 Q/AVA0·JL—09 装配首件封样单Q/AVA0·JL—09 让步放行审批表Q/AVA0·JL—09 送检单。
生产监视和测量控制程序一、引言生产监视和测量控制程序是指在生产过程中监视,并对产品进行测量和控制的程序。
该程序的目的是确保产品符合相关法规、标准和客户的要求,以提高产品质量和生产效率。
二、程序概述生产监视和测量控制程序包括以下几个方面:- 生产计划核实:在生产开始前,核实生产计划是否符合要求,并对生产任务进行分配。
生产计划核实:在生产开始前,核实生产计划是否符合要求,并对生产任务进行分配。
- 生产过程监视:在生产过程中,对生产环节进行监视,及时发现问题并进行处理。
生产过程监视:在生产过程中,对生产环节进行监视,及时发现问题并进行处理。
- 产品测量和检验:对生产的产品进行测量和检验,并比对标准和规范进行确认。
产品测量和检验:对生产的产品进行测量和检验,并比对标准和规范进行确认。
- 控制措施实施:对于发现的问题,制定相应的控制措施,并及时实施跟进。
控制措施实施:对于发现的问题,制定相应的控制措施,并及时实施跟进。
- 纪录和报告:对于生产过程的各个环节,要及时记录并报告相应信息。
纪录和报告:对于生产过程的各个环节,要及时记录并报告相应信息。
三、程序实施生产监视和测量控制程序的实施需要遵循以下几个原则:- 标准化:根据标准和要求制定生产流程和相关程序,确保生产过程规范化。
标准化:根据标准和要求制定生产流程和相关程序,确保生产过程规范化。
- 全员参与:生产监视和测量控制程序不仅是质检人员的工作,所有参与生产的人员都应该参与其中。
全员参与:生产监视和测量控制程序不仅是质检人员的工作,所有参与生产的人员都应该参与其中。
- 持续改进:在实施生产监视和测量控制程序的过程中,应不断总结经验并进行改进,以提高程序的有效性和适用性。
持续改进:在实施生产监视和测量控制程序的过程中,应不断总结经验并进行改进,以提高程序的有效性和适用性。
四、结论生产监视和测量控制程序是生产过程中重要的一环,只有实施了该程序,才能确保产品的质量和生产效率。
修订履历1.目的对质量管理体系各个过程进行监视和测量,对产品特性的监视和测量进行策划,并在工程实现过程的适当阶段,依据策划的安排对产品特性进行监视和测量,以验证产品要求是否得到满足。
2.范围适用于公司承包工程项目的来料、过程和最终产品的监视和测量的控制。
适用于质量管理体系各个过程以及施工所用原材料、过程产品和成品的测量和监视。
3.职责3.1行政财务部负责对过程的监视和测量3.2工程部负责对安全技术防范系统设计、施工、维修所需的原材料、施工过程、及施工完工的最终检验。
3.3研发部负责计算机软件的监视和测量4.工作程序4.1过程的监视和测量。
4.1.1管理者代表负责识别要进行的监视和测量的公司各个过程,包括管理职责,资源管理,产品实现,测量分析、改进四大过程。
4.1.2管理者代表应根据公司质量目标进行分解,转化为部门具体的质量目标,如工程部的工序产品合格率、采购部采购产品的合格率、客服部的顾客服务满意率等。
为保证目标的顺利完成,管理者代表应进行定期的检查和考核。
4.1.3工程部对施工过程的监视点实施监控,并对各过程的监视结果(包括运行状况、对过程能力和过程输出的监视结果等)的数据分布趋势进行分析,明确过程质量和过程实际能力之间的关系,以确定需要采取纠正措施的时机。
4.1.4当过程产品合格率接近或低于控制下限时,工程部应及时发出“纠正和预防措施处理单”,定出责任部门,对其人员、设备、原材料、各类作业指导书、生产环境及检验方面分析原因并采取相应的措施;当需要采取改进时,工程部制定相应的改进计划,报管理者代表审核,总经理批准后,交责任部门实施,工程部负责跟踪验证实施效果。
4.2产品的监视和测量4.2.1产品的监视和测量包括:来料的监视和测量、过程的监视和测量、最终的监视和测量。
4.2.2在对产品实施监视和测量前,应对产品的监视和测量进行策划(即根据产品或过程的重要程度、客户的要求、法律法规要求等来确定监视测量点的设置、测控所用文件、验收准则等内容),策划的结果应作出规定,必要时形成文件。
过程监视和测量控制程序1目的通过对质量管理体系及其过程、产品和服务、应对风险和机遇的结果进行监视和测量,以判定其是否处于正常状态,及时发现异常状态或趋势,以及时采取措施,确保质量管理体系满足预期要求。
2适用范围本文件适用于公司质量管理体系运行全过程的监视和测量。
3职责3.1 品质部为过程的监视和测量的归口管理部门。
3.2 各相关部门负责分管过程的监视和测量工作。
4工作程序4.1 总要求品质部负责策划并组织实施过程的监视和测量,各职能部门按照职责对所负责的过程进行监视和测量,并保持过程的监视和测量的记录以及采取措施的记录。
4.2 控制要求4.2.1 品质部a)应对公司质量目标的完成情况进行统计分析,对未达到预期目标的项目,要求责任部门分析原因、制定措施,确保公司质量目标的实现。
b)应收集公司各部门的质量信息,对质量处理、传递和利用情况、质量管理体系年度改进计划的实施情况及纠正和预防措施的制定和实施进行监督检查,以确保质量管理体系不断持续改进。
c)通过检验和试验,监视和测量产品的符合情况;通过工艺监督、过程检验监视生产过程的受控情况;d)及时对检验规范的完整、可操作性及准确性进行监督检查,确保检验规范能正确指导检验;e)定期对产品检验的错、漏检情况进行统计,确保检验工作质量满足策划的结果。
f)对监视和测量设备环境条件进行监督检查,确保测量数据的准确性;g)定期对监视和测量设备的校准或检定合格情况进行测量,确保在用监视和测量设备处于受控状态,对校准或检定发现不符合要求的监视和测量设备应组织有关部门与人员对以往测量结果的有效性进行评价;4.2.2 行政部a)每半年对各部门质量目标完成情况进行监督检查并考核,对未达到预期目标的部门责成其分析原因、采取措施,以确保质量目标的完成。
b)应通过内部质量体系审核、日常监督检查对质量管理体系运行情况进行监视,对发现的不符合事实责成有关部门制定纠正措施,并对措施的实施情况进行验证。
过程监视和测量控制程序(IATF16949-2016)1.目的规定对产品的特性进行监视和测量,以验证产品已满足规定的要求。
2.范围适用于本公司从原材料进厂到产品出厂全过程的监视和测量。
3.定义无4.职责4.1品管部负责产品实现过程中从原材料进货到产品交付的全程检验。
4.2技术部负责提供产品标准等必要的技术文件。
4.3生产部负责生产过程的自检。
5.程序内容5.1技术部根据产品的需要确定必要的检验和试验手段并提供产品标准等必要的技术文件。
5.2品管部根据技术部的策划安排品管员,品管员应通过专业培训经考核合格,并授权。
5.3品管部按技术部提供的产品标准及检验标准制定作业指导书,适当时也可直接利用产品标准或检验标准。
作业指导书须经品管部主管核准后方可生效。
5.4计数数据接受抽样计划的接受准则必须是零缺陷,除此以外的接受准则必须经顾客批准。
5.5进料检验.(附页一:进料检验流程图)5.5.1品管部应根据原材料对产品质量的影响程度制定“原材料分类表”,确定需检验的原材料范围。
5.5.2需检验范围之内的原材料必须经规定的检验合格后方可投入使用,需检验范围之外的原材料品管员应检查其合格证后方可接收使用。
5.5.3对于重要原材料,如:铝锭,必须要厂家提供合格证明,并要对其进行检验以验证合格证的真实性。
5.5.4如因生产急需来不及验证需放行时,生管课应按《应急计划》规定办理手续。
相关部门应对该产品作出明确标识,并作好记录,以便一旦发现不符合规定要求时,能立即更改和更换。
5.5.5原材料进厂后,仓管员应将其堆放在指定区域,并填写“送检单”通知品管员检验。
5.5.6品管员接“送检单”后,根据检验标准及作业指导书的规定进行检验,并做好相应检测记录。
5.5.7原材料经检验合格品管员应及时通知仓库管理员入库,并按《标识和可追溯性程序》予以标识。
5.5.8经检验不合格的原材料按《标识和可追溯性程序》予以标识及隔离,并按照《不合格品控制程序》处理不合格品。
过程和产品的监视及测量控制程序过程和产品的监视及测量控制程序是为了确保产品质量和过程稳定性而制定的一系列规范和流程。
该程序的目的是监视和测量生产过程中的关键参数,并对产品进行质量控制,以确保产品符合预期的质量要求。
一、监视过程1. 设定监视指标:根据产品的特性和质量要求,制定相应的监视指标,例如温度、压力、湿度等。
2. 确定监视频率:根据产品的特性和生产过程的稳定性,确定监视的频率。
对于稳定的过程,可以采用定期监视;对于变化较大的过程,可以采用实时监视。
3. 监视方法:选择适当的监视方法,例如使用传感器、仪器设备等进行监视。
确保监视方法准确可靠,能够及时反映过程的变化。
4. 监视记录:对每次监视结果进行记录,包括监视时间、监视数值、监视方法等。
记录应保存完整,以备后续分析和追溯。
5. 监视数据分析:对监视数据进行分析,判断过程的稳定性和产品的质量。
如果发现异常情况,应及时采取措施进行调整和改进。
二、测量控制1. 确定测量参数:根据产品的特性和质量要求,确定需要测量的参数,例如尺寸、重量、含量等。
2. 确定测量方法:选择适当的测量方法,例如使用测量仪器、设备等进行测量。
确保测量方法准确可靠,能够满足产品质量要求。
3. 确定测量频率:根据产品的特性和生产过程的稳定性,确定测量的频率。
对于稳定的过程,可以采用定期测量;对于变化较大的过程,可以采用实时测量。
4. 测量记录:对每次测量结果进行记录,包括测量时间、测量数值、测量方法等。
记录应保存完整,以备后续分析和追溯。
5. 测量数据分析:对测量数据进行分析,判断产品的质量是否符合要求。
如果发现异常情况,应及时采取措施进行调整和改进。
三、控制措施1. 过程控制:基于监视和测量结果,对生产过程进行控制。
根据过程的变化,及时调整操作参数,确保过程稳定性和产品质量。
2. 产品控制:基于测量结果,对产品进行控制。
如果产品不符合质量要求,应及时采取措施进行调整和改进,确保产品质量。
过程监视和测量控制程序过程监视和测量控制程序在各个行业中起着至关重要的作用。
它们是为了确保生产过程中的质量控制和改进而制定的一系列程序。
本文将介绍过程监视和测量控制程序的定义、重要性以及实施过程中需要注意的事项。
一、定义过程监视和测量控制程序是一套用于监控和测量生产过程中各个环节的程序。
它们旨在确保产品或服务符合预期质量标准,并提供数据以支持过程改进。
这些程序可以包括监控生产设备、记录关键参数、执行统计分析以及采取纠正措施等。
二、重要性1. 确保产品质量:过程监视和测量控制程序允许企业及时发现并纠正生产过程中的问题,确保产品的质量符合要求。
通过监测关键参数,及时调整生产设备,可以最大程度地减少产品缺陷和不合格率。
2. 提高过程效率:通过对生产过程的监视和测量,企业可以了解每个环节的效率和稳定性,并及时发现并解决效率低下或不稳定的问题。
通过对关键参数的测量和分析,可以优化生产过程,提高生产效率。
3. 支持持续改进:过程监视和测量控制程序提供了大量的数据和信息,可以用于分析生产过程的偏差和变异,并为持续改进提供依据。
通过分析数据,企业可以确定关键影响因素,并制定改进措施,从而不断提高产品和过程的质量。
三、实施注意事项1. 确定关键参数:在制定过程监视和测量控制程序之前,需要先确定关键参数。
这些参数应该是对产品质量影响最大的因素,如温度、湿度、压力等。
通过对这些关键参数的监视和测量,可以有效控制生产过程。
2. 确定监控频率:不同的环节和参数需要不同的监控频率。
一些需要实时监控的参数可以设置更高的频率,而一些稳定性较高的参数可以适当降低监控频率。
根据实际情况,合理安排监控频率可以提高效率。
3. 制定纠正措施:当监测数据发现过程中出现偏差或问题时,需要制定相应的纠正措施。
这些措施可能包括调整设备、更换材料或进行员工培训等。
制定明确的纠正措施可以快速解决问题,保证生产过程的稳定性。
4. 建立记录和报告机制:过程监视和测量控制程序需要建立完善的记录和报告机制,以保证数据的准确性和及时性。
过程的监视和测量控制程序
(QGB/QC8.2-2011-R1)
一、目的
对公司质量管理体系的过程进行监视和测量,以验证过程实现所策划结果的能力,并确保产品的符合性。
二、适用范围
公司质量管理体系过程的监视和测量,主要包括以下几个方面:
1.合同管理过程
2.设计和开发过程
3.采购和外包过程
4.生产过程
5.服务过程
6.管理过程
7.资源管理过程
三、职责范围
1.总师办应准确把握用户的需求,密切与用户的沟通,及时提供满
足用户要求的产品和服务。
2.总师办和工程技术部负责设计出高水平、有竞争力的产品,并对
设计造成的问题和缺陷进行统计、分析和评价,新技术、新工艺的应用,取得的成果和效益。
3.计划供应部应确保供方评价、定点采购和满足产品的要求,供应
是否及时,统计进货检验合格率和性价比,对外包产品的进行控
制。
4.工程技术部应确保持续、稳定地提供合格产品,按相关工艺要求
进行生产,生产环境的良好率。
5.售后部应及时、准确地获取、分析和利用用户满意信息,进行持
续改进,增强用户满意。
6.各部门应确保管理的高效率和有效性。
7.设备动力室应做好设备的维护,经理/人力资源部应测量公司各岗
位人力资源的配备、各类人员能力的考核和培训。
四、过程的监视和测量
1.合同管理过程的监视和测量
1.1.项目:
a)合同履行率
b)用户检验合格率
1.2.方法
a)按期履行合同数/应履行合同总数*100%
b)用户一次检验合格数/用户检验总数*100%
1.3.频次
每半年检查一次以上各个项目的情况。
1.4.判定准则
是否满足策划的预期目标要求。
2.设计和开发过程的监视和测量
2.1.项目:
a)设计和开发的缺陷率
b)新技术、新工艺的采用
2.2.方法
a)设计和开发缺陷的产品数/设计和开发的总产品数*100%、设计和
开发缺陷的分析报告、改进报告
b)取得的成果和经济效益统计
2.3.频次
每年检查一次以上各个项目的情况。
2.4.判定准则
是否满足策划的预期目标的要求,有设计和开发缺陷的产品能否提供其分析报告、改进报告。
3.采购和外包过程的监视和测量
3.1.项目:
a)供货及时率
b)采购产品问题率(包括退货率、维修率)
c)外包过程控制
3.2.方法
a)及时供货的产品数/供货产品总数*100%
b)采购的有问题产品数/采购产品总数*100%
c)外包过程控制要求、控制记录,外包按时交付情况、产品质量情
况
3.3.频次
每半年检查一次以上各个项目的情况。
3.4.判定准则
是否满足策划的预期目标的要求,能否及时供应,外包过程的记录完整性、质量数据统计。
4.生产过程的监视和测量
4.1.项目
a)工艺纪律执行率(生产现场使用的所有文件图纸是否现行有效)
b)质量损失
c)生产环境良好率
4.2.方法
a)按工艺纪律进行生产的项目数/生产项目总数*100%
b)生产过程中发生的质量损失费用
c)6S检查
4.3.频次
每半年检查一次以上各个项目的情况。
4.4.判定准则
是否满足策划的预期目标的要求,质量损失是否符合要求,生产环境按6S要求。
5.服务过程的监视和测量
5.1.项目:
a)用户意见/投诉的处理
5.2.方法
a)用户意见/投诉的分析报告、解决方案以及用户反馈
5.3.频次
每年检查一次以上项目的情况。
5.4.判定准则
是否满足策划的预期目标的要求,对于用户意见/投诉的处理报告。
6.管理过程
6.1.项目:
a)职责、权限是否明确、分配合理;管理职责的落实与效果
b)内部沟通、处理问题的及时性和效果
c)质量目标设置是否完善、合理,具有可测量性
d)质量目标是否结合各自职责分解落实到各职能部门和层次
e)质量目标是否按策划结果定期考核/测量
f)未实现质量目标时,是否采取纠正措施
g)管理评审是否按规定实施
h)管理评审输入是否符合要求,有无改进建议
i)管理评审输出有无改进决定
j)改进决定是否执行;改进措施的有效性
6.2.方法
a)日常工作检查
b)内审、管理评审
c)查公司的质量目标
d)查各职能部门和层次的质量目标
e)查质量目标考核/测量记录
f)查相关纠正措施实施记录
g)查管理评审计划与记录
h)查管理评审输入资料
i)查管理评审报告/输出资料
j)查改进措施实施及其有效性评价记录
6.3.频次
每年检查一次以上各个项目的情况。
6.4.判定准则
是否满足策划的预期目标的要求。
7.资源管理过程
7.1.项目:
a)生产用设备完好率
b)生产用设备按期定检率
c)培训计划和完成率
d)培训合格和有效率
7.2.方法
a)完好的设备数/设备总数*100%
b)按期定检的设备数/需定检设备总数*100%
c)相关培训计划和培训记录,培训实施数/计划培训数*100%,参加
培训人数/应培训人员*100%
d)培训有效性评价记录,培训合格人次/培训参与人次*100%
7.3.频次
每年检查一次以上各个项目的情况。
7.4.判定准则
是否满足策划的预期目标的要求,各岗位能力考核记录,相关的培训计划文件和培训记录,培训有效性的评价记录。
五、相关文件
公司质量管理体系文件。
六、相关记录
《过程的监视和测量记录表》
合同管理过程检查记录表
设计和开发过程检查记录表
采购和外包过程检查记录表
资源管理过程检查记录表。