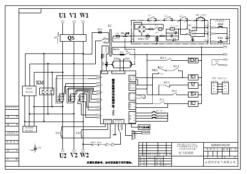
QJR-400、315、200_1140软起动电气原理图
- 格式:pdf
- 大小:147.23 KB
- 文档页数:1
软启动器工作原理与主电路图2010年02月22日星期一 11:001 软启动器工作原理与主电路图软启动器采用三相反并联晶闸管作为调压器,将其接入电源和电动机定子之间。
这种电路如三相全控桥式整流电路,主电路图见图1。
使用软启动器启动电动机时,晶闸管的输出电压逐渐增加,电动机逐渐加速,直到晶闸管全导通,电动机工作在额定电压的机械特性上,实现平滑启动,降低启动电流,避免启动过流跳闸。
待电机达到额定转数时,启动过程结束,软启动器自动用旁路接触器取代已完成任务的晶闸管,为电动机正常运转提供额定电压,以降低晶闸管的热损耗,延长软启动器的使用寿命,提高其工作效率,又使电网避免了谐波污染。
软启动器同时还提供软停车功能,软停车与软启动过程相反,电压逐渐降低,转数逐渐下降到零,避免自由停车引起的转矩冲击。
软启动与软停车的电压曲线见图2,3。
2 软启动器的选用(1)选型:目前市场上常见的软启动器有旁路型、无旁路型、节能型等。
根据负载性质选择不同型号的软启动器。
旁路型:在电动机达到额定转数时,用旁路接触器取代已完成任务的软启动器,降低晶闸管的热损耗,提高其工作效率。
也可以用一台软启动器去启动多台电动机。
无旁路型:晶闸管处于全导通状态,电动机工作于全压方式,忽略电压谐波分量,经常用于短时重复工作的电动机。
节能型:当电动机负荷较轻时,软启动器自动降低施加于电动机定子上的电压,减少电动机电流励磁分量,提高电动机功率因数。
(2)选规格:根据电动机的标称功率,电流负载性质选择启动器,一般软启动器容量稍大于电动机工作电流,还应考虑保护功能是否完备,例如:缺相保护、短路保护、过载保护、逆序保护、过压保护、欠压保护等。
3 Alt48软启动器的特点Alt48软启动器启动时采用专利技术的转矩控制。
转矩斜坡上升更快速,损耗更低。
具有电动机和软启动器综合保护功能,能全时连续检测电机电流,提供电机可靠和完整保护,这种保护功能在启动结束旁路后仍能起作用,这是其它软启动器都不具备的。
安全注意事项:警告!只有专业技术人员允许安装调试QJR。
警告!必须保证电动机与QJR适配,安装时,必须仔细阅读使用说明书,按要求操作。
警告!不允许软起动器输出端接电容器,否则会损坏起动器。
警告!参数修改时,说明书中标明“禁止改动”的参数,不得修改。
警告!软起动器外壳必须牢固接地。
警告!打开起动器前门维修时,必须断开进线电源或前级开关。
警告!用户应根据实际负载进行电压电流的选择。
警告!硬起动仅适用于试车检修时使用。
警告!本体需拿出检修时,先从前门内侧取下车架,检修完毕后应放回原处,防止丢失。
警告!严禁带电开盖。
警告!不得随意更改本安电器参数及元件规格。
使用前详细阅读使用说明书!!!一、用途1.1 QJR系列矿用隔爆型真空交流软起动器(以下简称软起动器)适用于含有爆炸性气体(甲烷)和煤尘的矿井中。
主要用于额定电压至1140V/660V,频率为50Hz的鼠笼型三相异步电动机的软起动,限流起动、双斜坡起动、全压起动、节能运行、软停止等功能。
是21世纪国家推荐使用的电子智能型新产品并与国际惯例接轨的高科技项目。
起动器具有过载,过流、缺相、漏电闭锁、过电压、欠电压、温度保护等多种保护。
起动器对各项参数实施巡环检测进行最佳数据运算,输出触发脉冲调整可控硅输出电压,降压限流实现对电动机软起动,并在运行中始终处于最佳运行监控状态。
为避免能量损耗采用接触器吸合旁路晶闸管组件。
特别是煤矿井下传统三角起动,电抗器起动、自藕减压起动、双速起动最理想的更新换代产品,从而避免了对特殊电机的需求,降低了成本。
执行标准:MT/T943-2005和企标Q/DG126-20081.2 软起动器应在下列条件下可靠运行工作:1.2.1 进线电源:交流1140(660)V、50Hz。
1.2.2 适合电机:鼠笼式三相异步电动机。
1.2.3 起动频度:每小时不超过10次。
1.2.4 使用温度:―5℃~+40℃,周围空气相对湿度不大于95%(+25℃)。
QJR系列矿用隔爆兼本质安全型软起动器使用说明书上海佳洲防爆电器有限公司使用前请认真阅读本说明书本说明书根据GB9969.1《工业产品使用说明书总则》;GB9969.2《机电产品使用说明书编写规定》的有关规定要求和内容进行编制。
产品执行Q/JZ001-2011、MT/T943-2005和GB3836-2000等标准。
一、概述1、产品特点矿用隔爆兼本质安全型软起动器(以下简称软起动器)是机电一体化的新技术产品,该产品适用于交流380V、660V、1140V的电压异步电动机重负荷软起动,在正常运转状态下对电机进行各种保护。
它具有起动电流小,起动速度平稳可靠,保护功能齐全,是我公司自行设计、开发的高技术产品。
在矿用隔爆兼本质安全型真空电磁起动器的基础上,改直接起动或停止为软起动或软停止,降低了起动电流(由4Ie-7Ie改善为0.5Ie-4Ie可调),减少了起动时冲击电流对电网及负载的冲击。
它用软件控制方式来平滑起动电机,一方面以软件控强电,另一方面使电动机转速由慢到快逐渐上升到额定转速,有效解决了直接起动或自耦降压起动、Y/Δ转换、降压起动造成的起动时瞬时电流尖峰冲击,起动二次冲击电流对负载产生冲击转距,当电网电压下降可能造成电机堵转等诸多问题,是传统的矿用隔爆本质安全型真空电磁起器的理想替代产品。
该产品采用全中文宽屏显示、并具有漏电闭锁、断相、过压、欠压、、过载、三相不平衡、短路等保护功能,并能储存相应的故障信息,以及运行电流,电压故障等工作状态信息。
2、主要用途及适用范围本起动器主要用于有甲烷和煤尘爆炸环境的煤矿井下、露天煤矿、冶金矿山、港口码头、选煤厂、发电厂等对重负荷的运输设备实行软起动。
起动器可以就地、远距离起动、停止控制,及联机控制等多种方式;额定电压为1140V、660V、380V,频率是50Hz,额定电流在400A范围内的三相异步电机,起动方式可以是软起动,也可以像普通的磁力起动器一样直接带负荷起动。
1 概述1.1 型号的组成及其代表意义1.2 环境要求2 技术特性3 结构特征4 工作原理5 起动模式自然特性模式单闭环特性模式双闭环特性模式6 工作过程7 安装、使用和调整安装调整使用8 显示、故障、设定及系统复位显示故障详细分析设定方式系统参数复位9 维护保养10 运输与储存11 注意事项12 订货须知附录:DRK-4多功能软启动控制器(中文)警告!!!在使用和维护过程中,不得随意更改本安电路及其关联电路的电气参数及元器件的规格型号,不得用电缆接地芯线作本安控制回路。
1 概述随着我国煤炭生产机械化、自动化程度的不断提高,皮带机、刮板机大运量,高速度日益增多。
解决皮带机、刮板机的软起动,是矿井运输、安全生产、延长皮带机、刮板机寿命的关键问题。
QJR- 400(315、250、160) /1140(660)Z矿用隔爆兼本质安全型软起动器(以下简称软起动器),它同时具有矿用真空磁力起动器和交流电压软起动的功能,是一种机电一体化及微电子技术的高科技智能产品。
其模块化的安装结构,便于使用和维修。
该产品适用于交流660V、1140V电压的异步电动机重负荷软起动,以及各种情况下的磁力起动。
软起动时具有起动电流小、起动速度平稳可靠、对电网冲击小等优点,且起动曲线可根据现场实际工况调整,从而减少了皮带机、刮板机起动冲击力,降低了对皮带机、刮板机的损害,延长了皮带机、刮板机的使用寿命。
直接起动时,软起动器还具有磁力起动器的全部功能。
该产品具有主回路极间(可控硅极间或真空接触器极间)短路检测和闭锁功能,以及短路、过载、断相、漏电闭锁的电机综合保护功能。
特别是,本软起动器还具有风电闭锁和瓦斯电闭锁保护,对安全生产提供了科技平台和有力的技术支持。
本软起动器还适用于煤矿井下风机、水泵、绞车等设备软起动和磁力起动。
1.1 型号的组成及其代表意义Q J R -400(315、250、160)/ 1140(660) Z真空磁力起动器额定电流/额定电压软起动隔爆兼本质安全型起动器1.2 环境要求a) 海拔高度不超过2000m;b) 周围环境温度不超过-5℃~+40℃;c) 相对湿度不大于95%(+20℃);d) 安装地基处的振动频率范围为10~150Hz时,其最大振动加速度不超过0.5g;e) 安装倾斜度不超过15°;f) 有甲烷或煤尘爆炸的场所;g) 无破坏金属和绝缘材料的腐蚀性气体的场所;h) 电网质量:——输入电压波形为正弦波;——输入电压幅值波动不超过额定值+10%~-25%;——电源频率波动不超过额定值的2%。
软启动器工作原理及电路图电机软启动器是一种用于控制交流电机启动过程中电流的起动装置,其工作原理主要包括起动过程中的电阻限流、减压启动和去除电阻的短时延时停止。
下面将详细介绍软启动器的工作原理,并给出相应的电路图。
电机软启动器主要由电源电路、控制电路和功率电路组成。
电源电路用于提供启动器所需的电源,控制电路用于控制功率电路的开关和驱动电机,功率电路用于连接电机并控制其起动。
工作原理:1.起动过程中的电阻限流:在启动电机的初期,为了避免过大的电流冲击对电机和电网的损害,软启动器会通过连接额外的电阻来限制起动电流。
这样可以通过增加电阻的串联电势降,降低起动电流。
随着电机转速的提高,电阻逐渐减小,直到完全去除。
2.减压启动:软启动器还会通过降低电压的方式来控制电机的起动过程。
在启动过程中,软启动器会逐步降低电压,从而降低电机的起动电流和启动的冲击。
通过减压启动的方式,可以减少电网对电机的影响,并保护电机和其他设备。
3.短时延时停止:在电机停止工作时,软启动器会通过一定的延时保护时间,确保电机在停止前不受突然断电等突发情况的影响。
软启动器会在电机停止运行后,延时一段时间才切断电源,从而保护电机和其他设备。
电路图:软启动器的电路图包括电源电路、控制电路和功率电路。
其中电源电路包括电源输入、过压、欠压和过流保护等功能;控制电路包括启动、停止、保护和信号传递等功能;功率电路包括电机的连接和控制。
电源电路:电源电路主要包括电源输入、过压、欠压和过流保护等功能。
电源输入可以是交流电压,也可以是直流电压。
通过稳压电路和滤波电路,将电源电压稳定并滤波,以保证启动器正常工作。
并通过过压、欠压和过流保护电路,对输入电源进行保护。
控制电路:控制电路主要包括启动、停止、保护和信号传递等功能。
启动器可以采用按钮开关、遥控开关或自动控制方式,通过相应的控制电路进行启动和停止电机。
同时,控制电路还包括过流、过温和过压等保护功能,以保护电机和启动器的安全运行。
软启动器接线图HEN system office room 【HEN16H-HENS2AHENS8Q8-HENH1688】目 录一、产品功能及特点功能一:软起动、软停止功能。
可餐换传坟星三角、自藕降压起动箱 可频繁起动.有降压起动、限流起动等5种起动方式_功能二:电动机保护功能:实现了比热继电器、马这保护器更加可靠的保护功能。
具有12种对电流、电压.、功率、相位等异常保护功能:功能三:具有端子可编程维电器翰出.4--20mA 棍拟电流翰出。
端子输出功能丰富.继电器输出可编程,使用方便功能四:工作状态实时星示,可替代却分仪器仪表及数显表功能。
LCP 大屏幕中文显示,简洁明了,参数设置,查询方便。
上海约拿电气电机软启动器其主要作用有以下几个方面: ◆减小了电动机及负载设备的起动应力,延长了电动机及相关设备的使用寿命。
◆软停车功能有效地解决了惯性系统的停车喘振问题,是传统起动设备无法实现的。
◆完善可靠的保护功能,有效地保护了电动机及相关生产设备的使用安全。
◆电动机软起动器智能化网络化技术的应用使得电机控制技术适应了飞速发展的电力自 动化技术的更高要求。
使用条件:供电电源:市电、自备电站、柴油发电机组三相交流380V 或660V 士15%、50Hz ,电特点保护功能失压、欠压、过压保护 软起动器过热、起动时间过长保护。
输入缺相、输出缺相、三相不平衡保护 起动过流、运行过载、负载短路保护参数丰富,软件不断升级“旁路切换时间’‘参数避免大电流劳路切换时烧毁接触器、“间隔延时”参赛,避免频繁起动造成电机损坏等。
自主软件着作权 完美的人性化设计LCD 中文液晶显示;参数、状态均采用中文显示;便于现场操作人员调试及维护通讯功能以及其他独特功能 五种起动模式、五级保护设定七种组合控制方式、十种附加功能、十二种保护功能。
可无限扩充的微机接迅捷周到的售后服 及时周到的使用的配套设计方案 产品“三包”服品维修、故障做源容量应满足软起动器对电动机的起动要求。
在安装、使用产品前请仔细阅读产品使用说明书QJR1系列矿用隔爆兼本质安全型交流真空软起动器使用说明书************************公司2010年9月目录1 概述---------------------------------------------------------------------------------------------21.1 产品特点--------------------------------------------------------------------------------------21.2 主要用途及选用围-----------------------------------------------------------------------31.3 型式、规格、型号的组成及其代表意义-----------------------------------------------31.4 使用环境条件--------------------------------------------------------------------------------31.5 结构特征--------------------------------------------------------------------------------------4 2 结构特征与工作原理---------------------------------------------------------------------52.1 原理图示意图---------------------------------------------------------------------------------52.2 工作原理--------------------------------------------------------------------------------------5 3 技术特性---------------------------------------------------------------------------------------63.1 主要性能--------------------------------------------------------------------------------------64 控制器及参数---------------------------------------------------------------------------------64.1 端子功能----------------------------------------------------------------------------------------64.2 控制器示意图----------------------------------------------------------------------------------74.3 功能键-------------------------------------------------------------------------------------------74.4 状态信息----------------------------------------------------------------------------------------84.5 软启动部参数介绍-------------------------------------------------------------------------94.6 故障代码---------------------------------------------------------------------------------------104.7 中文显示屏使用及接线图----------------------------------------------------------------134.8 门按钮操作及参数调节-------------------------------------------------------------------145 使用注意事项------------------------------------------------------------------------------176 使用步骤---------------------------------------------------------------------------------------176.1 开箱检查-------------------------------------------------------------------------------------176.2 线路检查-------------------------------------------------------------------------------------186.3 接线腔----------------------------------------------------------------------------------------186.4 基本参数设定-------------------------------------------------------------------------------196.5 试运行----------------------------------------------------------------------------------------20 7 附端子图及说明----------------------------------------------------------------------------218 主要元器件明细表------------------------------------------------------------------------269 用户须知--------------------------------------------------------------------------------------261 概述本产品的执行标准为:MT/T943-2005 矿用低压交流软起动器、Q/************************1.1 产品特点QJR1系列矿用隔爆兼本质安全型交流真空软起动器(以下简称软起动)是应用BENSHAW最新技术研制生产的最新一代高新技术产品。
QJZ—400(315、200)/1140(660)S 矿用隔爆兼本质安全型双回路真空电磁起动器产品使用说明书甘肃容和矿用设备集团有限公司2012.08.16出版1 概述1.1 QJZ —400(315、200)/1140(660)S 矿用隔爆兼本质安全型双回路真空电磁起动器(以下简称起动器)适用于含有爆炸性气体(甲烷或煤尘的矿井),在交流50Hz ,电压为1140V 或660V 供电线路中,可对两台交流电动机的起动、停止进行顺控及独立运行进行控制,并能对电动机及供电线路进行保护。
1.2本起动器采用快速开门结构,结构简单合理,操作方便;本起动器保护器采用了先进的微处理器,高精度的数据处理及先进的保护算法,保护精度高,反应速度快,实现起动器的多种控制功能,使起动器即能作为普通起动器使用,又能作为双回路起动器使用,便于管理和维护;本起动器容量大,相对体积小,减小电气设备的占地面积,减少了电气设备之间的连线。
1.3起动器型号含义:Q 额定电额定起动Z 真空J2001140(660)隔爆兼本质安全型压电流器S双回路2. 执行标准MT111-2011《矿用隔爆型低压交流真空电磁起动器》;3. 防爆型式 矿用隔爆兼本质安全型; 防爆标志 Exd 〔ib 〕I . 4 工作条件4.1 海拔高度不超过2000 m ;4.2 周围环境温度不高于+40℃,不低于 - 5℃; 4.3 周围空气相对湿度不大于95%(25℃); 4.4 周围介质中无破坏金属和绝缘的气体; 4.5 与垂直的倾斜不大于15°; 4.6 须能防止水或其它液体浸入开关内部; 4.7 无剧烈振动,颠簸。
5 外形尺寸:长×宽×高=1065×580×895 质量;400Kg(390 Kg)6 主要技术参数和技术性能6.1 额定电压:1140V、660V6.2 额定电流: 400(315、200)A;2×200A。
电工们常用的五种电机软启动器接线图电工们常用的五种电机软启动器接线图软启动器工作原理软起动器(软启动器)是一种集电机软起动、软停车、轻载节能和多种保护功能于一体的新颖电机控制装置,国外称为Soft Starter。
软启器采用三相反并联晶闸管作为调压器,将其接入电源和电动机定子之间。
这种电路如三相全控桥式整流电路。
使用软启动器启动电动机时,晶闸管的输出电压逐渐增加,电动机逐渐加速,直到晶闸管全导通,电动机工作在额定电压的机械特性上,实现平滑启动,降低启动电流,避免启动过流跳闸。
待电机达到额定转数时,启动过程结束,软启动器自动用旁路接触器取代已完成任务的晶闸管,为电动机正常运转提供额定电压,以降低晶闸管的热损耗,延长软启动器的使用寿命,提高其工作效率,又使电网避免了谐波污染。
软启动器同时还提供软停车功能,软停车与软启动过程相反,电压逐渐降低,转数逐渐下降到零,避免自由停车引起的转矩冲击。
常用的五种电机软启动器接线图一、CMC-L系列数码型电机软启动器是一种将电力电子技术,微处理器和自动控制相结合的新型电机起动、保护装置。
它能无阶跃地平稳起动/停止电机,避免因采用直接起动、星/三角起动、自耦减压起动等传统起动方式起动电机而引起的机械与电气冲击等问题,并能有效地降低起动电流及配电容量,避免增容投资。
1、CMC-L系列数码型电机软启动器基本接线原理图:软起动器端子1L1、3L2、5L3接三相电源,2T1、4T2、6T3接电动机。
当采用旁路接触器时,可通过内置信号继电器K2控制旁路接触器。
2、CMC-L系列数码型电机软启动器基本接线示意图:3、CMC-L系列数码型电机软启动器典型应用接线图:注意:1.上图所示为单节点控制方式。
接点闭合软起动起动,接点打开软起动器停止。
但要注意这种接线LED面板起动操作无效。
端子3、4、5起停信号是一个无源节点。
2.PE接地线应尽可能短,接于距软起动器最近的接地点,合适的接地点应位于安装板上紧靠软起动器处,安装板也应接地,此处接地为功能地而不是保护接地。
安装使用前请仔细阅读本说明书!QJR-200/1140(660)QJR-315/1140(660)QJR-400/1140(660)矿用隔爆兼本质安全型低压交流真空软起动器使用说明书浙江金门防爆电气有限公司安装使用前请仔细阅读本说明书!QJR-200/1140(660)、QJR-315/1140(660)、QJR-400/1140(660) 矿用隔爆兼本质安全型低压交流真空软起动器一.用途及使用条件1.用途QJR-200、315、400/1140(660)矿用隔爆兼本质安全型低压交流真空软起动器(以下简称软起动器)是在矿用隔爆兼本质安全型真空电磁起动器的基础上,改直接起动为软起动.降低了起动电流(由4-8Ie改善为可调),这样减少了冲击电流对电网及负载的冲击.软起动器是目前最先进、最流行的电动机起动器。
它采用16位单片机进行中文智能化控制,可以无级调压至最佳起动电流,保证电动机在负载要求的起动特性下平滑起动,再轻载时能节约电能。
传统鼠笼型异步电动机的起动方式有直接起动或自耦降压起动、Y/△转换、电抗器减压起动、延边三角形减压起动等。
这些起动方式,起动转矩基本固定、但不可调,起动过程中会出现二次冲击电流,对负载机械有冲击转矩,且受电网电压波动的影响。
造成的起动瞬间电流尖峰冲击,对前一级总开关(馈电开关、高压馈电开关带漏电保护的)冲击跳闸。
当电网电压下降时可能造成电机堵转等问题。
但是软起动可以克服上述缺点。
软起动器具有无冲击电流、可自由地无级调压至最佳起动电流及轻载时节能等优点。
是传统的矿用隔爆本质安全型真空电磁起动器的理想替代产品.起动器具有起动时间可调,还具有漏电闭锁、断相、过载、欠压、过流、过载、三相不平衡、短路等保护功能及相应的故障指示.软起动器适用于煤矿井下、露天煤矿、冶金矿山、港口码头、选煤厂、发电厂等大负荷恶劣环境中做运输设备的软起动。
配备RS-485通讯接口,传输稳定、迅速,可实现遥测、遥调、遥控。
软启动器工作原理与主电路图年月日星期一软启动器工作原理与主电路图软启动器采用三相反并联晶闸管作为调压器,将其接入电源和电动机定子之间。
这种电路如三相全控桥式整流电路,主电路图见图。
使用软启动器启动电动机时,晶闸管的输出电压逐渐增加,电动机逐渐加速,直到晶闸管全导通,电动机工作在额定电压的机械特性上,实现平滑启动,降低启动电流,避免启动过流跳闸。
待电机达到额定转数时,启动过程结束,软启动器自动用旁路接触器取代已完成任务的晶闸管,为电动机正常运转提供额定电压,以降低晶闸管的热损耗,延长软启动器的使用寿命,提高其工作效率,又使电网避免了谐波污染。
软启动器同时还提供软停车功能,软停车与软启动过程相反,电压逐渐降低,转数逐渐下降到零,避免自由停车引起的转矩冲击。
软启动与软停车的电压曲线见图,。
软启动器的选用()选型:目前市场上常见的软启动器有旁路型、无旁路型、节能型等。
根据负载性质选择不同型号的软启动器。
旁路型:在电动机达到额定转数时,用旁路接触器取代已完成任务的软启动器,降低晶闸管的热损耗,提高其工作效率。
也可以用一台软启动器去启动多台电动机。
无旁路型:晶闸管处于全导通状态,电动机工作于全压方式,忽略电压谐波分量,经常用于短时重复工作的电动机。
节能型:当电动机负荷较轻时,软启动器自动降低施加于电动机定子上的电压,减少电动机电流励磁分量,提高电动机功率因数。
()选规格:根据电动机的标称功率,电流负载性质选择启动器,一般软启动器容量稍大于电动机工作电流,还应考虑保护功能是否完备,例如:缺相保护、短路保护、过载保护、逆序保护、过压保护、欠压保护等。
软启动器的特点软启动器启动时采用专利技术的转矩控制。
转矩斜坡上升更快速,损耗更低。
具有电动机和软启动器综合保护功能,能全时连续检测电机电流,提供电机可靠和完整保护,这种保护功能在启动结束旁路后仍能起作用,这是其它软启动器都不具备的。
在保持加速力矩的同时,实时计算定子和转子的功率。
QJR系列矿用隔爆兼本质安全型软起动器使用说明书上海佳洲防爆电器有限公司使用前请认真阅读本说明书本说明书根据GB9969.1《工业产品使用说明书总则》;GB9969.2《机电产品使用说明书编写规定》的有关规定要求和内容进行编制。
产品执行Q/JZ001-2011、MT/T943-2005和GB3836-2000等标准。
一、概述1、产品特点矿用隔爆兼本质安全型软起动器(以下简称软起动器)是机电一体化的新技术产品,该产品适用于交流380V、660V、1140V的电压异步电动机重负荷软起动,在正常运转状态下对电机进行各种保护。
它具有起动电流小,起动速度平稳可靠,保护功能齐全,是我公司自行设计、开发的高技术产品。
在矿用隔爆兼本质安全型真空电磁起动器的基础上,改直接起动或停止为软起动或软停止,降低了起动电流(由4Ie-7Ie改善为0.5Ie-4Ie可调),减少了起动时冲击电流对电网及负载的冲击。
它用软件控制方式来平滑起动电机,一方面以软件控强电,另一方面使电动机转速由慢到快逐渐上升到额定转速,有效解决了直接起动或自耦降压起动、Y/Δ转换、降压起动造成的起动时瞬时电流尖峰冲击,起动二次冲击电流对负载产生冲击转距,当电网电压下降可能造成电机堵转等诸多问题,是传统的矿用隔爆本质安全型真空电磁起器的理想替代产品。
该产品采用全中文宽屏显示、并具有漏电闭锁、断相、过压、欠压、、过载、三相不平衡、短路等保护功能,并能储存相应的故障信息,以及运行电流,电压故障等工作状态信息。
2、主要用途及适用范围本起动器主要用于有甲烷和煤尘爆炸环境的煤矿井下、露天煤矿、冶金矿山、港口码头、选煤厂、发电厂等对重负荷的运输设备实行软起动。
起动器可以就地、远距离起动、停止控制,及联机控制等多种方式;额定电压为1140V、660V、380V,频率是50Hz,额定电流在400A范围内的三相异步电机,起动方式可以是软起动,也可以像普通的磁力起动器一样直接带负荷起动。
QJR I-400/1140(660)矿用隔爆兼本质安全型交流软起动器产品使用说明书QJR I-400/1140(660)矿用隔爆兼本质安全型交流软起动器使用说明书1概述QJR I-400/1140(660)矿用隔爆兼本质安全型交流软起动器(以下简称软起动器)是根据胶带输送机动态优化而设计的新型软起动设备,可提供胶带输送机软起动,控制起动加速度及起动电流,满足重载起动的要求,并能有效抑制胶带动态张力波的有害传播。
对于按直接起动方式的胶带机,使用本起动器可适当降低设计强度,减少设备初期投资;在相同强度条件下使用本起动器后能有效地延长胶带的使用寿命,对于已在使用的胶带机使用本装置,可以把液力偶合器拆除,从而大大减少设备运行费用和维护工作量,增加系统的安全性和可靠性。
1.1 主要用途及适用范围该软起动器可适用煤矿需要限制启动加速度的设备的启动和运行及保护,额定供电电压到1140V(50Hz),额定电流至400A的三相鼠笼异步电动机负载。
作为胶带输送机的软起动设备,使用本软起动器后,不需要安装液力偶合器,只要用本软起动器代替原来的磁力起动器,操作方式不变,因而使用简单、可靠。
1.2 型号组成及代表意义Q J R I - 400/ 1140(660)额定电流/额定电压序列号软起动隔爆兼本质安全起动器1.3 环境条件a)安装地点的海拔高度不超过2000m;b)周围环境温度为-10℃~+40℃,相对湿度不大于90%(+20℃时);c)在煤矿井下有甲烷或煤尘爆炸的场所;d)无破坏金属和绝缘材料的腐蚀性气体的地方;e)环境污染等级为3级;f)安装类别为Ⅲ类;g)输入电压波形为正弦波;h)输入电压幅值波动不超过额定值-25%~+10%;i)频率波动不超过额定值的±2%;j)各相电压对称,电网的负相序分量或零相序分量不超过正相序分量的5%。
1.4 执行产品标准a)Q/NY02-2012 《QJRⅠ-400/1140(660)矿用隔爆兼本质安全型交流软起动器》b)GB3836-2010 《爆炸性气体环境用电气设备》c)MT/T943-2005《矿用低压交流软起动器》2 技术参数及特点2.1 主要技术参数1)额定电压:1140V/660V,允许波动范围:75%~110%2)额定电流:400A3)起动型式:a) 电压斜率4)起动时间:1~60秒5)允许起动次数:6次/小时6)截止电流倍数:6Ie(可调)7)本安回路最高开路电压:9VAC,最大短路电流:40mA2.2 主要特点1)可用于双机及多机驱动系统,软起动内部具有多机速度同步及电流自动平衡功能;2)采用数字式控制技术,中文显示;3)煤矿井下使用安全可靠、操作简单、维护方便、性能价格比高。