使用逻辑分析仪测定CAN-bus波特率(精)
- 格式:doc
- 大小:500.50 KB
- 文档页数:12
声明: 本文来自另外,将68013制作逻辑分析仪的原理说明简单整理了一下,大家可以看看,如果想DIY也就不难了。
点击此处下载ourdev_578200.pdf(文件大小:203K)(原文件名:逻辑分析仪开发手册.pdf)前言一、什么是逻辑分析仪二、使用介绍三、安装说明四、Saleae软件使用方法五、逻辑分析仪硬件安装六、使用Saleae分析电视红外遥控器通信协议七、使用Saleae分析UART通信八、使用Saleae分析IIC总线通信九、使用Saleae分析SPI总线通信十、Saleae逻辑分析仪使用问题和注意事项/item.htm?id=6293581805淘宝地址:/item.htm?id=6293581805 (原文件名:21.jpg)前言:工欲善其事,必先利其器。
逻辑分析仪是电子行业不可或缺的工具。
但是由于一直以来,逻辑分析仪都属于高端产品,所以价格居高不下。
因此我们首先要感谢Cypress公司,提供给我们68013这么好的芯片,感谢俄罗斯毛子哥将这个Saleae逻辑分析仪开源出来,让我们用平民的价格,就可以得到贵族的待遇,获得一款性价比如此之高的逻辑分析仪,可以让我们在进行数字逻辑分析仪的时候,快速查找并且解决许多信号、时序等问题,进一步提高我们处理实际问题的能力。
原本计划,直接将Saleae的英文版本使用手册直接翻译过来提供给大家,我花费半天时间翻译完后,发现外国人写的东西不太符合我们国人的思维习惯,当然,也是由于我的英语水平有限,因此,我根据自己摸索这个Saleae的过程,写了一份个人认为符合中国人习惯的Saleae,提供给大家,希望大家在使用过程中少走弯路,快速掌握使用方法,更快的解决自己实际遇到的问题。
由于个人水平有限,因此在文章撰写的过程中难免存在问题和错误,如果有任何问题,希望大家能够提出来,我会虚心接受并且改进,希望通过我们的交流,给越来越多的人提供更加优秀的资料,共同进步。
汽车维修2019.3一、诊断方法概述要想进行有效的故障诊断,必须理解系统的逻辑性。
每一个系统都有自己的运算逻辑,故障诊断方法遵循系统的逻辑模式才能发挥更好的作用。
无论采用什么诊断方法,诊断过程中都必须做好以下2个步骤:(1)掌握系统内部层级关系故障诊断之前,首先通过对系统结构、工作层级关系的认知,了解系统处于运转状态、等待状态还是关闭状态,然后对故障进行分类,并了解故障发生时的现象,根据检测条件,提出检修建议。
(2)熟悉系统相关数据如果系统配有相应功能的数据显示,就可以利用数据将故障按照树形结构列出后进行整体观察,对各种参数进行辨别,分析故障的可能成因。
在进行故障诊断时,不妨将需要提出的问题全部列出:如:何人、何事、何处、何时、何如、何故、何值等,依次回答这些问题是进行准确故障诊断的基础。
二、逻辑诊断法简介为了识别系统运行不良故障,首先需要了解系统运行的逻辑性,然后按照下述步骤顺序进行检查:①记录症状;②数据分析;③故障定位;④成因分析与确定;⑤故障排除;⑥系统确认。
常见的逻辑诊断法有流程图法和演变图法。
流程图法在故障排除中较为常见,如图1所示。
但是绘制流程图较为复杂,本文重点介绍演变图法的使用,如图2所示。
运用演变图法进行故障诊断时,需要按照上文所述将“何人”、“何事”、“何处”、“何时”、“何如”、“何故”与“何值”牢记于心,详细回答其中的每一个问题,并按照表1所示进行诊断仪测量值和标准值的比较。
下面就以现代悦动发动机CAN 系统的故障诊断作为实例,进行验证。
三、现代悦动发动机CAN 系统简介悦动CAN 系统有2个终端电阻,阻值为120Ω,CAN 系统完好时,可在发动机舱“多功能检查连接器”(9#与17#针脚)之间测量CAN-H 与CAN-L 之间的并联电阻,阻值为60Ω左右,测量CAN-H 与车身搭铁之间的电压逻辑诊断法在现代悦动CAN 系统故障诊断中的应用王瑜图1逻辑诊断的流程图图2逻辑诊断的演变图6汽车维修2019.3约为2.5V ,CAN-L 与车身搭铁之间电压约为2.25V 左右。
声明: 本文来自分析仪开发手册.pdf)前言一、什么是逻辑分析仪二、使用介绍三、安装说明四、Saleae软件使用方法五、逻辑分析仪硬件安装六、使用Saleae分析电视红外遥控器通信协议七、使用Saleae分析UART通信八、使用Saleae分析IIC总线通信九、使用Saleae分析SPI总线通信十、Saleae逻辑分析仪使用问题和注意事项淘宝地址:(原文件名:21.jpg)前言:工欲善其事,必先利其器。
逻辑分析仪是电子行业不可或缺的工具。
但是由于一直以来,逻辑分析仪都属于高端产品,所以价格居高不下。
因此我们首先要感谢Cypress公司,提供给我们68013这么好的芯片,感谢俄罗斯毛子哥将这个Saleae逻辑分析仪开源出来,让我们用平民的价格,就可以得到贵族的待遇,获得一款性价比如此之高的逻辑分析仪,可以让我们在进行数字逻辑分析仪的时候,快速查找并且解决许多信号、时序等问题,进一步提高我们处理实际问题的能力。
原本计划,直接将Saleae的英文版本使用手册直接翻译过来提供给大家,我花费半天时间翻译完后,发现外国人写的东西不太符合我们国人的思维习惯,当然,也是由于我的英语水平有限,因此,我根据自己摸索这个Saleae的过程,写了一份个人认为符合中国人习惯的Saleae,提供给大家,希望大家在使用过程中少走弯路,快速掌握使用方法,更快的解决自己实际遇到的问题。
由于个人水平有限,因此在文章撰写的过程中难免存在问题和错误,如果有任何问题,希望大家能够提出来,我会虚心接受并且改进,希望通过我们的交流,给越来越多的人提供更加优秀的资料,共同进步。
一、什么是逻辑分析仪:逻辑分析仪是一种类似于示波器的波形测试设备,它通过采集指定的信号,并通过图形或者数据统计化的方式展示给开发人员,开发人员通过这些图形化时序信号按照协议来分析硬件或者软件中的错误。
逻辑分析仪是设计中不可缺少的设备,通过它,可以迅速定位错误,发现并解决问题,达到事半功倍的效果,尤其在分析时序,比如1wire、I2C、UART、SPI、CAN等数据的时候,应用逻辑分析仪解决问题非常快速。
CAN-bus现场总线基础教程【第8章】CAN总线设备及调试工具-CANScope(35)文库资料 ?2017 Guangzhou ZHIYUAN Electronics Stock Co., Ltd.第8章 CAN 总线设备及调试工具1.1 CANScope1.1.1 概述作为一种技术先进、可靠性高、功能完善、成本合理的远程网络通讯控制方式,CAN 总线逐步被广泛应用到汽车电子、电力通讯、工业现场、电梯系统等控制领域。
常用的CAN 信号分析仪器有示波器、逻辑分析仪、CAN 分析仪,但远远满足不了CAN 总线开发工程师的需求。
CANScope 是广州致远电子股份有限公司最新推出的一款CAN-bus 总线开发辅助工具,内部集成了示波器、逻辑分析仪和CAN 分析仪的功能,分别从物理层、数据链路层、应用层深入分析CAN 总线信号,帮助用户快速而准确地定位错误,极大地提升了CAN 总线的开发与维护效率,是CAN 总线开发工程师的好帮手。
1.1.2 物理层在物理层应用中,CANScope 分析仪主要从波特率、波形、FFT 、眼图等方面对CAN 总线信号进行分析。
1.自动侦测波特率在开发CAN 底层驱动程序的过程当中,如果晶振选择和波特率计算方法存在问题,就会导致从CAN 控制器出来的实际波特率与理论计算值有所偏差。
当CAN 网络中CAN 设备的波特率不一致时,就会导致错误帧增多、通讯延迟等不确定问题,甚至会造成通讯失败。
CANScope 分析仪可以自动侦测CAN 总线波特率,帮助用户查找由于波特率不匹配造成通讯出错的问题。
下面我们利用CANScope 分析仪的自动侦测波特率功能进行测量。
首先将CAN 发送设备与CANScope 分析仪相连接。
然后设置CAN 发送设备的波特率为1Mbps ,发送CAN 报文数据到总线上,设置CANScope 分析仪的采样率为100Mbps 。
图8.1 CANScope 自动侦测波特率文库资料 ?2017 Guangzhou ZHIYUAN Electronics Stock Co., Ltd.如图8.5所示CANScope 分析仪软件右下角自动侦测到波特率为996.677kbps 。
can波特率测试方法CAN波特率测试方法CAN(Controller Area Network)是一种广泛应用于汽车、工业控制和通信领域的串行总线通信协议。
为了确保CAN网络的正常运行,波特率测试是必不可少的步骤。
以下是一种常用的CAN波特率测试方法:1. 硬件准备:准备两台CAN总线分析仪,连接到要测试的CAN网络上。
确保分析仪与被测设备的CAN通信接口正确连接,并确保电源供应正常。
2. 设置波特率:在分析仪上设置要测试的CAN波特率。
根据实际需求,选择合适的波特率,并确保两台分析仪的波特率设置相同。
3. 发送测试帧:在一台分析仪上创建一个测试帧,并将其发送到另一台分析仪。
测试帧的内容可以是任意的数据,目的是检查CAN通信的稳定性和可靠性。
4. 检查接收:在接收测试帧的分析仪上,确认是否成功接收到测试帧。
如果接收到了完整的测试帧,说明CAN通信正常,可以继续进行下一步。
5. 测试中断能力:在一台分析仪上发送一个中断帧,观察另一台分析仪是否正确地响应并中断当前通信。
这个步骤可以测试CAN总线的中断能力和信号处理的准确性。
6. 测试误码率:在一台分析仪上发送一系列的数据帧,记录接收到的误码率。
高误码率可能是由于波特率不匹配、电缆损坏或其他原因引起的问题。
7. 调整波特率:如果测试中发现误码率较高,可能需要调整CAN设备的波特率设置。
根据误码率的变化程度,逐步调整波特率,直到获得理想的通信质量。
注意:在进行CAN波特率测试时,需要注意以下事项:- 确保测试环境的稳定性和可靠性,避免其他干扰因素对测试结果的影响。
- 如果有可能,使用专业的CAN分析仪进行测试,以确保测试结果的准确性。
- 在测试过程中,及时记录和保存测试数据,以备后续分析和比较。
总结:通过以上步骤,可以有效地进行CAN波特率测试,并确保CAN网络的正常运行。
此测试方法可以帮助识别和解决可能出现的通信问题,提高CAN网络的可靠性和稳定性。
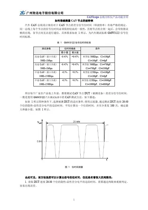
如何准确测量CAN节点的波特率汽车CAN总线设计规范对于CAN节点的差分信号位时间(即波特率)有着严格的规定,同一总线上每个节点的信号位时间必须保持较高的一致性,否则节点组合到一起后,会导致错误帧的出现,各节点间无法进行通信。
具体要求如表1所示,为汽车测试标准GMW3122信号位时间标准。
表 1 GMW3122信号位时间标准所以每个厂家在产品装上车前,都要测试CAN节点DUT(被测设备)的差分信号位时间。
一般是使用GMW3122汽车测试标准中的CAN测试方法,如下描述:如表1所示四种条件下,选择被测DUT的适应条件,使用示波器,通过测试DUT连续20-30个位的隐性-显性差分电平的边沿时间,平均计算出一个位的时间,并至少重复100次,确定最大和最小值。
如图1所示。
图 1 位时间测量由此可见,该方法虽然可以计算出信号的位时间,但还是有着很大的局限性:1. 获取DUT连续20-30个位的隐性-显性差分电平的边沿时间,需要通过肉眼来观察判定,容易出现误差。
2. 重复上百次的操作,既非常消耗时间、容易出错,且只有上百次的数据仍然无法完全精确的反映设备的真实性能参数,还需要更大的数据量来做支撑。
所以广州致远电子股份有限公司改进了测试方法,使用CANScope-Pro总线分析仪与CANScope-StressZ扩展板组合后,采用比较先进的眼图统计方法,避免了人工统计的误差,测试时间的浪费,且使大数据量统计测量得以实现,提高了测试的准确度,极大节约了人工成本。
测试方案如下:1. 使DUT上电后,能一直发送CAN报文,CANScope不勾选总线应答,其黑色表笔(地)要和DUT的CAN收发器共地,如图2所示,配置Stress板的模拟干扰参数,进行测试系统的测试连接。
按表1所示,选择对应的测试条件进行测试。
将Vdis+和GND、Vdis-和GND间各接入表1所要求的C1、C2电容,调整CANScope-StressZ的控制面板将CHL调节为表1所要求的C3电容。
逻辑分析仪使用方法
逻辑分析仪是一种用于对数字电路进行信号分析和测量的仪器。
它可以帮助工程师和技术人员快速准确地分析和诊断数字电路中的
问题。
本文将介绍逻辑分析仪的基本使用方法,帮助用户更好地掌
握这一重要工具。
首先,使用逻辑分析仪之前,需要准备好相应的设备和连接线。
确保逻辑分析仪和被测试的电路之间的连接正确可靠。
接下来,打
开逻辑分析仪的电源,并根据实际情况选择合适的触发模式和触发
电平。
触发设置的准确性将直接影响到测量结果的准确性,因此需
要特别注意。
在连接好逻辑分析仪后,可以开始进行信号的采集和分析。
首先,设置好采样频率和采样深度,确保逻辑分析仪可以捕获到所需
的信号波形。
然后,启动逻辑分析仪,开始采集数据。
在数据采集
完成后,可以对采集到的波形进行分析和处理,以获取所需的信息。
在使用逻辑分析仪时,需要注意以下几点。
首先,避免在高压
或高电流的环境下使用逻辑分析仪,以免损坏设备。
其次,在连接
逻辑分析仪时,要注意线缆的质量和连接的牢固性,以确保信号的
准确传输。
最后,使用逻辑分析仪时要仔细阅读设备的说明书,了解其功能和操作方法,避免操作失误导致设备损坏或数据丢失。
总之,逻辑分析仪是一种重要的数字电路分析工具,正确的使用方法可以帮助用户快速准确地分析和诊断电路问题。
通过本文介绍的基本使用方法,相信读者可以更好地掌握逻辑分析仪的使用技巧,提高工作效率和准确性。
希望本文对您有所帮助,谢谢阅读。
can波特率测试方法-回复波特率是在通信中表示信息传输速率的重要参数。
它定义了每秒钟可以传输的数据位数,通常用波特(Baud)来表示。
波特率的准确设置对于实现高效的数据通信至关重要,因此进行波特率测试是非常必要的。
在本文中,我将详细介绍波特率测试的方法,以帮助您了解如何正确地进行测试以确保通信的稳定性和可靠性。
一、准备工作在进行波特率测试之前,我们需要准备一些必要的工具和设备。
首先,您需要一台待测试的设备,如串口设备、网络设备或其他类型的通信设备。
其次,您需要一个连接设备和测试设备的通信线缆。
最后,准备一个计算机或其他类型的终端设备,用于进行波特率测试并接收测试结果。
二、选择合适的测试方法在进行波特率测试之前,我们需要选择适合的测试方法。
根据待测设备的不同,可以选择以下几种测试方法:1. 配置设备波特率并进行手动测试:这是一种简单直接的测试方法,适用于串口设备等低速通信设备。
您可以在设备的配置界面中设置波特率,并通过在计算机或终端设备上输入和接收数据来进行测试。
2. 使用波特率测试仪进行自动测试:对于高速通信设备或网络设备,手动测试可能无法满足要求。
在这种情况下,您可以使用专业的波特率测试仪。
这些测试仪器可以自动设置设备的波特率,并生成测试报告,以便您更好地评估通信的质量。
三、执行波特率测试一旦选择了适合的测试方法,我们就可以开始进行波特率测试了。
以下是一些步骤,以帮助您顺利执行测试:1. 配置设备的波特率:在进行测试之前,您需要确定待测设备的初始波特率设置。
这可以通过查看设备的用户手册或咨询设备制造商来获得。
2. 连接设备和测试设备:使用适当的通信线缆将待测设备和测试设备连接起来。
确保连接正确,并没有松动或接触不良的现象。
3. 发送测试数据:在计算机或终端设备上,输入测试数据并发送给待测设备。
这些测试数据可以是任意类型的数据,用于测试通信的可靠性和数据传输速率。
4. 接收和分析测试结果:在待测设备上接收测试数据,并记录测试结果。
can波特率测试方法-回复如何进行CAN波特率测试引言:控制器局域网络(CAN)是一种广泛应用于汽车、工业自动化和其他领域的串行通信协议。
在使用CAN协议进行通信时,合适的波特率设置对于确保数据的可靠传输至关重要。
本文将介绍CAN波特率测试的方法,以确保系统在所需的波特率下正常工作。
第一步:了解CAN波特率在开始测试之前,首先要了解CAN波特率的概念和基本知识。
CAN波特率是指在CAN总线上传输数据的速率,通常以每秒传输的位数(bps)表示。
CAN网络通常支持多种波特率选项,例如1Mbps、500kbps、250kbps 等。
第二步:选择测试设备进行CAN波特率测试时,需要一些特殊的测试设备来生成和捕获CAN信号。
常用的测试设备包括CAN波特率发生器和CAN分析仪。
CAN波特率发生器是一种用于生成指定波特率的CAN信号的设备。
它通常具有可调节的波特率和其他参数设置,以确保生成与实际应用环境相匹配的信号。
CAN分析仪是一种用于捕获、分析和解码CAN信号的设备。
它可以帮助检测和分析CAN通信中的问题,以确保正确设置的波特率。
第三步:连接测试设备在进行CAN波特率测试之前,需要将测试设备正确连接到CAN总线上。
通常,CAN波特率发生器应连接到一个或多个CAN节点,而CAN分析仪应连接到另一个节点。
确保连接正确并且电源供应稳定,以确保测试设备正常工作。
第四步:设置波特率根据测试需求和所用设备的规格要求,设置测试设备的波特率。
将波特率设置为所需的值,以确保测试信号的传输速率与实际应用中的要求一致。
第五步:生成CAN信号使用波特率发生器生成CAN信号。
根据测试设备的设置,发生器将生成指定波特率的信号,并将其发送到CAN总线上。
第六步:捕获CAN信号使用CAN分析仪捕获从CAN总线上接收到的信号。
可以使用分析仪的软件工具来检测和显示捕获的信号,以便进一步分析。
第七步:分析测试结果根据捕获的CAN信号,分析测试结果。
如何测量can总线的波特率
这两天在研究车载can总线,因为对于车上的can总线的接口以及波特率没有对应的资料可查(不同的车接口都不一样,波特率也可能不同),做一想要从车上测出can总线上的数据还不太容易。
于是我首先使用示波器(我使用的示波器型号是TDS 220)来找出汽车上can总线的接口,然后测出can总线的波特率,测量波特率的步骤如下:
1、将示波器的两个接口(接地和探头)分别接在can总线的两条线(CAN_H和CAN_L)上,这里需要注意如果CAN线上需要接一个120欧姆的负载电阻,否则波形是不规整方波,接上负载之后才是规整的方波。
2、此时如果can线上有数据,则会在示波器上显示出方波如图1所示。
(这里使用示波器的RUN/STOP按钮捕捉波形)
图1
3、但是此时因为示波器显示的数据太多还无法读取单个脉冲的周期,所以需要调节示波器的X轴的每格所代表的周期(调节SEC/DIV旋钮),然后使用RUN/STOP按钮重新捕捉波形得到图2所示的波形。
图2
4、最后将图2中宽度较小的脉冲再次放大(调节SEC/DIV)直到图3所示,这时每格代表1us,可以看到这个脉冲跨度为8us
所以最终得到该can总线的波特率为1s/8us=125K。
声明: 本文来自另外,将68013制作逻辑分析仪的原理说明简单整理了一下,大家可以看看,如果想DIY也就不难了。
点击此处下载(文件大小:203K)(原文件名:逻辑分析仪开发手册.pdf)前言一、什么是逻辑分析仪二、使用介绍三、安装说明四、Saleae软件使用方法五、逻辑分析仪硬件安装六、使用Saleae分析电视红外遥控器通信协议七、使用Saleae分析UART通信八、使用Saleae分析IIC总线通信九、使用Saleae分析SPI总线通信十、Saleae逻辑分析仪使用问题和注意事项123淘宝地址:(原文件名:前言:工欲善其事,必先利其器。
逻辑分析仪是电子行业不可或缺的工具。
但是由于一直以来,逻辑分析仪都属于高端产品,所以价格居高不下。
因此我们首先要感谢Cypress 公司,提供给我们68013这么好的芯片,感谢俄罗斯毛子哥将这个Saleae逻辑分析仪开源出来,让我们用平民的价格,就可以得到贵族的待遇,获得一款性价比如此之高的逻辑分析仪,可以让我们在进行数字逻辑分析仪的时候,快速查找并且解决许多信号、时序等问题,进一步提高我们处理实际问题的能力。
原本计划,直接将Saleae的英文版本使用手册直接翻译过来提供给大家,我花费半天时间翻译完后,发现外国人写的东西不太符合我们国人的思维习惯,当然,也是由于我的英语水平有限,因此,我根据自己摸索这个Saleae的过程,写了一份个人认为符合中国人习惯的Saleae,提供给大家,希望大家在使用过程中少走弯路,快速掌握使用方法,更快的解决自己实际遇到的问题。
由于个人水平有限,因此在文章撰写的过程中难免存在问题和错误,如果有任何问题,希望大家能够提出来,我会虚心接受并且改进,希望通过我们的交流,给越来越多的人提供更加优秀的资料,共同进步。
一、什么是逻辑分析仪:逻辑分析仪是一种类似于示波器的波形测试设备,它通过采集指定的信号,并通过图形或者数据统计化的方式展示给开发人员,开发人员通过这些图形化时序信号按照协议来分析硬件或者软件中的错误。
can波特率测试方法-回复Title: CAN Bus Bit Rate Testing MethodsIntroduction:The Controller Area Network (CAN) is a widely used communication protocol for automotive and industrial applications. One crucial parameter of the CAN bus is the bit rate, which determines the speed at which data is transmitted. In this article, we will explore the different methods used to test the CAN bus bit rate.1. Bench Testing:Bench testing is the most common method used to test the CAN bus bit rate. It involves setting up a controlled environment with a special hardware interface capable of analyzing and generating CAN bus signals. The following steps outline the bench testing process:Step 1: Select the Hardware InterfaceChoose a hardware interface compatible with the CAN bus you are working with. Common examples include CAN-to-USB adapters or CAN analyzers with built-in signal generators. Ensure thehardware supports the required bit rates.Step 2: Connect the Hardware InterfaceConnect the hardware interface to the CAN bus network using appropriate wiring and connectors. Make sure the connections are secure and properly insulated to prevent any interference.Step 3: Configure the Hardware InterfaceInstall the necessary drivers and software for the hardware interface. Configure the interface to match the desired bit rate you want to test. Some interfaces come with pre-defined bit rates, while others allow customization.Step 4: Generate Test SignalsUse the hardware interface software to generate a series of test signals at the specified bit rate. These signals should vary in complexity to evaluate the bus's ability to handle different data loads.Step 5: Analyze Signal QualityCapture and analyze the signals using the hardware interface. Look for any errors or signal distortions that may indicateproblems with the bit rate. Evaluate the signal quality against industry standards or specifications appropriate for the application.2. Real-Time Testing:Real-time testing involves evaluating the actual CAN bus in a live operational environment. This method requires access to the physical CAN bus network and specialized tools to monitor its behavior. The following steps outline the real-time testing process:Step 1: Identify Access PointsLocate access points in the network where you can connect monitoring tools. These can be connectors or nodes with available tap points for attaching the monitoring equipment.Step 2: Connect Monitoring ToolsAttach the monitoring tools, such as oscilloscopes or logic analyzers, to the identified access points. Ensure the tools are configured correctly to capture CAN bus signals accurately.Step 3: Monitor CAN Bus ActivityObserve the CAN bus network's activity during normal operation.Record the timestamps and analyze the received frames to calculate the effective bit rate.Step 4: Measure the Bit RateUsing the timestamped data, determine the average bit rate by calculating the time intervals between consecutive bits. Compare the measured bit rate with the desired bit rate to assess performance.Step 5: Troubleshoot IssuesIdentify any issues, such as errors or dropouts, that can affect the bit rate. Investigate potential causes, such as network congestion or faulty components, to address and rectify the problems.Conclusion:Accurately testing the bit rate of a CAN bus is crucial to ensure reliable and efficient communication. Bench testing using specialized hardware interfaces and real-time testing in operational environments are two common methods to evaluate the CAN bus bit rate. Following the outlined steps in each method ensures a systematic approach to testing and troubleshooting anyissues that may arise. Properly testing the bit rate enhances system performance and contributes to the overall success of CAN-enabled applications.。
实验7逻辑分析仪的使用实验七逻辑分析仪的原理与使用一、实验目的1理解逻辑分析仪的基本工作原理;2学会使用逻辑分析仪。
二、实验器材1 DSO-2902/512K 型测试仪 1台2 标准信号发生器 1台3 数字实验箱 1台4 数字电路实验板 1块5 74LS00 1片6 74LS112 2片三、DSO-2902/512K 型逻辑分析仪界面说明DSO-2902/512K 型测试仪的屏幕主窗口底部为逻辑分析仪界面,如图7.1所示。
1 通道标签图7.1中左侧有表示逻辑分析仪各通道的标签。
这些通道名称在屏幕上单击就能编辑,或从“观察”菜单下选择“逻辑组编辑”来选择编辑通道名称。
除了8个通道的标签以外,系统还默认显示4个标签:Hexdecimal 、Decimal 、ASCII 、Binery ,分别表示在数据显示区以16进制、10进制、ASCII 码及二进制显示数据。
2 各游标处的二进制值在各通道标签的右边,逻辑显示区的左边,是每个逻辑输入在游标A 和游标B 及触发游标处的二进制值。
3 数据显示区图7.1中上方为数据显示区,共有四行,从图7.1逻辑分析仪界面图7.2组编辑界面上到下依次为以16进制、10进制、ASCII 码及二进制显示的数据。
4 波形显示区图7.1中下方为波形显示区,从上到下依次显示通道D0~D7的时序图。
四、实验内容和步骤1 组编辑(标签设置)(1)在图7.1中左侧单击各通道,把“Chan D 0 ~ Chan D 7”依次改为“通道0 ~ 通道7”。
(2)从“观察”菜单下选择“编辑组”,打开图7.2 所示对话框,可选择编辑各标签和组的名称。
点“”可选择要编辑的组,通道组合默认为“D7D6D5D4D3D2D1D0”,可根据需要设置通道的组合顺序。
2 观察方波信号用信号发生器输出一个1kHz 、5V P-P 的方波,送到“逻辑POD 盒”的D1通道,右击屏幕出现图7.3 所示对话框,在此窗口中可对数字存储示波器的两个模拟通道及逻辑分析仪的数字通道进行设置。
1. 引言作为一种串行通讯技术,CAN-bus是20世纪80年代中后期适应汽车控制网络化要求而产生并迅速发展起来的,并已成为开放的国际标准通讯协议(ISO11898),在众多领域得到了广泛的应用。
但是专用的CAN分析仪价格昂贵,本文介绍了一种基于逻辑分析仪的分析CAN总线的方法,不仅节省项目的资金,而且高效准确。
一般的逻辑分析仪中没有CAN总线分析插件,CAN总线信号解码只能采用人工分析方法,即根据协议中规定的关系等许多情况进行分析。
这种分析方式不仅要求分析人员对该CAN协议非常熟悉,而且数据量大,分析过程容易出错。
本文采用了广州致远电子有限公司的高性能LAB6052逻辑分析仪和示波器相结合的方法对CAN-bus 进行分析调试。
LAB6052逻辑分析仪的CAN-bus总线分析功能使得大多数开发人员可以很轻松的发现错误、调试硬件、加快开发进度,为高速度、高质量完成工程提供保障。
2. 测试原理尽管CAN是差分信号,而逻辑分析仪只支持单端信号的测量,但是根据CAN的电平特性,是可以通过合适的方法准确测量分析CAN总线数据的。
如图1所示CAN2.0B规范定义了两种互补的逻辑数值:“显性”和“隐性”,同时传送“显性”和“隐性”位时,总线结果值为“显性”。
“显性”(“Daminant”)数值表示逻辑“0”,而“隐性”(“Recessive”)表示逻辑“1”。
在CAN规范中并未定义代表逻辑电平的物理状态(例如电压),iCAN网络使用符合ISO11898-2标准的电平信号,典型地,CAN总线为“隐性”(逻辑1)时,CAN_H和CAN_L的电平为2.5V(电位差为0V);CAN总线为“显性”(逻辑0)时,CAN_H和CAN_L的电平分别是3.5V和1.5V (电位差为2V),如图1所示。
图 1 CAN协议逻辑数值显而易见,当逻辑为1时CAN_L和CAN_H的差值为0,当逻辑为0时CAN_L和CAN_H差值为-2伏,用CAN_L的逻辑电平减去CAN_H的逻辑电平既可以得到CAN的时序逻辑,本文就是利用这一点达到测量的目的的,或者单端的CAN_L信号也是可以满足时序要求的,但是其稳定性明显不如双端的测量。
逻辑分析仪测试指导V1.0目录一概述 (3)二软件的安装及介绍 (4)2.1 关于采样深度和采样率 (6)2.2 关于波形信息 (6)2.3 关于协议分析 (7)三硬件连接 (10)四基本测试 (11)一概述逻辑分析仪是利用时钟从测试设备上采集和显示数字信号的仪器,最主要作用在于时序判定。
由于逻辑分析仪不像示波器那样有许多电压等级,通常只显示两个电压(逻辑1和0),因此设定了参考电压后,逻辑分析仪将被测信号通过比较器进行判定,高于参考电压者为High,低于参考电压者为Low,在High与Low之间形成数字波形。
逻辑分析仪显示数字波形图二软件的安装及介绍1.首先安装软件logic 1.1.4(32-bit),可以从/downloads下载,对应相应的操作系统下载。
2.安装完毕启动,我们可以看到以下界面这个是软件在没有接入硬件可以模拟运行,我们可以看到。
点击start simulation就可以看到波形,这时候只是软件根据你设置的你要的分析协议(如果你已经设置的话)模拟出来的,随机产生的。
如下图用鼠标左键点图形将实现ZOOM IN放大,右键ZOOM OUT缩小。
如果使用的是三轮鼠标可以使用中键进行放大缩小。
我们也可以移动底部的滑动条来查看波形。
3.安装完毕后插入硬件,出现找到新硬件提示,如下图点自动搜索驱动,之后就能完成驱动加载。
在安装驱动的最后一步,询问是否从新启动系统,点击否。
不用重新启动就可以使用,点击安装完毕。
4.再次启动软件会发现,我们看到现在的按钮变成了start 而不是之前没有接入硬件的start simulation。
这时候点击start将实现8路逻辑信号的采集。
2.1 关于采样深度和采样率在软件的左上方有两个下拉选项左边是一个采样深度,右边是一个采样率。
采样深度就是你总共要采集多少数据,图上的25M标示每路都采集25M bit;采样率就是一秒采集多少次。
比如说我们采集深度是1M采样率也是1M,那总的采集时间就是1秒。
如何用逻辑分析仪测定未知的CAN总线波特率
常常有工程师拿到一个陌生的CAN总线设备,需要做配套设备或者仿制。
而碰到的第一个难题就是不知道这个设备的CAN-bus波特率。
所以很多工程师就从1M开始一点点往下试验,用USBCAN-I之类的接口卡,不断配置各种不同波特率,然后挂到CAN总线上发送,只要发送成功就说明当前CAN波特率就是对的了。
这样的方式比较累人,而且没有把握成功。
所以最直接测波特率的方法,就是用逻辑分析仪采集陌生的CAN总线设备发出来的CAN 信号,然后寻找到最小的位,通过测定这个位来确定真实的波特率。
作为LA2000系列逻辑分析仪的代表,这里用LA2532逻辑分析仪来测,这种分析仪的采样速度可以高达200MHZ,所以完全可以满足最高1M的CAN波特率要求。
首先,先配置好采样的通道,LA2532有32个通道,我选择0通道使能,并将硬件上的0通道接在CANH上,把GND接在CANL上。
然后,配置采样率,由于LA2532的存储深度很深,故按默认的配置即可。
为了更好地捕捉到波形,最好设置一下触发条件,CANH和CANL在有显性电平时,可以有2-3V的压差,故选用上升沿触发。
将设备工作起来,设备能主动往总线上发送CAN帧,若LA2532接收到波形,则左边的MyBus0信号标会变为红色.这样就能点击采样的三角形图标,采样大约2秒时间,再点击停止图标。
点全局观看图标,就可以看到CAN的波形了。
拖动最左边的两个测量光标,寻找到最小的一个脉宽,将测量光
标夹住这个脉宽,就能在软件的左下方读出这个CAN-bus的波特率了。