调节阀的特性及选择
- 格式:doc
- 大小:273.50 KB
- 文档页数:11
调节阀流量系数计算公式和选择数据调节阀是工业生产过程中常用的一种流量控制设备,通过改变阀门开度实现流量的调节和控制。
调节阀的流量特性是一个非线性曲线,通常通过流量系数来描述。
流量系数是指,在单位压差下,通过阀门所能流过的液体的流量与阀门的开度之间的关系。
调节阀流量系数计算公式通常包含两个主要参数:阀门的开度和压差。
常见的调节阀流量系数计算公式有两种:流量系数计算公式和修正流量系数计算公式。
1.流量系数计算公式流量系数计算公式通常为以下形式:Cv=Q/√ΔP其中,Cv是调节阀的流量系数,Q是通过调节阀的液体流量,ΔP是压差。
2.修正流量系数计算公式修正流量系数计算公式是对流量系数计算公式进行修正,考虑了液体的特性、密度、黏度等因素,通常为以下形式:Cv=Q/√(SG*ΔP)其中,Cv是修正流量系数,Q是通过调节阀的液体流量,ΔP是压差,SG是液体的相对密度。
选择数据通常包括以下几个方面:1.流量范围根据实际工艺要求和流体特性,确定调节阀的流量范围。
包括最小流量、额定流量和最大流量。
2.压差范围根据实际工艺情况和管路布局,确定调节阀的压差范围。
包括最小压差、额定压差和最大压差。
3.流体特性根据液体的物理、化学特性,选择适合的调节阀型号。
包括液体的温度、压力、粘度、相对密度等参数。
4.调节特性根据实际工艺要求,选择适合的调节阀调节特性。
常见的调节特性有线性、等百分比、快开、快关等。
5.阀门材质根据液体的化学性质,选择适合的阀门材质。
常见的阀门材质有铸钢、不锈钢、铸铁、黄铜等。
∙调节阀计算与选型指导(一)∙2010-12-09 来源:互联网作者:未知点击数:588∙热门关键词:行业资讯【全球调节阀网】人们常把测量仪表称之为生产过程自动化的“眼睛”;把控制器称之为“大脑”;把执行器称之为“手脚”。
自动控制系统一切先进的控制理论、巧秒的控制思想、复杂的控制策略都是通过执行器对被控对象进行作用的。
调节阀是生产过程自动化控制系统中最常见的一种执行器,一般的自动控制系统是由对象、检测仪表、控制器、执型器等所组成。
调节阀直接与流体接触控制流体的压力或流量。
正确选取调节阀的结构型式、流量特性、流通能力;正确选取执行机构的输出力矩或推力与行程;对于自动控制系统的稳定性、经济合理性起着十分重要的作用。
如果计算错误,选择不当,将直接影响控制系统的性能,甚至无法实现自动控制。
控制系统中因为调节阀选取不当,使得自动控制系统产生震荡不能正常运行的事例很多很多。
因此,在自动控制系统的设计过程中,调节阀的设计选型计算是必须认真考虑、将设计的重要环节。
正确选取符合某一具体的控制系统要求的调节阀,必须掌握流体力学的基本理论。
充分了解各种类型阀的结构型式及其特性,深入了解控制对象和控制系统组成的特征。
选取调节阀的重点是阀径选择,而阀径选择在于流通能力的计算。
流通能力计算公式已经比较成熟,而且可借助于计算机,然而各种参数的选取很有学问,最后的拍板定案更需要深思熟虑。
二、调节阀的结构型式及其选择常用的调节阀有座式阀和蝶阀两类。
随着生产技术的发展,调节阀结构型式越来越多,以适应不同工艺流程,不同工艺介质的特殊要求。
按照调节阀结构型式的不同,逐步发展产生了单座调节阀、双座调节阀、角型阀、套筒调节阀(笼型阀)、三通分流阀、三通合流阀、隔膜调节阀、波纹管阀、O型球阀、V型球阀、偏心旋转阀(凸轮绕曲阀)、普通蝶阀、多偏心蝶阀等等。
如何选择调节阀的结构型式?主要是根据工艺参数(温度、压力、流量),介质性质(粘度、腐蚀性、毒性、杂质状况),以及调节系统的要求(可调比、噪音、泄漏量)综合考虑来确定。
调节阀流量特性介绍1. 流量特性调节阀的流量特性是指被调介质流过调节阀的相对流量与调节阀的相对开度之间的关系。
其数学表达式为式中:Qmax-- 调节阀全开时流量L---- 调节阀某一开度的行程Lmax-- 调节阀全开时行程调节阀的流量特性包括理想流量特性和工作流量特性。
理想流量特性是指在调节阀进出口压差固定不变情况下的流量特性,有直线、等百分比、抛物线及快开4种特性(表1)流量特性性质特点直线调节阀的相对流量与相对开度呈直线关系,即单位相对行程变化引起的相对流量变化是一个常数①小开度时,流量变化大,而大开度时流量变化小②小负荷时,调节性能过于灵敏而产生振荡,大负荷时调节迟缓而不及时③适应能力较差等百分比单位相对行程的变化引起的相对流量变化与此点的相对流量成正比①单位行程变化引起流量变化的百分率是相等的②在全行程范围内工作都较平稳,尤其在大开度时,放大倍数也大。
工作更为灵敏有效③ 应用广泛,适应性强抛物线特性介于直线特性和等百分比特性之间,使用上常以等百分比特性代之①特性介于直线特性与等百分比特性之间②调节性能较理想但阀瓣加工较困难快开在阀行程较小时,流量就有比较大的增加,很快达最大①在小开度时流量已很大,随着行程的增大,流量很快达到最大②一般用于双位调节和程序控制在实际系统中,阀门两侧的压力降并不是恒定的,使其发生变化的原因主要有两个方面。
一方面,由于泵的特性,当系统流量减小时由泵产生的系统压力增加。
另一方面,当流量减小时,盘管上的阻力也减小,导致较大的泵压加于阀门。
因此调节阀进出口的压差通常是变化的,在这种情况下,调节阀相对流量与相对开度之间的关系。
称为工作流量特性[1]。
具体可分为串联管道时的工作流量特性和并联管道时的工作流量特性。
(1)串联管道时的工作流量特性调节阀与管道串联时,因调节阀开度的变化会引起流量的变化,由流体力学理论可知,管道的阻力损失与流量成平方关系。
调节阀一旦动作,流量则改变,系统阻力也相应改变,因此调节阀压降也相应变化。
调节阀选型指南之—弹簧范围的选择一、“标准弹簧范围”的错误说法应予纠正弹簧是气动调节阀的主要零件。
弹簧范围是指一台调节阀在静态启动时的膜室压力到走完全行程时的膜室压力,字母用Pr表示。
如Pr为20~100KPa,表示这台调节阀静态启动时膜室压力是20KPa,关闭时的膜室压力是100KPa。
常用的弹簧范围有20~100KPa、20~60KPa、60~100KPa、60~180KPa、40~200KPa…由于气动仪表的标准信号是20~100KPa,因此传统的调节阀理论把与气动仪表标准信号一致的弹簧范围(20~100KPa)定义成标准弹簧范围。
调节阀厂家按20~100KPa作为标准来出厂,这是十分错误的。
为了保证调节阀正常关闭和启动,就必须用执行机构的输出力克服压差对阀芯产生的不平衡力,我们知道对气闭阀膜室信号压力首先保证阀的关闭到位,然后再继续增加的这部分力,才把阀芯压紧在阀座上克服压差把阀芯顶开。
我们又知道,不带定位器调节阀的最大信号压力是100KPa,它所对应的20~100KPa的弹簧范围只能保证阀芯走到位,再也没有一个克服压差的力量,阀门工作时必然关不严造成内漏。
为此,就必须调整或改变弹簧范围,但是,把它说成“标准弹簧范围”就出问题了,因为是标准就不能改动。
如果我们坚持标准,按“标准弹簧范围”来调整,那么,它又怎么能投用呢?在现实中,却有许多使用厂家和安装公司;都坚持按“标准弹簧范围”20~100KPa来调整和验收调节阀,又确实发生阀门关不严的问题。
错误的根源就在此。
正确的提法应该是“设计弹簧范围”,是我们设计生产弹簧的零件参数。
工作时根据气开气闭还要作出相应的调整,我们称为工作弹簧范围。
仍以上述为例,设计弹范围20~100KPa,对气闭阀我们可以将工作弹簧范围调到10~90KPa,这样就有10KPa,作用在膜室的有效面积Ae 上;又如气开阀,有气打开,无气时阀关闭,此时克服压差靠的是弹簧的预紧力。
电动调节阀技术要求1.控制精度要求高:电动调节阀是通过电动执行器控制阀门的开关和调节,因此需要保证电动执行器能够对阀门进行准确的控制。
控制精度是指电动调节阀在给定参数变化时,输出的流量、压力或温度能够与设定值保持一致的能力。
通常控制精度要求在正负2%以内,高于此要求的电动调节阀将更具可靠性。
2.响应速度要求快:电动调节阀需要对输入的信号快速做出反应,调整阀门的开度。
因此,电动执行器的响应速度成为电动调节阀的重要指标之一、响应速度越快,就能更快地调整阀门的开度,实现更及时的控制。
3.阀门耐磨性要好:由于电动调节阀需要频繁的开关和调节操作,阀芯和阀座接触面积大,容易出现磨损。
因此,电动调节阀的阀芯和阀座材料需要具有良好的耐磨性能,以确保长时间运行下的可靠性。
4.具备良好的密封性:电动调节阀作为流体控制设备,需要具备良好的密封性能,以避免压力泄漏和流体泄漏。
电动调节阀的密封性能取决于阀芯和阀座的配合精度,以及密封材料的选用。
5.耐高压和耐腐蚀性能要好:电动调节阀通常用于工业领域,需要考虑到不同工况下压力和介质对阀门的影响。
因此,电动调节阀需要具备较高的耐压性能,以及能够抵御腐蚀介质对阀门材料的腐蚀。
6.具备稳定的动态特性:电动调节阀在工业自动化控制系统中常常需要与其他设备协同工作,如传感器、控制器等。
为了确保系统的稳定性,电动调节阀需要具备良好的动态特性,能够对输入信号快速做出反应,并且能够保持稳定的运行。
7.安全可靠的运行:电动调节阀作为工业控制设备,需要保证其安全可靠的运行。
因此,电动调节阀需要具备过载保护、自锁功能等安全保护措施,以及智能故障诊断和远程监控功能,以提高设备的可靠性和安全性。
总之,电动调节阀的技术要求是多方面的,包括控制精度、响应速度、阀门耐磨性、密封性、耐高压和耐腐蚀性能、稳定的动态特性以及安全可靠的运行等。
只有满足这些技术要求,电动调节阀才能在工业自动化控制系统中发挥良好的作用。
调节阀类型及选型调节阀又名控制阀,通过接受调节控制单元输出的控制信号,借助动力操作去改变流体流量。
调节阀一般由执行机构和阀门组成。
如果按其所配执行机构使用的动力,调节阀可以分为气动调节阀、电动调节阀、液动调节阀三种,即以压缩空气为动力源的气动调节阀,以电为动力源的电动调节阀,以液体介质(如油等)压力为动力的电液动调节阀,另外,按其功能和特性分,还有水力控制阀、电磁阀、电子式、智能式、现场总线型调节阀等。
调节阀的阀体类型选择调节阀的阀体种类很多,常用的阀体种类有直通单座、直通双座、角形、隔膜、小流量、三通、偏心旋转、蝶形、套筒式、球形等。
在具体选择时,可做如下考虑:(1)阀芯形状结构主要根据所选择的流量特性和不平衡力等因素考虑。
(2)耐磨损性当流体介质是含有高浓度磨损性颗粒的悬浮液时,阀的内部材料要坚硬。
(3)耐腐蚀性由于介质具有腐蚀性,尽量选择结构简单阀门。
(4)介质的温度、压力当介质的温度、压力高且变化大时,应选用阀芯和阀座的材料受温度、压力变化小的阀门。
(5)防止闪蒸和空化闪蒸和空化只产生在液体介质。
在实际生产过程中,闪蒸和空化会形成振动和噪声,缩短阀门的使用寿命,因此在选择阀门时应防止阀门产生闪蒸和空化。
调节阀执行机构的选择为了使调节阀正常工作,配用的执行机构要能产生足够的输出力来保证高度密封和阀门的开启。
对于双作用的气动、液动、电动执行机构,一般都没有复位弹簧。
作用力的大小与它的运行方向无关,因此,选择执行机构的关键在于弄清最大的输出力和电机的转动力矩。
对于单作用的气动执行机构,输出力与阀门的开度有关,调节阀上的出现的力也将影响运动特性,因此要求在整个调节阀的开度范围建立力平衡。
执行机构类型的确定对执行机构输出力确定后,根据工艺使用环境要求,选择相应的执行机构。
对于现场有防爆要求时,应选用气动执行机构。
从节能方面考虑,应尽量选用电动执行机构。
若调节精度高,可选择液动执行机构。
如发电厂透明机的速度调节、炼油厂的催化装置反应器的温度调节控制等。
调节阀的结构形式、特点、工作原理、设计与选型原则一、概述:1、调节阀是一种用于控制流体介质流量、压力和温度的装置。
它通过改变阀门的开度来调节流体的流量,从而实现对流体系统的控制。
调节阀广泛应用于石油、化工、电力、冶金、制药、食品等工业领域,具有重要的作用。
2、调节阀是气动执行机构和电动执行机构配套使用的阀门。
它由一个主阀及其附设的导管、导套、活塞、弹簧等附件组成。
主阀主要由塞型阀芯(密封座)、主阀体(缸体)和连接件(定位器)组成。
3、调节阀是制造业里非常重要的流体控制元件,合理、正确的选型将为工业控制系统提高效率、保证生产安全、节约能源、提高经济效益。
4、在生产现场,调节阀直接控制着工艺介质,有些介质成分比较复杂,尤其是高温、高压、易燃、易爆等特殊情况,若选择不当,往往给生产控制带来困难,以致调节质量下降,甚至造成严重的生产事故。
二、调节阀的结构型式、特点及工作原理:1、闸阀式调节阀:闸阀式调节阀是以闸阀作为调节介质的调节装置,它的主要特点是流体的流量可以比较的控制。
它的工作原理是,当控制信号发生变化时,控制阀杆转动,改变闸阀的开度,从而改变流量。
2、旋塞式调节阀:旋塞式调节阀是以旋塞作为调节介质的调节装置,它的主要特点是能够调节流量的范围比较大,而且操作简单。
它的工作原理是,当控制信号发生变化时,控制阀杆转动,改变旋塞的开度,从而改变流量。
3、蝶阀式调节阀:蝶阀式调节阀是以蝶阀作为调节介质的调节装置,它的主要特点是可以调节流量的范围比较大,而且操作简单。
它的工作原理是,当控制信号发生变化时,控制阀杆转动,改变蝶阀的开度,从而改变流量。
4、气动薄膜式调节阀:气动薄膜式调速装置由气动薄膜式调速装置的主机、电磁铁和电源三部分组成。
主机部分包括气缸1(1个或2个);气缸2(2个);单向活接头(3个);手动操作手柄(1个)。
电磁铁部分包括电磁铁1(1只),线圈1(4根),固定螺帽3颗。
电源部分包括交流220伏50Hz单相三线制供电线路。
气动调节阀气开、气关方式的选择气动调节阀气开、气关方式的选择主要是从生产安全角度出发来考虑的。
当调节阀上信号或气源中断时,应避免损坏设备和伤害人员。
如事故情况下,调节阀处于关闭位置危害小,则应选用气开式调节阀;反之,应选用气关式调节阀。
举例来说,如加热炉的燃料气或燃料油调节阀,应选用气开式,以保证事故时能切断燃料,以免烧坏炉子。
对于塔、储罐等设备,它们的压力控制若是通过排出物料来操纵,则调节阀应选用气关式;若是通过进入物料来进行操纵,则调节阀应选用气开式,以防事故时设备超压损坏。
对供气安全系数特别高的大型石油化工厂,因为它们除有足够容量的储气罐以外,还设有备用压缩机、外接气源等,而且工厂的供电等级也很高,所以供气系统的不安全度极小。
在这种情况下,一般用途的调节阀可以根据操作习惯与方便、统一的原则来选择调节阀的气开、气关方式。
对于少数极重要的调节阀,则不仅需要合理选择气开、气关方式,还需要考虑设置保位阀、事故用储气罐等专有的附属装置,以确保其在任何清况下的安全、可靠,并有利于事故后恢复生产。
气动调节阀的气开、气关方式,可以通过气动执行机构的正、反作用与阀芯正、反装的组合来实现。
确定调节阀的一些参数一.调节阀⑴确定计算流量:根据生产能力,设备负荷及介质状况,确定Qmax和Qmin.⑵确定计算压差:根据系数特点选定S值,然后确定计算压差。
⑶计算流量系数:选择合适的计算公式或图表,求取最大和最小流量时的Cmax和Cmin。
⑷C值的选取:根据Cmax,在所选产品型式的标准系列中,选取大于Cmax并最接近的那一级C值。
⑸调节阀开度验算:要求最大流量时,阀开度不大于90%,最小流量时开度不小于10%,(根据《自动化选型规定》HG/T20507-92).对于直线特性阀,最大开度≦80%,最小开度应≧10%;等百分比特性阀,最大开度≦90%,最小开度应≧30%.⑹实际可调比的验算:一般要求,实际可调比不小于10.(一般选取30左右自认为)⑺口径的确定:验证合适后,根据C值决定。
1、调节阀的选用概述下面具体地论述了所有的阀门类型,如球形阀、球阀、蝶阀、偏心旋转阀、隔膜阀及用于控制的其他类型的阀门。
这份资料使用户知道每种类型阀门的操作条件范围和口径大小,以及随着环境和使用场合的不同,一种类型阀门的性能与另一种阀门性能的差别。
一种类型阀门的性能实际上是与价格和质量有关系的。
控制质量与不同稳定度下的粗略的、适度的或精确的流量控制、可调范围(调节比)和阀内件寿命有关。
正确的阀门必须和合适的仪表一起使用,使其在控制系统的动态特性中起适当的作用。
考虑到选择调节阀包括许许多多的变量,这里只能给出一般性的指导原则。
下面给出的表格指了调节阀口径的典型颁布情况。
调节阀口径在加工工厂中的典型颁布情况口径累积的百分数等于或小于1?英寸调节阀总数的65%等于或小于2英寸调节阀总数的83%等于或小于3英寸调节阀总数的91%等于或小于4英寸调节阀总数的96%阀门的选用一般考虑采用下述的操作变量来选择阀门的类型,它能够用来处理已规定的操作条件:1)管线压力(阀门压力等级)。
2)流量(在流动状态下的Cv值,与阀门的口径有关)。
3)压差(在节流稳定、低噪音、防气蚀及较小磨损下的许用△P)。
4)操作温度范围(与结构及使用的材料有关)。
5)腐蚀率(与具体的阀门类型中经济地使用材料有关)。
评价的因素对于具体的应用场合,用哪种阀门最好、这取决于下述因素的相对重要性: 1)噪音级——小于90分贝(A)和(或)达到声带的阻塞流量。
(随着下游压力的降低,限制了流量的增加)。
2)气蚀——大于起始值(较小的)在气蚀状态下的阻塞流量。
3)闪蒸——阀门的口径是按阻塞流量计算的,阀体材料能够耐较大的磨蚀。
4)磨蚀——用结构和硬化的阀内件来减小或补偿。
5)节流稳定性——满足工艺流量和压力变化的需要。
6)价格总的价格包括:采购、安装、操作动力及维修。
7)口径大小——适合于可以使用的空间。
考虑配管强度、地震力、管道的大小头与管线尺寸的关系及阀体与缩小流通面积阀内件的关系。
气动流量调节阀选型原则
1.流量范围:根据需要的流量范围选择合适的气动流量调节阀,要保
证能够满足工业生产的需要。
2.动作方式:选择适当的动作方式,包括手动、机械、液压、气动或
电动,需要根据具体情况进行选择。
3.控制方式:选用适当的控制方式,包括压力、流量或温度控制,需
要根据具体的生产工艺进行选择。
4.泄漏级别:要求高的生产工艺需要选用泄漏率较低的流量调节阀,
以避免对生产线和员工的安全和环境造成影响。
5.材料选择:要充分考虑介质的特性和温度,选择合适的材料,保证
阀门的耐腐蚀性、耐磨性和耐高温性。
6.稳定性:要选择稳定性好的气动流量调节阀,以确保阀门的准确性
和稳定性,以及无波动性和反应迅速。
7.经济性:要综合考虑气动流量调节阀的价格、使用寿命、维护和保
养成本,确定其经济性,并且要确保其在生产过程中不会产生无谓的损失。
石油化工装置调节阀的设计选用陆德民黄步余中国石化工程建设公司- 1 -一.调节阀的工作原理二.调节阀的流量特性三.调节阀的口径计算四.调节阀的噪音预估五.调节阀的设计选用六.调节阀采购应注意的问题附录1)由于阻力系数ξ是随阀门不同结构而异,故不同结构的流路,其K V值是不相同的,如蝶阀,球阀流路简单,ξ值小,故KV 值大;套筒阀,高压球心阀流路复杂,ξ值大,KV值就小。
因此,用流量系数C来表征阀门的容量(即流通能力)是很恰当的。
2)该公式仅适用于牛顿流体,不适用于非牛顿流体如泥浆、胶液等雷诺数很低非湍流状的流体及两相混合物的计算。
3)流量系数Cv:在每平方英寸1磅的压力降下,每分钟流过阀门60O F(15.6℃)水的加仑数.(英制单位流量系数)Kv:在0.1MPa压力降下,每小时流过阀门5-40℃水的立方米数(国际单位流量系数)C:在0.1MPa压力降下,每小时流过阀门5-40℃水的立方米数(中国常用流量系数) C=1.16Kv Cv=1.17C Kv=1.01C- 3 -流体流过调节阀在阀内压力分布曲线图- 4 -当P1保持不变,逐渐关小调节阀,即降低阀后压力P2,流量Q会随着ΔP的增加而相应的增加.当达到B点后直线变化,到临界点A后,继续增加P2压力,流量不会增加,此时状态称为阻塞流(choked folw)。
图1.缩流处是最大压降ΔPcr ,为P2>PV,则产生空化现象。
- 5 -二、调节阀的流量特性流量特性是指阀门的行程与流量之间的关系流量特性分理想特性和工作特性:¾理想特性是假设流体在湍流和亚临界状态下,阀门的压降、流体温度及密度都保持不变时,行程与流量的关系。
这时流量只与K V 成单一函数关系。
理想特性是由制造厂制造时决定的。
¾理想特性分快开、直线、抛物线、等百分比特性,但抛物线接近等百分比特性,快开只用于开关控制,所以作为节流控制实际上只有直线和等到百分比特性两种。
调节阀特点调节阀特点调节阀特点目录调节阀特点 0直通单座调节阀特点: (2)直通双座调节阀特点: (2)轴流式调节阀特点 (2)CVS-C型减温减压阀(专用于高压蒸汽冷凝器的减压)特点: (3)三通调节阀特点:、 (3)角式调节阀特点: (3)隔膜阀特点: (4)套筒调节阀特点: (4)球阀特点: (4)偏心旋转阀特点: (5)蝶阀特点(蝶阀分为常温蝶阀(-29~425℃)、低温蝶阀(-196~-46℃)、高温蝶阀(425~610℃和610~816℃)、高压蝶阀:PN420(Class 2500)等几类。
): (5)闸阀特点: (6)自力式调节阀 (6)智能调节阀(因附带智能阀门定位器而使调节阀具有智能化功能) (7)智能阀门定位器与普通阀门定位器的主要区别: (7)带现场总线智能阀门定位器的气动调节阀较一般智能阀门定位器的特点: (7)直通单座调节阀特点:1)泄漏量小,容易实现严格的密封和切断,可采用金属与金属的密封或金属与聚四乙烯(PTFE)或其他复合材料的密封。
标准泄漏量为IEC 60534-4:2006中Ⅳ级。
2)允许压差小,例如DN100阀的允许压差仅为120Kpa3)流通能力小,例如DN100的直通阀的流通能力仅为100m3/ℎ。
4)由于流体对阀芯的推力大,即不平衡力大,因此在高压差、公称尺寸DN大的应用场合不宜采用这类调节阀。
直通双座调节阀特点:1)所受不平衡力下,允许的压降大,例如DN100的双座调节阀允许压差为280Kpa.2)流通能力强。
与相同公称尺寸的其他调节阀比较,双阀座阀可流过更多流体,相同公称尺寸的双座阀流通能力比单座阀流通能力大20%~50%。
例如,DN100双座调节阀的流通能力达160m3/ℎ。
因此为获得相同的流通能力,双座调节阀可选用较小推力的执行机构。
3)泄漏量大。
双座调节阀的上,下阀芯不能同时保证关闭,因此双座阀的泄漏量较大,标准的泄漏量为IEC 60534-4:2006的Ⅲ级。
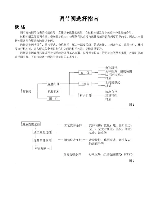
调节阀的特性及选择调节阀是一种在空调控制系统中常见的调节设备,分为两通调节阀和三通调节阀两种。
调节阀可以和电动执行机构组成电动调节阀,或者和气动执行机构组成气动调节阀。
电动或气动调节阀安装在工艺管道上直接与被调介质相接触,具有调节、切断和分配流体的作用,因此它的性能好坏将直接影响自动控制系统的控制质量。
本文仅限于讨论在空调控制系统中常用的两通调节阀的特性和选择,暂不涉及三通调节阀。
1.调节阀工作原理从流体力学的观点看,调节阀是一个局部阻力可以变化的节流元件。
对不可压缩的流体,由伯努利方程可推导出调节阀的流量方程式为()()21221242P P D P P AQ -=-=ρζπρζ式中:Q——流体流经阀的流量,m 3/s ;P1、P2——进口端和出口端的压力,MPa ;A——阀所连接管道的截面面积,m 2; D——阀的公称通径,mm ;ρ——流体的密度,kg/m 3; ζ——阀的阻力系数。
可见当A 一定,(P 1-P 2)不变时,则流量仅随阻力系数变化。
阻力系数主要与流通面积(即阀的开度)有关,也与流体的性质和流动状态有关。
调节阀阻力系数的变化是通过阀芯行程的改变来实现的,即改变阀门开度,也就改变了阻力系数,从而达到调节流量的目的。
阀开得越大,ζ将越小,则通过的流量将越大。
2.调节阀的流量特性调节阀的流量特性是指流过调节阀的流体相对流量与调节阀相对开度之间的关系,即⎪⎭⎫⎝⎛=L l f Q Q max 式中:Q/Q max ——相对流量,即调节阀在某一开度的流量与最大流量之比; l/L ——相对开度,即调节阀某一开度的行程与全开时行程之比。
一般说来,改变调节阀的阀芯与阀座之间的节流面积,便可控制流量。
但实际上由于各种因素的影响,在节流面积变化的同时,还会引起阀前后压差的变化,从而使流量也发生变化。
为了便于分析,先假定阀前后压差固定,然后再引申到实际情况。
因此,流量特性有理想流量特性和工作流量特性之分。
2.1 调节阀的理想流量特性调节阀在阀前后压差不变的情况下的流量特性为调节阀的理想流量特性。
调节阀的理想流量特性仅由阀芯的形状所决定,典型的理想流量特性有直线流量特性、等百分比(或称对数)流量特性、抛物线流量特性和快开流量特性,如图5-6所示。
(1)直线流量特性直线流量特性是指调节阀的相对流量与相对开度成直线关系,即单位行程变化所引起的流量变化是常数。
由此可见,直线流量特性调节阀在行程变化相同的条件下所引起的相对流量变化也相同,但相对流量变化的相对值不同。
即流量小时,相对流量变化的相对值大;而流量大时,相对流量变化的相对值小。
也就是说,阀在小开度时控制作用太强,不易控制,易使系统产生振荡;而在大开度时,控制作用太弱,不够灵敏,控制难于及时。
(2)等百分比(对数)流量特性等百分比流量特性是指单位相对行程变化所引起的相对流量变化与此点的相对流量成正比关系,即该点单位相对行程变化的百分数与相对流量变化的百分数相等,故称为等百分比流量特性。
等百分比流量特性的相对开度与相对流量成对数关系,故又称之为对数流量特性。
这种调节阀的放大系数是随行程的增大而递增,即在开度小时,相对流量变化小,工作缓和平稳,易于控制;而开度大时,相对流量变化大,工作灵敏度高,这样有利于控制系统的工作稳定。
(3)抛物线流量特性抛物线流量特性的调节阀的相对流量与相对开度的二次方成比例关系。
(4)快开流量特性调节阀在开度较小时就有较大流量,随开度的增大,流量很快就达到最大,故称为快开流量特性。
快开流量特性的阀芯是平板形的,适用于迅速启闭的切断阀或双位控制系统。
2.2 工作流量特性在实际使用时,调节阀总是与具有阻力的表冷器、换热器、管道等相连接,即使能保持供、回水压差不变,也不能始终保持调节阀前后的压差恒定。
因此,虽然在同一相对开度下,通过调节阀的实际流量将与理想特性时所对应的流量不同。
所谓调节阀的工作流量特性就是指调节阀在前后压差随负荷变化的工作条件下,它的相对流量与相对开度之间的关系。
(1)串联管道时调节阀的工作流量特性直通调节阀与管道和设备串联的系统及其压差变化情况如图5-7所示。
调节阀安装在串联管道系统中,串联管道系统的阻力与通过管道的介质流量成平方关系。
当系统总压差为一定时,调节阀一旦动作,随着流量的增大,串联设备和管道的阻力亦增大,这就使调节阀上压差减小,结果引起流量特性的改变,理想流量特性就变为工作流量特性。
假设在无其他串联设备阻力的条件下,阀全开时的流量为Q max ,在有串联设备阻力的条件下,阀全开的流量为Q 100,两者关系可用下式表示:v P Q Q max 100=式中P v 为阀全开时,阀上的压差与系统总压差之比值,称为阀权度,也称为阀门能力或压差比,即PP P v ∆∆=1式中:ΔP 1——调节阀全开时阀上的压力降;ΔP ——包括调节阀在内的全部管路系统总的压力降。
显然,随着串联阻力的增大,P v 值减小,则Q 100会减小,这时阀的实际流量特性偏离理想流量特性也就愈严重。
以Q 100作参比值,不同P v 值下的工作流量特性如图5-8所示。
由图5-8可以看出,当P v =1时,理想流量特性与工作流量特性一致;随着P v 的值降低,Q 100逐渐减小,所以实际可调比R(R=Q max /Q min )是调节阀所能控制的最大与最小畸变,也会逐渐减小;随着P v 值的减小,特性曲线发生畸变,直线特性阀趋于快开特性,而等百分比特性阀趋于直线特性阀,这就使得调节阀在小开度时控制不稳定,大开度时控制迟缓,会严重影响控制系统的调节质量。
因此,在实际使用时,对P v 值要加以限制,一般希望不低于0.3~0.5。
(2)并联管道时调节阀的工作流量特性调节阀一般都装有旁路,以便于手动操作和维护,当负荷提高或调节阀选小了时,可以打开一些旁路阀,此时调节阀的理想特性就改变为工作特性。
若以X 代表管道并联时调节阀全开流量1Q 与总管最大流量max Q 之比,即m axm ax1Q Q X =,可以得到压差为一定而X 值不同时的工作流量特性,如图5-9所示。
当X=1,即旁路阀关闭时,调节阀的工作特性同理想特性一致;随着X 的减小,系统的可调比将大大下降。
同时,在实际应用中总有串联管道阻力的影响,调节阀上压差还会随流量的增加而降低,使可调比更为下降。
一般认为X 值不应低于0.5,最好不低于0.8。
3.调节阀的可调比调节阀的可调比就是调节阀所能控制的最大流量与最小流量之比。
可调比也称可调范围,若以R 来表示,则m inm axQ Q R =要注意最小流量Q min 和泄漏量的含义不同。
最小流量是指可调流量的下限值,它一般为最大流量Q max 的2%-4%,而泄漏量是阀全关时泄漏的量,它仅为最大流量的0.1%-0.01%。
3.1 理想可调比当调节阀上压差一定时,可调比称为理想可调比,即minmaxmin max C C Q Q R ==也就是说,理想可调比等于最大流量系数与最小流量系数之比,它反映了调节阀调节能力的大小,是由结构设计所决定的。
一般总是希望可调比大一些为好,但由于阀芯结构设计及加工方面的限制,流量系数C min 不能太小,因此,理想可调比一般均小于50,我国规定在设计中理想可调比统一取30。
3.2 实际可调比调节阀在实际工作时不是与管路系统串联就是与旁路阀并联,随管路系统的阻力变化或旁路阀开启程度的不同,调节阀的可调比也会产生相应的变化,这时的可调比就称为实际可调比。
(1)串联管道时的可调比如图5-7所示的串联管道,由于流量的增加,管道的阻力损失也增加。
若系统的总压差ΔP 不变,则分配到调节阀上的压差相应减小,这就使调节阀所能通过的最大流量减小, 所以,串联管道时调节阀实际可调比会降低。
若用R ′表示调节阀的实际可调比,则PP RP P RP C P C Q Q R ∆∆≈∆∆=∆∆=='min1max 1min 1max1minmin1max minmaxρρ式中 max 1P ∆——调节阀全关时阀前后的压差,约等于系统的总压差P ∆;min 1P ∆——调节阀全开时阀前后的压差。
由串联管道时调节阀的工作流量特性可知,PP ∆∆m in1=v P ,即阀权度。
则v P R R ='由上式可知,当v P 值越小,即串联管道的阻力损失越大时,实际可调比就越小。
(2)并联管道时的可调比在图3-13所示并联管道中,由于旁路流量的存在,相当于提高了调节阀的最小流量min Q 。
当打开与调节阀并联的旁路时,实际可调比为:2min 1maxQ Q Q R +='由m ax m ax 1Q Q X =, m in1m ax 1Q QR = 可得: max min 1Q RXQ =, max max 1max 2)1(Q X Q Q Q -=-= 因此XR R RQ Q Q R )1(2min 1max -+=+='从上式可知:当X 值越小,即旁路流量越大时,实际可调比就越小,由此可见旁路阀的开度对实际可调比的影响极大。
由于150~30>>=R ,因此2max max 1max max 11Q Q Q Q Q X R =-=-≈' 上式表明在并联管道中调节阀的实际可调比与调节阀本身的可调比近乎无关,由于调节阀的最小流量一般比旁路流量小得多,故其实际可调比实际上只是总管最大流量与旁路流量的比值。
综上所述,串联或并联管道都将使实际可调比下降,所以在选择调节阀和组成系统时不应使v P 值太小,并且要尽量避免打开并联管路的旁路阀,以保证调节阀有足够的可调比。
3.3 调节阀流通能力调节阀流通能力是衡量阀门流量控制的能力。
其定义为:当调节阀全开、阀两端压差为105Pa 、流体密度为ρ=1g /cm 3时,每小时流经调节阀的流量数,以m 3/h 计。
从调节阀的流量方程式可知:()P A P P A Q ∆=-=ρζρζ2221式中 Q ——流体流量,m 3/h ;A ——调节阀接管截面积,cm 2;P 1——阀前压力,105Pa =10N/cm 2;P 2——阀后压力,105Pa =10N/cm 2;ΔP ——阀两端压差,105Pa =10N/cm 2;ρ——流体的密度,1g/cm 3=10N -5·S 2/cm 4。
把采用的单位量纲代人上式后可得到:ρζρζρζPAP AP A Q ∆=∆⨯=∆=-09.51010225令ζAC 09.5=,则有: ρPCQ ∆=,C 称为调节阀的流通能力,又称为调节阀的流量系数。
由于P 1、P 2和ΔP 的单位是105Pa ,使用起来不方便,若改为Pa 作单位,而C 仍用上式计算,则有:ρPC Q ∆=316,即 ρPQ C ∆=316上式是ΔP 以Pa 为单位,ρ以g/cm 3作单位时计算C 值的基本公式。