《地下工程》课程设计--地铁区间盾构隧道建筑限界的确定与横断面设计
- 格式:pdf
- 大小:2.28 MB
- 文档页数:13
地下工程课程设计计算书之隧道设计第一章设计概况地铁是地下铁道的简称。
它是一种独立的轨道交通系统,不受地面道路情况的影响,能够按照设计的能力正常运行,从而快速、安全、舒适地运送乘客。
地铁效率高,无污染,能够实现大运量的要求,具有良好的社会效益。
而地铁车站是地下铁道的重要组成部分,它要解决客流的集散、换乘,同时也要解决整条线路行驶中的就技术设备、信息控制、运行管理,以保证交通的顺畅、快捷、准时、安全。
车站设计本着“以人为本”的观念,坚持适用性、安全性、识别性、舒适性、经济性的原则。
本设计主要是针对城市地铁区间隧道的结构设计,主要内容为:对区间隧道进行结构检算,求出内力,并进行配筋计算。
1.1 工程地质概况For personal use only in study and research; not for commercial use线路垂直于永定河冲、洪积扇的轴部,第四纪地层沉积韵律明显,地层由上到下依次为:杂填土、粉土、细砂、圆砾土、粉质粘土、卵石土。
其主要物理力学指标如表1,本地区地震烈度为7度。
1. 2其他条件地下水位在地面以下11m处;隧道顶板埋深5.5m。
1.3设计依据《建筑结构荷载规范》(GBJ 50009-2001)《铁路隧道设计规范》(TB10003-2001)《铁路隧道喷锚构筑法技术规范》(TB10108-2002)《锚杆喷射混凝土支护技术规范》(GB 50086-2001)《混凝土结构设计规范》(GB 50010-2002)《地下工程防水设计规范》(GB 50108-2001)《建筑基坑支护技术规程》(JGJ120-99)《地铁设计规范》(GB50157-2003)第二章结构设计2.1根据给定的隧道埋深判断结构深、浅埋可以采用铁路隧道推荐的方法,即有 *10.452[1(5)]s h i B -=⨯⨯+-上式中s 为围岩的级别;B 为洞室的跨度;i 为B 每增加1m 时的围岩压力增减率。
地铁隧道盾构法课程设计一、教学目标本节课的教学目标是让学生了解地铁隧道盾构法的基本概念、工作原理和施工工艺,掌握盾构机的构造和操作要点,以及盾构法施工的安全注意事项。
通过本节课的学习,学生应能解释盾构法在地铁隧道建设中的应用,分析盾构法施工的优缺点,并能够运用所学知识解决实际工程问题。
二、教学内容本节课的教学内容主要包括地铁隧道盾构法的定义、工作原理、施工工艺、盾构机的构造和操作要点,以及盾构法施工的安全注意事项。
具体包括以下几个方面:1.地铁隧道盾构法的定义和分类;2.盾构机的工作原理和主要组成部分;3.盾构法的施工工艺和操作要点;4.盾构法施工的安全注意事项;5.盾构法施工案例分析。
三、教学方法为了提高学生的学习兴趣和主动性,本节课将采用多种教学方法,包括讲授法、案例分析法、实验法等。
1.讲授法:通过讲解盾构法的定义、工作原理、施工工艺等基本概念,使学生掌握盾构法的基本知识。
2.案例分析法:分析实际工程案例,使学生了解盾构法在地铁隧道建设中的应用,提高学生解决实际问题的能力。
3.实验法:学生进行盾构机模型操作实验,使学生熟悉盾构机的构造和操作方法。
四、教学资源为了支持教学内容和教学方法的实施,丰富学生的学习体验,本节课将选择和准备以下教学资源:1.教材:《地铁隧道盾构法》;2.参考书:相关盾构法的学术文献和工程案例;3.多媒体资料:盾构法施工的视频资料和图片;4.实验设备:盾构机模型和操作工具。
通过以上教学资源的选择和准备,为学生提供直观、生动的学习材料,帮助学生更好地理解和掌握盾构法相关知识。
五、教学评估本节课的评估方式将包括平时表现、作业和考试三个部分,以全面客观地评价学生的学习成果。
1.平时表现:通过观察学生在课堂上的参与度、提问回答和小组讨论等表现,评估学生的学习态度和理解能力。
2.作业:布置相关的盾构法施工案例分析作业,评估学生对课堂所学知识的应用和理解能力。
3.考试:安排一次闭卷考试,测试学生对盾构法基本概念、工作原理和施工工艺等知识的掌握程度。
第1篇一、设计背景随着城市化进程的加快和地下空间利用需求的增加,地下工程施工技术在我国得到了广泛应用。
为了提高学生对地下工程施工技术的理解和掌握,本课程设计旨在让学生通过实际操作和理论分析,深入了解地下工程施工的基本原理、施工方法和施工组织,培养其解决实际工程问题的能力。
二、设计目标1. 理解地下工程的概念、分类和特点;2. 掌握地下工程施工的基本原理、施工方法和施工组织;3. 培养学生分析、解决实际工程问题的能力;4. 提高学生的团队合作精神和沟通能力。
三、设计内容1. 地下工程概况(1)地下工程的分类:按领域用途、空间位置等进行分类;(2)地下工程的特点:如施工环境复杂、安全风险高、施工难度大等;(3)地下工程施工的基本要求:如保证施工质量、安全、环保等。
2. 地下工程施工方法(1)明挖法:放坡开挖、非放坡开挖等;(2)暗挖法:浅埋暗挖法、盾构法、沉管法等;(3)特殊施工方法:如冻结法、顶管法等。
3. 地下工程施工组织(1)施工组织设计:包括施工进度、施工方案、施工资源、施工质量、安全、环保等方面的内容;(2)施工平面布置:包括施工场地、施工道路、临时设施、施工设备等;(3)施工资源配置:包括人力、物力、财力等。
4. 地下工程施工案例分析选择典型地下工程案例,分析其施工过程中的关键技术、施工组织、施工管理等方面的问题,总结经验教训。
四、设计步骤1. 确定设计题目,收集相关资料;2. 分析地下工程概况,确定施工方法;3. 制定施工组织设计,进行施工平面布置;4. 进行施工资源配置,确定施工进度;5. 撰写课程设计报告,进行答辩。
五、设计评价1. 设计报告的完整性、合理性;2. 施工方案的科学性、可行性;3. 施工组织设计的合理性、有效性;4. 案例分析的真实性、深度;5. 团队合作精神和沟通能力。
通过本次地下工程施工课程设计,学生将全面了解地下工程施工技术,提高其解决实际工程问题的能力,为今后从事地下工程相关工作奠定坚实基础。
隧道横断面设计一、铁路隧道横断面设计(一)直线隧道净空隧道净空是指隧道衬砌的内轮廓线所包围的空间,根据隧道建筑限界确定。
隧道建筑限界是为了保证隧道内各种交通的正常运行与安全,而规定在一定宽度和高度范围内不得有任何障碍物的空间范围。
1.机车车辆限界机车车辆限界指机车车辆最外轮廓的限界尺寸。
该限界要求所有在线路上行驶的机车车辆停在平坡直线上时,车体所有部分都必须容纳在此限界范围内而不得超越。
“机车车辆限界”能满足各种型号的机车和车辆在横断面尺寸上的最大需要。
2.基本建筑限界基本建筑限界指线路上各种建筑物和设备均不得侵入的轮廓线,用以保证机车车辆的安全运行以及建筑物和设备不受损害。
3.隧道建筑限界(1)常速铁路隧道建筑限界。
它是指包围“基本建筑限界”外部的轮廓线,即在“基本建筑限界”的基础上,留出少许空间,用于安装通信信号、照明、电力等设备。
对于速度120 km/h的新建和改建的内燃机车牵引的单线和双线铁路隧道,采用“隧限-1A”和“隧限-1B”,如图2-17所示。
新建和改建的电力机车牵引的单线和双线铁路隧道,采用“隧限-2A”和“隧限-2B”,如图2-18所示。
图2-17 蒸汽及内燃牵引的单线、双线隧道限界(单位:mm)图2-18 电力牵引的单线、双线隧道限界(单位:mm)(2)高速铁路隧道建筑限界。
我国高速铁路隧道建筑限界分为200 km/h客货共线、200 km/h及以上客运专线、200 km/h客货共线双层集装箱运输三种,如图2-19~图2-21所示。
图2-19 200 km/h客货共线电力牵引铁路KH-200桥隧建筑限界(单位:mm)图2-20 200 km/h及以上客运专线铁路建筑接近限界(单位:mm)图2-21 200 km/h客货共线电力牵引铁路双层集装箱运输隧道建筑限界(单位:mm)4.直线隧道净空(1)常速铁路隧道净空。
“直线隧道净空”要比“隧道建筑限界”稍大一些,它除了满足限界要求外,还考虑避让等安全空间、救援通道及技术作业空间,还考虑了在不同的围岩压力作用下,衬砌结构的合理受力形状(拱部采用三心圆,边墙采用直墙式或曲墙式)以及施工方便等因素。
地下地铁课程设计一、课程目标知识目标:1. 学生能够理解地铁的基本结构及其在地下运行的科学原理。
2. 学生能够掌握地铁系统的组成部分,包括车辆、轨道、信号及供电等。
3. 学生能够了解地铁建设对城市交通和地下空间利用的影响。
技能目标:1. 学生能够通过图表和数据,分析地铁运行的速度、频率及运输能力。
2. 学生能够运用地理知识和数学技能,简单计算地铁线路的长度和站点间距。
3. 学生通过小组合作,设计一份简单的地铁线路图,展示其规划能力和空间想象力。
情感态度价值观目标:1. 学生培养对现代城市交通工具的欣赏和尊重,认识到地铁对于城市公共交通的重要性。
2. 学生通过学习地铁建设中的技术挑战,激发对科学探究的兴趣,培养解决问题的积极态度。
3. 学生能够认识到地铁作为绿色出行方式对环境保护的意义,增强社会责任感和可持续发展意识。
分析课程性质、学生特点和教学要求,本课程旨在结合学生的生活实际,以实践活动为主线,引导学生主动探索和学习,将理论知识与实际应用紧密结合。
通过课程学习,学生不仅能够获得有关地铁的知识,更能提升综合运用知识解决实际问题的能力,同时培养其积极的情感态度和价值观。
二、教学内容本课程教学内容围绕地铁系统的基本知识、技术应用及社会影响展开,依据课程目标,具体包括以下部分:1. 地铁的基础知识:- 地铁的定义、历史发展及其在国内外城市的应用案例。
- 地铁系统的组成,包括车辆、轨道、信号、供电、通风等。
2. 地铁的运行原理:- 地铁列车的动力系统、制动系统及其工作原理。
- 地铁线路设计、隧道工程及地下空间的利用。
3. 地铁与城市交通:- 地铁对城市交通状况的改善及对其他交通方式的影响。
- 地铁线路规划、站点布局及其对周边区域发展的带动作用。
4. 地铁的技术挑战与环境保护:- 地铁建设中的技术难题及解决方法,如地下施工、地质处理等。
- 地铁作为绿色出行方式对环境保护的贡献,如节能减排、减少交通拥堵等。
盾构隧道课程设计引言盾构隧道是一项复杂的工程技术,用于建设地下交通隧道等大型基础设施。
本文将对盾构隧道的课程设计进行全面的探讨,包括设计原则、流程、关键技术等方面。
设计原则盾构隧道的设计需要考虑以下原则:1.安全性:隧道必须达到一定的安全标准,包括结构安全、地质灾害防治等。
2.经济性:设计需要在保证安全的前提下,尽可能节约成本,提高投资回报率。
3.可行性:设计方案必须符合实际施工条件,考虑现有技术和资源供应等因素。
4.环保性:隧道的设计应尽量降低对环境的影响,包括噪音、振动、污染等。
设计流程盾构隧道的设计流程通常包括以下几个阶段:前期调研1.项目背景:了解项目的背景、目标和需求,包括交通状况、城市规划等。
2.地质勘探:进行地质勘探,获取地质和地下水情况等必要数据。
3.隧道路线选择:根据勘探结果和其他条件,选择最佳的隧道路线。
初步设计1.结构设计:根据选定的路线,进行隧道的结构设计,确定隧道的断面形状、尺寸等。
2.施工工艺设计:制定隧道的施工工艺和方案,包括盾构机的选择和使用等。
详细设计1.参数计算:对隧道的结构、地质等参数进行计算和分析,确定设计的合理性和稳定性。
2.材料选择:选择适合的材料用于隧道的建设,包括隧道衬砌、防水材料等。
3.设备选择:对于盾构隧道来说,盾构机是关键设备之一,需要选择适合的盾构机型号和配置。
4.施工图纸:制定详细的施工图纸,包括隧道的剖面、开挖工程、支护结构等。
监理与验收1.施工监理:监督隧道的施工过程,确保施工按照设计要求进行。
2.竣工验收:对隧道的结构、安全等进行验收,判断是否符合设计要求。
关键技术盾构隧道设计过程中需要掌握以下关键技术:1.地质勘探技术:通过地质勘探获取地下地质数据,包括地层厚度、岩土类型、地下水位等。
2.隧道结构设计技术:根据勘探数据和工程要求,确定隧道的结构形式、断面和支护方案等。
3.盾构机技术:盾构机是盾构隧道施工的关键设备,设计需要对盾构机进行选择和配置。
地铁隧道工程课程设计一、课程目标知识目标:1. 让学生了解地铁隧道工程的基本概念、原理和施工技术。
2. 掌握地铁隧道工程中涉及的关键参数和设计要求。
3. 熟悉地铁隧道施工过程中的安全管理、环境保护和工程质量控制措施。
技能目标:1. 培养学生运用所学知识分析和解决实际地铁隧道工程问题的能力。
2. 提高学生进行团队合作、沟通交流和项目管理的能力。
3. 培养学生运用现代信息技术工具,如CAD、BIM等,进行地铁隧道工程设计的能力。
情感态度价值观目标:1. 培养学生对地铁隧道工程的兴趣和热爱,激发学生投身于土木工程建设的热情。
2. 增强学生的社会责任感和职业道德,使其关注地铁隧道工程对环境和社会的影响。
3. 培养学生严谨求实、勇于创新的精神,提高学生的综合素质。
本课程针对高中年级学生,结合学科特点,注重理论知识与实践应用的结合。
在教学过程中,充分考虑学生的认知水平、兴趣和特长,采用项目式教学、案例分析、小组讨论等多种教学方法,以达到以下具体学习成果:1. 学生能够阐述地铁隧道工程的基本原理和施工技术。
2. 学生能够独立分析地铁隧道工程案例,并提出合理的解决方案。
3. 学生能够运用所学知识和技能,完成一项简单的地铁隧道工程设计。
4. 学生在课程学习过程中,表现出良好的团队合作、沟通能力和创新精神。
5. 学生关注地铁隧道工程的社会影响,具备一定的职业道德素养。
二、教学内容1. 地铁隧道工程概述- 了解地铁隧道工程的发展历程、分类及在我国的应用现状。
- 学习地铁隧道工程的功能、优点及挑战。
2. 地铁隧道工程基本原理- 掌握地铁隧道工程的设计原理、施工方法及关键技术。
- 学习隧道工程中的力学原理,如土压力、水压力等。
3. 地铁隧道工程设计- 研究地铁隧道工程的设计流程、设计原则和设计标准。
- 学习地铁隧道工程的平面设计、纵断面设计及相关构造设计。
4. 地铁隧道工程施工技术- 了解地铁隧道工程的施工方法,如明挖法、盾构法、顶管法等。
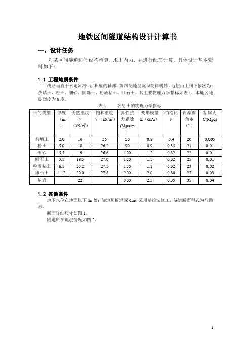
地铁区间隧道结构设计计算书一、设计任务对某区间隧道进行结构检算,求出内力,并进行配筋计算。
具体设计基本资料如下:1.1 工程地质条件线路垂直于永定河冲、洪积扇的轴部,第四纪地层沉积韵律明显,地层由上到下依次为:杂填土、粉土、细砂、圆砾土、粉质粘土、卵石土。
其主要物理力学指标如表1,本地区地震烈度为6度。
1.2 其他条件地下水位在地面以下5m处;隧道顶板埋深6m;采用暗挖法施工,隧道断面型式为马蹄形。
断面详细尺寸如图1。
隧道所在地层情况如图2。
二、设计过程2.1 根据给定的隧道或车站埋深判断结构深、浅埋;可以采用《铁路隧道设计规范》推荐的方法,即有上式中s 为围岩的级别;B 为洞室的跨度;i 为B 每增加1m 时的围岩压力增减率。
由于隧道拱顶埋深6m ,位于粉土层、细砂层和圆砾土中,根据《铁路隧道设计规范》可知,围岩为Ⅵ级围岩。
则有:因为埋深h c =6m<h *=21.6m,可知该隧道为极浅埋。
2.2 计算作用在结构上的荷载; 1 永久荷载A 顶板上永久荷载a. 顶板自重(可只考虑二衬)250.410q d KPa γ==⨯=由于拱顶埋深6m ,则顶上土层有杂填土、粉土,且地下水埋深5m ,应考虑土层压力和地下水压力的影响。
b. 地层竖向土压力()()()i =162185226.21065102.2i q h KPa γ=⨯+⨯-+-⨯-=∑ 土 c. 地层竖向水压力()=106510KPa w w q h γ=⨯-= 水B 底板上永久荷载 a. 底板自重250.410q d KPa γ==⨯=b. 水压力(向上):()=1065+890KPa w w q h γ=⨯-= 水(底)C 侧墙上永久荷载地层侧向压力按主动土压力的方法计算,由于埋深在地下水位以下,需考虑地下水的影响。
(为简化计算,按水土分算)a. 侧墙自重254100q d KPa γ==⨯=b.隧道侧墙粉土层土压力:2221=tan 45-=tan 45-=0.47222ϕλ⎛⎫⎛⎫ ⎪ ⎪⎝⎭⎝⎭粉土隧道顶部侧向土压力:1e =q =0.472102.2=48.238KPa λ⨯ 粉土土粉土层底部处侧向土压力:()()'21e =q h =0.472102.226.210155.885KPa λγ++-⨯=⎡⎤⎣⎦ 粉土土粉土c. 隧道侧墙细砂层土压力:2222=tan 45-=tan 45-=0.45522ϕλ⎛⎫⎛⎫ ⎪ ⎪⎝⎭⎝⎭细砂细砂层顶部侧向土压力:()()'31e q h 0.455102.226.210153.872KPa λγ=+=+-⨯=⎡⎤⎣⎦ 细砂土粉土细砂层底部侧向土压力:()()()''412q h h =0.455102.226.2101+26.6105.595.414e KPaλγγ=+++-⨯-=⎡⎤⎣⎦ 细砂土粉土细砂d. 隧道侧墙圆砾土层土压力:2225=tan 45-=tan 45-=0.40622ϕλ⎛⎫⎛⎫ ⎪ ⎪⎝⎭⎝⎭圆砾土圆砾土层顶部侧向土压力:()()()''512e q h h 0.406102.226.2101+26.6105.585.138KPaλγγ=++=+-⨯-=⎡⎤⎣⎦ 圆砾土土粉土细砂隧道底部侧向土压力:()()()()()'''6123q h h h 0.406102.226.2101+26.6105.5271081 5.595.491e KPa λγγγ=+++=+-⨯-+-⨯--⎡⎤⎣⎦= 圆砾土土粉土细砂圆砾土 d. 隧道侧墙水力隧道侧墙顶部 水力:110e q KPa ==水水隧道侧墙底部水力:290e q KPa ==水水(底)2 可变荷载地面车辆荷载20q KPa =车车辆荷载在各土层引起的侧向压力:10.472209.44e q KPa λ==⨯= 车粉土车 0.455209.1e q KPa λ==⨯= 车2砂土车 30.406208.12e q KPa λ==⨯= 车圆砾土车3 偶然荷载在本设计中,仅考虑比较简单的情况,偶然荷载可以不用计算。
地铁地下工程课程设计一、课程目标知识目标:1. 让学生了解地铁地下工程的基本概念、原理和施工技术。
2. 掌握地铁地下工程的设计要求、施工流程和安全措施。
3. 熟悉地铁地下工程与城市规划、环境保护的关系。
技能目标:1. 培养学生运用所学知识分析地铁地下工程问题的能力。
2. 提高学生设计简单地铁地下工程方案的能力。
3. 培养学生运用现代技术手段进行地铁地下工程施工与管理的能力。
情感态度价值观目标:1. 培养学生对地铁地下工程的兴趣,激发探究精神。
2. 增强学生的安全意识,认识到地铁地下工程安全的重要性。
3. 培养学生关注城市交通、环境保护等社会问题的责任感。
课程性质:本课程为选修课程,旨在拓展学生的专业知识,提高实践能力。
学生特点:学生为高中生,具有一定的物理、数学和地理知识基础,思维活跃,好奇心强。
教学要求:结合学生特点,注重理论与实践相结合,充分运用现代教育技术手段,提高课程的趣味性和实用性。
通过本课程的学习,使学生能够达到上述课程目标,为未来的城市规划、工程建设等领域培养优秀人才。
二、教学内容1. 地铁地下工程概述- 地铁发展简史- 地铁地下工程分类与功能- 地铁地下工程在我国的发展现状与趋势2. 地铁地下工程设计- 设计原则与要求- 地铁线路设计- 地铁车站与区间设计3. 地铁地下工程施工技术- 施工方法与工艺- 施工组织与管理- 施工安全与质量控制4. 地铁地下工程环境保护- 环境保护措施- 噪音与振动控制- 生态环境保护5. 地铁地下工程案例分析- 国内外典型地铁地下工程案例- 案例分析方法与技巧- 案例启示与总结教学内容根据课程目标,结合教材章节进行组织,注重科学性和系统性。
教学进度安排合理,确保学生在掌握基本理论知识的基础上,能够深入了解地铁地下工程的实践应用。
通过本章节的教学,使学生全面了解地铁地下工程的设计、施工、环保等方面内容,为今后从事相关工作奠定基础。
三、教学方法针对地铁地下工程课程的特点和教学目标,采用以下多样化的教学方法:1. 讲授法:以教师为主导,系统地讲解地铁地下工程的基本概念、原理和施工技术。
《地下建筑结构课程设计》----软土地区地铁盾构隧道一、设计资料如图1所示,为一软土地区地铁盾构隧道的横断面,衬砌外径为6200mm,厚度为350mm,混凝土强度为C55,环向螺栓为5.8级。
管片裂缝宽度允许值为0.2mm,接缝张开允许值为3mm。
地面超载为20KPa。
图1 隧道计算断面土层分布图二、设计要求盾构隧道衬砌的结构计算采用自由变形的弹性均质圆环法并考虑土壤介质侧向弹性抗力来计算圆环内力。
试计算衬砌内力,画出内力图,并进行管片配筋计算、隧道抗浮、管片局部抗压、裂缝、接缝张开等验算。
三、计算原则及采用规范计算原则:(1)设计服务年限100年;(2)工程结构的安全等级按一级考虑;(3)取上覆土层厚度最大的横断面计算;(4)满足施工阶段,正常运营阶段和特殊情况下强度计算要求;(5)接缝变形在接缝防水措施所能适应的范围内;(6)成型管片裂缝宽度不大于0.2mm;(7)隧道最小埋深处需满足抗浮要求;采用规范:(1)《混凝土结构设计规范》(GB50010-2010);(2)《地下工程防水技术规范》(GB50108-2001);(3)《地下铁道工程施工及验收规范》(GB50299-1999);(4)《建筑工程施工质量验收统一标准》(GB50300-2001);(5)《地下铁道、轻轨交通工程测量规范》(GB50308-1999);(6)《盾构法隧道施工与验收规范》(GB50446-2008);(7)《混凝土结构工程施工质量验收规范》(GB50204-2002)。
《地下建筑结构课程设计》----软土地区地铁盾构隧道计算书姓名:班级:学号:指导教师:北方工业大学土木工程学院地空系2015年5月目录1 荷载计算-------------------------------------31.1 结构尺寸及地层示意图-----------------------31.2 隧道外围荷载标准值-------------------------31.2.1 自重--------------------------------31.2.2 均布竖向地层荷载----------------------41.2.3 水平地层均布荷载----------------------41.2.4 按三角形分布的水平地层压力--------------51.2.5 底部反力-----------------------------51.2.6 侧向地层抗力--------------------------51.2.7 荷载示意图----------------------------62 内力计算---------------------------------------63 标准管片配筋计算--------------------------------83.1 截面及内力确定-----------------------------83.2 环向钢筋计算--------------------------------83.3 环向弯矩平面承载力验算-----------------------114 抗浮验算-------------------------------------105 纵向接缝验算--------------------------------125.1 接缝强度计算------------------------------125.2 接缝张开验算------------------------------146 裂缝张开验算------------------------------157 环向接缝验算----------------------------168 管片局部抗压验算-----------------------------179 参考文献-------------------------------18(一)基本使用阶段的荷载计算 (1)衬砌自重:δγ=h g (4.1) 式中 g —衬砌自重,kPa ;γh —钢筋混凝土容重,取为25kN/m 3 δ—管片厚度,m 。
地铁区间隧道课程设计一、课程目标知识目标:1. 让学生了解地铁区间隧道的基本概念、结构和功能;2. 使学生掌握地铁隧道施工方法、技术及其特点;3. 帮助学生理解地铁隧道在城市建设中的重要性及其对城市交通的影响。
技能目标:1. 培养学生运用地理、数学知识分析地铁隧道线路、施工问题的能力;2. 提高学生通过实地考察、资料查询等方法,对地铁隧道项目进行综合分析的能力;3. 培养学生运用团队合作、沟通交流技巧,针对地铁隧道建设提出合理化建议。
情感态度价值观目标:1. 培养学生对城市基础设施建设的兴趣,增强对地铁隧道建设的关注;2. 培养学生热爱家乡、关心城市发展的情感态度,提高社会责任感和主人翁意识;3. 引导学生认识到科技进步对城市交通的重要性,激发学生对科学技术的热爱。
本课程针对初中年级学生,结合地理、数学等学科知识,以地铁区间隧道为主题,通过讲解、实践、探讨等多种教学方式,使学生在掌握基本知识的同时,提高综合运用所学知识解决实际问题的能力。
同时,注重培养学生的情感态度和价值观,使学生在学习过程中形成正确的世界观、人生观和价值观。
课程目标的设定旨在使学生在知识、技能和情感态度价值观方面取得具体、可衡量的学习成果,为后续教学设计和评估提供依据。
二、教学内容1. 地铁区间隧道基础知识:- 隧道定义、分类及功能;- 地铁隧道线路规划、设计原则;- 地铁隧道施工方法、技术特点。
2. 地铁区间隧道施工技术:- 隧道开挖、支护技术;- 隧道防水、排水措施;- 隧道施工安全与环保。
3. 地铁区间隧道与城市交通:- 地铁隧道对城市交通的影响;- 地铁隧道与其他交通方式的衔接;- 城市地铁隧道网络规划与发展。
教学内容依据课程目标,结合教材相关章节,进行科学、系统地组织和安排。
教学大纲包括以下三个方面:1. 基础知识:使学生了解地铁隧道的基本概念、分类、功能以及线路规划和设计原则,为后续学习打下基础。
2. 施工技术:使学生掌握地铁隧道施工的关键技术,如开挖、支护、防水等,提高学生解决实际问题的能力。
地铁区间隧道工程课程设计一、课程目标知识目标:1. 让学生掌握地铁区间隧道工程的基本知识,包括隧道结构、施工方法及其原理;2. 使学生了解地铁隧道工程的地质条件分析、设计和施工中的关键问题;3. 引导学生掌握地铁隧道工程的安全管理、质量控制及环境保护措施。
技能目标:1. 培养学生运用所学知识进行地铁区间隧道工程设计和施工方案制定的能力;2. 提高学生分析地质条件对隧道工程影响的能力,能够针对具体问题提出解决方案;3. 培养学生运用现代技术手段,如计算机辅助设计(CAD)进行隧道工程设计的技能。
情感态度价值观目标:1. 培养学生对地铁隧道工程建设的兴趣和热情,激发他们投身于基础设施建设事业的意愿;2. 引导学生认识到地铁隧道工程在国民经济发展中的重要作用,增强社会责任感和使命感;3. 培养学生团结协作、严谨求实的科学态度,形成良好的职业道德素养。
本课程针对高中年级学生,结合地铁区间隧道工程课程内容,注重理论知识与实践技能的结合。
在教学过程中,充分考虑学生的认知水平和兴趣特点,通过案例教学、小组讨论、实地考察等多种教学方法,激发学生的学习积极性,提高他们的实践操作能力。
课程目标的设定旨在使学生在掌握专业知识的同时,培养解决问题的能力,树立正确的价值观,为我国基础设施建设事业培养合格的人才。
二、教学内容1. 地铁区间隧道工程概述- 隧道工程的发展历程及在城市建设中的应用;- 地铁隧道工程的主要类型及结构特点。
2. 地铁隧道工程的地质条件分析- 地质条件对隧道工程的影响;- 地质勘察方法及地质风险评估。
3. 地铁隧道工程设计- 隧道工程的平面设计、纵断面设计和横断面设计;- 隧道工程支护结构设计及施工技术。
4. 地铁隧道工程施工技术- 隧道施工方法的选择及施工工艺流程;- 施工过程中的安全管理、质量控制及环境保护措施。
5. 地铁隧道工程实例分析- 分析国内外典型地铁隧道工程案例;- 了解隧道工程在实际施工过程中的技术难题及解决方案。
地铁盾构课程设计一、课程目标知识目标:1. 了解地铁盾构的基本概念、发展历程及其在我国城市轨道交通中的应用。
2. 掌握地铁盾构施工原理、主要设备及其施工过程中的关键技术。
3. 熟悉地铁盾构施工的安全措施、质量控制及环境保护要求。
技能目标:1. 能够分析地铁盾构施工中可能遇到的问题,并提出合理的解决方案。
2. 能够运用所学知识,对地铁盾构施工项目进行初步设计和评估。
3. 能够通过小组合作,进行地铁盾构施工的模拟实验,提高实践操作能力。
情感态度价值观目标:1. 培养学生对地铁盾构技术及城市轨道交通建设的兴趣,激发探索精神。
2. 增强学生的环保意识,认识到地铁盾构施工对环境保护的重要性。
3. 培养学生的团队合作精神,提高沟通与协作能力。
本课程针对高年级学生,结合教材内容,注重理论与实践相结合,旨在提高学生对地铁盾构技术的认识和应用能力。
课程目标具体、可衡量,便于教师进行教学设计和评估。
通过本课程的学习,使学生能够全面了解地铁盾构施工的相关知识,为未来从事城市轨道交通建设奠定基础。
二、教学内容1. 地铁盾构技术概述- 盾构技术的发展历程- 地铁盾构在我国的应用现状2. 地铁盾构施工原理与设备- 盾构施工的基本原理- 盾构机的结构与功能- 主要设备及其作用3. 地铁盾构施工关键技术- 盾构施工的前期准备- 盾构掘进过程的管理与控制- 盾构隧道的衬砌施工4. 地铁盾构施工安全与质量控制- 施工安全措施及应急预案- 质量控制要点及标准- 环境保护要求及措施5. 地铁盾构施工案例分析- 国内外典型地铁盾构施工案例- 案例分析及启示教学内容依据课程目标,结合教材相关章节,进行科学、系统地组织。
教学大纲明确教学内容安排和进度,确保学生在学习过程中逐步掌握地铁盾构技术相关知识。
教学内容既有理论阐述,又有实际案例分析,有利于提高学生的理论水平和实践能力。
三、教学方法本课程采用多种教学方法,结合课本内容,旨在激发学生的学习兴趣,提高主动性和实践能力。
地铁盾构课程设计一、教学目标本课程旨在让学生了解地铁盾构的基本概念、结构原理、施工技术和应用领域,掌握盾构的主要组成部分及其功能,了解盾构施工的基本步骤和注意事项,培养学生的实际操作能力和创新思维能力。
通过本课程的学习,使学生具备以下能力:1.知识目标:(1)了解地铁盾构的定义、发展历程和应用领域;(2)掌握盾构的主要组成部分(如刀盘、土压传感器、推进系统等)及其功能;(3)了解盾构施工的基本步骤(如现场准备、盾构组装、隧道开挖、支护等)和注意事项。
2.技能目标:(1)能够分析盾构施工中的土体稳定问题,并提出解决措施;(2)能够根据地质条件选择合适的盾构机;(3)能够进行盾构施工的现场调度和安全管理。
3.情感态度价值观目标:(1)培养学生对地铁建设的认识,提高学生对地铁盾构技术的兴趣;(2)培养学生尊重科学、勇于实践的精神,增强学生的创新意识。
二、教学内容本课程的教学内容主要包括地铁盾构的基本概念、结构原理、施工技术和应用领域。
具体安排如下:1.地铁盾构的定义、发展历程和应用领域;2.盾构的主要组成部分(如刀盘、土压传感器、推进系统等)及其功能;3.盾构施工的基本步骤(如现场准备、盾构组装、隧道开挖、支护等)和注意事项;4.盾构施工中的土体稳定问题及其解决措施;5.根据地质条件选择合适的盾构机;6.盾构施工的现场调度和安全管理。
三、教学方法为了提高学生的学习兴趣和主动性,本课程将采用多种教学方法,如讲授法、讨论法、案例分析法、实验法等。
具体方法如下:1.讲授法:用于讲解地铁盾构的基本概念、结构原理和施工技术;2.讨论法:学生针对实际案例进行讨论,提高学生的分析问题和解决问题的能力;3.案例分析法:分析典型盾构施工案例,使学生了解盾构施工的实际情况;4.实验法:安排学生参观盾构机实验室,进行现场操作演练,增强学生的实践能力。
四、教学资源为了支持教学内容和教学方法的实施,丰富学生的学习体验,我们将选择和准备以下教学资源:1.教材:《地铁盾构技术》等相关教材;2.参考书:国内外有关地铁盾构技术的论文、专著;3.多媒体资料:地铁盾构施工的视频、图片等;4.实验设备:盾构机模型、土压传感器等。
《地下建筑结构设计》课程设计题目:盾构管片设计院部:专业:班级:组员及学号:2016年 10月4日1盾构管片设计1.1 隧道功能该段隧道为城市地铁区间段。
1.2 衬砌方式依照设计要求盾构管片类型为平面型。
平面型管片的抗弯刚度和强度相对较大,且管片混凝土截面减弱小,对盾构推动装置的顶力具有较大的抗击能力。
故决定采纳C50钢筋混凝土平面型管片,管片厚度的选择,取决于土质条件、覆盖土层的厚度、施工荷载状况、隧道的利用目的及管片施工条件等多种因素。
本工程的管片厚度选择为300mm,管片形心半径为(2350+100*5)mm ,管片的每环长度为1000mm 。
可是对管片是不是能经受荷载,还需要进行管片内力的计算。
由于错缝拼装可使接缝均匀散布,提高管片的整体刚度,减少接缝及衬砌圆环的变形。
考虑本工程盾构区段对地面沉降要求较高及其它工程条件,故决定采纳错缝拼接方式。
1.3管片条件管片类型:平面型;管片外直径:D=6000mm ;管片形心半径:mm 2850c =R ;管片宽度:B=1000mm ;管片厚度:t=300mm ;管片截面面积:A=300x1000=3000(cm ²);管片单位重度:3c m /26kN =γ;管片的弹性模量:a k 101.37P E ⨯=;管片截面惯性矩:44-m 105.22⨯=I ;1.4 场地条件土层条件:粘性土;土的单位重度:318.5kN m γ=; 土的单位浮重度:'38.5kN m γ=; 土的内摩擦角:21ϕ︒=; 土的黏聚力:212kN m c =; 土的侧压力系数: 00.5K =; 超载: 2010kN m p =;上部土层厚度: 6m H =+0.5*8=10m ; 潜水位:地下水位埋深为3m ; Hw=10-3=7m地基土的反力系数;310MN m k =;水的单位重度3w 10kN/m γ=;1.5 构件允许应力混凝土标准强度:; 2ck =32.4MN m f混凝土许诺抗压强度:2ca =16.2MN m ;混凝土抗弯刚度有效系数:η=1.0;钢筋与混凝土弹性模量比:5s 4c 2.010===5.803.4510E n E ⨯⨯; 混凝土弯矩增大率:ξ=0.0;钢筋(SD35)许诺强度:2sa =200MN m σ; 螺栓许诺强度:2sa 240MN m σ=;1.6 盾构千斤顶盾构千斤顶轴推力:1000kN T =10⨯片。
地下工程施工组织课程设计一、工程概述1、工程概况1.1、XX隧道位于广东省深圳市龙岗区同乐村境内,进口里程为DK475+460,出口里程为DK476+596,隧道纵坡为单面下坡,坡度为-3.2‰。
XX隧道全长1136m,围岩类别全部为Ⅴ级围岩。
采用三台阶七步开挖法和双侧壁导坑法开挖,明洞部分采用明挖法开挖。
本隧为客运专线双线隧道,设计行车速度200km/h及以上。
采用有碴轨道,有碴轨道结构高度为766mm,建筑限界采用通隧(2005)0301-05图。
1.2、隧道区内地层自上而下主要有:山坡顶层为粉质黏土夹碎石,局部碎石土,黄褐色,硬塑,厚0.5~6.8m。
下覆基岩为石炭系砂岩、粉砂岩、炭质页岩互层,局部夹煤层,红褐~灰黑色,全~强风化。
1.3、遂区内无特殊岩土,隧道穿越围岩为Ⅴ级围岩,节理缝隙发育,岩性较破碎,同时隧道存在浅埋偏压现象,雨季地表谷地地表水下渗,地下水水量较大,在炭质页岩及浅埋地段围岩易软化变形,甚至坍塌、冒顶,隧道进出口边坡遇水软化易坍滑,设计时应做好排水措施、加强支护;隧道洞身穿越含炭质页岩、煤系地层,需加强通风及瓦斯监测。
2、施工平面布置施工平面布置详见附图1、附图2。
3、施工要求3.1、安全要求:杜绝安全一般A类及以上事故,杜绝责任职工死亡事故,杜绝责任火灾爆炸事故,杜绝责任工程质量大及以上事故。
确保人民生命财产不受损害。
创建安全生产标准工地。
3.2、质量要求:保证施工质量检验合格率达到100%,工程一次验收合格率达到100%;开通速度不低于1.1倍线路设计速度;在合理使用和正常维护条件下,隧道工程结构的施工质量,满足不少于100年设计使用寿命期内正常使用维护时的运营要求。
4、技术保证条件4.1、加强超前地质预报:在掌子面进行超前水平钻孔,通过钻孔判断前方围岩的软硬、有无软弱夹层和地下水的水量,从而确定此段的支护参数。
4.2、加强监控量测:现场监控量测是判断围岩的稳定状态、保证施工安全、指导确定施工方案,提供设计信息的重要手段。