混凝土挡土墙质量检验评定表
- 格式:doc
- 大小:40.00 KB
- 文档页数:2
混凝土挡土墙检验批质量验收记录表(doc 24页)浆砌砌体和混凝土挡土墙检验批质量验收记录表承包单位:兰州市第一建筑工程公司第四分公司合同编号:工程名称舟曲县灾后应急2#弃渣场(虎家崖)工程施工时间2010年9月日—9月日部位挡土墙0+000—0+010检验时间2010年月日项次检验项目规定值或允许偏差检验结果检验方法和频率1 砂浆或混凝土强度(MPa)7.5MPa9.1 MPa2 平面浆砌挡土墙 50 20 40 35 10 经纬仪位置(mm)√混凝土挡土墙503 顶面高程(mm)重点浆砌挡土墙√±20+10 -14 +15+25水准仪混凝土挡土墙±10一般浆砌挡土墙混凝土挡土墙4 断面尺寸(cm) 不小于设计基础宽:505基础高:100墙身底:377墙身顶:85基础宽:504506 505 505基础高:100101 102 101墙身底:375377 378 378墙身顶:8586 87 86尺量5 底面高程(mm) ±50 +40 -30 +35+20水准仪6 平面平整度(mm)块石√20 10 15 20 242m直尺片石30混凝土10承包单位自检结论符合设计要求和施工规范的规定,本工序质量等级为合格。
质检员:技术负责人:单位负责人:月日监理单位意见监理工程师:月日说明:一式三份,监理单位签证后,返回承包单位一份,送业主单位一份。
浆砌砌体和混凝土挡土墙检验批质量验收记录表承包单位:兰州市第一建筑工程公司第四分公司合同编号:工程名称舟曲县灾后应急2#弃渣场(虎家崖)工程施工时间2010年9月日—9月日部位挡土墙0+010—0+020检验时间2010年月日项次检验项目规定值或允许偏差检验结果检验方法和频率1 砂浆或混凝土强度(MPa)7.5MPa8.8 MPa2 平面位置(mm)浆砌挡土墙√50 30 40 25 15经纬仪混凝土挡土墙503 顶面高程(mm)重点浆砌挡土墙√±20+20 -10 +15+10水准仪混凝土挡土墙±10一般浆砌挡土墙混凝土挡土墙4 断面尺寸(cm) 不小于设计基础基础宽:506504 506 508基础高:101尺量宽:505 基础高:100 墙身底:377 墙身顶:85100 102 103墙身底:378376 379 380墙身顶:8587 84 855 底面高程(mm) ±50 +30 -35 -55 +20水准仪 6 平面 平整度 (mm)块石 √ 20 12 10 20 252m 直尺 片石 30 混凝土 10 承包 单位自检 结论符合设计要求和施工规范的规定,本工序质量等级为合格。
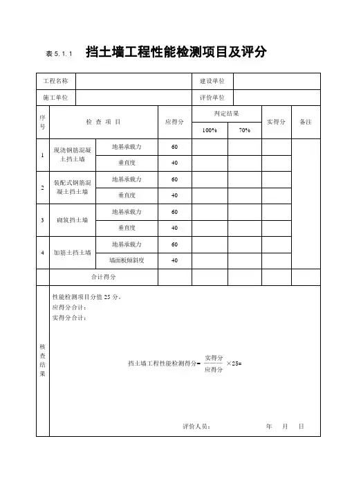
省至高速公路工程项目桥涵基坑现场检测记录表承包单位:中铁二十局第二工程合同号: C14 监理单位:交科工程咨询编号:检查人:质检负责人:省至高速公路工程项目基坑分项工程关键工序交验单承包单位:中铁二十局第二工程合同号: C14监理单位:交科工程咨询编号:监表:46省至高速公路工程项目模板、支架及拱架安装检查记录表承包单位:中铁二十局第二工程合同号: C14 监理单位:交科工程咨询编号:检查人:质检负责人:省至高速公路工程项目混凝土挡土墙现场质量检验表承包单位:中铁二十局第二工程合同号: C14监理单位:交科工程咨询编号:检表-1混凝土挡土墙分项工程关键工序交验单承包单位:中铁二十局第二工程合同号: C14监理单位:交科工程咨询编号:监表:46混凝土浇筑申请报告单承包单位:中铁二十局第二工程合同号: C14监理单位:交科工程咨询监表13省至高速公路工程项目混凝土施工检查记录表承包单位:中铁二十局第二工程合同号: C14 监理单位:交科工程咨询编号:记录表13检查人:质检负责人:-省至高速公路工程项目混凝土挡土墙外观鉴定检查记录表承包单位:中铁二十局第二工程合同号: C14监理单位:交科工程咨询编号:外观记录表检查人:质检负责人:现场监理:专业监理:. z.-省至高速公路工程项目水准测量记录表承包单位:中铁二十局第二工程合同号: C14监理单位:交科工程咨询编号:工程名称: 工程部位: 检测日期:3测量:计算:复核:-全站仪平面位置检测表承包单位:中铁二十局第二工程合同号: C14监理单位:交科工程咨询编号:工程名称: 桩号及工程部位:日期:测表11测量:计算:复核:. z.。
E6.2.2-1砌体挡土墙质量检验评定表(监抽)分项工程名称:衡重式路肩墙所属分部工程名称:砌筑防护工程所属建设项目:昭通市昭阳至永善公路改建工程项目工程部位:K60+230-K60+255(右侧)施工单位:江西中煤建设集团有限公司监理单位:云南元土工程监理有限公司编号:基本要求1、石料或混凝土预制块的质量和规格应符合有关规范和设计要求。
2、砂浆所用的水泥、砂、水的质量应符合有关规范的要求,按规定的配合比施工。
3、地基承载力必须满足设计要求。
4、砌筑应分层错缝。
浆砌时坐浆挤紧,嵌填饱满密实,不得有空洞。
5、沉降缝、泄水孔、反滤层的设置位置、质量和数量应符合设计要求。
实测项目项次检查项目规定值或允许偏差实测值或实测偏差值质量评定1 2 3 4 5 6 7 8 9 10平均值代表值合格率(%)得分权值加权得分1△砂浆强度(MPa) 在合格标准内100 100 3 3002 平面位置(mm) 50 283635100 100 1 1003 顶面高程(mm) ±20 15100 100 1 1004 竖直度或坡度(%) 0.5 0.20.4100 100 1 1005△断面尺寸(mm) 不小于设计100 100 3 3006 底面高程(mm) ±50 25100 100 1 1007表面平整度(mm)块石20 11158100 1001100 片石30 252328100 100 100 混凝土块、料石10分项工程得分100 合计11 1100外观鉴定砌体表面不平整减分 3监理意见符合公路工程质量检验评定标准要求质量保证资料齐全、规范减分0工程质量等级评定评分: 97 质量等级:合格监理员:专业监理工程师:驻地监理工程师:年月日E6.2.2-1砌体挡土墙质量检验评定表(监抽)分项工程名称:重力式路肩墙所属分部工程名称:砌筑防护工程所属建设项目:昭通市昭阳至永善公路改建工程项目工程部位:K60+890-K61+010(右侧)施工单位:江西中煤建设集团有限公司监理单位:云南元土工程监理有限公司编号:基本要求1、石料或混凝土预制块的质量和规格应符合有关规范和设计要求。
混凝土挡土墙检验批质量验收记录表(doc 24页)部门: xxx时间: xxx整理范文,仅供参考,可下载自行编辑浆砌砌体和混凝土挡土墙检验批质量验收记录表承包单位:兰州市第一建筑工程公司第四分公司合同编号:工程名称舟曲县灾后应急2#弃渣场(虎家崖)工程施工时间2010年9月日—9月日部位挡土墙0+000—0+010 检验时间2010年月日项次检验项目规定值或允许偏差检验结果检验方法和频率1 砂浆或混凝土强度(MPa)7.5 MPa 9.1 MPa2 平面位置(mm)浆砌挡土墙√50 20 40 35 10经纬仪混凝土挡土墙503 顶面高程(mm)重点浆砌挡土墙√±20 +10 -14 +15 +25水准仪混凝土挡土墙±10一般浆砌挡土墙混凝土挡土墙4 断面尺寸(cm) 不小于设计基础宽:505基础高:100墙身底:377墙身顶:85基础宽:504 506 505505基础高:100 101 102101墙身底:375 377 378378墙身顶:85 86 87 86尺量5 底面高程(mm) ±50 +40 -30 +35 +20 水准仪6 平面平整度块石√20 10 15 20 242m直尺片石30说明:一式三份,监理单位签证后,返回承包单位一份,送业主单位一份。
浆砌砌体和混凝土挡土墙检验批质量验收记录表承包单位:兰州市第一建筑工程公司第四分公司合同编号:说明:一式三份,监理单位签证后,返回承包单位一份,送业主单位一份。
浆砌砌体和混凝土挡土墙检验批质量验收记录表承包单位:兰州市第一建筑工程公司第四分公司合同编号:说明:一式三份,监理单位签证后,返回承包单位一份,送业主单位一份。
浆砌砌体和混凝土挡土墙检验批质量验收记录表承包单位:兰州市第一建筑工程公司第四分公司合同编号:说明:一式三份,监理单位签证后,返回承包单位一份,送业主单位一份。
浆砌砌体和混凝土挡土墙检验批质量验收记录表承包单位:兰州市第一建筑工程公司第四分公司合同号:说明:一式三份,监理单位签证后,返回承包单位一份,送业主单位一份。
检表片石混凝土挡土墙质量检验表
承包单位: 合同段:
监理单位: 编号: 第页共页工程名称桩号及部位施工日期检测日期
项次检测项目
规定值或
允许偏差
检查方法和频率检测值
1 混凝土强度Mpa 在合格标准内按附录D检查
2 平面位置mm 50 经纬仪:
每20m检查墙顶外边线3点
3 顶面高程mm ±20 水准仪:
每20m检查1点
4 竖直度或坡度% 0.
5 吊垂线:
每20m检查2点
5 断面尺寸mm 不小于设计尺量:
每20m量2个断面
6 底面高程mm ±50 水准仪:
每20m检查1点
7 表面平整度mm 30 2m直尺:
每20m检查3处,每处检查竖直和墙长两个方向
外观检查
结论
检测:复核:质检负责人:年月日。
挡土墙评定表汇总表工程名称挡土墙桩号或部位K13+000-K14+000检查项目设计值或允许偏差实测值或实测偏差值1 2 3 4 5 6 7 8 9 10 11 12 13 14 15 16 合格率平面位置(mm)5014 16 18 12 10 12 10 12 14 10 16 12 10 14 18 20100%16 12 14 12 16顶面高程(mm)±201 2 1 2 1 1 2 1 1 1 1 2 1 1 1 1100%2 2 1竖直度或坡度(%)0.50.52 0.51 0.51 0.51 0.52 0.51 0.52 0.51 0.52 0.51 0.52 0.51 0.52 0.51 0.51 0.51100%0.52 0.51 0.51 0.51 0.52断面尺寸(mm) 不小于设计25 5 10 10 12 5 15 25 15 10 5 10 6 8 10 5100%18 5 10 8 12 10 12 10 15 10 20 12 15 10 15 810 10 16 20 10 12 15 10 10 12 15 10 20 10 12 2015 14 16 20 14 12 7 12 15 10 20 11 15 20 10 512 8 8 10 15 12 15 8 10 15 25 10 5 12 10 1214 8 12 10 15 16 10 20 10 12 15 20 12 14 10 1540 12 8 10 15 12 10 16 10 12 20 12 15底面高程(mm)±50 1 2 1 3 2 2 2 1 1 2 2 1 3 1 2 0 100%2 1 2表面平整度(mm)2015 19 10 16 13 14 17 15 16 12 10 8 16 13 10 15 100%17 15 19 7 9 5负责人:填表人:日期:汇总表工程名称挡土墙桩号或部位K15+000-K16+000检查项目设计值或允许偏差实测值或实测偏差值1 2 3 4 5 6 7 8 9 10 11 12 13 14 15 16合格率平面位置(mm)5024 20100%顶面高程(mm)±203 1100%竖直度或坡度(%)0.50.51 0.52100%断面尺寸(mm) 不小于设计25 8 10 12 15 20 18 14 12100%底面高程(mm)±50 2 1100%表面平整度(mm)2012 15 10100%负责人:填表人:日期:路家洼至井焉公路改建工程汇总表工程名称挡土墙桩号或部位K21+000-K22+000 检查项目设计值或允许偏差实测值或实测偏差值1 2 3 4 5 6 7 8 9 10 11 12 13 14 15 16 合格率平面位置(mm)5016 18100%顶面高程(mm)±202 2100%竖直度或坡度(%)0.50.51 0.52100%断面尺寸(mm) 不小于设计80 8 10 6 12 10 14 30 35 32 8 10 16 10 12 14 100%底面高程(mm)±50 2 2100%表面平整度(mm)2016 15 13100%负责人:填表人:日期:。
混凝土挡土墙现场质量检验表混凝土挡土墙在施工现场的质量控制中扮演着重要的角色。
为了确保其质量,进行定期的质量检验是必不可少的。
以下是一份混凝土挡土墙现场质量检验表,以供参考。
1、施工前检查在施工前,应检查设计文件和施工图纸是否齐全、正确,是否存在冲突或不明确的地方。
同时,要确认施工队伍的技术能力和施工设备是否符合要求。
2、基础工程检查基础工程是挡土墙的重要组成部分,应检查基础的位置、深度、强度和稳定性是否符合设计要求。
基础的排水设施是否完善,以免水患对基础造成损害。
3、墙体检查挡土墙的墙体应坚固、稳定,表面应平整,无裂缝、变形或其他质量问题。
墙体的高度、宽度和厚度应符合设计要求,墙体材料的质量和配合比也应符合规范。
4、钢筋检查钢筋的质量和数量应符合设计要求,钢筋的连接和固定应牢固,以免在施工和使用过程中出现移位或松动。
同时,应检查钢筋的保护层厚度是否符合要求。
5、混凝土质量检查混凝土的配合比、强度和坍落度应符合设计要求和规范,混凝土的浇筑、振捣和养护应符合施工工艺要求。
混凝土表面应平整、光滑,无蜂窝、麻面和其他质量问题。
6、现场试验为了确保挡土墙的质量,应进行现场试验。
试验包括但不限于:墙体位移监测、土压力测试、钢筋应力测试等。
这些试验可以有效地监测挡土墙的工作状态,及时发现并解决潜在问题。
7、质量记录在整个施工过程中,应记录每一项质量检验的结果。
这些记录可以作为质量控制的依据,确保质量的可追溯性。
同时,也为验收提供了重要的依据。
8、验收与交付在挡土墙施工完成后,应进行全面的质量检查和验收。
验收应包括外观检查、结构稳定性检查、材料质量检查等。
如果检查结果符合设计和规范要求,可以交付使用。
同时,应提供相应的质量证明文件和技术资料。
9.维护与监测在挡土墙投入使用后,应定期进行维护和监测。
维护工作包括清除墙体的杂草、落叶等杂物,修补小面积的破损等。
监测工作主要是观察挡土墙的工作状态,定期检查位移、沉降等参数是否正常。
XXX第二绕城高速公路东段项目
混凝土挡土墙现场质量检验表
施工单位:XXX华川公路建设集团有限公司合同号: A3
监理单位:四川兴华建设咨询监理有限公司编号:
检表19-1
本文档主要介绍了建筑工程施工管理工作流程及对建筑工程施工员常
用工作表格进行了示范性填写。
主要包括施工组织管理、施工技术管理、地基与基础工程施工质量管理、主体工程施工质量管理、建筑装饰装修工程施工质量管理、施工安全管理与环境保护等。
上面是翰翰说设计为大家收集和整理的相关资料,希望对大家有所帮助!。