电子零件知识大全ppt课件
- 格式:ppt
- 大小:1.82 MB
- 文档页数:36
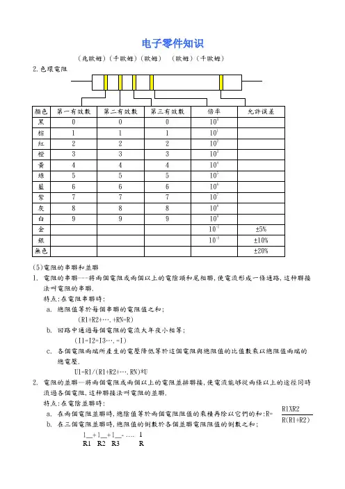
电子零件知识(兆歐姆) (千歐姆) (歐姆) (歐姆) (千歐姆)2.色環電阻(5)電阻的串聯和並聯1.電阻的串聯---將兩個電阻或兩個以上的電陰頭和尾相聯,使電流形成一條通路,這种聯接法叫電阻的串聯.特点:在電阻串聯時:a.總阻值等於每個串聯的電阻值之和;(R1+R2+….+RN=R)b.回路中通過每個電阻的電流大年夜小相等;(I1=I2=I3 (I)c.各個電阻兩端所產生的電壓降低等於這個電阻與總阻值的比值數乘以總阻值兩端的總電壓.U1=R1/(R1+R2+….RN)*U2.電阻的並聯—將兩個電阻或兩個以上的電阻並排聯接,使電流能够從兩條以上的途徑同時流過各個電阻,這种聯接法叫電阻的並聯.特点:在電陰並聯時:a.在兩個電阻並聯時,總陰值等於兩個電阻阻值的乘積再除以它們的和:R=b.在三個電阻並聯時,總阻值的倒數於各個並聯電阻阻值的倒數之和; R1XR2R(R1+R2)1__+1__+1__-….1__ R1R2R3Rc. 各個電阻兩端遭受的電壓雷同,都等於總電壓; (U1=U2=….=U)d 總電流等於流過各個電阻的電流之和. (I1+I2+I3….=I) 6.電阻的重要參數1. 標稱阻值與允許误差標稱阻值:國家規定一系列阻值作為產品的標準,這一系列阻值就叫做電阻的標稱阻值.允許误差:在量生產中,由於加工過程中的各道工序對電陰器的感化,電阻器的實際值不克不及做到與它的標稱阻值完全一樣,為了便於治理和組織生產,工程上按应用须要,所給出允許误差值.如±5%.±10%等. 2. 額定功率(PR) 它是指當大年夜氣壓力為650~800MM 水銀柱時,電阻器在特定的環境溫度範圍內所允許遭受的最大年夜功率. 3. 最高工作電壓在应用電阻器時,電阻工作電壓必須低於它的最高工作電壓,否則電阻器將超負荷而燒坏.其余的參數還有靜噪聲電動勢.絕緣電阻.絕緣內壓.溫度系數等.3. 電容(單位;法拉F)1. 概念:簡單地說,電容确实是儲存電荷的容器.兩塊正對的平行金屬板相隔专门近而又彼此絕緣就組成平行板電容器.2. 感化:濾波.藉合.通交换隔直流等.3.電學符號:--- ----+ -- 在線路板上平日用C 來表示電容.4. 從外觀可分為貼片電容和插件式電容.1. 單位F(法拉),原材料别处無數字符號表示.平日在領料時有標簽注明容量大年夜小等參數.如無法判斷時,可用電容表測出其容值.2. 插件式電容(下面重要介紹常用的兩种)1瓷介電容器----是以陶瓷材料為介質,並在其别处燒滲上銀層作為電极的電容器.適用於高頻高壓電路中.优點:A.電容器的體積能够做得专门小.B.具有专门好的穩定性.C.具有优良的絕緣机能.D 結構簡單,原材料丰富,便於大年夜量生產. 缺點:機械強度低,轻易碎裂.C=47X103=47000PF=0.047UF C=47PF3. 電解電容器---它的介質是一層极薄的附著在金屬板上的氧代膜.金屬极片為鋁.鉭等,附著有氧化膜的金屬极片為正极,電解液為負极.電解電容器具有單向導電的性質,是以,接入電路時,電容正极需接在電源正极,電容負极接在電源負极.假如接反了,會燒壞需接在電源正极,電容負极接在電源負极.假如接反了,會燒壞電解電容器,嚴重時會產生爆炸事宜而傷及人身.5. 電容的單位換算關系: 1f=103mf=106uf=109nf=1012pf(法拉) (毫法) (微法) (毫微法) (皮法) 由於f 的值太大年夜,故常用單位是uf 或pf 6. 電容的串聯和並聯1. 電容串聯特点’;a. 兩個電容串聯時,總電容量等於兩電容量的乘積再除以它們的和,即”加分之和”; C=C1XC2/(C1+C2)B 多個電容串聯時,總電容量的倒數等於各電容量倒數之和. (1/C1+1/C2+1/C3….=1/C)2. 電容並聯特点:總電容量等於每個電容容量之和. (C1+C2+C3+….=C)7. 電容的重要參數有:電容量.最高工作電壓.絕緣電阻等等. 4. 電感器(單位:享利H)1. 概念:電路內電流變動時產生感應電動拋的現象,稱為自感應.電感确实是用來表示自感應特点的一個量,它表示某一個回路通過必定電流時所建立的自感磁通量與該電流的比值.一样規定:線圈中的電流每秒鐘變化1安培,若產生的感應電動勢為1伏特時,線圈的電感量即為1享利.2. 感化:扼流.濾波.調諧.延遲.補償等.3.電學符號 在線路板上平日用L 來表示電感.4. 從外觀分可分為貼片式電感和插件式電感器.1. 貼片式電感器原材料别处無數字符號表示,平日在領料時有標簽注明電感量小等參數,如無法判斷時,可用電感表測出其電感值.5. 單位換算關系: 1H=103MH=106UHL(享利) (毫享) (微享)(因H 的值太大年夜,故常用單位是UH 或MH)6. 全然特点:感抗(XL)=2Πfl,xl 的單位是歐姆(Ω),f 的單位是赫玆(hz),L 的單位是享利(H).1. 電感量必定時,電流的頻率愈高,線圈的感抗愈大年夜.2. 頻率必定時,電感量愈大年夜,感抗愈大年夜;電感量愈小,感抗愈小;第二節 二极管.三极管的机能和全然參數 1. 二极管1. 概念:由一個PN 結組成的半導體器件,就稱為二极管.2. 特点:具有單向導電性.(即外加正向電壓時二极管導通,外加反向電壓時二极管截止.)3.在線路板上平日用D 來表示二极管.4.按用处分類: 1. 通俗二极管這种二极管主假如应用它的單向導電性來進行檢波和整流,它們的工作電流一样都不大年夜,約為幾毫安至幾百毫安,最高反向工作電壓約為几千赫至幾十兆赫. 2. 整流二极管(圖形如上)這种二极管重要也是应用它的單向導性來進行檢波和整流,它們的工作電流一样都不大年夜,約為几毫安至几百毫安,最高反向工作電壓約為幾十伏至一千伏阁下,工. 3.4.這种二极督工作於反向擊穿區,主假如应用其擊空后具有反向電壓全然不隨反向電流的變化而改變的特點來進行穩壓.其余還有變容二极管.開關二极管.微波二极管.發光二极管等等. 5. 二极管外觀其型號及一些參數表示在原材料上,帶色環的一端為負极.外觀如下圖: 6二极管的重要參數1. 最大年夜整流流(IF)2. 最高反向工作電壓(UR)3. 反向電流(IR)7.三极管(平日用字母Q 來表示三极管)1. 概念:由兩個PN 結組成的,具有三個電极的半導體器件,就稱為三极管.2. 重要感化:具有電流放大年夜.電壓放大年夜.開關等感化.3. 根據三极管的內部結构,可分為 :1.NPN 型三极管D C Ec eb表示基极 c表示集電极 e表示發射极4.NPN型三极管的三种工作狀態1.放大年夜狀態特点:當ib必定時,三极管具有恆流特点,即ic=βib2.飽和狀態特点:ib掉去操纵ic的才能,且集中電极與發射极呈短路狀態.3.截止狀態特点:IB=0,IC=0.集電极與發射极呈開路狀態.5.三极管(别处貼片)其型號及一些參數表示在原材料上.外觀如下圖: 在PCB板上的印刷如下圖:。