电梯主要功能测试记录表
- 格式:doc
- 大小:52.50 KB
- 文档页数:1
电梯安全每月监测表
一、电梯基本信息
- 电梯名称:
- 电梯编号:
- 电梯类型:
- 电梯安装日期:
- 电梯制造商:
二、本月监测结果
- 检测日期:
- 检测人员:
- 电梯运行状态:
- 电梯故障情况:
- 电梯安全装置是否正常:
- 电梯乘坐舒适度评估:
三、安全装置检测
- 门锁系统检测:
- 门锁是否正常:
- 门锁开闭是否灵活:
- 门锁声音是否正常:
- 紧急停止装置检测:
- 紧急停止装置是否灵敏:
- 紧急停止装置是否正常工作:- 电梯照明设备检测:
- 照明设备是否正常工作:
- 照明设备亮度是否适当:
- 照明设备是否有闪烁现象:- 安全钳检测:
- 安全钳是否正常:
- 安全钳灵敏度是否适当:
- 安全钳是否损坏磨损:
- 操纵装置检测:
- 操纵装置是否正常工作:
- 操纵装置按钮是否灵敏:
- 操纵装置按钮是否损坏:
四、电梯运行状况评估
- 电梯运行噪音:
- 电梯运行顺畅度:
- 电梯启动时间:
- 电梯停止时间:
- 电梯运行速度:
- 电梯乘坐体验:
五、其他问题及建议- 本月发现的问题:
- 需要修复或调整的事项:- 其他建议或意见:
六、下次监测计划
- 下次监测日期:
- 需要特别关注的事项:- 其他备注事项:。
电梯系统试运行记录本文档记录了电梯系统试运行的过程和结果。
试运行概述试运行是为了测试电梯系统的性能和安全性而进行的阶段性测试。
本次试运行计划于2022年1月1日开始,并持续进行了两个星期。
试运行目标试运行的主要目标是:1. 检查电梯系统的基本功能是否正常;2. 评估电梯系统的性能,包括速度、准确性和稳定性;3. 验证电梯系统的安全功能是否可靠;4. 测试不同负荷情况下的电梯运行情况。
试运行过程本次试运行按照以下步骤进行:1. 确认所有设备和控制系统的安装完毕;2. 进行静态测试,验证电梯的基本功能,例如开关门、上下行等;3. 进行动态测试,测试电梯在不同楼层之间的运行;4. 模拟不同负荷情况,测试电梯在负荷变化下的运行情况;5. 检查电梯的安全功能,例如防止超载和急停等;6. 记录相关数据和观察结果。
试运行结果本次试运行的结果如下:1. 电梯系统的基本功能正常;2. 电梯的速度、准确性和稳定性满足要求;3. 电梯系统的安全功能可靠;4. 电梯在不同负荷情况下均表现良好。
结论电梯系统的试运行取得了满意的结果,符合设计要求和安全标准。
在试运行中未发现任何明显的问题或缺陷。
根据试运行结果,可以确认电梯系统已经达到正式投入使用的标准。
后续计划根据试运行的结果,我们将进一步优化和调整电梯系统,确保其性能和安全性持续得到提升。
同时,我们还将进行最终的验收测试,并制定正式投入使用的计划。
以上是电梯系统试运行记录的内容。
---Note: This document is a sample. The content may vary depending on the specific context and requirements of the elevator system trial operation.。
电梯主要功能测试记录表附表十六序号项目规范及标准要求测试结果备注1 基站启用、关闭开关专用钥匙,运行、停止转换灵活2 工作状态选择开关操纵盘上司机、自动、检修钥匙开关,可靠3 轿内照明、通风开关功能正确、灵活可靠、标志清晰4 轿内应急照明自动充电,电源故障时自动接通,大于1Wlh5 本层厅外开门按电梯停在某层的呼梯按扭,应开门6 自动定向按先入为主的原则,自动确定运行方向7 轿内指令记忆有多个选层指令时,电梯应顺序逐一停靠8 呼梯记忆、顺向截停记忆厅外全部呼梯信号,按顺序停靠应答9 自动换向全部顺向指令完成后,自动应答反向指令10 轿内选层信号优先完成最后指令在关闭前,轿内优先登记定向11 自动关门待客完成全部指令后,电梯自动关门,时间4~10s12 提早关门按关门按钮,门不经延时立即关门13 钮开门在电梯未起动前,按开门钮,门不打开14 自动返基站电梯完成全部指令后,厅外呼梯不能截车15 司机直驶司机状态,按直驶钮后,厅外呼梯不能截车16 营救运行电梯故障停在层间时,自动慢速就近平层17 满载、超载装置满载时截车功能取消,超载时不能运行18 轿内报警装置应采用警铃、对讲系统、外部电话19 最小负荷试验空载轿厢运行最近层站后,消除登记信号20 门机断电手动开门在开锁区,断电后,手扒开门的力≯300N21 紧急电源停层装置备用电源将电梯就近平层开门22 并联及机群控制按产品设计程序试验2324测试人员项目经理质检员班组长参与人员签字日期隐蔽工程质量记录表附表十七工程名称隐检项目检查部位填写日期隐检内容填表人:检查意见年月日复核意见年月日建设单位设计单位施工单位项目负责人:项目负责人:技术负责人:质检员:工地名称建设单位变更部位变更原因变更内容:(视情况附变更设计文件)建设单位项目负责人:(签字)年月日设计单位项目负责人(签字):年月日监理单位项目负责人(签字):年月日施工单位项目经理(签字)年月日工地名称建设单位洽商项目洽商内容:(附变洽商预算资料)建设单位项目负责人:(签字)年月日设计单位项目负责人(签字):年月日监理单位项目负责人(签字):年月日施工单位项目经理、(签字)年月日二、液压式电梯安装施工工艺标准1总则1.1 适用范围本工艺标准适用于额定载重量5000kg及以下各类液压驱动电梯安装工程,不适用于曳引电梯、自动扶梯、杂物梯的安装。
电梯整体试运转记录日期:2024年5月10日地点:XX楼宇电梯机房参与人员:XX电梯公司技术人员、楼宇管理员、检验员等目的:对新安装的电梯进行整体试运转,确保其工作正常、运行平稳,并检查各项安全功能是否正常。
一、前期准备工作:1.检查电梯设备及机房周边环境是否符合要求,确保机房通风、无明火、无易燃物等安全隐患。
2.确认电梯上下平层按钮、紧急停止按钮、报警按钮、开门关门按钮等各项设备安装位置正确、固定牢固。
3.检查电梯轿厢内的照明、通风、音响等设备是否正常运行。
4.检查轿厢门、轿厢壁板、地板是否完好无损,门扇开合是否灵活顺畅。
5.确认电梯电气系统接线正确,各项电气设备正常运行。
6.检查电梯井道内的安全门、光幕、防坠器、导轨等安全装置是否安装完好、运行正常。
二、试运转流程:1.电梯上行测试:首先测试电梯从地面到顶层的上行情况。
按下电梯上行按钮,检查电梯是否能正常上行,轿厢门是否能正常关闭,上升过程中有无异常声响或振动。
2.电梯下行测试:将电梯发送到顶层后,再按下电梯下行按钮,检查电梯是否能正常下行,轿厢门是否能正常关闭,下降过程中有无异常声响或振动。
3.电梯开门关门测试:在每层楼都测试电梯的开门关门功能,确保门扇能够迅速打开和关闭,检查门扇密封性能是否正常。
4.电梯平层测试:将电梯发送到每一层后,检查轿厢是否与楼层平齐,通过楼层平齐开关来判断电梯是否准确停在楼层位置。
5.防坠器测试:在上行或下行时,通过手动切断电梯的上行或下行信号,触发防坠器装置,确保其正常工作。
6.紧急救援测试:测试电梯的紧急停止按钮和报警按钮功能,确保在紧急情况下能及时停止电梯并求救。
7.安全光幕测试:线性型和点型的光幕安全装置应在电梯平层平稳停止后自动工作。
通过在光幕前做手势测试,触发光幕后轿厢应立即停止运行。
8.电梯自动故障保护测试:通过模拟电梯系统发生故障的情况,测试电梯各项保护功能是否能够自动启动,如电源故障、主机故障等。
电梯整机功能检验记录一、检验对象:首先,我们需要明确检验的电梯整机。
本次检验的电梯为XX品牌XX 型号电梯。
二、检验目的:本次检验的目的是验证电梯整机的各项功能是否正常。
通过检验,判断电梯的性能是否符合国家标准和制造商的要求。
三、检验方法:本次检验采用以下几种方法进行:1.目视观察:检查电梯外观、内部装修、按钮和指示灯等是否正常。
2.功能操作:按下电梯内外按钮和应急按钮,观察电梯的运行状态和反应。
3.测试测量:使用测试仪器对电梯的各项运行参数进行测试,包括速度、载重、平层度等。
四、检验内容:1.电梯外观和装修:检查电梯门、墙壁、地板、按钮和指示灯的完整性和清洁度。
2.电梯内外按钮和指示灯:a.按下电梯内外按钮,确认按钮是否能够正常使用,电梯是否能够到达所选楼层。
b.检查电梯内外指示灯是否准确显示楼层信息。
c.检查应急按钮是否正常使用,并观察电梯的紧急制停系统是否正常启动。
3.电梯运行状态:a.检验电梯启动、平层、停止和重置等功能是否正常。
b.观察电梯的平层度是否符合国家标准要求。
c.测试电梯的运行速度是否符合国家标准要求。
4.电梯载重:a.使用载重测试仪,测试电梯的最大载客量和最大载重量。
b.观察电梯在满载和超载状态下的运行情况。
5.电梯安全装置:a.检验电梯的主机、控制系统和安全装置是否正常工作。
b.测试电梯的紧急制停装置、防蹭击装置和电气安全装置的可靠性。
五、检验结果:根据以上的检验方法和内容,我们对电梯整机的各项功能进行了全面检验。
经过检验,我们得出以下结论:1.电梯外观和装修:a.电梯门、墙壁、地板等各个部件完好无损。
b.按钮和指示灯清晰可见,反应灵敏。
2.电梯内外按钮和指示灯:a.按钮能够正常使用,电梯到达所选楼层。
b.指示灯准确显示楼层信息,并且亮度适中。
c.应急按钮正常使用,紧急制停系统正常启动。
3.电梯运行状态:a.电梯启动、平层、停止和重置等功能正常。
b.电梯平层度符合国家标准要求。
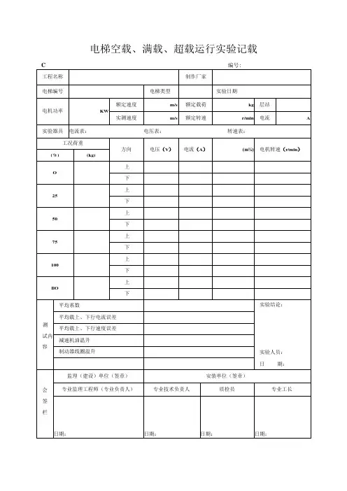
电梯空载、满载、超载运行实验记载施工现场安全施工注意事项1、施工人员进入施工现场前,必须要进行施工安全、消防知识的教育和考核工作,对考核不合格的职工,禁止进入施工现场参加施工。
2、进入施工现场必须戴好安全帽,系好帽带,并正确使用个人劳动防护用品.3、严格执行操作规程,不得违章指挥和违章作业,对违章作业的指令有权拒绝并有责任制止他人违章作业。
4、施工作业时必须正确穿戴个人防护用品,进入施工现场必须戴安全帽。
不许私自用火,严禁酒后操作。
5、穿拖鞋、高跟鞋、赤脚或赤膊不准进入施工现场。
6、穿硬底鞋不得进行登高作业。
7、在高空、钢筋、结构上作业时,一定要穿防滑鞋.8、现场用电,一定要有专人管理,同时设专用配电箱,严禁乱接乱拉,采取用电挂牌制度,尤其杜绝违章作业,防止人身、线路,设备事故的发生。
9、电钻、电锤、电焊机等电动机具用电、配电箱必须要有漏电保护装置和良好的接地保护地线,所有电动机具和线缆必须定期检查,保证绝缘良好,使用电动机具时应穿绝缘鞋,戴绝缘手套。
10、工地施工照明用电,必须使用36伏以下安全电压,所有电器机具在不使用时,必须随时切断电源,防止烧坏设备.11、在用喷灯、电焊机以及必要生火的地方,要填写用火申请登记和设专人看管,随带消防器材等,保证消防措施的落实。
施焊时,特别注意检查下方有无易燃物,并做好相应的防护,用完后要检查,确认无火后再离开.12、未经安全教育培训合格不得上岗,非操作者严禁进入危险区域;特种作业必须持特种作业资格证上岗。
13、凡2m以上的高处作业无安全设施,必须系好安全带;安全带必须先挂牢后再作业。
14、高处作业材料和工具等物件不得上抛下掷.15、从事高空作业人员要定期体验。
凡患有高血压、心脏病、贫血症、癫痫病以及不适于高空作业的人员,不得从事高空作业。
16、机械设备、机具使用,必须做至『定人、定机”制度沫经有关人员同意,非操作人员不得使用。
17、电动机械设备,必须有漏电保护装置和可靠保护接零,方可启动使用.18、未经有关人员批准,不得随意拆除安全设施和安全装置;因作业需要拆除的,作业完毕后,必须立即恢复。
电梯日常检查记录日期:2024年10月1日地点:XX大厦执检人员:张三1.检查电梯门的开关情况,确认是否正常开闭,无异常声音或卡住现象。
2.检查电梯内部灯光是否正常亮起,无闪烁或暗淡。
3.检查电梯按钮的功能是否正常,无卡住或按键失灵情况。
4.检查电梯内部通风设施的运行情况,确认无异味或堵塞。
5.检查电梯顶部的防护装置是否完好无损,无松动或锈蚀。
6.检查电梯轿厢内部的镜子、护栏等是否整洁,无损坏或脏污。
7.检查电梯轿厢内部地面的平整度,确认无起伏或损坏。
8.检查电梯轿厢内部紧急报警装置的功能是否正常,可正常触发警报。
9.检查电梯轿厢内部的楼层显示器是否正常显示当前楼层,无闪烁或错误显示。
10.检查电梯井道内的防坠落设施是否完好无损,无松动或脱落。
11.检查电梯井道内的照明设备是否正常工作,无闪烁或亮度不足。
12.检查电梯井道内的安全钳是否正常工作,可以准确阻止电梯运行时的冲顶现象。
13.检查电梯井道内的导轨和补偿绳是否正常,无断裂、绷紧或过度磨损。
14.检查电梯井道内的消防设施是否齐全,灭火器、消防栓等是否易于取用。
15.检查电梯机房内的通风设备是否正常工作,无异味或异常声音。
16.检查电梯机房内的电气设备是否运行正常,无发热或松动现象。
17.检查电梯机房内的供电设备是否正常,无电缆松动或短路现象。
18.检查电梯机房内的保护装置是否正常工作,无误报或失效。
19.核对电梯运行记录,确认是否有异常报警或事故。
20.查阅电梯维保记录,确认维保情况是否及时、完善。
通过以上的日常检查,可以及时发现和解决电梯存在的问题,保障电梯的正常运行和乘客的出行安全。
备注:若发现任何异常情况,应立即报告维保人员进行处理,并将处理情况记录在维护报告中。
电梯检查记录表1. 概述本文档记录了电梯检查的详细内容和结果。
电梯检查是为了确保电梯的安全性和正常运行的重要环节。
2. 电梯信息电梯信息如下:•电梯名称:A栋电梯•电梯型号:XYZ-1001•电梯制造商:ABC Elevators Inc.•安装日期:2020年01月01日3. 检查人员以下人员参与了电梯的检查工作:•检查员:张三•辅助人员:李四、王五4. 检查日期电梯的检查日期为2021年05月01日,检查工作时间为上午10点到12点。
5. 检查内容5.1 电梯外观检查•检查电梯门是否完好,无划痕或损坏。
•检查电梯按钮是否清洁,无污垢或损坏。
•检查电梯的照明是否正常,是否有暗角。
5.2 电梯内部检查•检查电梯内部面板是否完好,无划痕或损坏。
•检查电梯按钮是否灵敏,是否有任何按钮失灵的情况。
•检查电梯照明是否正常,是否有任何灯泡需要更换。
5.3 电梯运行检查•检查电梯运行速度是否正常,无明显异响或抖动。
•检查电梯上下行是否平稳,无异常情况。
•检查电梯停靠楼层是否准确,无误差。
6. 检查结果6.1 问题记录在本次电梯检查中,我们发现了以下问题:1.第5层电梯按钮失灵,无法在该楼层内召唤电梯。
2.电梯内部面板上的数字显示屏有一个像素坏点。
6.2 处理措施对于上述问题,我们将采取以下处理措施:1.第5层电梯按钮失灵将会派工人员进行维修,并在修复完成前在该楼层内设置临时楼层按钮。
2.电梯内部面板上的像素坏点将在下次维保过程中修复。
7. 检查总结本次电梯检查发现了两个问题,其中一个问题会影响到电梯的正常使用。
我们将会尽快采取措施修复这些问题,以确保电梯的安全和正常运行。
附录:电梯维护计划为了保障电梯的正常使用,我们制定了以下电梯维护计划:1.定期清洁电梯的外观和内部面板,保持其整洁。
2.定期更换电梯按钮上的标识,确保用户的使用方便。
3.定期检查电梯照明和照明开关的正常工作情况,并及时更换灯泡。
4.每隔半年进行一次全面维保,包括清洁、润滑等各项工作。
电梯每月例行检查记录
目的
本文档旨在记录电梯每月例行检查的过程和结果,以确保电梯的正常运行和安全使用。
检查日期:YYYY年MM月
请在下表中填写每月例行检查的日期和结果。
检查内容
以下是每月例行检查的内容,请按照实际情况勾选或填写检查结果。
1. 电梯运行状态
- [ ] 正常
- [ ] 异常(请在备注中说明具体情况)
2. 电梯门操作
- [ ] 门开启和关闭正常
- [ ] 门存在异常(请在备注中说明具体情况)
3. 电梯按钮
- [ ] 按钮正常工作
- [ ] 按钮存在异常(请在备注中说明具体情况)
4. 电梯照明和通风
- [ ] 照明和通风正常
- [ ] 照明或通风存在异常(请在备注中说明具体情况)
5. 安全设施
- [ ] 紧急呼叫装置正常
- [ ] 火警装置正常
- [ ] 安全门正常
- [ ] 其他安全设施存在异常(请在备注中说明具体情况)
6. 电梯声音和振动
- [ ] 无异常声音和振动
- [ ] 存在异常声音或振动(请在备注中说明具体情况)
7. 其他检查事项(请在备注中说明)
- [ ]
备注
请在此处填写任何需要说明的情况或备注。
签字
检查人员:____________________
日期:YYYY年MM月DD日
以上为电梯每月例行检查记录,如有需要,请妥善保存。
电梯安装工程各种检测记录-表格检测项目检测标准检测时间检测结果拉绳紧度调整拉绳紧度应在规定范围内。
包装前/运输中/安装调试前。
合格/不合格对重及配重系统1.对重应严格符合设计规定。
2.配重系统应符合规定要求。
安装调试前/调试结束后。
合格/不合格安全钳调试安全钳应能灵活可靠地启动。
安装调试前。
合格/不合格门锁互锁开门时电梯应停运并锁死,关闭门后电梯才能运行。
安装调试前/调试结束后。
合格/不合格门的开关开关门应灵活,门应自动关闭。
安装调试前/调试结束后。
合格/不合格平层度各层平台的平层度应符合要求。
安装调试后。
合格/不合格限速器调校1.限速器应当对超速情况作出及时反应。
2.限速器按规定应定期检验。
安装调试同步进行后。
合格/不合格紧急制停装置紧急制停按钮应能够灵活启动。
安装调试前。
合格/不合格电梯是我们生活中经常使用的交通工具,安全性极为重要。
在电梯安装工程中,各种检测记录都是不可或缺的。
本文是电梯安装工程各种检测记录的表格。
这些记录中包括拉绳紧度调整、对重及配重系统、安全钳调试、门锁互锁、门的开关、平层度、限速器调校和紧急制停装置等各项检测项目及其标准、检测时间和检测结果。
在电梯安装前,就应该进行拉绳紧度调整检测。
检测标准是拉绳紧度应在规定范围内。
检测时间包括包装前、运输中和安装调试前。
检测结果只有合格或不合格。
对重及配重系统的检测标准包括对重应严格符合设计规定以及配重系统应符合规定要求。
检测时间为安装调试前和调试结束后,检测结果为合格或不合格。
安全钳调试是另一项重要的检测。
这里的检测标准是安全钳应能灵活可靠地启动,检测时间为安装调试前,检测结果为合格或不合格。
门锁互锁也是一个必须检测的项目,其检测标准是开门时电梯应停运并锁死,关闭门后电梯才能运行。
检测时间同样包括安装调试前和调试结束后。
检测结果为合格或不合格。
门的开关检测也是必须注意的项目,检测标准为开关门应灵活,门应自动关闭。
检测时间包括安装调试前和调试结束后。
一、如果给你一台电梯,请问你如何测试它,分析如下1.功能:上升、下降、停止、开门、关门、梯内电话、灯光、指示灯等;2.性能:速度、反应时间、关门时间等;3.压力:超载、尖锐物碰撞电梯壁等;4.安全:停电、报警装置、轿箱停靠位置、有人扒门时的情况等;5.可用性:按键高度、操作是否方便、舒适程度等;6.UI:美观程度、光滑程度、形状、质感等;7.稳定性:长时间运行情况等;8.兼容性:不同电压是否可工作、不同类型电话是否可安装等。
其实在简单分析的过程中,发现许多东西根本测试不全,比如电话、灯光、材质、调度程序、可维修性等,当发现在一个用例中无法说清楚时,这些应该拆分开来分别测试。
可以告诉主考官,你需要模块化地测试电话、灯光等。
再有在一起的组装测试。
二、下面是详细的测试点:需求测试:查看电梯使用说明书、安全说明书等界面测试:查看电梯外观功能测试:1.测试电梯能否实现正常的上升和下降功能。
2.电梯的按钮是否都可以使用。
3.电梯门的打开,关闭是否正常。
4.报警装置是否可用。
5.与其他电梯之间是否协作良好。
6.通风状况如何。
7.突然停电时的情况。
8.上升途中的响应。
1)电梯本来在1楼,如果有人按18楼,那么电梯在上升到5楼的时候,有人按了10楼,这时候是否会在10楼先停下来;2)电梯下降到10层时显示满员,此时若8层有人等待电梯,是否在8层停。
9.是否有手机信号可靠性:1.门关上的一刹那出现障碍物。
2.同时按关门和开门按钮。
3.点击当前楼层号码4.多次点击同一楼层号码5.同时按上键和下键易用性:电梯的按钮的设计符合一般人的习惯吗用户文档:使用手册是否对电梯的用法、限制、使用条件等有详细的描述压力测试:1.看电梯的最大承重量,在负载过重时报警装置是否有提醒2.在一定时间内不断让电梯上升、下降稳定性测试:看电梯在最大负载下平稳运行的最长时间如何编写测试用例:1、了解软件的原始需求(测试目的)在编写一个软件或者模块的测试用例时候,一定要明白这个功能的原始需求,也就是软件的使用者(客户)的需求。