路基检测标准值及频率
- 格式:xlsx
- 大小:15.36 KB
- 文档页数:4
试验检测频率与技术要求
试验检测频率与技术要求
路基原材料及路基填筑试验检测项目
试验检测频率与技术要求
底基层和基层原材料的试验检测项目
试验检测频率与技术要求
底基层和基层混合料的试验项目
试验检测频率与技术要求底基层和基层的试验检测项目
试验检测频率与技术要求
外形尺寸检查项目、频率和质量标准
注:1、水泥砼(砂浆)仅为28天标准强度
2、可根据生产工艺或其他要求适当增加试件数量。
3、不详之处参照《公路路基施工技术规范》、《公路路面基层施工技术规范》JTJ034—2000、《公路桥涵施工技术规范》 JTJ041—2000、《公路工程质量检验评定标准》JTGF80/1—2004 及相关图纸和文件。
试验检测频率与技术要求
施工过程中热拌沥青混合料及原材料试验检测项目
试验检测频率与技术要求
公路热拌沥青混合料路面交工检查与验收质量标准
试验检测频率与技术要求
热拌沥青混合料的频度和质量要求
试验检测频率与技术要求
公路热拌沥青混合料路面施工过程中工程质量的控制标准
试验检测频率与技术要求
热拌沥青混合料的施工温度(℃)。
公路工程施工试验检测频率(JTGF80/1-2004)一、主要材料试验检测频率(一)、路基土方工程一、填料每5000m3检测一次颗粒分析、液塑限、重型击实、承载比(CBR)、含水量。
二、路基弯沉值:每双车道评定路段(不超过1公里)检查80-100点,多车道公路必须按车道数与双车道之比相应增加测点。
三、软土地基处理1、砂垫层所用砂,每5000m3物检1次。
2、无纺土工布,每5000m2检测1次。
3、塑料排水板、止水带,每1000m检测1次。
4、土工格栅,每500卷检测1次。
(二)、砼工程1、不同构造物、不同强度等级、不同水泥品种、不同砂、石料、不同掺合料、不同外加剂、不同要求坍落度等均应做砼配合比。
2、配合比半年应复测1次。
3、水泥:每批号检测1次(超出厂日期3个月复检1次)。
4、粗集料:同料场、同粒径的碎石或卵石,每400m3检测1次。
5、细集料:同料场、同开采地点,每200m3检测1次。
6、粉煤灰:每200t检测1次。
7、防水剂、减水剂:每50t检测1次。
8、速凝剂:每20t检测1次。
9、膨胀剂、泵送剂:每60t检测1次。
10、锚固剂:每500卷检测1次。
11、砼路面取芯样:①每车道每1km钻取2个芯样,检测强度及板厚;②试件评定不合格时,每公里每车道应取3个芯样以上。
(三)、钢筋1、每进料一批,检测1次。
同品种、同等级、同一截面尺寸、同炉号、同厂家生产的为一批验收。
2、对焊、搭焊、不同规格部位,每批检测1次。
3、同一生产厂、同一牌号、同一等级规格,每60t为一批,不足者亦为一批计。
4、钢筋焊接:每300个为一批,检测一次(3个样)以300个同类型焊接钢筋在同一焊接条件下(同一焊工在同一班内用同一焊接参数)焊接作为一批,一周内不足300个者亦为一批计。
5、镦粗直螺纹钢筋接头:每500个检测1次(3个样)。
6、钢绞线:每60t检测1次(3个样)。
7、锚具夹片:硬度抽取5%且不少于5套,静载试验抽取3套。
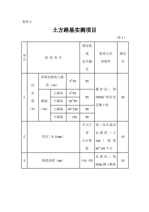
主要检测项目、检验频率、方法、允许偏差土方路基(路床)质量检验应符合下列规定:主控项目1路基压实度应符合本规范表6.3.9的规定。
检查数量:每1000m2、每压实层抽检1组(3点)。
检验方法:查检验报告(环刀法、灌砂法或灌水法)。
2弯沉值,不得大于设计规定。
检查数量:每车道、每20m测1点。
检验方法:弯沉仪检测。
一般项目3土路基允许偏差应符合表6.8.1的规定。
表6.8.1土路基允许偏差二、石灰稳定土,石灰、粉煤灰稳定砂砾(碎石),石灰、粉煤灰稳定钢渣基层及底基层质量检验应符合下列规定:主控项目4原材料质量检验应符合下列要求:1)土应符合本规范第7.2.1条第1款的规定。
2)石灰应符合本规范第7.2.1条第2款的规定。
3)粉煤灰应符合本规范第7.3.1条第2款的规定。
4)砂砾应符合本规范第7.3.1条第3款的规定。
5)钢渣应符合本规范第7.4.1条第3款的规定。
6)水应符合本规范第7.2.1条第3款的规定。
检查数量:按不同材料进厂批次,每批检查1次。
检验方法:查检验报告、复验。
5基层、底基层的压实度应符合下列要求:1)城市快速路、主干路基层大于等于97%、底基层大于等于95%。
2)其他等级道路基层大于等于95%、底基层大于等于93%。
检查数量:每1000m2,每压实层抽检1组(1点)。
检验方法:查检验报告(灌砂法或灌水法)。
6基层、底基层试件作7d饱水抗压强度,应符合设计要求。
检查数量:每2000m21组(6块)。
检验方法:现场取样试验。
一般项目7表面应平整、坚实、无粗细骨料集中现象,无明显轮迹、推移、裂缝,接茬平顺,无贴皮、散料。
8基层及底基层允许偏差应符合表7.8.1的规定。
表7.8.1石灰稳定土类基层及底基层允许偏差三、级配碎石及级配碎砾石基层和底基层施工质量检验应符合下列规定:主控项目1碎石与嵌缝料质量及级配应符合本规范第7.7.1条的有关规定。
检查数量:按不同材料进场批次,每批次抽检不得少于1次。
序号项目检验内容采用标准抽样频率取样方法1 土工颗粒分析、界限含水量试验JTGE40-2007《公路土工试验规程》JTG F10-2006《公路路基施工技术规范》每5000m3一次。
取具有代表性的扰动土。
*击实试验、室内CBR试验每种土质一次,相同土质每50000 m3复检一次。
2 细集料(水泥砼用)筛分、表观密度与堆积密度、含泥量与泥块含量JTGE42-2005《公路工程集料试验规程》JTG/TF50-2011《公路桥涵施工技术规范》以进场数量为一检验批,每检验批代表数量不得超过300T或200 m3。
取样前先将取样部位表层铲除,然后由各部位抽取大致相等的砂,组成一组样品。
含水量砼开盘前必做3 粗集料(水泥砼用)筛分、含泥量、针片状含量、压碎值、表观密度与堆积密度、JTGE42-2005《公路工程集料试验规程》JTGF30-2003《公路水泥混凝土路面施工技术规范》JTG/TF50-2011《公路桥涵施工技术规范》JTGE41-2005《公路工程石料试验规程》每批次进场检验一次,每检验批代表数量不得超过1000t或400 m3。
先铲除表面处无代表性的部分,然后在料堆的顶部、中部、底部取得大致相等的若干份组成一组试样。
含水量砼开盘前必做4 水泥细度、标准稠度用水量凝结时间、安定性、胶砂强度GB 175-2007 《通用硅酸盐水泥》JTGE30-2005《公路工程水泥及水泥混泥土试验规程》GB/T8074-2008《水泥比表面积测定方法勃氏法》每批次进场检验一次,每检验批代表数量袋装不得超过200T,散装500 T从20个以上的不同部分取等量样品作为一组试样,样品总量至少12kg。
5 粉煤灰细度、需水量比、烧失量、含水量、抗压强度比GB/T1345-2005《水泥细度检验方法》GB 1596-2005《用于水泥和砼中的粉煤灰》GB/T 76-96《水泥化学分析试验》GBJ 146-90《粉煤灰应用技术规范》每批次进场检验一次,每检验批代表数量不超过200T。
公路工程检测试验项目标准与频率工程项目:路基工程
公路工程检测试验项目标准与频率工程项目:路基工程
工程项目:排水工程
第3页共21页
工程项目:排水工程
第4页共21页
工程项目:排水工程
第5页共21页
工程项目:路面工程
第6页共21页
工程项目:路面工程
第7页共21页
工程项目:路面工程
第8页共21页
工程项目:路面工程
第9页共21页
工程项目:路面工程
第10页共21页
工程项目:路面工程
第11页共21页
工程项目:路面工程
第12页共21页
公路工程检测试验项目标准与频率工程项目:路面工程
第13页共21页
工程项目:路面工程
第14页共21页
工程项目:路面工程
第15页共21页
公路工程检测试验项目标准与频率工程项目:路面工程
第16页共21页
公路工程检测试验项目标准与频率工程项目:桥梁、涵洞工程
公路工程检测试验项目标准与频率工程项目:桥梁、涵洞工程
公路工程检测试验项目标准与频率工程项目:桥梁、涵洞工程
公路工程检测试验项目标准与频率工程项目:桥梁、涵洞工程
公路工程检测试验项目标准与频率工程项目:桥梁、涵洞工程
注:带★号的检测项目和验收试验的检测项目,必须送监理代表处中心试验室进行检验。
道路工程质量检测标准及频率
1.1 路基土石方工程
1.1.1土方路基
土方路基允许偏差及检查频率
1.1.2石方路基
石方路基允许偏差及检查频率
1.1.3砂垫层
砂垫层允许偏差及检查频率
注:(1)纵断高程、宽度检查频率为全幅路每一检查段内的检查量。
1.2 排水工程
1.2.1管道基础及管节安装
管道基础及管节安装允许偏差及检查频率
1.2.2检查(雨水)井砌筑
1.2.3浆砌排水沟、边沟、截水沟
浆砌排水沟、边沟、截水沟允许偏差及检查频率
1.3 挡土墙防护及其它砌石工程1.3.1砌体和混凝土挡土墙
砌体和混凝土挡土墙允许偏差及检查频率
1.3.2护坡、护面墙
护坡、护面墙允许偏差及检查频率
1.3.3浆砌砌体
浆砌砌体允许偏差及检查频率
1.3.4干砌片石
1.4 路面工程
1.4.1沥青混凝土路面
沥青混凝土路面允许偏差及检查频率
注:表面压实度带*者按试验路压实度为准。
1.4.2沥青贯入式面层
沥青贯入式面层允许偏差及检查频率
注:当设计值≥6cm时,按厚度面分率控制:设计厚度小于6cm时,按厚度不足毫米数控制。
1.4.3水泥稳定粒料基层和底基层
水泥稳定粒料基层和底基层允许偏差及检查频率
1.4.4级配碎(砾)石基层和底基层
级配碎(砾)石基层和底基层允许偏差及检查频率
1.4.5路缘石铺设
路缘石铺设允许偏差及检查频率
1.4.6路肩
路肩允许偏差及检查频率
1.4.7照明设施安装。
第1页共17页
公路工程检测试验项目标准与频率
工程项目:路基工程
公路工程检测试验项目标准与频率工程项目:路基工程
第2页共17页
公路工程检测试验项目标准与频率工程项目:排水工程
第3页共17页
工程项目:排水工程
第4页共17页
工程项目:排水工程
第5页共17页
工程项目:路面工程
第6页共17页
工程项目:路面工程
第7页共17页
工程项目:路面工程
第8页共17页
工程项目:路面工程
第9页共17页
工程项目:路面工程
第10页共17页
公路工程检测试验项目标准与频率工程项目:路面工程
第11页共17页
公路工程检测试验项目标准与频率工程项目:路面工程
第12页共17页
公路工程检测试验项目标准与频率工程项目:桥梁、涵洞工程
第13页共17页
公路工程检测试验项目标准与频率工程项目:桥梁、涵洞工程
第14页共17页
公路工程检测试验项目标准与频率工程项目:桥梁、涵洞工程
第15页共17页
工程项目:桥梁、涵洞工程
第16页共17页
工程项目:桥梁、涵洞工程
第17页共17页。
工程质量检测标准及频率(高速公路、一级公路)1. 路基土石方工程1.1 土方路基土方路基允许偏差及检查频率注:(1)表列压实度以重型击实试验法为准,评定路段内的压实度平均值下置信界限不得小于规定标准,单个测定值不得小极值(表列规定值减5个百分点)。
小于表列规定值2个百分点的测点,按其数量占总检查点的百分率计算减分值。
(2)采用核子仪检验压实度时应进行标定试验,确认其可靠性。
(3)特殊干旱、特殊潮湿地区或过湿土路基,可按交通部颁发的路基设计、施工规范所规定的压实度标准进行评定。
1.2 石方路基石方路基允许偏差及检查频率注:土石混填路基压实度或固体体积率可根据实际可能进行检验,其他检测项目与石方路基相同。
1.3 砂垫层砂垫层允许偏差及检查频率注:(1)纵断高程、宽度检查频率为全幅路每一检查段内的检查量。
1.4 加筋工程土工合成材料加筋工程土工合成材料允许偏差及检查频率1.5 隔离工程土工合成材料隔离工程土工合成材料允许偏差及检查频率1.6 过滤排水工程土工合成材料过滤工程土工合成材料允许偏差及检查频率2. 排水工程2.1 管节制预制管节预制允许偏差及检查频率2.2 管道基础及管节安装管道基础及管节安装允许偏差及检查频率2.2 检查(雨水)井砌筑检查(雨水)井砌筑允许偏差及检查频率2.3 浆砌排水沟浆砌排水沟允许偏差及检查频率2.4 急流槽急流槽允许偏差及检查频率2.5 盲沟3. 挡土墙防护及其它砌石工程3.1 砌体和混凝土挡土墙砌体和混凝土挡土墙允许偏差及检查频率3.2 锥、护坡锥、护坡允许偏差及检查频率3.3 浆砌砌体浆砌砌体允许偏差及检查频率3.4 干砌片石干砌片石允许偏差及检查频率4. 路面工程4.1 水泥混凝土面层水泥混凝土面层允许偏差及检查频率注:表内的“σ”为平整度仪测定的标准偏差,“IRI”为国际平整度指数。
4.2 沥青混凝土面层和沥青碎石面层沥青混凝土面层和沥青碎石面层允许偏差及检查频率注:表面压实度带*者按试验路压实度为准。
路基检测指标与频率一、碎石垫层压实标准与检测频率采用碎石垫层时,路堤填高≤3.0m,顶面压实质量应满足K30≥150MPa/m; 路堤填高>3.0m,顶面压实质量应满足K30≥130MPa/m。
检验数量:区间正线路基沿线路纵向连续长度每100m、站场路基折合正线双线每100m,施工单位抽样检验3点,其中:路基中间1点,两侧距路基边缘2m处各1点。
监理单位平行检验不少于1点。
检验方法:按《铁路工程土工试验规程》(TB10102)规定的试验方法进行检验。
二、基床以下路堤压实标准与检测频率注:无砟轨道可采用K30或Ev2。
当采用Ev2时,其控制标准为Ev2≥45MPa且Ev2 / Ev1≤2.6。
检验数量:区间正线路基沿线路纵向连续长度每100m、站场路基折合正线双线每100m,施工单位每压实层抽样检验压实系数6点,其中:区间正线路基左、右距路基边线1m处各2点,路基中部2点。
每填高约90cm抽样检验地基系数(无砟轨道可采用K30或Ev2)4 点,其中:区间正线路基距路基边线2m处左、右各1点,路基中部2点。
站场路基按填筑分块分区段情况参照区间正线路基取点方法抽样检验。
.监理单位按施工单位抽检次数的10%进行平行检验,且均不少于一次。
检验方法:按《铁路工程土工试验规程》(TB10102)规定的试验方法进行检验。
三、基床底层压实标准与检测频率注:1 、无砟轨道可采用K30或Ev2。
当采用Ev2时,其控制标准为Ev2≥80MPa且Ev2/Ev1≤2.5。
2、括号内数字为寒冷地区化学改良土考虑冻融循环作用所需强度值。
检验数量:区间正线路基沿线路纵向连续长度每100m、站场路基折合正线双线每100m,施工单位每压实层抽样检验压实系数6点,其中:区间正线路基左、右距路基边线1m处各2点,路基中部2点。
每填高约90cm抽样检验地基系数(无砟轨道可采用K30或Ev2)、动态变形模量各4点,其中:区间正线路基距路基边线2m处左、右各1点,路基中部2点。
检测频率相关规范要求公路工程检测频率相关规范要求一、土工压实度检测频率:1.jtgf10-2021公路路基施工技术规范中第11页规定:施工过程中,每一压实层均应检验压实度,检测频率为每1000m2至少检验2点,不足1000m2时检验2点,必要时可根据需要增加检验点。
2.jtgf80/1-2021公路工程质量检验测评标准中第7页规定:每200m每压实层测4处。
第58页规定:台背回填每50m2每压实层至少检查1点。
二、砂浆强度检测频率:1.jtgf10-2021公路路基施工技术规范中第25页规定:浆砖水沟砂浆强度同一配合比,每台班2组;第63页规定:浆砌砌体砂浆强度每1工作台班2组试件;第68页规定:砌体挡土墙砂浆强度每1工作台班2组试件。
2.jtgf80/1-2021公路工程质量检验评定标准中第151页规定:重要及主体砌筑城物,每工作班制备2组与;通常及次要砌筑物,每工作班可制备1组与。
三、混凝土强度检测频率:1.jtgf10-2021公路路基施工技术规范中第25页、27页、35页、73页、75页、77页规定:同一协调比,每台班2组与。
2.jtgf80/1-2021公路工程质量检验评定标准中第148页规定:①相同强度等级及相同协调比的混凝土应当在铺设地点或角蕨地点分别随机制备试件;②浇筑一般体积的结构物(如基础、墩台等)时,每一单元结构物应制取2组;③连续浇筑大体积结构物时,每80~200m3或每一工作班应制取2组;④上部结构,主要构件长16m以下应制取1组,16-~30m制取2组,31~50m制取3组,50m以上者不少于5组。
小型构件每批或每工作班至少应制取2组;⑤每根钻孔桩至少应制取2组;桩长20m以上者不少于3组;桩径大、浇筑时间很长时,不少于4组。
如换工作班时,每工作班应制取2组。
⑥构筑物(大桥涵、挡土墙)每座、MD03或每工作班制备不少于2组与。
当原材料和协调比相同、并由同一拌和站拌制时,可以几座或几处分拆制备2组与。
工程质量检测标准及频率(高速公路、一级公路)1. 路基土石方工程1.1 土方路基土方路基允许偏差及检查频率注:(1)表列压实度以重型击实试验法为准,评定路段内的压实度平均值下置信界限不得小于规定标准,单个测定值不得小极值(表列规定值减5个百分点)。
小于表列规定值2个百分点的测点,按其数量占总检查点的百分率计算减分值。
(2)采用核子仪检验压实度时应进行标定试验,确认其可靠性。
(3)特殊干旱、特殊潮湿地区或过湿土路基,可按交通部颁发的路基设计、施工规范所规定的压实度标准进行评定。
1.2 石方路基石方路基允许偏差及检查频率注:土石混填路基压实度或固体体积率可根据实际可能进行检验,其他检测项目与石方路基相同。
1.3 砂垫层砂垫层允许偏差及检查频率注:(1)纵断高程、宽度检查频率为全幅路每一检查段内的检查量。
1.4 加筋工程土工合成材料加筋工程土工合成材料允许偏差及检查频率1.5 隔离工程土工合成材料隔离工程土工合成材料允许偏差及检查频率1.6 过滤排水工程土工合成材料过滤工程土工合成材料允许偏差及检查频率2. 排水工程2.1 管节制预制管节预制允许偏差及检查频率2.2 管道基础及管节安装管道基础及管节安装允许偏差及检查频率2.2 检查(雨水)井砌筑检查(雨水)井砌筑允许偏差及检查频率2.3 浆砌排水沟浆砌排水沟允许偏差及检查频率2.4 急流槽急流槽允许偏差及检查频率2.5 盲沟3. 挡土墙防护及其它砌石工程3.1 砌体和混凝土挡土墙砌体和混凝土挡土墙允许偏差及检查频率3.2 锥、护坡锥、护坡允许偏差及检查频率3.3 浆砌砌体浆砌砌体允许偏差及检查频率3.4 干砌片石干砌片石允许偏差及检查频率4. 路面工程4.1 水泥混凝土面层水泥混凝土面层允许偏差及检查频率注:表内的“σ”为平整度仪测定的标准偏差,“IRI”为国际平整度指数。
4.2 沥青混凝土面层和沥青碎石面层沥青混凝土面层和沥青碎石面层允许偏差及检查频率注:表面压实度带*者按试验路压实度为准。