电源适配器检验规范
- 格式:pdf
- 大小:89.83 KB
- 文档页数:3
电脑电源适配器检测标准
为了确保电脑电源适配器的质量和安全性,制定相关检测标准是必要的。
本文将介绍电脑电源适配器的检测标准,以供参考。
1. 电源适配器安全性能检测标准
- 输入电气性能测试
- 输入电压范围测试
- 输入电压波动测试
- 输入电流测试
- 输入功率测试
- 输出电气性能测试
- 输出电压范围测试
- 输出电压精度测试
- 输出电流测试
- 输出功率测试
- 绝缘电阻测试
- 漏电流测试
- 高电压耐压测试
- 电源适配器温升测试
- 过载保护测试
- 短路保护测试
2. 电源适配器可靠性测试标准
- 输入电气性能稳定性测试
- 输出电气性能稳定性测试
- 长时间工作测试
- 温度循环测试
- 振动测试
- 湿热循环测试
- 高低温试验
- 老化测试
3. 电源适配器电磁兼容性测试标准
- 电磁辐射测试
- 电磁抗扰度测试
- 电磁放射传导互连测试
以上是电脑电源适配器的一些常见检测标准,具体的测试项目和要求可以根据实际情况进行调整和补充。
通过按照这些标准进行
检测,可以确保电脑电源适配器的质量和安全性能符合要求,提高用户的使用体验和安全性。
电源适配器安规测试标准电源适配器是我们日常生活中不可或缺的电子设备之一,它将交流电转换为适合电子设备使用的直流电。
为了确保使用安全和产品质量,电源适配器需要经过各种安规测试。
一、耐压测试耐压测试是用来测试电源适配器的绝缘性能和耐压性能是否符合标准要求的重要测试之一。
在此测试中,电源适配器将在高电压条件下进行长时间工作,以验证其绝缘材料和绝缘结构是否能够承受足够的电压,避免发生漏电及电击危险。
耐压测试通常分为输入输出之间的耐压和输出之间的耐压测试。
输入输出之间的耐压测试用于检测电源适配器在输入和输出间的绝缘性能;输出之间的耐压测试用于检测电源适配器输出端口之间的电气隔离性能。
二、漏电流测试漏电流测试用于评估电源适配器在正常工作条件下是否会出现漏电问题。
该测试通过模拟实际使用情况下的电流流动情况,检测电源适配器在工作状态下是否有异常漏电现象。
漏电流测试既可以在干燥环境下进行,也可以在湿润环境下进行,以确保电源适配器在不同环境条件下的安全性。
三、温度测试温度测试是用来测试电源适配器在长时间工作时是否会过热,并评估其散热性能。
电源适配器在正常工作情况下会产生一定的热量,而过高的温度可能会导致电源适配器损坏、甚至引发火灾等危险。
温度测试通常会在额定负载和过载条件下进行,以确保电源适配器在不同负载情况下的温度控制能力。
四、电磁兼容性测试电磁兼容性测试用于评估电源适配器是否会对周围的电子设备和无线通信产生干扰。
电源适配器在工作过程中会产生一定的电磁辐射和电磁感应,而这可能会对其他设备的正常运行产生影响。
因此,电源适配器需要通过电磁兼容性测试来验证其符合相关标准,并确保其不会对其他设备造成干扰。
五、可靠性测试可靠性测试用于评估电源适配器在长时间使用和极端环境下的稳定性和耐久性。
这些测试可以包括高低温环境测试、湿度测试、振动测试等。
通过这些测试可以验证电源适配器是否能够在各种严苛条件下正常工作,并保证其性能和寿命。
电源适配器检验标准深圳市小樱桃实业有限公公司电源适配器检验标准文件编号: XYT-WI-QCD-24版本号: A0生效日期: 2014年5月15日编制人: 编制日期:审核人: 审核日期:批准人: 批准日期:文件号:XYT-WI-QCD-24深圳市小樱桃实业有限公司生效日期: 2014年5月15日版本: A0 工作文件页数: 第 2 页 (共 5 页) 题目:电源适配器来料检验标准文件修订目录表次序原版本新版本文件修改栏修订人生效日期 1 A0 第一版本发放(ISO9001:2008版) 郭华 2014年5月15日部门评审/发放管理栏:,行政人事部 ,业务部 ,采购部 ,生产部 ,开发部 ,品质部 ,工程部 ,财务部 ,计划部 ,仓库文件号:XYT-WI-QCD-24深圳市小樱桃实业有限公司生效日期: 2014年5月15日版本: A0 工作文件页数: 第 3 页 (共 5 页) 题目:电源适配器来料检验标准1. 目的本文件针对来料电源适配器提供检验标准及判定依据,并为保证适配器符合本公司品质要求和客户需求。
2. 适用范围适用于本公司生产使用的电源适配器。
3. 定义3.1 CR- 致命缺陷:危及人身安全的缺陷,国家明令禁止的缺陷; 3.2 MAJ-主要缺陷:影响到产品的性能及严重损坏外观效果的缺陷; 3.3 MIN-次要缺陷:不影响客户使用或对外观效果伤害不大的缺陷, 4. 检验方法及条件4.1 准备工作:4.1.1.准备样品、承认书(IQC)、工作文件、;4.1.2.准备好不良标识的贴纸及检验记录表;4.1.3.准备好检验工装。
测试仪。
4.2 检验环境:灯光亮度大于400LUX(大概1米高度的一盏40瓦的日光灯)。
4.3 检验设备:4.3.1 耐压测试仪,用于测试耐压性能(条件不允许时由供方提供测试报告)。
4.3.2 带温度测试的万用表或温湿度计4.3.3 游标卡尺5. 检验标准序号不良现象不良描述判定 5.1 包装部分规格/料5.1.1 外箱标识与实物不相符, 规格写错或盖错章或贴错标签等 MAJ 号错5.1.2 产品混装产品混有其他规格型号的产品 MAJ 5.1.3 数量错包装数量不符 (多或少) MAJ 5.2 尺寸文件号:XYT-WI-QCD-24深圳市小樱桃实业有限公司生效日期: 2014年5月15日版本: A0 工作文件页数: 第 4 页 (共 5 页) 题目:电源适配器来料检验标准5.2.1 外形尺寸产品的外壳尺寸不对(公差超?0.3mm) MAJ输入输出端子的长度、厚度,输出端子内外径、深度,(公差5.2.2 端子尺寸MAJ 超?0.2mm)5.2.3 线材长度输出线材的长度公差超过要求的(公差超?2mm) MAJ 5.2.4 线材直径输出线的外径公差超?0.2mm MAJ 5.3 外观5.3.1 端子形状端子的形状,大小不符 MAJ 5.3.2 端子不良电源输入输出端子生锈,变形、污迹、松动 MAJ裂缝、变形、 MAJ 5.3.3 外壳不良明显划伤、烫伤、缩水 MIN丝印内容错误,缺失 MIN 5.3.4 标签不良丝印模糊、破损、贴装歪斜,起皱、漏贴 MIN 5.3.5 包扎方式线材包扎方式不对 MIN 5.3.6 线材不良线材出现内线外露、烫伤、开裂 MAJ 5.3.7 线材强度线材顺逆时针旋转各10次测试,出现线材断裂、破损 MAJ 5.4 接触测试 MAJ输出端子在不带电情况下插拔30次(15次/分钟),插拔后通电5.4.1 MAJ 测试出现不导通输出接触5.4.2 通电状态下摇晃输出端子出现接触不良现象 MAJ 5.5 功能测试5.5.1 输出电压输出电压超出规格值?0.2V MAJ 5.5.2 输出电流输出电流超出承认书要求 MAJ 5.5.3 耐压测试耐压测试:输入对输出打DC500V 1分钟,出现不良 CR短路测试:通电状态下将输出端正负极短路,取消短路后重新5.5.4 短路保护MAJ 插电源输入端,产品无法正常工作。
16纹波输出电压
2pcs/批MAJ 17不带载输入功率2pcs/批MAJ 18拉力测试1pcs/批MAJ 19过欠压测试1pcs/批MAJ 20
休眠电流2pcs/批
MAJ
备注调节输入电压为AC 90V和AC 265V ,在这两种状态下测
量电气性能
在内部电池充饱和的状态下,将产品插入接好功率计的100~240V的交流电源,然后从功率计上读出功率值。
交流电源、示波器、负
载交流电源≤3.8W (AC 110V)
≤3.8W (AC 220V)交流电源、功率计用拉力计测量转换插头(UK/EU转换插头)插入、硬拔出和按按键拨出的力转换插的插入力要求:≤5kg;硬拔出力:10±2kg;按按键拔出力:≤3kg 拉力计产品的各项电气性能应无异常
检验项目
产品的外观尺寸图
将产品接入电源,然后输出端(USB)接入350mA的负
载,用示波器测量负载两端的纹波电压≤50mVp-p
将直流电源调制到4.2V,电流调制到最大500mA,在产
品休眠后,测试电源的输出电流值
≤120uA
交流电源、功率计
340±10
340±10
700±20。
电源适配器检验标准电源适配器是电子设备中不可或缺的部分,它起着将电能转换成所需电压和电流的重要作用。
因此,电源适配器的质量和性能直接关系到整个电子设备的稳定性和安全性。
为了确保电源适配器的质量,制定了一系列的检验标准,下面将详细介绍电源适配器的检验标准。
首先,电源适配器的外观检验是非常重要的一项内容。
外观检验包括外壳的表面是否平整,无明显的划痕和变形,标识是否清晰完整,接线端子是否牢固等。
外观检验的合格与否直接影响到电源适配器的外观质量和安全性。
其次,电源适配器的输入参数检验也是必不可少的。
输入参数包括输入电压、输入电流和输入频率等。
这些参数的合格与否直接关系到电源适配器在使用过程中的稳定性和安全性。
因此,对输入参数的检验要求严格,确保电源适配器在正常工作环境下能够正常工作。
另外,电源适配器的输出参数检验同样重要。
输出参数包括输出电压、输出电流、纹波电压等。
这些参数的合格与否直接关系到电源适配器对电子设备的供电质量和稳定性。
因此,对输出参数的检验也要求严格,确保电源适配器输出的电能符合设备的要求。
此外,电源适配器的绝缘强度检验也是必不可少的一项内容。
绝缘强度检验主要是检测电源适配器在正常工作环境下,是否能够正常工作,并且不会对人体造成危害。
绝缘强度检验合格与否直接关系到电源适配器的安全性和可靠性。
最后,电源适配器的阻燃性能检验也是非常重要的一项内容。
阻燃性能检验主要是检测电源适配器在发生意外情况下,是否能够有效地防止火灾的发生。
阻燃性能检验合格与否直接关系到电源适配器的安全性和可靠性。
综上所述,电源适配器的检验标准包括外观检验、输入参数检验、输出参数检验、绝缘强度检验和阻燃性能检验。
这些检验标准的严格执行,能够有效地保证电源适配器的质量和性能,确保电子设备的稳定性和安全性。
希望本文所述内容能够对电源适配器的检验工作有所帮助。
单体落地测试√
恒温
恒湿
√
EMC
测试
√
产品损坏,安全性能不符合要求
相关电源适配器规格书√
注 :产品通电(90-110%额定电压)试验,共做3个Cycle,产品能正常工作,耐压测试也
合格。
在温度20-30。
C的潮湿箱中相对湿度为91%-95%放置48小时后进行绝缘电阻测试,应符合要求
实验后电性能、安全性能不合格试验后,产品损坏或绝缘电阻测试失败
实验有任意项不失败《IQC检验作业规范》高/低温循
环实验7.记录:《进料检验报告》
可靠性测
试6.相关文件:
跌落地板应放置在水泥地板或同等的无弹性地板上;1、跌落高度- 对于直插式产品跌落
高度为100cm;- 对于台式产品跌落高度为
75cm ,产品共进行3次跌落试验。
2、前/
后对产品进行耐压测试,不能有危险产生。
EFI、传导、谐波、静电放电、电压跌落、浪涌测试、电压波动、幅射MS等项目测试符合规格书及不同国家或地区的要求
-20℃(4小时)
60℃(4小时)。
电源适配器检验标准
17不带载输入功率
2pcs/批MAJ 18拉力测试
1pcs/批MAJ 19过欠压测试1pcs/批MAJ 20
休眠电流2pcs/批
MAJ
备注所有的单位均为mm
将直流电源调制到4.2V,电流调制到最大500mA,在产
品休眠后,测试电源的输出电流值
≤120uA
交流电源、功率计
备注检验项目
产品的外观尺寸图
用拉力计测量转换插头(UK/EU转换插头)插入、硬拔出
和按按键拨出的力转换插的插入力要求:≤5kg;硬拔出力:10±2kg;按按键拔出力:≤3kg
拉力计调节输入电压为AC 90V和AC 265V ,在这两种状态下测量电气性能
产品的各项电气性能应无异常
交流电源、功率计在内部电池充饱和的状态下,将产品插入接好功率计
的100~240V的交流电源,然后从功率计上读出功率值。
≤3.8W (AC 110V)≤3.8W (AC 220V)
交流电源340±10
340±10
700±20。
4.1电气特性:4.2安规要求:4.2.1高压测试初级对次级 : 3000Vrms 持续60秒,最大漏电流3.5mA。
4.2.2绝缘电阻初级对次级施加500V直流电压1分钟,绝缘电阻应不小于20MΩ。
4.2.3输入泄漏电流: 接触电流电源电压为264Vac/50Hz时,泄漏电流小于0.25mA。
4.2.4国标要符合CCC GB4943-2001并认证。
4.3 使用及贮存环境:4.3.1 温度范围工作温度0℃~ +40 ℃储藏温度-40℃~ +70 ℃4.4.1跌落试验将实验样品不包装放置在高度为1米高的平面上, 让其自由跌落到混泥面上,对样品每个面跌落2次,6个面总共12次,实验结束后进行外观及性能检查,适配器无裂缝(裂开),无部件松动;电气测试后,各项电气指标能达到要求。
4.4.2振动试验将实验样品不包装固定在振动台上,按下列要求完成试验:实验样品不通电,振动频率为10Hz - 55Hz-10Hz,振幅为0.35mm,按X、Y、Z三个轴线方向各扫描5次,每个轴向持续时间为30分钟,实验结束后实验样品不出现视觉上的损坏(退化),电气性能符合要求。
4.4.3冲击试验4.4.3.1工作状态:加速度:100m/s²,半正弦波, 脉冲持续时间:11ms,冲击方向:三个轴、六个方向。
4.4.3.2不工作:加速度:400m/s²半正弦波,脉冲持续时间:11ms,冲击方向:三个轴、六个方向。
4.4.3.3与7.3.2分别实验结束后实验样品不出现视觉上的损坏(退化),电气性能符合要求。
4.5 盐雾试验将实验样品不包装置于温度为+35°C,盐水浓度为5%的盐雾试验设备中连续喷雾24小时后,用流动水洗去表面盐沉积物,放置在常温下8小时后,适配器外露金属件及电镀件无腐蚀生锈现象。
4.6平均无故障时间(MTBF)50000小时4.7 模拟环境测试4.7.1低温存储将实验样品不包装放入-40℃的低温实验箱中,持续时间16小时后,将样品取出放于常温下恢复2小时后,样品应无损外观,各项性能指标符合要求。
1. 主题:电源适配器/电源模块的验收要求、项目、方法及抽样方案的规范。
2. 常规检验项目2.1 外观2.1.1技术要求:外观应整洁光滑,表面不应有凹凸变形、粗糙不平、脱漆、缩水、间隙、裂纹、毛刺、边缘棱角突出、霉斑、脏污亮点、上下壳明显色差、纹理、锈蚀等任何机械损伤和缺陷。
无氧化锈蚀。
2.1.2检验方法:目视法。
2.2 标识2.2.1技术要求:a.各类文字、图案及符号丝印应端正、清晰、牢固、标识功能与实际产品性能相符。
b.应标明型号或元件编号、商标、输入电压范围、输出电压、额定电流。
c.外置电源适配器要有3C证书,本体上必须有3C认证标志。
d.外置电源适配器本体上必须有户内使用标志“”。
e.外置2相电源适配器本体上必须有Ⅱ类设备“回”型标记。
f.电源适配器上必须具有警告用户安全使用的警告标记。
2.2.2检验方法:目测法。
2.3 结构尺寸2.3.1技术要求:结构尺寸应符合产品规格书所规定的图纸要求及我司相关补充EDE规定。
2.3.2检验方法:目测和卡尺测量相结合。
3、特殊检验项目:3.1 电性能(由供应商每批提交检测报告。
)3.1.1 技术要求:开关冲击后符合规格书要求。
3.1.2 检验方法:用开关冲击仪加规定的负载及温度(45℃±3℃)进行测试。
通2秒断4秒,冲击1800次。
3.1.3 抽样方案:3pcs/批。
(Ac=0,Re=1)3.2 耐压3.2.1 技术要求:冷热地之间3KV(AC)/8mA/10S,测试时无击穿、报警、飞弧、冒烟等异常现象。
3.2.2 检验方法:用耐压测试仪测试。
3.2.3 抽样方案:5pcs/批。
(Ac=0,Re=1)4. 检验不合格分类4.1 A类不合格:无EDE、混规、外壳严重变形,严重脱漆、锈蚀、开裂和严重划伤等机械性损伤、电性能不良、耐压不符。
4.2 B类不合格:料单不符、标识错、无标识或不全、标识不良不可辩认、尺寸超差影响使用、毛刺、塑料明显缩水、亮点、脏污等。
电源适配器检验规范1. 引言本文档旨在规范电源适配器的检验流程,确保其质量和安全性。
电源适配器是将电能转换为其他形式供给设备使用的电子器件,在各个电子设备中都具有重要的作用。
因此,为了保障用户的电器使用安全,对电源适配器进行严格的检验是非常必要的。
2. 检验对象本文档所述的电源适配器检验规范适用于所有类型的电源适配器,包括但不限于交流电适配器、直流电适配器等。
3. 检验内容电源适配器的检验内容主要包括以下几个方面:3.1 外观检查• 3.1.1 外壳:检查外壳是否完整,是否有裂纹或其他损伤。
• 3.1.2 插头和插座:检查插头和插座的连接是否牢固,是否有松动情况。
• 3.1.3 标识:检查产品标识是否清晰可见,是否符合国家标准要求。
3.2 安全性能检测• 3.2.1 绝缘电阻测试:使用绝缘电阻测试仪测量电源适配器的绝缘电阻,确保其符合相关安全标准。
• 3.2.2 高压测试:使用高压测试仪对电源适配器进行高压测试,以验证其绝缘性能和耐电压能力。
• 3.2.3 温度测试:通过在正常工作负载下对电源适配器进行连续工作测试,并记录其表面温度,以评估其散热性能和稳定性能。
3.3 电气性能检测• 3.3.1 输出电压测试:使用电压表或示波器测量电源适配器的输出电压,确保其稳定在指定范围内。
• 3.3.2 输出电流测试:使用电流表或示波器测量电源适配器的输出电流,确保其符合设备的电流需求。
• 3.3.3 效率测试:通过测量输入功率和输出功率,计算并评估电源适配器的能效。
3.4 兼容性测试• 3.4.1 负载兼容性测试:使用不同负载情况下的设备进行测试,确保电源适配器能够正常工作并保持稳定性能。
• 3.4.2 环境适应性测试:将电源适配器置于不同的环境条件下进行测试,例如高温、低温、潮湿等,评估其在各种环境下的适应性和稳定性。
3.5 其他检测• 3.5.1 遥控功能测试:对支持遥控功能的电源适配器,进行遥控功能的测试,确保其正常运作。
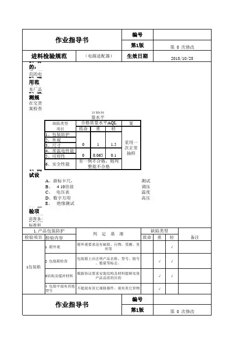
电源适配器类检验规范适用于:全机种修改履历:审核:确认:编成:一、目的:明确产品检验标准,确保产品质量满足公司和客户要求。
二、范围:适用于本公司生产和外协加工之系列产品的电源适配器。
三、相关文件:参照公司研发部发行的相关产品规格书。
四、定义:4.1缺陷定义:4.1.1 CR(Critical):致命缺陷,对产品使用、维修或有关人员会造成危害或不安全的缺陷,抵触安全规格要求的,或妨碍到某些主要的功能的缺陷;MAJ(Major):主要缺陷,即不构成致命的,但可能造成故障,或对单位产品预定的目的使用性能会有严重的降低的缺陷;MIN(Minor):次要缺陷,只对产品的有效使用或使用性能有轻微的影响的,一般为外观或机构组装之差异。
五、检验所需仪器和设备:游标卡尺一把、卷尺一把、万用表一台、电源适配器试治具一台、摇摆测试架一台、高压测试仪一台。
六、检验水准。
按照MIL-STD-105E一般检验Ⅱ级水准及主要AQL水平进行抽验,允收标准:严重缺陷AQL为:CR=0 ;主要缺陷AQL为MA=0.4;次要缺陷AQL为MI=1.5。
七、检验项目:7.1包装检验:外包装以坚固能承受搬运振动的纸箱,不允许有受潮或破损现象,内附出货检验报告。
每个包装箱(袋)须有清晰明显的标贴,标贴内容应包括:供应商、品名规格、包装数量、物料编号、生产日期或批号、出货QC PASS标识以便于追溯。
7.2外观检验:外壳无开裂、毛刺、变形、划伤、缩水、污迹现象;金属件无氧化、霉斑、污渍,AC插脚、DC插头无松动;线体无烫伤、划伤、破损、脏污、芯线无外露;铭牌贴内容应正确,铭牌贴无倒贴、贴歪、漏贴、贴错、翘起等现象;铭牌贴或胶壳刻字内容正确、文字清晰,无错字、别字;壳体及线体丝印清晰,无错字、别字。
7.3尺寸检验:各结构尺寸应符合原材料技术规格书或样品要求,AC插脚及DC插头应符合原材料技术规格书或样品要求,面、底壳缝隙不能大于1mm,配合良好,不能有松动现象。