梁柱节点钢筋绑扎旁站监理记录表.doc
- 格式:doc
- 大小:21.50 KB
- 文档页数:2
梁柱节点钢筋绑扎旁站监理记录表工程名称:编号旁站监理记录表施工情况:(以卷材为例〉1-技术员、施工员及质检员到位情况等;2-施工机械运转情况,3-钢筋工数量;4一施工方法。
皿1-钢筋合格证、检测报告及进场复试报告应齐全;2-钢筋表面无锈蚀、无污染;3-钢筋规格、数量、间距及锚固长度等是否符合设计、團集及规范要求, 4-钢筋接头位置是否符合规范要求,5.钢筋保护层厚度是否符合设计要求:发现问题:根据情况如实填写处理意见:如发现问题,应将处理意见写清楚备注:承包单位:项目经理部:质检员(签字):年月曰工程名称:编号:E11-监理单位:项目监理机构:旁站监理人员〔签字):年月曰梁柱钢筋节点隐蔽过程旁站监理记录表工程名称:编号:注:1、克中口方框填写方法:是在□中打丿不是在□打%。
2.凡打“1项,属于岌现的问题,应记录在“岌现问题”栏中;并在“处理意见"栏中写猜楚。
渠拄节点钢盛工程旁詁金理迂禾质探书亞复试it 告酯寺工理堆点曲&技朮负贵人趟工班组天气旁詁幵箱时间 旁詁结束时间下达旁詁在务二盖理工程师」请你按底设计图犁'趟工屁呈验收觊范-强制性标准条文及花H 单世桂来的趟H 方家’对谆秦拄点钢翡工程进吁旁站金理.弄振据以下要求性好预桓和质呈监苗工程’在乗工单宜严重违反摊工坝范.将ifi 成质懿圭全事故的宿况下,揑板你可先笈托暂邀譴工令‘弄立即西知总监理工程师到场堂理.息金理工程师: 二I 不)合浬劳动力组织 机•槿配备二特就工种电,:无)上岗证 二I 不)合浬二樹祜电■:无)互岳韦佥对一、二僉抗直辱级钢爵抗拉强度实側质与屈丟理滾实测质的出直(不)小于旦喪对一-二發抗直等逐钢益的慝嘏强滾实测质与强滾标准质的出直I 不)小于-2 佥钢盛品种僉别I 不)罄合设讨荽电 煮钢盛规稱数呈(不)芹合设讨要求A 雯力钢盛的弯曲和克折•:不)愛合要求巴姿盔末常弯曲凰璃式•:不)芹合要求A 主韶挂头埠挂质呈•:不)愛合翹程要求△主體挂头机槿连挂屁呈•:不)愛合要求 二主盛绑扎芳头堵挂畑,:不)总合賀鞄要电 二钢韶挂头乜宣(不)正确二接头辰祝百分率(不)愛合换鞄要求 二主衣舷板盛也虽,:不)三喪 二钢盛晶固抡啟I 不)絶合规范墓求 二通抡钢韵设畳,:不)避合设计要喘 二柔拄节点钢盛钮£不)三夷二柔拄节点隹盛如密区也虽{不)正确 二极上负盛■:未)按操诈规程设宣马凳 二樹常保护层孚庚(不)芹合设了要求二运珪I 不)三常虫钢盛有(:S )复试合格报告发■反亡題: 进理三起备注] 承包单邕 项目逵理却:质检员{签字h 牟戸日金理单乜: 项目金理却: 旁詁监理人员傕”年茫日注=击苦怨用性条文凸労圭艺3目梁柱节点钢筋绑扎旁站监理记录表TS4S:直门火车(新)站琳地块安置房E:组团隣、律楼编号:梁柱节点钢筋隐蔽过程旁站监理记录项目容称: 编号:。
监理旁站记录表表号:ZJ-2/20~表号:ZJ-2/472012版旁站、巡视检查记录表目录(2012版)建筑工程(房建、市政)监理旁站范围1.基础工程:(1)土方回填:(2)砼灌注桩浇筑;(3)地下连续墙;(4)土钉墙;(5)后浇带及其他结构砼;(6)防水砼浇筑;(7)卷材防水层细部构造处理;2.主体结构工程:(1)梁柱节点钢筋隐蔽过程;(2)砼浇筑;(3)预应力张拉;(4)装配式结构安装;(5)钢结构安装;(6)网架结构安装(7)索膜安装。
3.屋面工程:屋面防水;4.建筑节能:(1)墙体;(2)幕墙;(3)门窗;(4)屋面;(5)通风与空调,5.其它:(1)起重机械安装及拆卸;(2)扣件式钢管支撑高大模板的塔设及拆除;(3)落地式钢管脚手架。
公路工程监理旁站工序/部位一览表注:互通立交工程各分部、分项工程须旁站的工序同主线各相应分项工程的规定。
水运工程监理旁站部位混凝土浇注和倒滤层、沉桩、灌注桩、强夯、排水板、主要机构及设备安装等施工过程进行旁站并做好记录;福建中交建设发展有限公司监理旁站记录表分项工程名称:土方回填(按检验批为单位)表号:ZJ- 2/11-1福建中交建设发展有限公司监理旁站记录表分项工程名称:土钉墙表号: ZJ-2/11-2旁站监理人员:日时项目经理部(公章) 质检员签字/日期项目监理机构(公章) 旁站监理人员签字/日期福建中交建设发展有限公司监理旁站记录表分项工程名称:冲击钻孔灌注桩 (一根桩) 表号: ZJ-2/11-3施工时间月日~月日现场人员情况建设单位气候阴大中小雨晴施工单位气温最高最低监理单位桩机型号规格:试验配合比试验日期水泥品名强度砼强度等级设计桩长(mm)设计桩径(mm)项目水泥碎(砾)石中砂水粉煤灰外加剂水灰比砂率%坍落度(mm)试验配合比(kg/m3)施工检查内容检查记录1 桩位已复核2 钢筋笼验收合格3 泥浆比重满足规范要求福建中交建设发展有限公司监理旁站记录表分项工程名称:梁柱节点钢筋表号:ZJ- 2/11-4渣压力焊材送检报告编号/委托送检日期检查内容检查记录1 钢筋检验资料:按进场的批次和产品抽样。
旁站监理记录表
(混凝土浇筑分项工程)
工程名称:编号:注:本表一式一份,工程监理机构留存。
旁站监理记录表
(梁、柱节点钢筋分项工程)
工程名称:编号:
注:本表一式一份,工程监理机构留存。
旁站监理记录表
(土方回填分项工程)
工程名称:编号:
注:本表一式一份,工程监理机构留存。
旁站监理记录表
(卷材防水及细部构造分项工程)
注:本表一式一份,工程监理机构留存。
旁站监理记录表
(土钉墙支护分项工程)
工程名称:编号:
注:本表一式一份,工程监理机构留存。
旁站监理记录表
(预应力筋张拉分项工程)
工程名称:编号:
注:本表一式一份,工程监理机构留存。
旁站监理记录表
(砼灌注桩浇筑分项工程)
工程名称:编号:
注:本表一式一份,工程监理机构留存。
旁站监理记录表
(装配式结构安装分项工程)
工程名称:编号:
注:本表一式一份,工程监理机构留存。
旁站监理记录表
(钢构件安装分项工程)
注:本表一式一份,工程监理机构留存。
站监理记录表
(现场预应力张拉施工分项工程)
工程名称:编号:
注:本表一式一份,工程监理机构留存。
旁站监理记录表
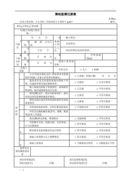
表B.0.1
注:旁站中对符合要求的在“□”方格内打“√”,必要时也可用文字说明。
旁站监理记录表
表B.0.2分项工程名称:土方回填(按检验批为单位)编
旁站监理记录表
表B.0.3分项工程名称:土钉墙编
旁站监理记录表
表B.0.4
旁站监理记录表
表B.0.5分项工程名称:施打预应力管桩或方桩编
旁站监理记录表
表B.0.6分项工程名称:梁柱节点钢筋编
旁站监理记录表
表B.0.7
旁站监理记录表
表B.0.8
旁站监理记录表
表B.0.9
旁站监理记录表
表B.0.10
旁站监理记录表
表B.0.11分项工程名称:钢结构安装
编
旁站监理记录表
表B.0.12
旁站监理记录表
表B.0.13
旁站监理记录表
表B.0.14
旁站监理记录表
表B.0.15项目名称:落地式钢管脚手架编
旁站监理记录表
表B.0.16
旁站监理记录表
表B.0.17
旁站监理记录表
表B.0.18
旁站监理记录表
表B.0.19
旁站监理记录表
表B.0.20分项工程名称:屋面节能工程编
旁站监理记录表
表B.0.21。
钢筋绑扎旁站记录样板砼浇筑1、气候:晴、雨、气温(平均气温)2、部位或工序:平面位置(轴线区间)、楼层(或标高)构件名称:柱、剪力墙、梁、板等砼浇捣。
3、施工情况(1)砼强度等级:浇筑砼量立方米(2)砼供应方式:商品砼(或现场搅拌砼)(3)使用的机械设备:泵送砼(或塔吊料斗)、振动棒台数:台(4)施工人数:浇捣人,看钢筋、模板人。
4、监理情况:全过程旁站监理(1)检查砼配合比通知单及送料单;(2)检查记录现场质检员或岗位工长值班人,姓名:___(3)检查浇捣方法:符合施工方案要求,浇捣良好(或有问题);(4)观察浇捣过程中钢筋位置,模板变形情况;(5)随机见证取样做砼试块___组;(6)观察砼和易性,抽捡砼塌落度为___mm,严禁现场加水;(7)到商砼搅拌站抽查电脑配比单___份;(8)现场搅拌时,抽查砼配料计量情况,记录实测水泥、砂、石、水及外加剂重量。
5、发现问题(1)砼配合比与设计配合比不符;(2)发现钢筋位置偏移过大或楼面钢筋踩塌严重或某处砼保护层厚度控制不好;(3)发现有胀模、漏浆现象;(4)砼浇捣顺序不连续,新旧砼连接不好;接搓处杂物未清理干净;砼振捣顺序不好,某处振捣力度不够,可能出现漏振;(5)砼太稀或太干,影响浇筑或堵管;(6)浇捣过程中遇大雨,防雨措施不力,造成砼泥浆流淌。
6、处理意见及时通知现场质检员___,值班人员___。
或带班人,采取措施,整改到位。
或书面通知项目部整改。
7、施工单位当日值班签字。
2008年第七期--- 工作交流•如何写好《旁站监理记录表》喻学斌(上海三维工程建设咨询有限公司)摘要:《旁站监理记录表》是一份全面而又真实的原始资料,也是反映监理工作水平、工作成效的一个依据,它既能体现旁站监理人员的技术素养、业务水平,也可以展示其履行监理职责的能力和工作成效,还可反映出监理企业的管理水平。
本文结合作者自身的实践经验,对如何写好《旁站监理记录表》进行了探讨。
关键词:工程建设旁站监理规范旁站监理记录引言随着国家基础产业建设步伐的进一步加大、加快,监理工作的必要性和重要性也越来越凸显。
0 地点施工现场气候晴主要施工内容:1、楼板、梁钢筋绑扎,砼搅拌、运输、浇筑。
检查钢筋下料长度、钢筋型号、锚固长度、搭接长度。
2、对施工现场人员进行核查:现场质量检查员、项目技术负责人均到岗。
电工、电焊工、吊车工、搅拌机工等工种人员均持证上岗。
项目经理:xxx 技术员:xxx 钢筋班长:xxx 木工班长:xxx3、施工机械及材料准备情况:搅拌机、塔吊、振捣工具准备到位。
钢筋、水泥、砂、石等材料均与实验室送试取样材料及报验材料相符。
4、检查模板安装情况,支撑、刚度满足要求,几何尺寸、标高、轴线在允许偏差范围内。
钢模严密无缝。
5、梁板混凝土标号为C30,水泥使用五岛牌32.5级水泥。
6、浇筑顺序由A轴向北到C轴。
存在的问题及处理意见:1、梁筋保护层未垫位。
2、负弯距筋无马凳筋,保护层未垫到位。
3、浇筑楼板时要求钢筋工看守钢筋位置要认真负责。
4、后台计量,经抽查实际用量符合实验室配比要求,但砂子中含泥量过多,当场责令不得使用或过筛处理干净后使用。
以上几个方面问题分别告施工单位,按要求整改处理符合要求为止。
以上问题现场已处理,并旁站监督符合要求为止。
旁站监理人员签字:项目经理或质检员签字:年月日旁站记录范本表B2—18旁站监理记录表工程名称:承德医学院新校区30号医务所编号:2006-000日期及气候:2006年8月10日多云风力2-3级21-31℃工程地点:承德市农业科技特产桑蚕研究所旁站监理的部位或工序:主体结构一层①-⑥轴,框架柱顶标高+3.55m旁站监理开始时间:0年0月0日0时0分旁站结束时间:0年0月0日0时0分施工情况:主体结构一层①-⑥轴混凝土浇筑自0月0日0时0分开始至0月0日0时0分浇筑完毕,采用河北建设集团内部自制商品混凝土,塌落度为180mm±20mm,混凝土强度为C30mm,采用汽车运输,输送泵浇筑,施工人数为振捣工2人,钢筋工1人,木工3人,水电工3人,混凝土工9人,管理人员2人。
梁柱节点钢筋隐蔽过程旁站记录旁站监理记录资料编号梁柱节点一--001表B8工程名称金蝶软件园项目日期及气候2012年8月1日晴旁站监理的部位或工序:18轴交24轴/C轴交E轴地下室顶板梁柱节点钢筋隐蔽过程旁站旁站监理开始时间:2012年8月1日21时起旁站监理结束时间:2012年8月1 日24时施工情况:1、施工人员约17人,管理人员2人;2、施工机械和工具:钢筋弯曲机、调直机、切割机等;3、钢筋规格HRB100直径25、28、14、8,钢筋连接直径14mm为搭接、直径25mm、28mm采用直螺纹连接。
监理情况:1、经检查钢筋工17人,施工质检员王某某到岗;2、钢筋材质复试合格允许使用,钢筋连接接头现场试验已经完成;3、经检查钢筋位置、规格、数量、锚固、构造、绑扎等符合图纸要求;4、无切割及成品破坏等情况;5>实测实量:钢筋直径24.9mm、28.1mm,锚固长度:450mm、454mm、300mm、310mm;6、钢筋隐蔽过程实行全过程旁站监理。
发现问题:节点处梁下铁保护层过大,原因是节点钢筋密集,下铁被柱箍筋垫• 4咼。
处理意见:要求对偏位钢筋进行处理,确保位置准确,已按监理意见整改完成。
备注:承包单位名称:中建一局五公司监理单位名称:北京双圆工程咨询监理公司质检员(签字):旁站监理人员(签字):年月日年月日消防基础知识笫一节建筑材料的燃烧性能及分级在建筑物中使用的材料统称为建筑材料。
建筑材料的燃烧性能是指其燃烧或遇火时所发生的一切物理和化学变化,这项性能山材料表面的着火性和火焰传播性、发热、发烟、炭化、失重,以及毒性生成物的产生等特性来衡量。
我国国家标准GB8624-97将建筑材料的燃烧性能分为以下儿种等级。
A级:不燃性建筑材料B1级:难燃性建筑材料B2级:可燃性建筑材料B3级:易燃性建筑材料笫二节建筑构件的燃烧性能及耐火极限一、建筑构件的燃烧性能建筑物是山建筑构件组成的,诸如基础、墙壁、柱、梁、板、屋顶、楼梯等。