食品小作坊日常监督检查记录表
- 格式:doc
- 大小:50.50 KB
- 文档页数:2
食品安全每日监督记录表日期:[日期]监督内容1. 检查食品储存环境- 检查食品储存区域的温度和湿度是否符合安全标准。
- 确保食品储存区域干净整洁,没有异味或污染。
- 检查食品储存是否密封良好,防止虫害或细菌侵入。
2. 检查食品处理过程- 观察食品处理人员是否佩戴手套和头套,确保食品处理过程卫生。
- 检查食品处理区域的清洁程度,包括工作台、刀具和其他设备。
- 检查食品加工材料是否符合质量要求,如新鲜度、保质期等。
3. 检查食品销售环境- 检查食品销售区域的卫生情况,包括桌面、货架和展示柜。
- 确保食品包装标签清晰可读,包括生产日期、保质期和配料等信息。
- 检查食品销售员是否佩戴工作服和帽子,保持整洁卫生。
监督结果1. 发现问题- 记录发现的食品安全问题,包括储存不当、处理不卫生、销售过期等情况。
- 注明问题的具体位置和时间,以便后续处理和追踪。
2. 处理措施- 根据问题的严重程度,采取相应的处理措施,如整改、清洁或报告上级部门等。
- 确保问题得到及时解决,并记录处理结果。
3. 预防措施- 分析问题的原因,制定相应的预防措施,以避免类似问题再次发生。
- 培训员工,提高他们的食品安全意识和操作技能。
总结本监督记录表旨在确保食品安全并及时发现和处理问题。
通过每日监督,我们可以提高食品质量和卫生标准,保护消费者的权益。
我们将继续遵守相关法律法规,持续改进食品安全管理工作,为客户提供安全可靠的食品产品。
请签字确认:__________________。
食品安全每日监督记录表一、记录表说明本记录表旨在记录每日食品安全监督的相关信息,以确保食品的安全与卫生,保障消费者的健康。
所有食品从业人员均需按照要求认真填写,以便随时掌握食品安全状况,发现问题及时处理。
二、记录表内容1. 基本信息- 记录日期:____年__月__日- 记录人:_______- 班次:_______2. 食品原材料检查- 原材料名称:_______- 供应商:_______- 检验结果:_______(合格/不合格)- 不合格原因:_______- 处理措施:_______3. 食品加工过程监督- 加工环节:_______- 卫生状况:_______(良好/一般/差)- 操作规范性:_______(规范/不规范)- 问题及处理:_______4. 食品存储与运输- 存储条件:_______(适宜/不适宜)- 运输工具:_______- 温度控制:_______- 异常情况:_______5. 食品销售监督- 销售环节:_______- 保质期管理:_______(规范/不规范)- 临期食品处理:_______- 消费者投诉:_______(有/无)6. 员工健康状况- 员工体温:_______℃- 健康码状态:_______(绿码/黄码/红码)- 疫苗接种情况:_______(已接种/未接种)- 异常情况:_______7. 食品安全培训与演练- 培训内容:_______- 培训方式:_______(线上/线下)- 演练内容:_______- 演练效果:_______三、填表注意事项1. 请根据实际情况填写各项内容,确保信息真实、准确。
2. 如遇异常情况,请及时报告上级管理人员,并采取相应措施。
3. 定期对记录表进行归档,以备查验。
食品安全每日监督记录表的填写是保障食品安全的重要环节,希望全体从业人员认真对待,共同维护食品安全。
附件2
淮安市食品药品监督管理局
食品生产经营日常监督检查结果记录表
填表说明:
1.编号:由四位年度号+1位要点表序号+六位流水号组成,如2016-1-000001。
生产、销售、餐饮服务、保健食品生产各环节对应的要点表序号分别为“1、2、3、4”。
2.名称:填写食品生产经营许可证书上的食品生产经营者名称。
3.地址:填写食品生产经营许可证书上载明的生产经营地址。
4.联系人、联系方式:填写法人代表或者负责人的姓名及联系方式。
5.许可证编号:与食品生产经营许可证书上载明的内容一致。
如果检查对象为食品生产加工小作坊、食品摊贩等,填写负责人的身份证号码,并隐藏身份证号码中第11位到第14位的数字,以“****”替代。
6.检查次数:填写本次检查属于本年度对企业开展的日常监督检查的次数。
7.检查内容:检查人员应为两名或两名以上,应明确检查对应使用的《食品生产经营日常监督检查要点表》。
8.检查结果:根据检查情况,未发现问题选符合,发现小于8项(含)一般项存在问题选基本符合。
发现大于8项一般项或1项(含)以上重点项存在问题选不符合。
9.结果处理:根据《食品生产经营日常监督检查管理办法》要求,对检查结果进行处理,结果为符合的,说明中可不填写内容,结果为基本符合的,选书面限期整改;结果为不符合的,选食品生产经营者立即停止食品生产经营活动。
结果处理所使用的相应文书应执行《食品药品监管总局关于印发食品药品行政处罚文书规范的通知》(食药监稽〔2014〕64号)所附执法文书。
10.说明:对发现问题及处置措施进行详细描述,可附页。
11.本表一式三份,一份用于现场公示,一份反馈企业,一份留存。
每日食品安全监督检查记录表规范随着人们对食品安全的重视程度不断提高,食品安全监督检查逐渐成为一项必不可少的工作。
每日食品安全监督检查记录表的编写,对于确保食品生产、销售过程中的安全和合规至关重要。
下面将介绍如何规范地编写每日食品安全监督检查记录表:食品安全监督检查记录表基本信息1.填写单位名称:在记录表的顶部填写明确的单位名称,以便识别和归档。
2.填写日期:在记录表中标注检查日期,确保每日检查都有清晰的记录。
检查项目1.卫生状况检查:–清洁整洁:检查生产环境和器具是否干净整洁,有无杂物残留。
–废弃物处理:检查废弃物的处理情况,确保不影响食品安全。
2.食品储存检查:–温度控制:检查食品储存环境的温度是否符合要求,防止食品变质。
–食品分类:检查食品储存和陈列是否区分明确,防止污染交叉。
3.食品原料检查:–进货检查:检查进货的食品原料是否合格,有无过期或变质情况。
–记录保存:记录食品原料的采购及使用情况,确保可追溯。
4.食品加工检查:–加工流程:检查加工过程中是否符合卫生标准,避免交叉污染。
–设备清洁:检查加工设备清洁情况,防止细菌滋生。
处理不合格情况1.记录不合格情况:若发现任何不符合食品安全要求的情况,应及时记录并标明处理措施。
2.整改措施:对不合格情况进行整改,确保问题彻底解决,并在记录表中备注。
检查人员签名每日食品安全监督检查记录表需要由负责检查的人员填写,并在表格底部签名确认。
检查人员的签名是对检查的真实性和严谨性的一种保证。
总结每日食品安全监督检查记录表是确保食品安全的重要工具,仔细合理地编写记录表可以为食品安全提供强有力的保障。
合理的检查记录将为食品安全工作提供可靠的依据,保障公众的身体健康和食品安全。
食品生产经营日常监督检查结果记录表HEN system office room 【HEN16H-HENS2AHENS8Q8-HENH1688】附件2省(区、市)市县(市、区)食品药品监督管理局食品生产经营日常监督检查结果记录表编号:填表说明:1.编号:由四位年度号+1位要点表序号+六位流水号组成,如20。
生产、销售、餐饮服务、保健食品生产各环节对应的要点表序号分别为“1、2、3、4”。
2.名称:填写食品生产经营许可证书上的食品生产经营者名称。
3.地址:填写食品生产经营许可证书上载明的生产经营地址。
4.联系人、联系方式:填写法人代表或者负责人的姓名及联系方式。
5.许可证编号:与食品生产经营许可证书上载明的内容一致。
如果检查对象为食品生产加工小作坊、食品摊贩等,填写负责人的身份证号码,并隐藏身份证号码中第11位到第14位的数字,以“****”替代。
6.检查次数:填写本次检查属于本年度对企业开展的日常监督检查的次数。
7.检查内容:检查人员应为两名或两名以上,应明确检查对应使用的《食品生产经营日常监督检查要点表》。
8.检查结果:根据检查情况,未发现问题选符合,发现小于8项(含)一般项存在问题选基本符合。
发现大于8项一般项或1项(含)以上重点项存在问题选不符合。
9.结果处理:根据《食品生产经营日常监督检查管理办法》要求,对检查结果进行处理,结果为符合的,说明中可不填写内容,结果为基本符合的,选书面限期整改;结果为不符合的,选食品生产经营者立即停止食品生产经营活动。
结果处理所使用的相应文书应执行《食品药品监管总局关于印发食品药品行政处罚文书规范的通知》(食药监稽〔2014〕64号)所附执法文书。
10.说明:对发现问题及处置措施进行详细描述,可附页。
11.本表一式三份,一份用于现场公示,一份反馈企业,一份。
食品生产经营日常监督检查结果记录表GE GROUP system office room 【GEIHUA16H-GEIHUA GEIHUA8Q8-附件2省(区、市)市县(市、区)食品药品监督管理局食品生产经营日常监督检查结果记录表编号:填表说明:1.编号:由四位年度号+1位要点表序号+六位流水号组成,如2016-1-000001。
生产、销售、餐饮服务、保健食品生产各环节对应的要点表序号分别为“1、2、3、4”。
2.名称:填写食品生产经营许可证书上的食品生产经营者名称。
3.地址:填写食品生产经营许可证书上载明的生产经营地址。
4.联系人、联系方式:填写法人代表或者负责人的姓名及联系方式。
5.许可证编号:与食品生产经营许可证书上载明的内容一致。
如果检查对象为食品生产加工小作坊、食品摊贩等,填写负责人的身份证号码,并隐藏身份证号码中第11位到第14位的数字,以“****”替代。
6.检查次数:填写本次检查属于本年度对企业开展的日常监督检查的次数。
7.检查内容:检查人员应为两名或两名以上,应明确检查对应使用的《食品生产经营日常监督检查要点表》。
8.检查结果:根据检查情况,未发现问题选符合,发现小于8项(含)一般项存在问题选基本符合。
发现大于8项一般项或1项(含)以上重点项存在问题选不符合。
9.结果处理:根据《食品生产经营日常监督检查管理办法》要求,对检查结果进行处理,结果为符合的,说明中可不填写内容,结果为基本符合的,选书面限期整改;结果为不符合的,选食品生产经营者立即停止食品生产经营活动。
结果处理所使用的相应文书应执行《食品药品监管总局关于印发食品药品行政处罚文书规范的通知》(食药监稽〔2014〕64号)所附执法文书。
10.说明:对发现问题及处置措施进行详细描述,可附页。
11.本表一式三份,一份用于现场公示,一份反馈企业,一份留存。
食品安全每日检察纪录表日期:[填写日期]检查人员:[填写检查人员姓名]检查地点:[填写检查地点]---1. 检查对象2. 检查内容2.1 食品安全管理制度- [ ] 是否建立了食品安全管理制度?- [ ] 是否存在有效的食品安全管理制度文件?- [ ] 是否有相关人员负责食品安全管理工作?2.2 食品存储及销售环境- [ ] 食品存储环境是否符合卫生要求?- [ ] 食品销售环境是否整洁?2.3 食品原料采购- [ ] 食品原料采购是否有合格供应商?- [ ] 食品原料采购是否有检验报告?2.4 食品加工过程控制- [ ] 食品加工过程是否符合卫生标准?- [ ] 是否有员工进行食品加工过程的监控和记录?2.5 食品质量检验- [ ] 是否有食品质量检验记录?- [ ] 食品质量检验是否符合标准要求?2.6 食品销售环节- [ ] 食品销售是否标注了生产日期和保质期?- [ ] 食品销售是否符合卫生要求?3. 检查结果3.1 检查情况- [ ] 发现食品安全问题- [ ] 未发现食品安全问题3.2 处理措施- [ ] 对发现的食品安全问题进行整改- [ ] 未发现食品安全问题,无需处理3.3 检查结论- [ ] 食品安全合格- [ ] 食品安全不合格4. 整改情况4.1 整改要求- [ ] 对发现的食品安全问题制定整改措施- [ ] 未发现食品安全问题,无需整改4.2 整改措施- [ ] 制定整改计划并执行- [ ] 未发现食品安全问题,无需整改4.3 整改结果- [ ] 整改措施已完成- [ ] 整改措施未完成---以上为食品安全每日检察纪录表,检查人员应认真填写相关内容,并根据检查结果及时采取相应的处理措施和整改措施,以保障食品安全。
河北省市县(市、区)食品药品监督管理局食品生产经营日常监督检查结果记录表编号:填表说明:1、编号:由四位年度号+1位要点表序号+六位流水号组成,如2016-1-000001。
生产、销售、餐饮服务、保健食品生产各环节对应的要点表序号分别为“1、2、3、4”。
2、名称:填写食品生产经营许可证书上的食品生产经营者名称。
3、地址:填写食品生产经营许可证书上载明的生产经营地址。
4、联系人、联系方式:填写法人代表或者负责人的姓名及联系方式。
5、许可证编号:与食品生产经营许可证书上载明的内容一致。
如果检查对象为食品生产加工小作坊、食品摊贩等,填写负责人的身份证号码,并隐藏身份证号码中第11位到第14位的数字,以“****”替代。
6、检查次数:填写本次检查属于本年度对企业开展的日常监督检查的次数。
7、检查内容:检查人员应为两名或两名以上,应明确检查对应使用的《食品生产经营日常监督检查要点表》。
8、检查结果:根据检查情况,未发现问题选符合,发现小于8项一般项存在问题选基本符合。
发现大于8项一般项或一项以上重点项存在问题选不符合。
9、结果处理:根据《食品生产经营日常监督检查管理办法》要求,对检查结果进行处理,结果为符合的,说明中可不填写内容,结果为基本符合的,选书面限期整改;结果为不符合的,选食品生产经营者立即停止食品生产经营活动。
结果处理所使用的相应文书应执行《食品药品监管总局关于印发食品药品行政处罚文书规范的通知》(食药监稽〔2014〕64号)所附执法文书。
10、说明:对发现问题及处置措施进行详细描述,可附页。
11、本表一式三份,一份用于现场公示,一份反馈企业,一份留存。
说明(接上页):。
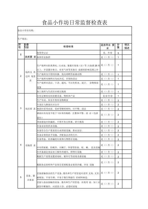
河南省食品小作坊监督检查记录表小作坊名称:地址:
登记证号:负责人:
产品品种:
注:1.该表一式两份,小作坊和监管部门各留存一份。
2.小作坊应在显著位置对该表进行公示。
河南省食品小作坊日常监督检查不合格项整改表
注:1、小作坊日常监督检查不符合项目10日(或检查期间)内完成整改。
2、整改后仍未达到要求的,按《食品安全法》《河南省食品小作坊、小经营店和小摊点管理条例》、《河南省食品小作坊登记和管理办法》规定进行处理。
3、该表一式两份,小作坊和监管部门各留存一份,可附页。
XX省食品小作坊日常监督检查记录表小作坊名称:地址:
登记证号:负责人:
产品品种:
注:1.该表一式两份,小作坊和监管部门各留存一份。
2.小作坊应在显著位置对该表进行公示。
XX省食品小作坊日常监督检查不合格项整改表
注:1、小作坊日常监督检查不符合项目10日(或检查期间)内完成整改。
2、整改后仍未达到要求的,按《食品安全法》《河南省食品小作坊、小经营店和小摊点管理条例》、《河南省食品小作坊登记和管理办法》规定进行处理。
3、该表一式两份,小作坊和监管部门各留存一份,可附页。