CT19型操作机构
- 格式:doc
- 大小:728.50 KB
- 文档页数:12
10kV真空断路器CT19型操作机构故障分析及处理摘要:本文对10kV真空断路器CT19型操作机构在运行、检修及维护工作中出现的故障进行分析讨论。
CT19型操作机构常出现的主要故障包括拒合闸故障、拒分闸故障、误动故障、储能故障等,针对这些故障,提出了可行的处理措施。
【关键词】真空断路器;操作机构;故障;分析;处理[引言]CT19型操作机构主要配置在ZN28系列真空断路器上,而ZN28系列真空断路器作为90年代先进的断路器设备较之10kV油断路器,它具有开断容量大,灭弧性能好,机械电寿命长,运行维护量小,检修周期长等特点。
ZN28系列真空断路器自1998年以来,在楚雄供电局共计安装运行243台,占10kV真空断路器总数(507台)的47.9%。
从1998年至今,在20个变电站的10kV真空断路器CT19型操作机构故障频繁发生,机构故障次数达到123台/次,占到10kV真空断路器故障总数(189台/次)的65.1%。
操作机构故障引起设备停运问题较突出。
由此可见,如何高效、高质量地处理CT19型弹簧操动机构的故障,对电网的安全稳定运行与维护具有重要意义。
1 CT19型弹簧操动机构结构简析CT19型弹簧操动机构具有电动储能、电动分合闸电磁铁操作,同时还配有人力储能装置、手动按钮分合等功能。
CT19型机构主要由4个功能单元组成:驭动机构单元、储能机构单元、脱扣器单元和电气控制单元。
1.1 驭动机构单元。
它位于右侧板和中间隔板之间,为一匹配真空断路器运动和负载特性的凸轮连杆式结构,它的输出轴位于机构最顶端。
本单元的功能是:①合闸、合闸保持(锁扣).完成合闸动作;②分闸,脱扣.完成分闸动作。
1.2 储能机构单元。
它位于左侧板和中间隔板之间,为一两级齿轮减速机构。
储能时可以电动或人力操作,具有防逆转和机械离合装置,两根合闸弹簧分别布置在机构两边外侧。
该单元的作用是:完成储能到合闸准备。
1.3 脱扣器单元。
合、分闸脱扣器均为水平布置,手动脱扣按钮与脱扣器合为一体,直接脱扣,通过脱扣器脱扣完成分合闸动作。
CT19BW型弹簧操作机构
概述:
CT19BW(N)型弹簧操作机构是在元CT19型弹簧操作机构的基础上,针对35kV真空断路器进行加强、改进和完善的,其机械强度、稳定性及可靠都有较大的提高。
CT19BW型可供操动各种户外柱上式35KV真空开关柜(ZW7),其性能符合GB1984《交流高压真空断路器》和本产品《技术条件》的要求,各项指标均达到和超过“IEC”标准。
机构合闸弹簧的储能方式有电动机储能和手动储能两种;分闸操作有分闸电磁铁、过电流脱口电磁铁及手动按钮操作三种;合闸操作有合闸电磁铁及手动按钮操作两种。
4、脱扣的组合及代号:110、100、111、114、1114、400
安装位置示意图:。
[模拟] 变电检修工岗位一模拟4单选题第1题:起吊一台400kg电压互感器,使用双绳滑轮组起吊,计算牵引力的大小是( )。
A.500NB.1000NC.2000ND.4000N参考答案:C第2题:总长度为1000m的钢管,外径50mm,壁厚10mm,如果钢的密度为7.8g/cm<sup>3</sup>。
那么这批钢管的质量大约是( )。
A.1000kgB.5000kgC.8000kgD.10000kg参考答案:D第3题:按照钢材的密度7.8g/cm<sup>3</sup>来计算,一块长3m,宽1.5m,厚15mm 的钢板的质量,正确的计算方法是( )。
A.G=7.8×3×1.5×0.015B.G=7.8×3×1.5×15C.G=7.8÷0.015×3×1.5D.7.8×3÷15×1.5参考答案:A第4题:在10mm厚的A3普通钢板上攻M16×2的公制螺孔,其底孔直径应选择( )mm。
A.16-2=14B.16C.16-1.2×1.5=14.2D.16-1.1×2=13.8参考答案:A第5题:断路器操动机构跳闸线圈最低动作电压应不高于额定操作电压的( )。
A.30%B.50%C.65%D.85%参考答案:C第6题:新安装的断路器投运1年后,应进行( )。
A.大修B.小修C.临时检修D.预防性试验参考答案:A第7题:HGF—311型断路器配用的操动机构是( )操动机构。
A.弹簧B.液压C.电磁D.手动参考答案:A第8题:表示国产高压断路器电磁操动机构的符号是( )。
A.CTB.CDC.CYD.CJ参考答案:B第9题:表示国产高压断路器弹簧操动机构的符号是( )。
A.CTB.CDC.CYD.CJ参考答案:A第10题:断路器具有开断负荷电流和故障电流的能力,主要是因为它具有( )。
CT19弹簧操动机构一.概述CT19弹簧操动机构是专为配真空断路器而设计的,它与ZN28-10真空断路器和ZN28A悬挂式真空断路器匹配可供工矿企业、发电厂及变电站作电气设施的保护和控制之用。
机构合闸弹簧的储能方式有电动机储能和手力储能两种,合闸操作有合闸电磁铁和手按扭操作两种,分闸操作有分闸电磁铁和手按扭操作两种,机械寿命可达10000次。
储能电机额定电压有直流110V、220V,当电机电压为交流电时,增加整流装置。
25kA、31.5kA的电机功率为70W,40kA、50kA电机功率为120W。
不同额定开断电流的断路器的分合闸电磁铁是相同的,尤其是分合闸电磁铁的本体是相同的,分合闸电磁铁额定电压有交直流110V、220V。
图1 机构外形二.结构及动作原理1.储能:图2为机构电机储能部分动作示意图,图2(a)为合闸弹簧处于未储能位置,图2(b)为合闸弹簧处于已储能位置。
图3为手力储能部分动作示意图。
(a)合闸弹簧未储能(b)合闸弹簧已储能图2 机构电机储能部分动作示意图a.电机储能过程如下:如图2示电机通过小齿轮2带动大齿轮3按图示方向转动,大齿轮与储能轴7是空套的,因此,在储能开始时电机只带动大齿轮作空转,当转到固定在大齿轮上的拨叉9与固定在储能轴上的驱动块4卡上以后,大齿轮就通过驱动块带动储能轴也按图示方向转动,挂簧拐臂6与储能轴是键联结,储能轴的转动带动了挂簧拐臂也按图示箭头方向转动,将合闸弹簧15拉长,当合闸弹簧过中后,固定在与储能轴键联结的凸轮8上的滚轮5就紧压在定位板13上,将合闸弹簧的储能状态维持住,储能结束。
在挂簧拐臂过中的同时,一方面挂簧拐臂推动行程开关切断储能电机电源,另一方面固定在中侧板与左侧板之间的轴承14将驱动块上的拨叉顶起保证驱动块与大齿轮可靠脱离,这样,即使电机继续转动也不会将驱动块与拨叉顶坏。
图3 手力储能部分动作示意图b.手力储能过程如下,图3中用专用摇把驱动小锥齿轮3,小锥齿轮3再驱动与之相啮合的锥齿轮5,锥齿轮5带动直齿轮6,驱动大齿轮7按图示方向转动,以后的过程跟电机的储能一样。
高压电工考试《高压电器》练习题及答案一、选择题??1、油断路器操作机构CT7—114、CT8—114中的11代表_____。
(A)??A、两个瞬时过电流脱扣器??B、两个延时过电流脱扣器??C、电流速断不起动,过电流保护起动??D、电流速断和过电流保护均不起动??2、跌开式熔断器正常情况下可切断变压器空载的容量是_____。
(A)???A、315kVA?????????B、500kVA??C、630kVA?????????D、800kVA??3、电磁操动机构合闸线圈额定电流120A,其保护熔丝选择_____。
(D)??A、80—120A??????B、120—180A??C、180—240A?????D、30—40A??4、少油断路器的油为亮黄色,巡视中若发现油色发黑,则_____。
(A)??A、立即停电换油??B、维持进行2小时后换油??C、待触头检修时换油??D、没必要换油??5、以跌开式熔断器保护的10/0.4kV户外变压器,当一次熔丝熔断一相后,应立即采取的措施是_____。
(C)??A、拉开401????B、向上级要求停电??C、将另外未熔断的两相拉开????D、报告领导要求签发检修工作票??6、隔离开关的额定电流是指在正常条件下可以_____(C)???A、接通的电流?????B、分断的电流??C、通过的电流?????D、保护的电流??7、断路器在合闸位置时,指示灯应是_____(A)??A、红灯亮?B、绿灯亮?C、红灯闪光?D、绿灯闪光??8、少油断路器故障跳闸几次以上,应立即停电安排检修_____(B)??A、2次??B、3次??C、4次??D、5次??9、负荷开关合闸时三相刀片与固定触头应同时接触,前后误差不大于_____(B)???A、2mm?B、3mm??C、4mm??D、5mm??10、少油断路器的油为亮黄色,巡视中若发现油色发黑,则_____??A、立即停电换油????B、维持进行2小时后换油??C、待触头检修时换油??D、没必要换油??11、跌开式熔断器停送电的操作是通过绝缘拉杆推操作环进行的,型号是_____(A)???A、RW4???B、RN1??C、RN2??D、RW3??12、GG-1A高压隔离开关操动机构型号通常选用_____(B)??A、CS2???B、CS6??C、CT7??D、CT8??13、跌开式熔断器室外安装相间距离为_____(B)??A、0.6m??B、0.7m??C、0.8m??D、0.5m??14、户内高压隔离开关可以拉合(A)kV.A及以下的空载变压器。
ZN-10C系列户内手车式高压真空断路器ZN□-12户内侧装式交流高压真空断路器ZN□-12户内侧装式交流高压真空断路器系户内高压开关设备,适用于额定电压12kV,频率50Hz的三相电力系统中,作为保护和控制电器使用,由于真空断路器的特殊优越性,尤其适用于需要额定电流下的频繁操作,或多次开断短路电流的场所。
ZN□-12户内侧装式交流高压真空断路器采用固定式安装,主要用于固定式开关柜,该断路器既可单独使用又可用于环网供电、箱式变或各种非标供电系统。
产品特点:灭弧室可装于普通绝缘筒中,也可采用APG工艺封在环氧树脂中,本断路器具有体积小,外形美观,性能可靠,机械寿命高等特点。
ZN3,ZN5-10型真空断路器ZN3.ZN5-10型真空断路器系三相交流50 Hz户内式高压断路器,该断路器本体和操动机构是连在一起属于整体型的,机械寿命从原来分体少油断路器CD10机构的2000次上升到10000次。
整体型断路器的优点是克服了原CD10存在的连杆死区,可提高分闸的可靠性,保证设备和电网的安全。
ZN5-10型真空断路器开断容量大,适用于频繁操作及故障较多的场合。
ZN7-400型低压真空断路器ZN7-400型真空断路器适合于交流50HZ,额定电压至1140KV.额定电流至400A的工矿企业,发电厂,变电站及频繁操作的结合。
主要用于电气设备的保护和控制之用。
触头属于真空介质内,因而,其体积小、耐压高、分断能力高、使用寿命长、触头不必维修,尤其是因其电弧不外露,安全可靠的优点,为煤炭、电力、化工、冶金、石油等工业部门所广泛采用。
ZN12-40.5系列户内真空断路器ZN18-12高压真空断路器ZN18-12(CK)型真空断路器是为适应市场竞争需求,根据用户要求,在ZN18-12(VK-10)型真空断路器基础上产生出来的一种派生产品,主要目的是为了使 ZN18-12(VK) 型真空断路器能够安装在ZS1(ABB公司)、GZS1(森源公司)等型号的开关柜上,使用户能够有多一种真空断路器的选择。
ct19型弹簧操作机构常见故障及处理CT19型弹簧操作机构常见故障及处理一、故障概述1、CT19弹簧操作机构是一种标准化的特种设备,操作简便,在操作中可能出现各种故障,主要有:弹簧操作机构无动作、机构摆动范围过大、机构力度不能满足要求、操作参数改变等。
2、发现故障后,应采取相应的措施进行检修,以恢复机构的正常工作。
二、弹簧操作机构无动作1、故障原因及处理①电源接线虚接或接错;②按键或人机界面程序接线错误;③控制电路部件出现故障或不良。
④机构本体出现损坏,例如弹簧损坏、轴承损坏、减速箱损坏等。
处理:根据故障现象,先检查机构电路接线是否正确,如不正确则重新接线;如果电路接线正常,则检查机构电路部件是否存在故障,如有故障则进行更换;如果控制电路部件完好,则检查机构本体是否有损坏,如有损坏则需要更换机构。
2、预防措施①在安装和接线时,应按要求确认连接安全稳固;②定期检查机构电源接线是否正确;③定期检查控制电路部件是否正常;④定期检查机构本体的外形,以及内部负载状态。
三、机构摆动范围过大1、故障原因及处理①机构减速器拆接,成本轴与传动轴脱开;②联轴器联紧松弛;③弹簧完整性受损或失效;④弹簧坐螺母螺栓松弛;⑤机构减速器轴承、齿轮等内部零件磨损严重。
处理:检查减速器是否脱开,如果脱开,则重新联接;检查联轴器是否松动,如果松动,则紧固联轴器;检查弹簧是否磨损或失效,如果磨损或失效,则更换弹簧;检查弹簧座螺母螺栓是否松动,如果松动,则紧固螺栓;检查减速器内部零件是否磨损严重,如果磨损严重,则更换减速器。
2、预防措施①定期检查机构减速器是否脱开;②定期检查联轴器是否松动;③定期检查弹簧的完整性;④定期检查弹簧座螺母螺栓是否松动;⑤定期检查减速器内部零件是否磨损严重。
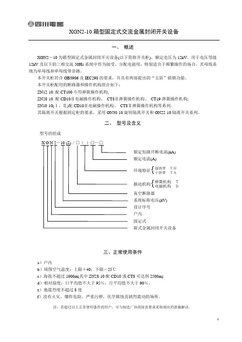
一、概述XGN2-10为箱型固定式金属封闭开关设备(以下简称开关柜),额定电压为12kV,用于电压等级12kV及以下的三相交流50Hz系统中作为接受、分配电能用,特别适合于频繁操作的场合,其母线系统为单母线和单母线带旁路。
本开关柜符合GB3906及IEC298的要求,并具有两部提出的“五防”联锁功能。
本开关柜配用的断路器和操作机构组合如下:ZN12-10 配CT100专用弹簧操作机构;ZN28-10 配CD10Ⅱ电磁操作机构、CT8Ⅱ弹簧操作机构、CT19弹簧操作机构;SN10-10(Ⅰ、Ⅱ)配CD10Ⅱ电磁操作机构、CT8Ⅱ弹簧操作机构等系列。
其隔离开关根据固定柜的要求,采用GN30-10旋转隔离开关和GN22-10隔离开关系列。
二、型号及含义型号的组成X G N 2-10 (Z)/□()□—□额定短路开断电流(kA)额定电流(A)环境特征{湿热带TH干热带TA操动机构{弹簧机构T电磁机构D真空断路器系统标称电压(kV)设计序号户内固定式箱式金属封闭开关设备三、正常使用条件a)户内b)周围空气温度:上限+40;下限-25℃c)海拔不超过1000m(其中ZN28-10配CD10或CT8可达到2500m)d)相对湿度:日平均值不大于95%;月平均值不大于90%。
e)地震烈度不超过8度f)没有火灾、爆炸危险、严重污秽,化学腐蚀及剧烈震动的场所。
注:若超过以上正常使用条件的用户,可与制造厂协商按其要求采取相应的措施解决。
四、技术参数开关柜的技术参数(见表1)表1断路器技术参数(见表2)表2操动机构主要技术参数(见表3—表6 )表3CD10Ⅱ直流电磁操动机构主要技术参数表4 CT100专用弹簧操动机构主要技术参数表5 CT8Ⅱ弹簧操动机构主要技术参数表6 CT19弹簧操动机构主要技术参数隔离开关的技术参数(见表7)表7接地开关技术数据(见表8)表8电流互感器技术参数(见表9--表10)表9 LZBJ 1-10电流互感器技术参数表10 LMZJ1-10电流互感器技术参数电压监视装置技术数据(见表11)表11避雷器技术参数见表12表12五、结构特点组成部分(见图3、图4、图5、图6):本开关柜为金属封闭箱式结构,柜体骨架由角钢、钢板弯制焊接组成,柜内分为断路器室,母线室,电缆室,继电器室,室与室之间用钢板隔开。
高压开关柜型号解读目前市场上流行的开关柜型号很多,归纳起来有以下几种型号,现把各种型号的高压开关柜型号列举如下,供大家参考:一 . 型号GG-1A(F)、JYN、HXGN、XGN、KYN柜介绍① GG-1A(F)系列:l产品型号及含义GG-1A型高压开关柜为固定式GG-1A(F)型防误型高压开关柜(固定式具有防误装置的高压开关柜)l用途GG-1A型高压开关柜为固定式,用于工矿企业变、配电站的交流50HZ,3-10KV的三相单母线系统中,接受和分配电能之用。
GG-1A(F)型防误型高压开关柜系固定式具有防误装置的高压开关柜,适用于交流50Hz,额定电压3.6 KV、10KV,额定电流最大至1000A,额定开断电流最大至31.5kA的单母线系统中作为接受或分配电能的户内成套配电高压设备。
本柜柜体宽敞,内部空间大,间隙合理、安全,具有安装、维修方便,运行可靠等特点,主回路方案完整,可以满足各种供配电系统的需要。
2 结构特点GG-1A型高压开关柜系开启式,基本骨架结构用角钢焊接而成,前面板用薄钢板压制而成,柜后无保护板,柜内用薄钢板隔开,柜的上部为断路器室、下部为隔离开关室,具有程序封锁功能,使用安全可靠。
具有五种防止误操作的功能:1.防止带负荷分合隔离开关。
2.防止误入带电间隔。
3.防止误分、合断路器。
4.防止带电挂接地线。
5.防止带接地线合闸。
② XGN系列l产品型号及含义l用途XGN箱型固定式金属封闭开关设备(简称开关柜),主要用于电压为3KV、6KV、10KV,频率为50HZ的三相交流电力系统中电能的接受与分配。
本系统具有可靠的“五防”闭锁功能,性能可靠,可广泛用于高压电动机的起动、投切运行等场合。
l结构特点XGN15-12型环网柜采用金属封闭箱式结构,主开关与柜体为固定安装,主回路系统的各隔室均有压力释放装置和通道,各隔室均可靠接地,而且封闭完善,外壳防护等级达到IP3X。
开关室内装有FL(R)N36-12D型三工位负荷开关,该负荷开关的外壳为环氧树脂浇注而成,内充六氟化硫(SF6)气体。
单选题1 CT19型操作机构通常与(a)真空断路器配合使用。
A 10KVB 110KVC 220KV2 SF6断路器大修后,应每(C)个月测量一次含水量。
A. 1B. 2C. 33 电磁操动机构优点之一是(B )A 对合闸电源要球求不高B 加工工艺要求不高C 机构耗材少4 电弧电流的本质是(C )A 原子导电B 分子导电C 离子导电5电路为(A )时,恢复电压等于电源电压,有利于灭弧。
A 电阻性B 电感性C电容性6 隔离开关不可以拉合(B)电路.A电压互咸器B电流互咸器C避雷器7隔离开关型号为CN-10/1000,含义是(C)A额定电压2KV额定电流10A,B额定电压2KV,额定电流1000AC额定电压10KV,额定电流1KA8雷电侵入波前行时,来到变压器(A)处,会发生行波的全反射而产生过电压。
A 线圈尾端中性点B 线圈首端进线C 线圈三(角形接线引出线9雷云对地放电过程中,主放电持续时间为(B )A 30-50usB 50-100usC 30-50ms10 我国对供电可靠率的规定是不低于(A )A 99.96%B 99.6%C 96%11 我国国标规定,电力系统中10KV的允许最高工作电压为( A )A 11KVB 11.5KV C. 12KV12 一般情况下,环境温度在+时_40c之间时,充矿物油的电容器允许温升为( B)A 50 CB 55C C 60C13中性点非直接接地系统用电设备的绝缘水平应按( C )考虑.A 相电压B √2相电压C √3相电压14 中性点非直接接地系统中发生单相接地时,非故障相对地电压会( B )A 不变B 升高C 降低15 ( A )不可以作为电气设备的内过电压保护.A 普通阀型避雷器B 磁吹阀型避雷器C 金属氧化物避雷器16()的大小与电源电压.负载性质.电弧电流变化速率等因素有关。
17(A)没有绝缘性能,主要用于防止停电检修时事故的发生。
A一般防护安全用具B基本安全用具C绝缘安全用具DD辅助安全用具18(A)是用来防止工作人员直接电击的安全用具。
高压开关柜断路器 VS1 机构弹簧拆装及注意事项摘要:高压开关柜是以断路器为主的一种电气设备,在整个电力系统的发电、配电、输电等电的转换和消耗过程中起到举足轻重的作用,10kV的高压开关柜在电力系统中有着极为广泛的应用,同时也是故障率较高的一种设备。
在日常运行过程中,断路器VS1机构储能电机故障、储能弹簧故障、转轴故障涉及弹簧拆装,消除故障来保障高压开关柜的正常工作和整个电力系统的正常运行。
关键字:高压开关柜断路器故障弹簧拆装前言:高压开关柜是用于电力系统的电气产品,在整个电力系统的发电、配电、输电等等电的转换和消耗过程中起到控制、保护的作用。
作业人员必须按照相关工作规程来对高压开关柜进行严谨细致的检修和维护,确保它保持一个良好的工作状态。
本文从介绍高压开关柜的相关信息入手,针对断路器储能电机、储能弹簧、转轴故障的常见缺陷,对高压开关柜断路器VS1机构弹簧拆装过程重点进行了简要阐述。
一、高压开关柜及VS1机构概述高压开关柜是在电力系统进行发电、输电、配电和电能转换的过程中,进行开合、控制和保护用电的电气设备。
高压开关柜的电压等级通常在 3.6kV~550kV 之间,安装断路器安装方式可以分为移开式开关柜和固定式开关柜;按照柜体结构的不同,可分为敞开式开关柜、金属封闭开关柜、和金属封闭铠装式开关柜,根据电压等级不同又可分为高压开关柜,中压开关柜和低压开关柜等。
主要适用于发电厂、变电站、石油化工、冶金轧钢、轻工纺织、厂矿企业和住宅小区、高层建筑等各种不同场合。
高压开关柜内的部件主要有断路器、隔离开关、负荷开关、操作机构、互感器以及各种保护装置等组成,其中断路器处于核心位置。
断路器机构常见有CT19、VS1等机构形式。
VS1机构真空断路器(极柱型)采用了固体绝缘结构—集成固封极柱,实现了免维护,适于重合闸操作并有极高的操作可靠性与使用寿命。
二、高压开关柜断路器运行过程中缺陷高压开关柜断路器高度集中,不容易观察,长期运维过程中不可避免故障频发,通常有以下几种缺陷产生。
开关电器检修实训指导书河北工程技术高等专科学校二 OO 六年十月一、实训目的和要求开关电器安装检修实训,是不可缺少的实践性教学环节。
根据教学大纲要求,通过一周实训,学生应能掌握常见开关电器设备的结构、各部件的功能及检修、安装要点;掌握控制回路的接线方法;掌握简单的电气测试技术。
实训中应注重培养和提高学生的动手能力,并进一步巩固和深化课堂理论知识,同时通过开关电器的安装检修实训,扩大了视野,达到理论与实践相辅相成,融会贯通的作用,为学生今后参加工作奠定一定基础,并通过实训培养学生良好的职业道德观。
要求:(1 掌握 ZN28A-12和 VS1-12(ZN63A 型号的室内高压真空断路器和 SF 6断路器本体的结构、性能、作用、安装要点、检修工艺。
(2掌握各种断路器控制回路的接线和控制原理。
(3掌握 CT17型、 CT8型、 CT19型和 CT19B 型弹簧操动机构以及 CD17型直流电磁操动机构的动作原理、操作方法,传动机构的调试,并掌握简单的电气测试技术。
(4掌握高压负荷开关和隔离开关的结构、性能、操作、检修工艺方法。
通过实训掌握各种电气设备的使用情况;了解国内外电器产品的技术开发、应用的最新发展动态。
二、注意事项1.实训中树立安全第一的思想,尊重指导老师,认真学习,勤于思考。
2. 每个实训小组选出组长一人, 负责领发、清点工具、仪表, 登记班组人员考勤, 填写实训记录表。
3.工具、仪表不得遗失、损坏、实训完毕如数归还。
如有遗失,照价赔偿,并写出检讨,以告诫他人爱护公物。
4.现场清洁卫生:每天下课前应清理现场,检查工具、材料。
5.不准在工作现场喧哗,有事及时找老师解决。
服从老师领导,遵守劳动规律, 如有违纪者,指导老师有权终止其实训行动,直到其认识并改正错误。
6.实训期间不准请假。
三、成绩评定1.成绩单独考核。
2.成绩评定依据:(参照“成绩评定办法”执行(1 实训中学生动手能力团结合作的表现。
遵守实训纪律尊重教师等表现。
CT19型操作机构动作原理及常见故障处理杜乾刚(广东电网公司东莞供电局,广东,东莞,523120)[摘要]:目前,大部分国产的真空断路器多选用CT19型弹簧操作机构作为牵引机构,其中以ZN28型系列高压真空断路器最为典型,该类型机构以其卓越的性能越来越受到各地供电局的喜爱,东莞从90年代初开始引进该类型机构,至今已拓展至上百台,产品覆盖了东莞的各个镇区,但近几年发现,其在东莞地区的故障率越来越高,其中危害最大的就是出现“拒分”现象,容易引发电网事故越级跳闸,据调查显示,发生故障的主要原因一方面与产品的质量有关,另一方面与操作人员不熟悉操作有关,本文重点介绍该类型操作机构的结构、动作原理及操作要领,并通过常见故障说明其处理方法,为广大的电力一线工作者提供宝贵的经验。
[关键词]:弹簧机构; ZN28 ;工作原理;故障处理一、前言CT19型弹簧操作机构由于其自身的优越性越来越多的应用于我局所管辖的各等级变电站中,生产的厂家也多有不同,其中应用最多的主要为余姚舜利开关厂、珠江开关厂及汕头正超厂等,下面就以余姚舜利开关厂生产的ZN28-10系列户内高压真空断路器及操作机构为例具体说明一下断路器的结构及动作原理。
二、提出问题该弹簧操作机构是采用事先储存在弹簧内的势能作为驱动断路器合闸的能量。
其优点在于1、不需要大功率的储能源,紧急情况下也可手动储能,所以可在各种场合使用;2、根据需要可构成不同合闸功能的操作机构,用于10~220kV 各电压等级的断路器中;3、动作时间比电磁机构的快,因此可以缩短断路器的合闸时间。
但同时它也不可避免的具有自身的缺陷,结构比较复杂,机械加工工艺要求比较高,其合闸力输出特性为下降曲线,与断路器所需要的呈上升的合闸力特性不易配合好,合闸操作时冲击力较大,要求有较好的缓冲装置,具体而言,目前我们发现较常见的故障为“拒合”和“拒分”。
而要解决这两个故障首先就必须了解设备的结构及动作原理。
CT19型弹簧操作机构结构及其动作原理――该类型的机构合闸弹簧的储能方式有电动机储能和手动储能两种;分闸操作有分闸电磁铁、过电流脱扣电磁铁及手动按钮操作三种;合闸操作有合闸电磁铁及手动按钮操作两种。
机构主要由五个单元组成,它们分别是:驱动单元、储能单元、脱扣器单元(合闸单元和分闸单元)、电气控制单元(辅助接点和行程开关)和框架。
其中,驱动单元位于右侧板和中间隔板之间,为一匹配真空断路器运动的负载特性的凸轮连杆式机构,它的输出轴位于机构的最上端。
储能机构位于左侧板和中间隔板之间,为一个两级齿轮减速机构,储能时可以电动或人力操动,具有防逆转和机械离合装置,两根合闸弹簧分别布置在机构两边外侧。
脱扣器单元和电气控制单元在下面将进一步叙述。
下图为CT19型弹操机构的结构简图――从图1中,我们可以看出,整个机构固定在框架上,该框架固定在XGN\GGA 开关柜本体内部,因此,在固定的过程中必须保证框架体在动作过程中不出现明显晃动,否则将直接导致开关分、合过程中各项机械特性参数发生变化。
为了能够更好地说明电动储能及合\分动作原理,我们特给出图2和图3以便进一步的说明。
分闸按钮、分闸电磁铁及分闸线圈行程开关 人力储能摇臂 合闸按钮、合闸电磁铁及合闸线齿轮 电动机 二次接线端子 左侧储能弹簧 左侧板 框架 中间板 分闸限位拐臂 输出轴人力合闸接头分闸限位销轴连杆凸轮右侧板辅助开关连杆右侧储能弹簧辅助开关 图1 弹操机构的结构简图1、电动储能原理:图2为电动储能机构示意图,它采用两级齿轮减速结构,电动机从齿轮轴的一端输入功率,齿轮A 和齿轮B 构成第一级齿轮传动,齿轮C和齿轮D 构成第二级齿轮传动,齿轮D 传动的同时带动驱动爪,驱动爪在运动过程中与驱动块咬合后带动储能轴转动,于是实现给合闸弹簧储能,弹簧储能到位时,摇臂推动行程开关,切断电动机电源;与此同时,离合推轮将驱动爪抬起脱离驱动块,从而保证储能机械系统在惯性力作用下而不被破坏。
2、合\分动作原理机构的合\分操作通过-凸轮-连杆机构来实现。
如图3所示。
A 、合闸操作:当机构的合闸弹簧储能完毕后,凸轮-连杆机构处于图3中所示状态,合闸弹簧因挚子的作用而保持在储能状态。
储能保持挚子扣板在凸轮滚子力的作用下有向解扣方向(顺时针方向)运动的趋势,此时若将合闸脱扣轴按顺时针方向转动至脱扣位置,储能保持挚子扣板将向顺时针方向转动,储能保持状态即被解除,合闸弹簧快速释放能量,就带动凸轮沿顺时针方向转动,同时,连杆机构图2 电动储能示意图 齿轮D 驱动爪 棘轮 驱动块 摇臂 储能轴 止动棘爪 离合推轮 齿轮C 齿轮B 齿轮A 微动开关在凸轮的驱动下运动至合闸位置一(图3b )所示,从而完成机构的合闸动作,此时若继续使合闸弹簧储能到位,凸轮-连杆机构将达到(图3a )所示状态。
B 、分闸操作:机构的合闸状态是由连杆机构的扣板和半轴来保持的,扣板在断路器负载力的作用下有向解扣方向(逆时针方向)运动的趋势,此时若将分闸半轴沿逆时针方向转动至脱扣位置,扣板将迅速沿逆时针方向运动,连杆机构的平衡状态被解除,在断路器负载力的作用下运动至分闸位置一(图3c )或(图3d )所示位置,从而完成机构的分闸动作。
(图3d )所示状态也是机构的自由脱扣状态。
总之,电机转动带动弹簧进行储能,到达位置后依靠合闸半轴来维持弹簧的储能状态,当合闸电磁铁动作使弹簧释能,开关快速合闸,合闸的同时拉动分闸弹簧使之具备分闸能力,达到预备分闸状态,同时电机转动弹簧进行储能,而机构的合闸状态依靠分闸半轴来维持,如此循环。
三、常见故障及其处理方法1、拒分造成机构拒分的可能有两种,电气回路故障或机械部分故障。
图3 合\分动作原理示意图 输出拐臂输出轴 分闸半轴 扣板 连扳 滚子 合闸半轴 凸轮滚子 储能保持挚子扣板 储能轴 凸轮(1)、电气回路故障故障现象:可手动分闸,电动分闸时不动作出现二次回路断线及红灯不亮。
可能存在以下三种情况;A、分闸线圈匝间短路或断线。
其主要原因是线圈带电时间过长或绝缘老化引起――处理方法:测量分闸线圈电阻,确认损坏后把其更换。
B、辅助接点接触不良或没有切换――处理方法:检查及调整或更换辅助接点。
C、二次线接触不良。
处理方法:检查二次线(2)、机械部分故障,可能存在以下四种情况:A、传动连片变形故障现象:手动不能分闸处理方法:更换变形的连片B、转动部分有阻滞及复归弹簧不够力使其不能正常复归或复归不到位故障现象: 同样是手动不能分闸处理方法:出现故障的原因为所使用的润滑油变质所致,处理时应选用机油或者是保证20年不干凅的进口润滑油,清除旧用的润滑油和锈,在转动部分加新润滑油及处理复归弹簧使其能正常复归到位。
C、分闸半轴搭靠量过大或分闸铁芯工作间隙过小故障现象:可手动分闸,电动分闸时线圈动作,但机构不动作处理方法:调整分闸半轴的搭扣量为1.5~2mm之间,如果问题依然没有得到解决即调整分闸铁芯的活动间隙,适量调长,配合现场测试动作电压,直至合格。
D、分闸铁芯卡阻、活动不畅顺故障现象:可手动分闸,电动分闸时线圈动作,但机构不动作处理方法:处理分闸铁芯活动畅顺2、拒合造成机构拒合的可能同样有电气回路故障或机械部分故障两种情况。
(1)、电气回路故障故障现象:可手动合闸,电动合闸时不动作出现二次回路断线及绿灯不亮。
可能存在以下三种情况;A、合闸线圈匝间短路或断线――处理方法:测量合闸线圈电阻,确认损坏后把其更换。
B、辅助接点接触不良或没有切换――处理方法:检查及调整或更换辅助接点。
C、二次线接触不良。
处理方法:检查二次线(2)、机械部分故障,可能存在以下四种情况:A、传动连片变形故障现象:手动不能合闸处理方法:更换变形的连片B、转动部分有阻滞及复归弹簧不够力使其不能正常复归或复归不到位。
故障现象: 手动不能合闸处理方法:通常情况下为使用的润滑油不合适,清除旧用的润滑油和锈,在转动部分加新润滑油及处理复归弹簧使其能正常复归到位C、合闸半轴搭靠量过大或合闸铁芯工作间隙过小故障现象:可手动合闸,电动合闸时线圈动作,但机构不动作,也存在机构动作,但开关不能合上(即“坐不稳”)。
处理方法:调整合闸半轴的搭扣量为1.5~2mm之间D、合闸铁芯卡阻、活动不畅顺故障现象:可手动合闸,电动合闸时线圈动作,但机构不动作,也存在机构动作,但开关不能合上(即“坐不稳”)。
处理方法:处理合闸铁芯活动畅顺。
E、机构没有储能,即弹簧处于无能量状态a、储能回路不通、行程开关损坏及移位、电机损坏。
故障现象:电机不运转处理方法:检查储能回路针对其处理b、棘轮和棘爪磨损故障现象:电机运转但棘轮不转处理方法:更换损坏的零部件以上所阐述的为CT-19机构常见的故障类型及处理方法,在处理过程中必须注意的是退出各电源, 确认无电压后方可开始工作;必须把机构进行释能,严禁带有能量进行工作。
线圈的电阻值相近;线圈的电压相同;外形尺寸相近;四、致谢何满棠同志对本文的修改提供了宝贵意见,谨此致谢下面是挣钱的三、常见故障及其处理方法1、拒分造成机构拒分的可能有两种,电气回路故障或机械部分故障。
(1)、电气回路故障故障现象:可手动分闸,电动分闸时不动作出现二次回路断线及红灯不亮。
可能存在以下三种情况;A、分闸线圈匝间短路或断线。
其主要原因是线圈带电时间过长或绝缘老化引起――处理方法:测量分闸线圈电阻,确认损坏后把其更换。
B、辅助接点接触不良或没有切换――处理方法:检查及调整或更换辅助接点。
C、二次线接触不良。
处理方法:检查二次线(2)、机械部分故障,可能存在以下四种情况:A、传动连片变形故障现象:手动不能分闸处理方法:更换变形的连片B、转动部分有阻滞及复归弹簧不够力使其不能正常复归或复归不到位故障现象: 同样是手动不能分闸处理方法:出现故障的原因为所使用的润滑油变质所致,处理时应选用机油或者是保证20年不干凅的进口润滑油,清除旧用的润滑油和锈,在转动部分加新润滑油及处理复归弹簧使其能正常复归到位。
C、分闸半轴搭靠量过大或分闸铁芯工作间隙过小故障现象:可手动分闸,电动分闸时线圈动作,但机构不动作处理方法:调整分闸半轴的搭扣量为1.5~2mm之间,如果问题依然没有得到解决即调整分闸铁芯的活动间隙,适量调长,配合现场测试动作电压,直至合格。
D、分闸铁芯卡阻、活动不畅顺故障现象:可手动分闸,电动分闸时线圈动作,但机构不动作处理方法:处理分闸铁芯活动畅顺2、拒合造成机构拒合的可能同样有电气回路故障或机械部分故障两种情况。
(1)、电气回路故障故障现象:可手动合闸,电动合闸时不动作出现二次回路断线及绿灯不亮。
可能存在以下三种情况;A、合闸线圈匝间短路或断线――处理方法:测量合闸线圈电阻,确认损坏后把其更换。
B、辅助接点接触不良或没有切换――处理方法:检查及调整或更换辅助接点。