盾构始发技术交底模板
- 格式:doc
- 大小:2.62 MB
- 文档页数:15
福州市轨道交通2号线工程施工单位:协议号:监理单位:编号:技术交底记录始发端头加固平面图始发端头加固断面图端头井地基加固完毕后,盾构始发前在洞门开挖轮廓线范围内打检查孔,检查加固效果,检查孔全断面布置且不少于9个,米字形布置,检查孔直径110mm,长度3m。
检查措施及原则:①平均出水量<0.2L/min或任一孔出水量<0.5L/min;②压水检查,在0.8MPa压力下,吸水量<2L/min;③加固土体抗压强度不不不小于0.8MPa;④渗透系数不不小于10-7cm/sec。
若检查成果不符合原则规定,始发存在涌水等安全隐患时,则在两隧道中间及两侧打设3眼降水井,管径319mm,深度32m,在盾构始发前将地下水位降至隧道底3m如下。
水平探测孔加固图2、始发基座及反力架安装:始发架与反力架安装前对洞门进行测量,根据洞门中心确定始发托架安装轴线,因本站始发洞门处在缓和曲线上,为保证盾构机始发后旳轴线与设计轴线最小偏差,采用洞门里程与大里程方向旳隧道中心线旳反向延长线为始发托架中轴线与盾构机中轴线,使盾构完全进入洞门后刀盘前点刚好位于隧道中心线上。
详细安装施工工艺详《反力架、托架技术交底》3、洞门预埋钢环施工洞门预埋钢环在车站主体构造施工过程中进行预埋安装。
钢环分割为4块,根据盾构设计轴线中心进行定位安装。
钢环宽度为800mm,内径6700mm,外径7000mm。
预埋环板沿R3400均布72个Φ24螺孔,相邻孔间距误差≤2mm。
钢环周围设置8根备用1寸预埋钢管,钢管末端加装球阀并闭合。
详细如下图所示:洞门钢环预埋管在洞门钢环内底部60°范围内580mm处浇筑170mm*60mm素混凝土作为盾构防栽头措施,保证洞门钢环内防栽头装置位置不得与帘布橡胶板接触。
4、洞门密封装置安装:洞门密封装置依托于洞门钢环进行安装。
制作与预埋钢环螺栓孔位相匹配旳帘布橡胶板和合页翻板,然后按照次序进行洞门密封装置旳安装:安装双头螺栓→帘布橡胶板→圆环板→扇形折页翻板→垫圈→螺母。
一、交底目的为确保盾构开仓作业安全、高效进行,降低事故风险,特制定本安全技术交底。
二、交底内容1. 作业人员安全培训(1)进场人员必须经过入场安全教育(三级教育),考核合格后才能上岗作业。
(2)重大风险源施工作业,人员必须自觉承受安全技术交底。
(3)特种作业人员必须取得特种作业操作证,经项目部登记并考核合格后方可上岗。
2. 作业现场安全要求(1)施工现场严禁吸烟;进入施工现场必须按规定佩戴劳保用品;严禁擅自拆改安全装置。
(2)进出隧道必须走人行道,避让过往车辆,严禁搭乘运输车辆。
(3)当隧道断面较小,设置专用人行道有困难时,作业人员必须在车辆停驶后方可进出隧道。
3. 盾构开仓作业安全措施(1)开仓位置选择:选择地层条件相对稳定、地下水水量较小、地面环境适宜的地段。
(2)开仓准备工作:预计更换刀具准备、开仓作业工具准备、洞内水电准备、洞内外通风准备等。
(3)排空土仓:由盾构主司机通过操控螺旋输送机,将土仓内的碴土排出。
(4)气体检测:在开仓前、开仓过程中及关闭仓门后,对仓内气体进行检测,确保空气质量符合要求。
(5)打开仓门:在确认无异常情况后,由专业人员操作打开仓门。
(6)气体检测及地质检查:在打开仓门后,对仓内气体进行检测,同时对地质情况进行检查。
(7)刀具检查及处理方案确定:对刀具进行检查,确定处理方案。
(8)刀具处理:按照处理方案对刀具进行更换或修复。
(9)关闭仓门:在确认刀具处理完毕后,由专业人员操作关闭仓门。
4. 应急预案(1)遇到突发情况,立即停止作业,采取相应措施进行处置。
(2)发生事故,立即启动应急预案,进行救援。
(3)加强地面巡视与水位监测,发现异常情况及时上报处理。
三、交底要求1. 作业人员必须熟悉本交底内容,确保在作业过程中严格执行。
2. 作业人员必须遵守各项安全操作规程,确保自身及他人安全。
3. 作业过程中,如发现安全隐患,立即停止作业,并向相关负责人报告。
4. 作业完成后,对现场进行清理,确保无安全隐患。
#### 一、交底目的为确保盾构工地普工在施工过程中的安全,预防事故发生,特进行安全技术交底。
#### 二、交底对象盾构工地所有普工#### 三、交底时间年月日#### 四、交底内容1. 安全防护措施- 工人进入施工现场必须正确佩戴安全帽,系好帽带,并穿戴符合规定的劳动保护用品。
- 严格遵守安全规程,禁止无防护措施进行作业。
- 进入施工现场必须通过安全教育,考核合格后方可上岗。
2. 施工安全注意事项- 严禁在高压线下堆土、堆料、支搭临时设施。
- 作业前必须检查工具、设备、现场环境,确保无安全隐患。
- 上下沟槽(坑)必须走马道或安全梯,通过沟槽必须走便桥,严禁在沟槽(坑)内休息。
- 严禁擅自拆改、移动安全防护设施,需要临时拆除和变动安全防护设施时,必须经过现场安全管理人员的同意,并采取相应的可靠措施。
3. 现场劳动纪律- 进入施工现场必须正确佩戴好安全帽,并系好帽带。
- 在施工场地内不得穿拖鞋、凉鞋,不得赤膊。
- 不允许在施工场所内嬉戏、打闹。
- 禁止酒后施工。
- 禁止在施工场地内吸烟。
- 普工作为非专业施工作业人员,严禁操作特种工种专用电气工具、设备和擅自安装、拆卸电气设备等。
4. 特殊作业安全要求- 在脚手架、操作平台等高处用水管浇水或移动水管作业时,不得倒退猛拽。
- 淋灰、筛灰作业时必须正确穿戴个人防护用品(胶靴、手套、口罩),不得赤脚、露体,作业时应站在上风操作。
遇四级以上强风,停止筛灰。
5. 应急处理- 作业中出现危险征兆时,作业人员必须停止作业,撤出危险区,并立即向上级报告。
- 未经施工技术管理人员批准,不得恢复作业,紧急处理时,必须在施工技术管理人员的指挥下进行作业。
6. 照明设施- 夜间作业场所必须配备足够的照明设施,电源线、灯具的安装高度应符合规定的要求。
#### 五、交底要求1. 普工必须认真听取安全技术交底,理解并掌握交底内容。
2. 交底结束后,普工需签字确认已接受安全技术交底。
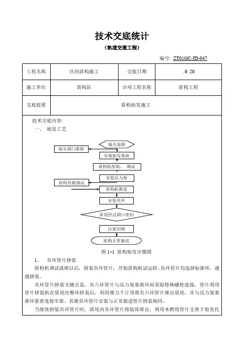
表C2-1 技术交底记录工程名称长春地铁1号线一期工程南中区间及南卫区间工程编号AZB-004交底日期施工单位暗挖队、临建一队分项工程名称龙门吊走行线交底提要盾构始发、掘进技术交底页数共5页,第1页交底内容:一、施工准备工作全体工程技术人员必须认真学习施工组织设计、结构设计图纸、盾构机原理及操作手册、维护规程。
二、盾构机的始发1、盾构机组装、调试完成后,需要进行现场验收,应按盾构主要功能及使用要求制定现场验收大纲,验收的主要项目应包括下列内容:盾构壳体、切削刀盘、管片拼装机、螺旋输送机、皮带运输机、同步注浆系统、润滑系统、液压系统、铰接装置、电气系统、渣土改良系统、盾尾密封系统。
盾构各系统验收合格并确认正常运转后,方可开始掘进施工。
2、始发托架和反力架必须定位准确,并与始发井结构牢固连接,始发托架高度一般比理论计算高度高2~3cm,以右线为例,线路中心线与结构关系如下图所示。
反力架的位置应根据负环管片的环数、盾构机长度来确定,盾构尾部端面离反力架基准环的距离以120~300mm为宜。
3、始发掘进时应对盾构姿态进行复核。
4、始发前的洞门开口作业引起前方大变形和坍塌的危险较大,因此在拆除初支结构时,应加强对岩体的稳定及地面沉降的观测。
5、第一环负环管片定位时,管片的环面应与线路中线垂直。
负环管片轴线与线路的轴线重合,负环管片采用通缝拼装方式。
6、由于盾构机在始发托架上不能转向,在曲线上始发时应将盾构机定位在曲线的割线上,经计算盾构机按偏转2.6度始发,最大偏差为41毫米。
7、管片防水密封条粘贴应牢固、平整、严密、位置正确,不得有起鼓、超长和缺口等现象。
8、负环管片螺栓必须拧紧,负环管片外围用钢丝绳箍紧。
9、盾构机在始发台上向前推进时,各组推进油缸保持同步。
10、初始掘进时,盾构机处于始发台上。
因此,需在始发台及盾构机上焊接相对的防扭转支座,为盾构机初始掘进提供反扭矩。
11、始发阶段,设备处于磨合期,要注意推力、扭矩的控制,同时也要注意各部位油脂的有效使用。
一、交底目的为确保盾构施工过程中的安全,提高施工人员的安全意识和操作技能,特制定本安全交底模板。
通过本交底,使全体施工人员充分了解盾构施工过程中的安全风险,掌握安全操作规程,有效预防安全事故的发生。
二、交底对象1. 盾构施工项目经理及全体管理人员;2. 盾构机操作人员、维修人员、电工、焊工等特种作业人员;3. 施工现场所有作业人员。
三、交底内容1. 盾构施工基本安全知识(1)盾构施工概述:盾构施工是一种隧道掘进技术,具有施工速度快、环境影响小、安全性高等特点。
(2)盾构机结构及操作规程:了解盾构机的组成部分、工作原理及操作流程,确保操作人员熟悉各部件的功能和操作方法。
2. 盾构施工安全风险及预防措施(1)火灾:施工现场严禁吸烟,严禁使用明火;电器设备使用前应检查绝缘性能,确保安全。
(2)触电:施工现场应配备足够的安全防护设备,如绝缘手套、绝缘鞋等;电气设备操作人员必须取得相应资质。
(3)高处坠落:施工现场高处作业必须佩戴安全带,确保安全;禁止攀登、翻越防护设施。
(4)物体打击:施工现场材料、工具堆放整齐,严禁高空抛物;操作机械时应注意安全距离。
(5)中毒:施工现场应通风良好,禁止在密闭空间作业;施工人员应佩戴防毒面具。
3. 盾构施工应急处理(1)火灾:立即切断电源,使用灭火器灭火;如火势较大,立即撤离现场并报警。
(2)触电:立即切断电源,使用绝缘工具进行施救;如触电人员心跳、呼吸停止,立即进行心肺复苏。
(3)高处坠落:立即采取措施,防止事故扩大;同时,对伤员进行急救,拨打急救电话。
(4)物体打击:立即组织人员撤离危险区域,对伤员进行急救。
4. 盾构施工安全管理制度(1)施工现场实行安全责任制,各级管理人员、作业人员应严格遵守安全操作规程。
(2)加强安全教育培训,提高施工人员的安全意识和操作技能。
(3)定期进行安全检查,发现问题及时整改。
四、交底要求1. 施工单位应将本安全交底模板纳入施工方案,对全体施工人员进行交底。
盾构始发、掘进及接收安全技术交底一、危险源辨识盾构始发、掘进及接收施工危险因素辨识及控制要点如下:危险因素辨识及控制措施二、一般安全要求及控制措施1、采用敞开式盾构掘进,土层中有水时,必须采取降水等控制措施。
2、设备的电气接线与拆卸必须由电工操作,使用前应由电工检查,确认合格。
3、穿越铁路、轨道交通、房屋等建(构)筑物时,应采取防护措施,并经管理单位同意方可施工。
4、盾构施工中,渗漏、遗洒的液压油和各种浆液等应及时处理,保持作业环境清洁,且不得堵塞排污管道和污染地下水。
5、盾构进出竖井前应对隧道洞口的土体进行加固,并完成封门施工;土体加固范围应根据地质条件和隧道埋深确定,且长度不得小于盾构长度,宽度不得小于盾构两侧外各2m。
6、盾构及其部件在吊运中应加强保护,不得损坏和变形;盾构设备在现场总装调试合格并形成文件后,应试掘进50m~l00m,待确认正常后,方可正式投入使用;盾构在使用中应定期检查、维修和保养。
7、盾构在保养和维修中严禁自行更换、改装原有配件,配件有损坏时应采用原生产企业提供的备用件或经设计部门、上级主管部门批准使用的加工件,盾构的保养和维修必须在完全停机,并采取安全技术措施情况下进行。
8、施工过程中,必须按监控量测方案的规定,布设监测点,设专人对下列情况进行观察量测并记录,随时分析,确认正常:1)成洞管片隆陷、裂缝和变形。
2)影响区内地面和地下管线等构筑物隆陷。
3)影响区内地上建筑物的隆陷、位移、裂缝、倾斜等。
9、采用盾构机掘进应符合下列要求:1)每一循环进尺长度,应满足安装一环管片的要求。
2)盾构机操作工,必须按照机械使用说明书的规定程序操作。
3)使用泥水平衡盾构机时,应设泥水分离装置和排水设施,不得泥水漫流。
4)掘进过程中,应随时观察密封舱压力,并保持压力稳定,且不得大于控制压力。
5)掘进中应随时观测盾构机切削功率变化情况,并进行控制,保持切削功率稳定,且不得大于额定功率。
6)盾构机运行中,出现故障必须立即报告项目经理部主管领导研究处理。
一、交底目的为确保盾构机施工过程中的安全,提高施工人员的安全意识,防止安全事故的发生,特制定本安全技术交底。
二、交底对象所有参与盾构机施工的施工人员、管理人员及技术人员。
三、交底内容1. 盾构机简介盾构机是一种大型隧道施工设备,用于在地下挖掘隧道。
其主要组成部分包括:主机、盾构机壳体、推进系统、出土系统、控制系统等。
2. 安全操作规程(1)施工前准备:- 确保盾构机各部件完好,无损坏;- 检查液压系统、电气系统、推进系统等是否正常;- 确保施工场地平整,排水设施完善;- 检查施工人员是否经过培训,了解操作规程。
(2)施工中注意事项:- 严禁酒后操作;- 操作人员应穿戴好个人防护用品,如安全帽、防尘口罩、防护手套等;- 严格遵循操作规程,不得擅自更改;- 监控设备运行状态,发现异常情况立即停止作业;- 严禁在盾构机周围进行无关活动,保持作业区域安全;- 定期检查设备,发现问题及时上报。
3. 盾构机常见故障及处理方法(1)液压系统故障:- 检查液压油箱油位,不足时添加;- 检查液压油质,发现异常时更换;- 检查液压泵、液压阀等部件,发现问题及时更换。
(2)电气系统故障:- 检查电缆、插头等电气连接,确保无松动;- 检查电气设备绝缘性能,发现问题及时处理;- 确保电气设备接地良好。
(3)推进系统故障:- 检查推进油缸、液压马达等部件,发现问题及时更换;- 检查推进油管路,确保无泄漏。
4. 紧急情况处理(1)停电:- 确保人员安全撤离;- 关闭所有设备,防止设备损坏;- 检查停电原因,排除故障。
(2)火灾:- 立即切断电源,防止火势蔓延;- 使用灭火器等消防设备进行灭火;- 确保人员安全撤离。
四、交底要求1. 施工人员必须认真学习本安全技术交底,并严格遵守;2. 施工过程中,如发现安全隐患,应及时上报;3. 施工单位应定期组织安全技术培训,提高施工人员的安全意识。
五、附则本安全技术交底自发布之日起实施,如遇特殊情况,可进行修订。
一、交底目的为确保盾构区间施工过程中的安全,提高施工人员的安全意识,预防事故发生,特制定本安全技术交底。
二、适用范围本交底适用于盾构区间施工过程中的所有作业环节,包括但不限于盾构始发、掘进、接收、隧道内部装修等。
三、交底内容1. 施工人员安全教育培训(1)所有施工人员必须接受三级安全教育,考核合格后方可上岗作业。
(2)特种作业人员必须取得特种作业操作证,经项目部登记并考核合格后方可上岗。
2. 施工现场安全管理(1)施工现场严禁吸烟、酒后作业,进入施工现场必须按规定佩戴劳保用品。
(2)施工现场必须设置安全警示标志,并定期检查、维护。
(3)施工现场应保持整洁、有序,不得堆放杂物,确保通道畅通。
3. 盾构始发、掘进、接收阶段安全措施(1)盾构始发前,应对始发洞门进行加固,确保洞门结构安全。
(2)盾构掘进过程中,密切关注地质情况,遇异常情况立即停止掘进,采取相应措施。
(3)盾构接收阶段,确保接收端洞门结构安全,防止坍塌。
4. 防止触电、火灾事故(1)施工现场所有电气设备必须符合国家标准,并由专业人员安装、维护。
(2)电气设备操作人员必须持证上岗,严格遵守操作规程。
(3)施工现场严禁使用不合格、破损的电气设备。
5. 防止高处坠落事故(1)高处作业人员必须佩戴安全带,并系好安全绳。
(2)高处作业平台必须符合安全要求,定期检查、维护。
(3)禁止在未设安全防护措施的区域进行高处作业。
6. 防止机械伤害事故(1)所有机械设备必须定期检查、维护,确保设备运行正常。
(2)操作人员必须熟悉机械设备性能,严格遵守操作规程。
(3)非操作人员严禁操作机械设备。
7. 防止中毒、窒息事故(1)施工现场应加强通风,确保空气质量。
(2)作业人员进入受限空间前,必须做好安全防护措施,如佩戴呼吸器等。
(3)受限空间作业完成后,应及时通风,确保空气质量。
四、交底责任1. 施工单位负责安全技术交底的编制、实施和监督。
2. 施工现场管理人员负责安全技术交底的实施和监督。
一、交底目的为确保盾构机作业过程中的安全,提高施工人员的安全意识和操作技能,预防事故发生,特制定本安全技术交底。
二、适用范围本交底适用于盾构机作业的全过程,包括盾构机组装、调试、掘进、出土、管片拼装等环节。
三、交底内容1. 人员要求(1)所有参与盾构机作业的人员必须经过专业培训,取得相应资格证书,熟悉盾构机操作规程。
(2)进场人员必须进行入场安全教育,考核合格后方可上岗。
2. 施工现场安全措施(1)施工现场应设置明显的警示标志,严禁无关人员进入。
(2)施工现场应配备足够的消防设施,确保消防通道畅通。
(3)施工现场严禁吸烟、动火作业,严禁擅自拆改安全装置。
3. 盾构机操作安全要求(1)操作人员应穿戴符合要求的劳动保护用品,如安全帽、防护眼镜、防尘口罩、防滑鞋等。
(2)操作前应检查盾构机各部件是否正常,确认安全后方可启动。
(3)作业过程中,操作人员应密切关注盾构机运行状态,发现异常情况立即停止作业,报告相关人员处理。
(4)盾构机启动、停止、调速等操作应严格按照操作规程进行。
4. 掘进与出土安全要求(1)掘进过程中,应密切关注地层变化,发现异常情况立即停止作业,报告相关人员处理。
(2)出土作业时,应确保出土通道畅通,防止因出土不畅导致盾构机损坏。
(3)出土过程中,应严格控制出土速度,防止因出土过快导致地层失稳。
5. 管片拼装安全要求(1)管片拼装前,应检查管片质量,确保管片无裂纹、变形等缺陷。
(2)拼装过程中,应确保拼装精度,防止因拼装误差导致隧道结构不牢固。
(3)拼装作业人员应穿戴防护用品,严格遵守操作规程。
6. 应急处理(1)发生事故时,立即停止作业,报告相关人员处理。
(2)事故发生后,应迅速组织救援,确保人员安全。
(3)事故原因分析、处理及预防措施应记录在案。
四、交底时间本安全技术交底自发布之日起,所有参与盾构机作业的人员必须认真学习并严格遵守。
五、交底责任人本安全技术交底由项目经理部负责组织实施,项目负责人为交底责任人。
一、交底目的为确保盾构始发机施工过程中的安全,降低事故风险,提高施工效率,特制定本安全技术交底。
二、交底内容1. 施工人员安全要求(1)所有参与施工人员必须经过专业培训,取得相关操作资格证书。
(2)进场人员必须进行入场安全教育,考核合格后方可上岗作业。
(3)特种作业人员必须取得特种作业操作证,并经项目部登记考核合格。
2. 施工现场安全措施(1)施工现场必须配备必要的安全防护设施,如安全网、防护栏、警示标志等。
(2)施工现场严禁吸烟,禁止携带易燃易爆物品。
(3)进入施工现场必须按规定佩戴劳动保护用品,如安全帽、防尘口罩、防毒面具等。
3. 盾构始发机操作安全(1)操作人员必须熟悉盾构始发机的操作规程,严格按照操作手册进行操作。
(2)启动盾构始发机前,必须检查所有电气、液压系统,确保设备完好。
(3)操作过程中,密切注意盾构始发机的运行状态,发现异常情况立即停止操作,并报告现场负责人。
4. 吊装与运输安全(1)吊装作业必须由专业人员负责,严格遵守吊装操作规程。
(2)吊装过程中,确保吊装设备完好,吊装点牢固可靠。
(3)运输过程中,车辆必须保持安全车速,严禁超速、超载。
5. 应急处理(1)制定完善的应急预案,明确事故发生时的处理流程。
(2)配备必要的应急救援物资,如急救包、灭火器、防护服等。
(3)定期进行应急演练,提高应急处置能力。
三、交底要求1. 项目部必须将本安全技术交底文件发放给所有施工人员。
2. 施工人员必须认真学习并掌握本安全技术交底内容。
3. 施工过程中,严格遵守安全技术交底要求,确保施工安全。
四、交底时间本次安全技术交底时间为【年】年【月】月【日】日。
五、交底人交底人:【姓名】六、备注1. 本安全技术交底文件自发布之日起生效。
2. 如遇特殊情况,本安全技术交底文件可根据实际情况进行修订。
3. 施工过程中,如发现安全隐患,应及时报告项目部,并采取措施予以整改。
---以上模板仅供参考,具体交底内容应根据实际情况进行调整。
一、交底目的为确保盾构始发工程的安全顺利进行,提高施工人员的安全意识,特制定本安全技术交底。
二、交底对象本次交底对象为盾构始发施工项目全体人员,包括施工人员、技术人员、管理人员等。
三、交底内容1. 施工现场安全管理(1)进场人员必须经过入场安全教育(三级教育),考核合格后才能上岗作业。
(2)重大风险源施工作业,人员必须自觉承受安全技术交底。
(3)进入施工现场的人员必须按要求正确佩戴、使用劳动保护用品。
(4)特种作业人员必须取得特种作业操作证,经项目部登记并考核合格后方能上岗。
2. 盾构始发施工技术要求(1)始发前,应确认洞门延伸钢环与橡胶帘布已正确安装并密封。
(2)按盾构始发到达开工条件验收记录表验收合格后方能进行始发。
(3)保证降水井水位在洞门以下,出洞前须在洞门底部打探孔确定无压力水流出才准出洞。
(4)地面安排人员值班,加强地面巡视与水位监测频率,保证降水井正常抽水,发现异常及时上报处理。
3. 作业现场安全措施(1)施工现场严禁吸烟,严禁擅自拆改安全装置。
(2)进出隧道必须走人行道,避让过往车辆,严禁搭乘运输车辆。
(3)当隧道断面较小,设置专用人行道有困难时,作业人员必须在车辆停驶后方可进出隧道。
(4)控制台操作前,必须与拼装手、注浆人员、电瓶车司机等有关人员联系,确认安全后方可操作。
(5)作业前必须检查控制仪器、仪表及其他装置,确认处于安全状态。
(6)发现故障和异常情况,按规定要求处理、汇报;严格执行交接班制度。
4. 人员培训与考核(1)组织岗前技术培训,对关键工序、重点岗位人员进行培训。
(2)对施工人员进行安全技术交底,确保施工人员掌握相关安全知识。
(3)定期组织考核,对施工人员进行安全技能考核。
四、交底时间本次安全技术交底时间为:____年____月____日。
五、交底责任人本次安全技术交底责任人:____(姓名)。
六、注意事项1. 施工过程中,如发现安全隐患,应立即停止作业,及时上报,待安全隐患消除后方可继续施工。
盾构始发技术交底B3.12
奥体中心站北端头井地质剖面图
周边建构筑物
始发车站周边建筑物概况
本工程两段区间分别从奥体中心站南、北端头井始发,车站位于常州中心城区晋陵北路与龙锦路交叉口处,跨龙锦路沿南北向敷设于晋陵北路下方。
其车站北侧有常发豪庭花园、华美达国际酒店,距离车站北端头井分别为45.52m、28.42m;南侧有及欧迪办公楼、常州市新北区实验中学,距离车站南端头井分别为26.75m、21.33m。
区间盾构始发对四座建
筑物基本无影响。
奥体中心站临近建构物情况表
序号建筑物名称层数建筑物情况
1 豪庭花园19层位于车站西北侧,距离车站北端头井约45.52m。
2 欧迪办公楼4层欧迪办公楼:独立承台基础,基础底埋深2.5m。
位于车站东南侧,距离车站西端头井约26.75m
3 华美达国际酒店18层华美达酒店:基础为Φ500PHC管桩,桩长8.5m,桩底标高-9.3~12.0m。
位于车站东北侧,距离车站端头井约28.42m
4 新北区实验中学
图书馆
4层
新北区实验中学:独立承台基础,基础底埋深1.5~2.5m,部分区域
采用Φ500粉喷桩进行加固。
位于车站西南侧,距离车站主体基坑约
21.33m。
盾构始发技术交底
盾构始发技术交底B3.12
20°,标准块管片3块(分别为B1、B2、B3)圆心角为67.5°,邻接块管片左右各一块(分别为L1、L2),圆心角为68.75°,纵向接头为16处,按22.5°等角度布置;联络通道处区间隧道采用钢管片和钢筋混凝土管片组成的复合型管片环。
管片环缝和纵缝均采用5.8级或6.8级M30“U型”螺栓连接,环向管片间设2个单排螺栓,纵向设16个螺栓,管片中心处设一个吊装孔,兼作二次注浆孔。
管片环纵缝采用三元乙丙橡胶密封条止水,管片与周围土体间隙采用同步注浆填充。
1.2工程地质
奥体中心站~河海大学站区间隧道主要穿越的地层为:⑤1粉砂夹粉土层、⑤2粉砂层、⑤3粉砂夹粉土层、⑥2粉质粘土层、⑥3粉质粘土层。
盾构始发涉及地层主要为⑤1粉砂夹粉土层、⑤2粉砂层。
奥体中心站北端头井地质剖面图
1.3周边建构筑物
始发车站周边建筑物概况
本工程两段区间分别从奥体中心站南、北端头井始发,车站位于常州中心城区晋陵北路与龙锦路交叉口处,跨龙锦路沿南北向敷设于晋陵北路下方。
其车站北侧有常发豪庭花园、华美达国际酒店,距离车站北端头井分别为45.52m、28.42m;南侧有及欧迪办公楼、常州市新北区实验中学,距离车站南端头井分别为26.75m、21.33m。
区间盾构始发对四座建(构)筑物基本无影响。
奥体中心站临近建构物情况表
序号建筑物名称层数建筑物情况
1 豪庭花园19层位于车站西北侧,距离车站北端头井约45.52m。
2 欧迪办公楼4层欧迪办公楼:独立承台基础,基础底埋深2.5m。
位于车站东南侧,距离车站西端头井约26.75m
3 华美达国际酒店18层华美达酒店:基础为Φ500PHC管桩,桩长8.5m,桩底标高-9.3~12.0m。
位于车站东北侧,距离车站端头井约28.42m
4 新北区实验中学
图书馆
4层
新北区实验中学:独立承台基础,基础底埋深1.5~2.5m,部分区域采
用Φ500粉喷桩进行加固。
位于车站西南侧,距离车站主体基坑约
21.33m
奥体中心站与建构(筑)物位置概况图
1.4始发段地下管线情况
奥体中心站北端头井始发段管线统计表
序号管线直径(mm) 管线走向管线埋设位置备注
1 给水管DN500 沿晋陵北路方向车站北面沿晋陵北路布置,埋深约0.5米,距离区间隧道约10.0米
2 雨水管d600 北端头井北侧横
跨晋陵北路
车站北端头井盾构始发段,埋深约2.4米,距离
车站北端头井26米~30米
3
污水管
d500/d1600
沿常发国际豪庭
围墙敷设
车站北风井旁,埋深约2.0米/5.0米,距离始发
段隧道最小净距13.0米,距离车站北端头井22.7
米
4
通讯管
8Φ110 L40
北端头井北侧横
跨晋陵北路
车站北端头井盾构始发段,埋深约1.0米,距离
车站北端头井23米~24米
5
电力管
2Φ200MPP L43
北端头井北侧横
跨晋陵北路
车站北端头井盾构始发段,埋深约1.0米,距离
车站北端头井约17.0米
6
电力管
2Φ200MPP L43
西侧沿晋陵北路
方向
车站西面沿晋陵北路布置,埋深约1.0米,距离
区间隧道约7.4米
7 燃气管中压B
钢管 DN400
东侧沿晋陵北路
方向
车站东面沿晋陵北路布置,埋深约2.3米,距离
区间隧道约10.8米
2、盾构始发地基加固
为保证盾构始发、破除端头围护结构时隧道端头土体的自稳和防水要求,需在盾构始。