广东石油化工学院机械设计基础课程设计任务书(二)
- 格式:pdf
- 大小:248.49 KB
- 文档页数:30
《机械设计基础》课程设计任务书一、课程设计的目的《机械设计基础》课程设计是机械类专业学生在学完《机械设计基础》课程后进行的一个重要的实践教学环节。
其目的在于:1、进一步巩固和加深学生所学的理论知识,通过实际设计,使学生初步掌握机械设计的一般方法和步骤,培养学生的工程设计能力和创新思维能力。
2、培养学生运用所学知识解决实际问题的能力,提高学生的综合分析能力和动手能力。
3、使学生熟悉和掌握运用有关设计资料(如标准、规范、手册、图册等)进行设计计算和绘图的方法,提高学生的查阅资料和使用工具的能力。
4、通过课程设计,培养学生严谨的科学态度和认真负责的工作作风。
二、课程设计的任务设计一个简单的机械传动装置,如带传动、链传动、齿轮传动、蜗杆传动等的组合,或者其他简单的机械结构。
具体的设计任务如下:1、设计题目根据给定的设计参数和工作条件,确定传动装置的类型和结构形式,并进行总体方案设计。
2、设计内容(1)传动装置的总体设计根据给定的工作条件和要求,确定传动装置的总体布局,选择合适的传动比,计算各轴的转速、功率和转矩。
(2)传动零件的设计计算根据总体设计方案,对主要传动零件(如带轮、齿轮、链轮、蜗杆蜗轮等)进行设计计算,确定其主要结构参数和尺寸。
(3)轴的设计计算根据各轴所传递的转矩和转速,对轴进行结构设计和强度计算,确定轴的直径、长度、键的尺寸等。
(4)轴承的选择和计算根据轴的受力情况,选择合适的轴承类型和型号,并进行寿命计算。
(5)连接件的选择和计算选择合适的联轴器、键等连接件,并进行强度计算。
(6)箱体及附件的设计设计箱体的结构和尺寸,选择合适的润滑和密封方式,确定附件(如观察孔、通气孔、放油孔等)的位置和尺寸。
3、设计要求(1)设计计算说明书一份设计计算说明书应包括设计任务、设计方案的选择和确定、主要零件的设计计算过程、设计结果的分析和讨论等内容。
说明书应书写工整、条理清晰、计算准确、图文并茂。
(2)装配图一张(A1 或 A0 图纸)装配图应能正确表达传动装置的工作原理、各零件的装配关系和结构形状,标注必要的尺寸、配合、公差和技术要求等。
《机械设计基础课程设计》课程教学大纲一、课程与任课教师基本信息二、课程简介《机械设计基础课程设计》是非机械类各专业学生在学习了《机械设计基础》课程后进行的一个重要的实践性教学环节,其目的是使学生综合运用《机械设计基础》课程以及有关先修课程的知识,进行一次较全面的机械设计基础能力训练。
三、课程目标1、通过课程设计实践,树立正确的设计思想,培养综合运用机械设计课程和其他先修课程的理论与生产实际知识来分析和解决机械设计问题的能力;2、学习机械设计的一般方法、步骤,掌握机械设计的一般规律;3、进行较为全面的机械设计基本技能的训练:例如计算、绘图、查阅资料和手册、运用标准和规范等的训练。
四、与前后课程的联系先修课程有:高等数学、普通物理、机械制图、工程力学。
后续课程:专业课程及专业选修课程、毕业设计等。
五、教材选用与参考书1、选用教材:杨可桢等主编.《机械设计基础》(第六版).高等教育出版社,2013年.2、王昆等主编.《机械设计/机械设计基础课程设计》. 高等教育出版社, 2011年.六、课程设计进度表七、教学方法本课程设计的教学方法是以教师课堂讲解和设计过程的现场指导相结合,通过具体的设计对象和任务,使学生进一步巩固机械设计基础课程中学习的机器设计以及机械零件设计的相关知识,并进行机械设计工作基本技能的训练,使学生具备简单机械的设计能力。
八、对学生的学习要求1、学习本课程的方法本课程是在机械设计基础课程结束后的一个综合训练环节。
要结合具体的设计任务,掌握机器设计程序和通用零件的设计原理和方法。
要多熟悉和运用设计资料(如标准、规范等),认真地进行机械设计工作基本技能的训练。
2、学生完成本课程须耗费的时间为掌握本课程的主要内容,要求学生投入全部精力到为期2周的课程设计中,达到具备简单机械的设计能力的目标。
3、学生的上课、讨论、计算说明书等方面的要求认真听好设计指导课,做好笔记,积极参与教学互动;在设计过程中,主动与老师探讨问题;针对课程设计题,积极思考,培养自己的分析和计算能力。
设计题目:带传动、齿轮传动参数设计及轴结构设计一、传动方案:二、已知参数:F=2500 N, V=1.8 m/s, D=300 mm,工作条件:一般用途,载荷平稳,满载起动,起动载荷为1.25 F,单向转动,两班制,工作期限10年。
三、设计要求:1、选择电动机,联轴器;带及齿轮传动参数设计;轴Ⅰ结构设计;轴Ⅰ上键及轴承的选择、校核计算。
2、绘制大带轮及轴Ⅰ零件图各一张。
设计题目:带传动、齿轮传动参数设计及轴结构设计一、传动方案:二、已知参数:F=2000 N, V=1.5 m/s, D=320 mm,工作条件:一般用途,载荷平稳,满载起动,起动载荷为1.25 F,单向转动,两班制,工作期限10年。
三、设计要求:1、选择电动机,联轴器;带及齿轮传动参数设计;轴Ⅰ结构设计;轴Ⅰ上键及轴承的选择、校核计算。
2、绘制大带轮及轴Ⅰ零件图各一张。
设计题目:带传动、齿轮传动参数设计及轴结构设计一、传动方案:二、已知参数:F=2000 N, V=1.2 m/s, D=350 mm,工作条件:一般用途,载荷平稳,满载起动,起动载荷为1.25 F,单向转动,两班制,工作期限10年。
三、设计要求:1、选择电动机,联轴器;带及齿轮传动参数设计;轴Ⅰ结构设计;轴Ⅰ上键及轴承的选择、校核计算。
2、绘制大带轮及轴Ⅰ零件图各一张。
设计题目:带传动、齿轮传动参数设计及轴结构设计一、传动方案:二、已知参数:F=1800 N, V=1.2 m/s, D=400 mm,工作条件:一般用途,载荷平稳,满载起动,起动载荷为1.25 F,单向转动,两班制,工作期限10年。
三、设计要求:1、选择电动机,联轴器;带及齿轮传动参数设计;轴Ⅰ结构设计;轴Ⅰ上键及轴承的选择、校核计算。
2、绘制大带轮及轴Ⅰ零件图各一张。
设计题目:带传动、齿轮传动参数设计及轴结构设计一、传动方案:二、已知参数:F=2200 N, V=1.4 m/s, D=380 mm,工作条件:一般用途,载荷平稳,满载起动,起动载荷为1.25 F,单向转动,两班制,工作期限10年。
12届机械设计基础课程设计任务书2《机械⼯程技术综合实训》设计任务书⼀、课程设计的⽬的《机械⼯程技术综合实训》课程设计是机械设计的⼀个重要环节,⼜是⼀个⼗分重要的实践环节,是第⼀次对学⽣进⾏较全⾯的设计训练,其⽬的是:1.通过课程设计,巩固、加深和扩⼤在《机械设计基础》课程及相关课程教学中所学到的知识,训练学⽣综合运⽤这些知识去分析和解决⼯程实际问题的能⼒。
2.学习机械设计的⼀般⽅法,了解和掌握常⽤机械零件、机械传动装置或简单机械的设计⽅法、设计步骤,为今后从事相关的专业课程设计、毕业设计及实际的⼯程设计打好必要的基础。
3.使学⽣在分析计算、绘制图纸、运⽤设计资料、熟悉有关国家标准、规范、使⽤经验数据、进⾏经验估算等⽅⾯受全⾯的基础训练。
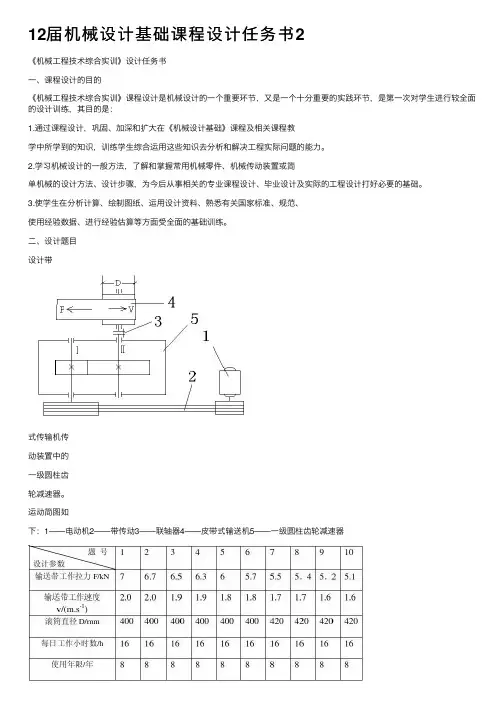
⼆、设计题⽬设计带式传输机传动装置中的⼀级圆柱齿轮减速器。
运动简图如下:1——电动机2——带传动3——联轴器4——⽪带式输送机5——⼀级圆柱齿轮减速器注:空载启动,载荷平稳、传动可逆转,常温、⼯作场所多灰,连续⼯作,传动⽐误差为±4%。
注:空载启动,载荷平稳、传动可逆转,常温、⼯作场所多灰,连续⼯作,传动⽐误差为±4%。
注:空载启动,载荷平稳、传动可逆转,常温、⼯作场所多灰,连续⼯作,传动⽐误差为±4%。
注:连续单向传动,有轻微冲击,常温、⼯作场所灰尘较⼤,传动⽐误差为±5%。
注:连续单向传动,有轻微冲击,常温、⼯作场所灰尘较⼤,传动⽐误差为±5%。
注:⽪带输送机单向运转,有轻微的震动,两班制⼯作,使⽤年限5年,输送机带轮轴转速的允许误差为±5%。
⼩批量⽣产,每年⼯作300天。
三、设计的基本要求和注意事项1.基本要求:每位同学要完成运动参数计算、传动机构设计、绘制装配图⼀张(A3 )、绘制零件图纸两张(A3)、编写设计说明书⼀份(不少于3000字)。
要求设计思想要正确,⽅案要合理,计算说明要严谨,绘制图纸要符合国家有关标准和规范,技术要求要合理。
《机械设计基础》课程设计任务书一.带式输送机传动装置(1)1.传动装置简图 传动装置简图如图1所示图1 带式输送机传动装置(一)1—电动机 2—传动带 3—圆柱齿轮减速器 4—联轴器 5—滚筒 6—轴承 7—输送胶带2.已知条件1) 工作情况:三班工作制,单向连续运转,载荷平稳,输送带水平放置。
2) 工作环境:室内,有灰尘,最高环境温度35℃,通风条件一般。
3) 动力来源:电力,三相交流,电压380V/220V 。
4) 工作寿命:8年。
5) 检修间隔期:4年一次大修,2年一次中修,半年一次小修。
6) 制造条件:一般机械制造厂,批量生产。
7) 齿轮减速器浸油润滑;取大齿轮的搅油效率98.0=搅η;取滚筒-输送带效率96.0=w η。
3.设计任务1) 选择电动机型号。
2) 选择联轴器类型和规格。
3) 设计带传动及圆柱齿轮减速器。
4) 绘制圆柱齿轮减速器装配工作图。
5) 绘制减速器中1~2个零件工作图(由教师指定)。
6) 编写设计计算说明书。
4.技术参数注:输送带速度允许误差±5%二.带式输送机传动装置(2)1.传动装置简图传动装置简图如图2所示图2 带式输送机传动装置(二)1—电动机 2—联轴器 3—圆柱齿轮减速器 4—链传动 5—滚筒 6—轴承 7—输送胶带2.已知条件1)工作情况:三班工作制,单向连续运转,载荷平稳,输送带水平放置。
2)工作环境:室内,有灰尘,最高环境温度35℃,通风条件一般。
3)动力来源:电力,三相交流,电压380V/220V 。
4)工作寿命:8年。
5)检修间隔期:4年一次大修,2年一次中修,半年一次小修。
6)制造条件:一般机械制造厂,批量生产。
7)齿轮减速器浸油润滑;取大齿轮的搅油效率98.0=搅η;取滚筒-输送带效率96.0=w η。
3.设计任务1)选择电动机型号。
2)选择联轴器类型和规格。
3)设计链传动及圆柱齿轮减速器。
4)绘制圆柱齿轮减速器装配工作图。
《机械设计基础》课程设计任务书《机械设计基础Ⅰ》课程设计任务书一、设计题目设计胶带运输机的传动装置。
二、设计要求1. 传动方案:高速级采用V带传动,低速级采用单级圆柱齿轮减速器2. 设计任务:设计V带传动、圆柱齿轮减速器3. 设计要求:1)图纸:1# 减速器装配图1张(减速器主视图和俯视图),要标注相应的尺寸及技术要求;减速器或带传动中的零件图一张。
(两张图纸必须采用手工绘图)计算要求:(1)带传动的设计计算;(2)两个齿轮的强度,两根轴的强度,两对轴承的寿命和两个键的强度。
2)设计计算说明书1份,要求写出所有的计算过程和计算结果,以及列出使用的参考文献。
(插图应当清晰工整)3)准备答辩看似短暂的一生,其间的色彩,波折,却是纷呈的,深不可测的,所以才有人拼尽一切阻隔,在路漫漫中,上下而求索。
不管平庸也好,风生水起也罢,其实谁的人生不是顶着风雨在前行,都在用平凡的身体支撑着一个看不见的灵魂?有时候行到风不推身体也飘摇,雨不流泪水也湿过衣衫,而让我们始终坚持的除了一份信念:风雨总会过去,晴朗总会伴着彩虹挂在天边。
一定还有比信念还牢固的东西支撑着我们,那就是流动在心底的爱,一份拳拳之爱,或许卑微,却是我们执著存在这个世界上,可以跨越任何险阻的勇气、力量和最美丽的理由。
人生的途程积累了一定的距离,每个人都成了哲学家。
因为生活会让我们慢慢懂得:低头是为了抬头,行走是为了更好地休憩,不阅尽沧桑怎会大度,没惯见成败怎会宠辱不惊,不历经纠结怎会活得舒展?看清才会原谅,有时的无动于衷,不是不屑,不是麻木,而是不值得。
有时痛苦,不是怕失去,不是没得到,而是因为自私,不肯放手,不是自己的,也不想给。
人生到最后,有的人把自己活成了富翁,有的人却一无所有。
梭罗说:一个人富裕程度如何,要看他能放下多少东西。
大千世界,我们总是想要的太多,以为自己得到的太少。
是啊,一个贫穷的人怎么会轻易舍得抛下自己的所有呢?到了一定年龄,才会明白一个人对物质生活的过多贪求,反而让自己的心灵变得愈加贫穷。
《机械设计》课程设计任务书(二)
一、设计题目
带式输送机传动装置设计。
二、工作原理及已知条件
工作原理:带式输送机工作装置如下图所示 己知条件
1.工作条件:两班制,连续单向运转,载荷平稳,室内工作,有粉尘;
2.使用寿命:8年(每年300工作日);
3.检修间隔期:四年一次大修,两年一次中修,一年一次小修;
4.动力来源:电力,三相交流,电压380/220 V
5.运输带速度允许误差;±5%;
6.一般机械厂制造,小批量生产;
7. 滚筒中的摩擦力影响已包含在工作力F 中了。
四、设计内容
1.按照给定的原始设计数据(编号) 和传动方案(编号) 设计减速器装置;
2.传动方案运动简图1张(附在说明书里);
3.完成减速器装配图1张(可计算机绘图,A0或A1);
4.完成二维主要零件图2张(传动零件、轴或箱体,A3或A4);
5.设计说明书1份(正文约20页,6000~7000字)。
班级:姓名:
指导教师:林伟明日期:。
〈〈机械设计基础课程设计>〉说明书机械制造及自动化专业Jixie zhizao ji zidonghua zhuanye机械设计基础课程设计任务书 2Jixie sheji jichu kecheng sheji renwu shu 2姓名: x x x学号:班级: 09级机电1班指导教师: x x x完成日期: 2010/12/12机械制造及自动化专业机械设计基础课程设计任务书2学生姓名:班级:学号:一、设计题目:设计一用于带式运输机上的单级圆锥齿轮减速器给定数据及要求已知条件:运输带工作拉力F=4kN;运输带工作速度v=1。
2m/s(允许运输带速度误差为±5%);滚筒直径D=400mm;两班制,连续单向运转,载荷较平稳。
环境最高温度350C;小批量生产。
二、应完成的工作1.减速器装配图1张;2.零件工作图1张(从动轴);3.设计说明书1份。
系主任:科室负责人:指导教师:前言这次设计是由封闭在刚性壳内所有内容的齿轮传动是一独立完整的机构。
通过这一次设计可以初步掌握一般简单机械的一套完整设计及方法,构成减速器的通用零部件.这次设计主要介绍了减速器的类型作用及构成等,全方位的运用所学过的知识。
如:机械制图,金属材料工艺学公差等已学过的理论知识.在实际生产中得以分析和解决。
减速器的一般类型有:圆柱齿轮减速器、圆锥齿轮减速器、齿轮-蜗杆减速器,轴装式减速器、组装式减速器、联体式减速器。
在这次设计中进一步培养了工程设计的独立能力,树立正确的设计思想,掌握常用的机械零件,机械传动装置和简单机械设计的方法和步骤,要求综合的考虑使用经济工艺性等方面的要求。
确定合理的设计方案。
目录♣一、电动机的设计 (6)1. 选择电动机 (6)2。
选择电动机容量 (6)3.计算总传动比并分配各级传动比 (7)4。
计算传动装置的运动和动力参数 (7)5。
电动机草图 (8)♣二、带传动的设计 (9)1. 确定计算功率 (9)2.确定V带型号 (9)3。
姓名专业班级学号一、设计题目:带式运输机传动系统中的一级圆柱齿轮减速器二、系统简图:F三、工作条件:输送机连续工作,单向运转,载荷变化不大,空载起动,使用期限10年,两班制工作,输送带速度容许误差为±5%。
五、设计工作量:1.设计说明书1份2.减速器装配图1张3.减速器零件图2~3张(输出轴、输出轴上齿轮)指导教师:开始日期:年月日完成日期:年月日机械设计课程设计任务书(二)姓名专业班级学号一、设计题目:带式运输机传动系统中的一级圆柱齿轮减速器二、系统简图:减速器三、工作条件:传动不逆转,载荷平稳,起动载荷为名义载荷的倍,输送带速度容许误差为±5%。
四、原始数据五、设计工作量:1.设计说明书1份2.减速器装配图1张3.减速器零件图2~3张(输出轴、输出轴上齿轮)指导教师:开始日期:年月日完成日期:年月日机械设计课程设计任务书(三)姓名专业班级学号一、设计题目:螺旋输送机传动系统中的一级圆柱齿轮减速器二、系统简图:三、工作条件:螺旋输送机单向运转,有轻微振动,两班制工作,使用期限5年,输送机螺旋轴转速的容许误差为±5%,减速器小批量生产。
四、原始数据五、设计工作量:1.设计说明书1份2.减速器装配图1张3.减速器零件图2~3张(输出轴、输出轴上齿轮)指导教师:开始日期:年月日完成日期:年月日机械设计课程设计任务书(四)姓名专业班级学号一、设计题目:传送设备的一级锥齿轮减速器二、系统简图:三、工作条件:单向运转,载荷平稳,起动载荷为名义载荷的倍,每天工作16小时,使用期限10年,输送链速度容许误差为±5%,输送链效率η。
四、原始数据五、设计工作量:1.设计说明书1份2.减速器装配图1张3.减速器零件图2~3张(输出轴、输出轴上齿轮)指导教师:开始日期:年月日完成日期:年月日机械设计课程设计任务书(五)姓名专业班级学号一、设计题目:带式运输机传动系统中的展开式二级圆柱齿轮减速器二、系统简图:联轴器减速器联轴器滚筒输送带三、工作条件:单向运转,有轻微振动,经常满载,空载起动,单班制工作,使用期限5年,输送带速度容许误差为±5%。
《机械基础》课程设计任务书一、设计的目的和要求(一)课程设计的目的机械设计课程设计是《机械基础》课堂理论学习的一个后续教学环节,其目的是:1.综合运用机械基础课程及其它先修课程的理论和生产实际知识进行机械设计训练,使理论和生产实际知识密切地结合起来,从而使这些知识得到进一步巩固、加深和扩展。
2.学习和掌握通用机械零件、机械传动装置或简单机械的一般设计方法,培养学生工程设计能力和分析问题、解决问题的能力。
3.对学生在计算、制图、运用设计资料(包括手册、标准和规范等)以及经验估算、考虑技术决策、机械CAD技术等机械设计方面的基本技能进行一次训练,以提高这些技能的水平。
(二)设计的要求机械设计课程设计的题目一律定为:带式输送机的传动装置采用方案为:单级斜齿圆柱齿轮减速器传动。
传动方案见旧教材P298图14-5(a),原始数据如下:工作条件:使用年限8年,工作为二班工作制,载荷平稳,环境清洁。
机械基础课程设计一般要求学生完成以下工作:1.减速器装配图一张(0号或1号图纸按1:1比例绘制)2.零件工作图若干张(传动零件、轴、具体由指导教师指定)3.设计计算说明书一份(要求用A4纸打印手写都可)。
二、设计的内容及步骤(一)设计内容1、传动方案的分析与拟定2、电动机的选择与传动装置运动和动力参数的计算3、传动件(如齿轮、带传动的设计)4、轴的设计(可选)5、轴承及其组合部件的设计6、键联接和联轴器的选择7、润滑设计8、箱体、机架及附件的设计9、装配图和零件图的设计与绘制10、设计计算说明书的编写(二)设计步骤以前述常规设计为例,课程设计可分为以下几个阶段进行。
1、设计准备(1)阅读和研究设计任务书,明确设计任务与要求;分析设计题目,了解原始数据和工作条件。
(2)通过参观(模型、实物、生产现场),看电视录像,参阅设计资料以及必要的调研等途径了解设计对象。
(3)参阅《机械设计课程设计》有关内容,明确并拟订设计过程和进度计划。
计算计算内容计算结果项目(一)、设计任务书(一)设计题目设计带式运输机的传动装置,其工作条件是:1.鼓轮直径D=420mm2.传送带运行速度v=0.9m/s3.鼓轮上的圆周力F=3.3KN4.工作年限10年每天8小时5.小批生产参考方案:电动机→V带传动→二级圆柱齿轮减速器→工作机(鼓轮带动运输带)图(1)传动方案示意图1——电动机 2——V带传动 3——展开式双级齿轮减速器4——链传动 5—连轴器 6——滚筒传送带(二)设计任务:设计一带式运输机的传动装置,按照给定的传动方案:1.选择适当的原动机2.设计计算传动零件(带、齿轮及选择联轴器)3.设计计算部分支承零件和连接件4.完成减速器设计装配图一张,零件图一张379(1)高速轴的设计k为齿轮与内壁的距离k=10mm c为保证滚动轴承放入想以内c=5mm 初取轴承宽度n1=20mm n2=24mm n3=24mma. 确定各轴段长度L1=20mmL2=15mmL3=45mmL4=126mmL5=20mmL6=36mmL7=48mm(带)则轴承跨距为L= L1+ L2+L3+L4+L5=20+15+45+126+20采用齿轮轴结构轴的材料采用45号钢调质处理轴的受力分析如图轴的受力分析简图,弯矩扭矩图轴的受力计算水平面受力计算垂直面的受力计算L AB=L=236mmL AC=n12+c+k+22.5=10+5+10+22.5L BC=L AB−L AC=236−47.5L BD=L6+L7=36+48a 计算齿轮的啮合力F t0=2000T0d∅=2000×30.7732F t1=2000T1d1=2000×47.5142.151F r1=F t1tanαcos18。
22ˊ52〞=2254.28tan20cos18。
22ˊ52〞F a1=F t1tanβ=2254.28×tan18。
22ˊ52〞b 求水平面内的支承反力,做水平面内的弯矩图R AX=F t1L BCL AB=2254.28188.5236R BX=F t1−R AX=2254.28−1800.56M CX=R AX L AC=1800.56×47.5c求轴在垂直面内的支反力,做垂直面的弯矩图R AY=F r1L BC−L BD F t0+F a1d12L AD=864.60×188.5−1923.13×84+749.07×42.R BY=F r1−R AY+F t0=864.60−72.97+1923.13M CY+=R AY L AC−F a1d12=72.97×47.5-749.07×42.1512L AC=47.5mmL BC=188.5mmL BD=84mmF t0=1923.13NF t1=864.60NF r1=2254.28NF a1=749.07NR AX=1800.56NR BX=453.72NM CX=85526.6N·mmR AY=72.97NR BY=2714.76NM CY+=-12320.95N·mm11M CY−=R BY L BC +F a1d 12+F t0L CD=2714.76×188.5+749.07×42.1512+1923.13×272.5M B =F a1d 12−F t0L BD =749.07×42.1512−1923.13×84 d 求支承反力,做轴的合成弯矩,转矩R A =√R AX 2+R AY 22=√1800.562+72.9722 R B =√R BX 2+R BY 22=√453.722+2714.7622M C+=√M CX 2+M CY+22=√.62+(−12320.95)2 M C−=√M CX 2+M CY−22=√.62+.212M B =-.90 N ·mm T= N ·mm 轴的初步计算 轴的材料为45号调质钢σb =650MPa,[σ−1]=58.7Mpa α=0.6 危险截面C 带入数据计算 d ≥√10√M 2+∂T 22[σ]3=√√.512+(0.6×)258.7根据经验公式 d e =(0.8~1.2)d m =(0.8~1.2)×32参考带轮标准轴孔直径,取减速器高速端的轴端直径d e =32mmb.确定各轴段直径d1=45mmd2=52mm (根据滚动轴承)d3=60mm(根据危险截面的最小直径)d4=52mmmmd5=45mmd6=38mmd7=32mm(3) 中间轴尺寸中速轴简图轴各段的大致长度轴的受力分析,弯矩,扭矩轴在各平面受力计算b.确定各轴段长度L1=39mmL2=45mmL3=10mmL4=111mmL5=39mm支承跨距为轴的受力分析如图LAB=L= L=2(c+k)+45+10+101+n2=2(5+10)+45+101+24LAC=c+k+45+242=5+10+45+242LBC= LAB- LAC=200-49.5LBD= c+k+101+242=5+10+101+242计算齿轮啮合力F t2=2000T2d2=2000×165.96151.423F r2=F t2tanαcosβ=2192.01tan20cos18。
《机械设计》课程设计任务书<一)一、设计题目带式输送机用减速器二、工作条件及设计要求带式输送机工作装置如1图所示,主要完成由输送带运送机器零、部件的工作。
该机室内工作,单向运转,工作有轻微振动。
两班制,要求使用期限十年。
输送带速度允许误差± 5 %。
在中小型机械厂小批量生产。
三、传动方案及原始技术参数 1、传动方案电机——联轴器——二级直齿圆柱齿轮减速器——链传动——输送机。
图1 传动方案图 2、原始技术参数设带式输送机滚筒轴上的阻力矩为T(N.m>,滚筒的转速n=60r /min 。
所有轴承均为滚动轴承。
四、设计内容及步骤课程设计的内容及步骤如下: 1.设计准备阅读有关设计资料,研究分析设计任务书,明确设计要求等。
主要包括传动方案的分析,原动机的选择;传动装置运动和动力参数的计二级直齿圆柱齿轮减速器输送带 滚筒链传动算确定。
2.各级传动零件的主体设计主要包括传动零件主要参数和尺寸的确定。
3.装配草图的设计绘制包括分析和选定主要机械部件的结构方案;初绘装配草图,进行轴的结构设计,校验轴和键的强度,计算轴承寿命。
进行传动零件的结构设计,轴承部件设计,箱体和箱上附属零件等的结构设计。
4.装配工作图的绘制和总成包括装配工作图的绘制;标注尺寸和配合;技术要求及技术特性的确定。
编写明细表和标题栏。
5.零件工作图的设计和绘制主要包括零件结构尺寸的设计、零件图的绘制;精度等级及技术要求的确定。
6.编写设计计算说明书7.总结和答辩六、设计工作量<每人)1.减速器装配图1张<A0);2.完成主要零件图两张;3.撰写设计说明书1份;《机械设计》课程设计任务书<二)一、设计题目带式输送机用减速器二、工作条件及设计要求带式输送机工作装置如图1所示,主要完成由输送带运送机器零、部件的工作。
该机室内工作,单向运转,工作有轻微振动。
两班制,要求使用期限十年。
输送带速度允许误差± 5 %。
机械课程设计任务书一、课程目标知识目标:1. 学生能理解并掌握机械设计的基本原理和概念,包括力学、材料力学、机械制图等基础知识。
2. 学生能够了解并描述常见的机械零件的结构、工作原理及其在工程中的应用。
3. 学生能够掌握机械设计的基本步骤和方法,包括需求分析、方案设计、详细设计和制图等。
技能目标:1. 学生能够运用机械设计软件(如AutoCAD等)进行简单的机械零件设计和制图。
2. 学生能够运用所学的机械原理和设计方法,解决简单的机械设计问题,具备初步的创新能力。
3. 学生能够通过小组合作,进行有效的沟通与协作,完成一个简单的机械设计项目。
情感态度价值观目标:1. 学生能够培养对机械工程的兴趣和热情,认识到机械设计在现代社会中的重要性。
2. 学生能够树立良好的工程意识和质量意识,注重细节,追求卓越。
3. 学生能够在团队合作中学会尊重他人、倾听意见,培养合作精神和解决问题的能力。
分析课程性质、学生特点和教学要求:本课程为机械课程设计任务,旨在让学生将所学的理论知识应用于实际设计中,提高其解决实际问题的能力。
学生为高中生,具有一定的物理和数学基础,但实践经验不足。
因此,教学要求注重实践操作,鼓励学生动手动脑,培养其创新意识和实际操作能力。
课程目标分解为具体的学习成果,以便后续的教学设计和评估。
二、教学内容1. 基本原理与概念:- 力学基础:力的合成与分解,牛顿运动定律。
- 材料力学:应力、应变、弹性模量,材料的力学性能。
- 机械制图:视图表达、尺寸标注、公差配合。
2. 常见机械零件:- 轴承与轴:类型、结构、工作原理。
- 传动系统:齿轮、皮带、链条的设计与计算。
- 连接件:螺纹连接、焊接、铆接。
3. 机械设计步骤与方法:- 需求分析:明确设计任务、确定设计要求。
- 方案设计:提出设计方案、进行方案评估。
- 详细设计:零件设计、装配设计、强度校核。
- 制图:绘制零件图、装配图。
4. 实践操作:- 机械设计软件应用:AutoCAD软件操作,绘制机械图纸。