1 DC-32型线路捣固车作业指导书
- 格式:doc
- 大小:77.00 KB
- 文档页数:8
DC-32k捣固车转场挂运作业指导书目次一、作业介绍 (2)二、转场挂运作业流程图 (3)三、作业程序、标准及示范 (4)1.转场挂运计划的提报及审核 (4)2.预班会 (5)3.挂运前设备整备 (5)4.转场挂运前检查 (11)5.核实挂运计划 (12)6.实施挂运 (12)7.挂运途中安全盯控 (13)8.挂运过程中的应急处理 (15)9.挂运应急处置预案 (17)10.挂运终到整备作业: (22)一、作业介绍适用范围:适用于成都工务大型养路机械运用检修段DC-32k型线路捣固车的作业人员。
人员要求:取得铁路岗位培训合格证书的作业人员。
作业要点:1.召开预班会,传达转场挂运区段及时间、设备整备要求、押运安排和各项安全预想等事项。
2.班前点名整队出发,检查着装、工具携带及安全防护用品佩戴情况。
3.按“三集中、一规定”要求上车整备,横越线路时做到“一站、二看、三确认、四通过”。
4.做好现场防护工作。
5.做好转场挂运前的设备检查工作。
6.做好转场押运监控工作。
7.转场挂运终到后做好设备恢复调试工作。
8.做好各项台账记录工作。
9.按“三集中、一规定”要求返回人员驻地,横越线路时做到“一站、二看、三确认、四通过”。
二、转场挂运作业流程图三、作业程序、标准及示范1.转场挂运计划的提报及审核1.1工区根据施工作业安排,须转场到下一个施工地点时,原则上在挂运实施前一日12:00前向车间调度提报次日转场挂运计划,经车间主管副主任以上人员审核并留下记录后报生产调度指挥中心。
计划内容包括:挂运线别、起始及终到站、编组顺序、挂运限速、挂运时限、挂运负责人(含电话)、安全注意事项等。
具体格式如下:×××工区挂运计划时间:××年××月××日挂运起点站:××线××站挂运终到站:××线××站经由××线、××线限××月××日××时后××站挂运;请求××月××日××时前到达××站。
DC-32线路捣固车保养指导书1目的规范DC-32型捣固车检查保养制度,确保设备处于良好状态。
2适用范围本指导书使用于DC-32型捣固车。
3 DC-32线路捣固车日常检查保养标准3.1要求DC-32型捣固车日常检查保养在每天作业前后由操作人员按规定项目进行并应做到“四勤”即勤清洗,勤检查,勤紧固,勤调整。
3.2说明各操作工在司机长统一分配下完成各自的日常检查保养内容,并填写《日常检查保养记录》,完毕后经过司机长验收合格方可。
3.3日常检查保养标准3.3.1柴油机的日常检查保养标准3.3.1.1检查发动机机油:发动机启动前,应至少检查一次机油。
新发动机或刚大修出厂的发动机每天应检查二次机油。
机油标尺刻有点刻度和线刻度两种,长期停放的发动机在启动前应按点刻度检查机油油面。
一般情况,发动机怠速运转1-2min,停车后等1-2min马上按线刻度检查油面。
油面仅达下刻度线时,则必须加油,以避免对发动机造成严重损伤。
3.3.1.2检查清洗空气滤清器。
空气中的灰尘,会引起发动机早期磨损。
经常检查、清洗空气滤清器,对延长发动机的寿命是很有意义的。
3.3.1.2.1集尘器的清理对于干式空气滤清器,应及时排出集尘器中的灰尘,决不允许集尘器集满一半以上的灰尘。
在含尘量很大的情况下,应每天清理集尘器。
在拆卸集尘器时,应将顶盖一同取下。
装配时,应注意盖和集尘器上的记号必须对准。
带排尘阀的滤清器可不进行这一保养,但必须经常清理排泄口。
3.3.1.2.2滤筒的保养滤筒的保养,只能根据保养指示器或按指示灯的显示进行。
只有在必要时才清洗或更换滤筒,不必频繁地拆装。
但滤筒使用一年后,或由于黑烟弄脏时,必须更换。
发动机冒黑烟,或功率下降,表明空气滤清器堵塞,这时应清洗滤筒。
滤筒每保养一遍,应在安全筒的规定区域做上记号。
滤筒保养五遍后,螺母和安全筒也须更换。
最多使用二年后,安全筒也必须更换。
换下来的安全筒不得清洗后再次用。
滤筒保养后,保养指示器马上又出现信号时,应更换安全筒。
四、程序及要领1.施工前准备作业1.1全面补充、均匀道砟,抬道量较大地段要略高于轨枕面并保持均匀。
1.2清挖板结道床、清筛枕盒不洁道床和边坡土(特别是道口范围内),处理道床翻浆冒泥。
1.3对平、纵断面不良地段进行测量,组织进行维修设计;曲线实际要素与设计曲线要素存在较大偏差时,必须提前用中央点法计算后进行荒拨道。
1.4工务段将技术交底于施工前一日移交给工机段施工队,主要有作业区段起始位置、曲线要素、线路坡道、桥梁、道口、无缝线路锁定轨温,明确车组分解、连挂位置、作业地段的长、短链情况,不能捣固地段等。
并填写绘制施工交底示意图(详见附件2)。
除施工交底示意图外,工务车间要提前一日向大机负责人提供准确的曲线资料,施工日计划必须提前与工机段负责人共同确认,确保方案可实施性。
1.5在轨枕上标记曲线要素(包括同步点)、起拨道量及需双夹实、二遍捣固位置。
DCL-32、DWL-48型大机标记在轨枕中心,DC-32大机标记在作业方向左侧轨枕斜坡。
1.6负责与相关配合部门确认电缆走向、埋深,督促设备管理单位对电容及其它影响施工的设备进行防护,督促其对影响捣固的装置拆除。
1.7撤除当日作业地段调高垫板,对撤垫板超过6mm以上的地段加强捣固,全面整正、更换损坏的缓冲胶垫。
1.8补充更换失效零配件,复紧螺栓扭矩,同步全面调整轨距;方正严重偏斜的轨枕,更换失效的轨枕。
1.9拆除地锚拉杆、桥梁护轨等影响捣固车捣固的轨道加强设备,更换减震夹板为普通夹板,拆除平过道步行板和平交道口铺面。
2.施工中作业2.1施工封锁及进路确认。
施工封锁后,施工负责人向相关配合单位负责人发布施工开始指令,捣固车司机经由岔区时瞭望确认进路(工务段指派人员跟车,进入封锁区间、返回站内时,协助进路确认,指定停车、分解、作业及连挂地点)。
2.2拆除影响捣固设备。
电务部门拆除道口预警设备、车辆部门拆除车辆设备。
2.3捣固车分解并到达指定作业地点。
捣固车进入封锁区间后,在施工防护人员显示的停车手信号前一度停车、分解,并分别到达指定作业地点。
DC-32k捣固车运行作业指导书目次一、作业介绍 (3)二、作业流程示意图 (4)三、作业程序、标准及示范 (5)1.检查走行线路图 (5)2.动车前检查 (6)3.值乘前检查--静态检查 (7)4.动态检查 (11)5.动态检查--三项设备检查 (12)6.试风试闸--撤除防溜 (13)7.试风试闸 (13)8.撤除防溜 (14)9.运行操纵 (15)10.区间摘挂车 (18)11.返回驻地 (19)一、作业介绍适用范围:适用于成都工务大型养路机械运用检修段DC-32k捣固车运行作业的作业人员。
人员要求:取得铁路岗位培训合格证书的作业人员。
作业要点:1.班前点名整队出发,检查着装、工具携带及安全防护用品佩戴情况。
2.按“三集中、一规定”要求上车整备,横越线路时做到“一站、二看、三确认、四通过”。
3.做好现场防护工作。
4.做好动车前设备检查工作。
5.做好三项设备的检查工作。
6.防溜设置的拆除。
7.做好车机联控。
8.按“三集中、一规定”要求返回人员驻地,横越线路时做到“一站、二看、三确认、四通过”。
二、作业流程示意图三、作业程序、标准及示范1.检查走行线路图1.1分工:一号位和四号位在后驾驶室,二号位、三号位在前驾驶室。
1.2按照分工对全车进行运行前的检查。
工班长对全车进行检查。
1.3施工负责人和现场包保干部对工区设备进行检查。
安全风险提示:1.按规定穿戴劳动保护用品。
2.做好邻线来车防护工作,及时提前避让。
3.夜间必须带好照明设备,确保人身安全。
2.动车前检查2.1.施工前召开预班会,明确需要施工加开的区间和各项安全预想。
预班会中必须明确当天加开的司机和副司机,并填入施工作业命令单2.2要按照事先规定好的路线集中到达作业车,按要求穿戴好劳动保护用品。
2.3进行班前点名,强调加开注意事项,进行班前每日一问。
2.4驻站防护必须提前上车站联系(加开运行一般需提前两小时请点加开,确保普速线路提前40分钟,高速线路提前1个小时到达请点登记站),并认真做好作业车邻线防护。
DCL-32K捣固车施工作业指导书目次一.作业介绍 (3)二.作业流程示意图 (4)三.作业程序、标准及示范 (5)1.总流程描述 (5)2.作业准备--作业转换 (6)3.作业准备--挂泵及系统建压 (7)4.作业准备--放ABCD点小车 (10)5.作业准备--放捣固小车 (11)6.作业准备--放起拨道装置 (12)7.作业准备--放捣固与夯拍装置 (13)8.作业准备--放抄平小车 (16)9.作业准备 (17)10.作业 (18)11.收车--收车前准备 (21)12.收车--起拨道装置复位锁闭 (22)13.收车--捣固与夯拍装置复位锁闭 (23)14.收车--捣固小车复位锁闭 (24)15.收车--ABCD及抄平小车复位锁闭 (25)16.ABCD及抄平小车复位 (25)17.ABCD及抄平小车锁闭 (26)18.收车--系统卸压 (27)19.收车--作业转换 (28)20.泵驱动齿轮箱脱挂 (28)21.收车--泵驱动齿轮箱脱挂 (29)一.作业介绍适用范围:适用于成都工务大型养路机械运用检修段DCL-32K施工作业的人员。
人员要求:取得铁路岗位培训合格证书的作业人员。
作业要点:1.召开预班会,传达转场挂运区段及时间、设备整备要求、押运安排和各项安全预想等事项。
2.班前点名整队出发,检查着装、工具携带及安全防护用品佩戴情况。
3.按“三集中、一规定”要求上车整备,横越线路时做到“一站、二看、三确认、四通过”。
4.做好现场防护工作。
5.做好动车前的设备检查工作。
6.接令进入封锁道岔区间。
7.线路捣固作业。
8.返回站内股道。
9.做好各项台账记录工作。
10.按“三集中、一规定”要求返回人员驻地,横越线路时做到“一站、二看、三确认、四通过”。
二.作业流程示意图三.作业程序、标准及示范1.总流程描述2.作业准备--作业转换作业标准:1、制动压力应为0.15Mpa至0.36Mpa。
2、各号位人员按分工下车解工作装置保险绳,解完后应通知当班班长。
DCL-32型捣固车故障处理作业指导书目的规范故障处理操作程序,确保线路顺利开通,减少施工延点时间。
2 适用范围本段使用的DCL-32型捣固车。
3 作业程序3.1机械化线路作业中,DCL-32型捣固车出现故障时,现场施工负责人要及时采取果断措施,以抢通线路为先决条件,尽可能地减少因故障处理而造成施工延点时间。
3.2 作业操作程序如下:3.2.1当捣固车的发动机“熄火”,或其他原因造成设备液压系统不能正常工作时,设备主操作手(1号位)要及时利用蓄能器的液压能提起捣固装置和起拨道装置并锁定;利用气动系统提起测量小车并锁定。
3.2.2 当提起过程失败或液压系统出现故障时:3.2.2.1 施工负责人要及时通知其它作业设备在恢复其作业段线路后,赶到故障设备处,协助处理故障设备。
并在设备故障地点按《技规》要求设置防护。
3.2.2.2 施工负责人要及时与车站值班员联系,预报设备故障处理点后可能延时情况,驻站联络员要与局有关部门联系,讲明情况,以便采取必要措施。
3.2.2.3施工负责人或其指定人员(各车为司机长)要统一指挥,对参与处理故障人员要明确分工,先行拆掉捣固装置升降油缸,夯实装置升降油缸,起拨道装置的起道油缸、夹轨油缸等的管接头。
3.2.2.4 采用下述方法提起上述装置:a) 采用手拉葫芦提起捣固装置、起拨道装置,并锁定。
详见《手拉葫芦提起作业装置紧急抢通操作程序》;b) 夯实装置采用人工提起,并锁定。
3.2.3 作业装置提起后应将故障捣固车牵引到离故障点不少于30m处停放。
另一台捣固车恢复线路,使之达到放行列车条件。
3.2.4 若两台捣固车同时出现故障时,施工负责人要及时通知工务段,请求协助恢复线路。
3.2.5 检查故障车各作业装置的锁定情况,撤离施工现场,返回就近车站,开通线路。
3.2.6 回驻地后,要及时清理污物,尤其是接头处的污物。
并报有关部门,排除设备故障。
3.2.7故障处理后,由处理人员及时填写《大型养路机械故障及处理情况记录》,由维修队按时填写《大型养路机械故障及处理情况月报》,报段设备主管部门。
DC-32捣固车二号位作业指导书可视化教材导演阐述
一、总述:
标准化、专业化、具体化——DC-32捣固车二号位作业指导书
二、线索:
镜头主线:记录人物(设定)人物和镜头拟人化(主观视角),告诉观看者正确的操作过程和操作标准,以及作业注意事项。
人物:DC-32捣固车二号位标准化作业演示人员。
三、呈现方式:通过实境操作画面语言,描述DC-32型捣固车二号位标准化作业,并通过演示人员的视角和传媒工作代表性“工具”
(如:摄影机、音频)等,演示现场实际操作过程,让观看者直观的了解整个操作流程。
四、影片风格:通过第三人称视角,配合作业指导书中对标准化作业的描述,对整个视频操作部分进行解读,画面直观真实,让观
看者有身临其境的感觉。
五、影片时长:约:8-10分钟
八、预算:无(设备由单位提供,演示人员由技术过硬的职工进行操作)
九、周期:3周。
线路捣固车作业指导书上海铁路局大型养路机械作业指导书1. 目的与要求 1.1 目的指导机械操作人员正确、安全的使用线路捣固车[(DWL-48k、DCL-32k、DC-32k、DCL-32x)以下简称线路捣固车]。
1.2 要求作业人员熟悉作业流程,执行作业标准,清楚岗位风险,熟练掌握线路捣固车的各项操作规程。
2. 适用范围2.1 本作业指导书规定了大型线路捣固车作业过程的安全风险控制、作业条件、作业程序及要求、应急处置。
2.2 本作业指导书适用于大型线路捣固车进行线路捣固作业。
3. 引用标准《铁路技术管理规程》、《行车组织规则》、《铁路工务安全规则》、《铁路线路修理规则》、《大型养路机械使用管理规则》、《上海铁路局营业线施工安全管理实施细则》、《上海铁路局轨道车运行控制设备(GYK)司机操作手册(试行)》、《上海铁路局200-250km/h客运专线分散自律调度集中行车组织办法》、《上海铁路局“问路式”、“指路式”调车作业办法》、《上海铁路局营业线施工、检修作业驻站安全防护办法》、《行车运行速度160km/h及以上区段作业人员安全防护措施》、《上海铁路局电气化铁路安全实施细则》。
4. 安全风险提示及控制(见表1)表1序号风险源作业安全风险提示及控制风险点 1. 作业装置锁定不到位;悬挂部件脱落;作业转换不到位。
2. 捣固作业遇红外线设备、信号机导线等障碍避让不当,损坏设备。
3. 捣镐装置对中限位故障,捣镐下插捣坏钢轨。
4.调车挤岔风险控制措施 1.建立作业装置锁定检查、确认、报告制度,作业后,各号位确认作业装置锁定到位并报告1号位,1号位得到地面号位确报并确认锁定指示灯显示正确后报告司机;司机得到报告后揭挂“作业装置经确认已锁定”揭示牌。
检查悬挂部件紧固件安全可靠,确认ZF、液压泵离合器、作业齿轮箱转换到位。
2.机下号位认真查看线路障碍,及时指挥1号位在障碍前停车对镐位,确认无误后指挥插镐;遇不能捣固的障碍,事先与施工主体单位联系,采取两头顺坡或按量起道由施工主体单位人工捣固的方法避让。
DC-32K线路捣固车施工作业指导书目次一、作业介绍 (2)二、施工作业流程图 (3)三、作业程序、标准及示范 (4)1.施工预班会 (4)2.班前点名 (4)3.集中到达机组 (5)4.驻站联络员设置 (6)5.作业前准备工作。
(7)6.施工作业 (12)7.收车作业 (14)8.全车检查,确认各工作装置锁定到位,保险链拴挂有效。
(18)一、作业介绍适用范围:适用于成都工务大型养路机械运用检修段DC-32k型线路捣固车的作业人员。
人员要求:取得铁路岗位培训合格证书的作业人员。
作业要点:1.召开预班会,传达施工作业区段及时间、任务人员安排和各项安全预想等事项。
2.班前点名整队出发,检查着装、工具携带及安全防护用品佩戴情况。
3.按“三集中、一规定”要求上车整备,横越线路时做到“一站、二看、三确认、四通过”。
4.做好现场防护工作。
5.做好动车前的设备检查工作。
6.接令进入封锁区间。
7.施工作业。
8.返回站内股道。
9.做好各项台账记录工作。
10.按“三集中、一规定”要求返回人员驻地,横越线路时做到“一站、二看、三确认、四通过”。
二、施工作业流程图三、作业程序、标准及示范1.施工预班会1.1由作业负责人组织全体当班管理人员参加,并做好相关会议记录和录音。
录音台头为:x年x月x日,x工区施工总结会(预班会),作业负责人:xxx。
1.2由作业负责人做好次日施工计划的安排与传达,明确次日调车计划、登(销)记站、计划封锁时间、封锁区间、封锁里程及各车作业安排、编组及摘挂车方案、班前点名时间等;明确作业人员及驻站联络员行走路线;明确次日施工作业命令单内容;开展班前安全预想,布置安全风险卡控重点;明确本务端司机和副司机。
1.3包保组(车间管理人员)做好施工总结会、预班会的督促和指导工作,确保施工总结会、预班会质量;并对工区制定的防范、整改措施进行把关,重要安全问题(隐患)报车间。
2.班前点名2.1配置有宿营车的工区,原则上在宿营车上进行点名,特殊情况,在宿营车外进行班前点名时(含无宿营车的工区),班前点名地点应选择远离邻线、地势平坦的安全区域;施工作业人员应着装整齐(必须穿印有本单位标准简称“成工机”的反光黄背心,作业负责人着装反光红背心)、夜间带有作用良好的照明灯具;由作业负责人统一带领全体施工作业人员按规定路线行走到大机机组,确保人身安全。
DCL-32捣固车作业指导书(株所网络版)
1.目的:
规定DCL-32捣固车运行、作业流程和技术要求,规范DCL-32捣固车的使用,执行作业标准,保证人身、设备安全和作业质量,提高作业效率。
2.编写依据:
2.1 《大型养路机械使用管理规则》(铁总运〔2015〕236号)
2.2 《DCL-32K 连续式双枕捣固车检修规则》(铁总运〔2013〕171号)
2.3 《DCL-32捣固车操作手册》
3. 适用范围:
本作业指导书适用于DCL-32K 捣固车(株所网络版)的运行和施工作业。
4. 号位职责
4.1 操作人员资质要求:
4.1.1作业司机必须持有《大型线路机械作业司机证》,按取得的岗位资质操作设备。
4.1.2 运行司机必须持有《铁路机车车辆驾驶证》(L1或L2类)。
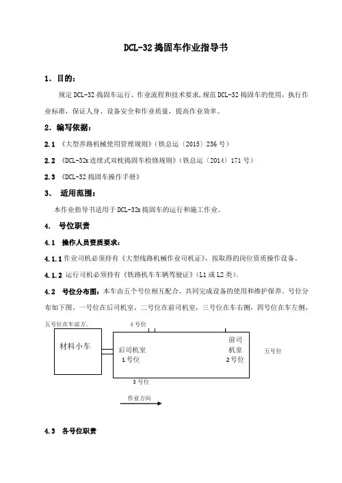
4.2 号位分布图:本车由五个号位相互配合,共同完成设备的使用和维护保养。
号位分布如下图。
一号位在后司机室,二号位在前司机室,三号位在车右侧,四号位在车左侧,五号位在车前方。
四号位
五号位
三号位
作业方向
4.3 各号位职责
4.3.1 一号位主要职责:在司机长指挥和其他号位人员的配合下,收、放工作装置及测量小。
DCL-32捣固车作业指导书
1.目的:
规定DCL-32捣固车运行、作业流程和技术要求,规范DCL-32捣固车的使用,执行作业标准,保证人身、设备安全和作业质量,提高作业效率。
2.编写依据:
2.1 《大型养路机械使用管理规则》(铁总运〔2015〕236号)
2.2 《DCL-32K连续式双枕捣固车检修规则》(铁总运〔2014〕171号)
2.3 《DCL-32捣固车操作手册》
3.适用范围:
本作业指导书适用于DCL-32K捣固车的运行和施工作业。
4.号位职责
4.1 操作人员资质要求:
4.1.1作业司机必须持有《大型线路机械作业司机证》,按取得的岗位资质操作设备。
4.1.2 运行司机必须持有《铁路机车车辆驾驶证》(L1或L2类)。
4.2 号位分布图:本车由五个号位相互配合,共同完成设备的使用和维护保养。
号位分布如下图。
一号位在后司机室,二号位在前司机室,三号位在车右侧,四号位在车左侧,
作业方向
4.3 各号位职责。
DC-32捣固车作业指导书
1.目的:
规定DC-32捣固车运行、作业流程和技术要求,规范DC-32捣固车的使用,执行作业标准,保证人身、设备安全和作业质量,提高作业效率。
2.编写依据:
2.1 《大型养路机械使用管理规则》(铁总运〔2015〕236号)
2.2 《DC-32连续式双枕捣固车检修规则》(铁总运〔2013〕167号)
2.3 《DC-32捣固车操作手册》
3.适用范围:
本作业指导书适用于DC-32捣固车的运行和施工作业。
4.号位职责
4.1 操作人员资质要求:
4.1.1作业司机必须持有《大型线路机械作业司机证》,按取得的岗位资质操作设备。
4.1.2 运行司机必须持有《铁路机车车辆驾驶证》(L1或L2类)。
4.2 号位分布图:本车由五个号位相互配合,共同完成设备的使用和维护保养。
号位分布如下图1。
一号位在后司机室,二号位在前司机室,三号位在车右侧,四号位在车左侧,五号位在车前方。
四号位
五号位
三号位作业方向
作业方向
图1 DC-32捣固车号位分布图。
大机DC-32捣固车岗位作业指导书大机施工DC-32捣固车岗位作业指导书大机施工DC-32捣固车岗位作业指导书目录一、岗位描述 (1)1.岗位职责 (1)2. 岗位资格基本要求 (2)3. 上岗资格要求 (2)4. 岗位分布图 (2)二、工作流程图 (3)三、作业场景 (4)1.施工前准备 (4)2. 施工作业 (6)3.施工结束 (22)4.日常保养 (24)四、常见问题处置 (29)五、附录 (37)附录一DC-32型捣固车整机技术参数 (32)附录二常用应急工具的使用方法 (33)附录三规章文电引用文件 (41)附录四关于本作业指导书的说明 (41)大机施工DC-32捣固车岗位作业指导书一、岗位描述DC-32捣固车设置6个号位,各号位在车长的统一指挥下,负责本岗位的操作,按计划完成现场线路捣固作业任务,确保作业安全。
1.岗位职责◆负责本车的操作安全,按计划完成作业任务◆负责本车的维修保养、一般故障处理◆严格执行劳动安全有关规定,正确佩带和使用劳动防护用品◆及时准确填写本岗位相关记录1大机DC-32捣固车岗位作业指导书2三号位四四号位 作业方向六号位 五号位大机施工DC-32捣固车岗位作业指导书二、工作流程图3大机DC-32捣固车岗位作业指导书三、作业场景1.施工前准备(1)班前休息:上岗作业前要充分休息,班前严禁饮酒。
未穿戴好劳保用品,夜间未穿有反光带的上道服(2)班前着装:岗前穿戴好劳保用品,按规定穿好上道服。
当天作业的安全措施不到位,岗位责任没落实(3)班前点名:施工前由车长组织班前点名会。
根据施工日计划,开展业务学习及安全预想,听取车长布置当日工作内容及安全重点事项。
4大机施工DC-32捣固车岗位作业指导书(4)运行前检查,由各号位检查对应的部位,车长最后复查。
一号位检查内容:①把手制动转到缓解位。
②检查确认捣固装置的锁定机构锁定到位;确认B7箱上的各作业装置锁定的红色指示灯全灭。
③确认B7箱上的作业风控制开关处于关闭状态(手柄处于下位)。
DC-32捣固车检修规则目录1.总则‥‥‥‥‥‥‥‥‥‥‥‥‥‥‥‥‥‥‥‥‥‥‥1 2.基本要求‥‥‥‥‥‥‥‥‥‥‥‥‥‥‥‥‥‥‥‥‥2 3.修理周期‥‥‥‥‥‥‥‥‥‥‥‥‥‥‥‥‥‥‥‥‥3 4.日常检查保养‥‥‥‥‥‥‥‥‥‥‥‥‥‥‥‥‥‥‥4 5.定期检查保养‥‥‥‥‥‥‥‥‥‥‥‥‥‥‥‥‥‥‥14 6.年修‥‥‥‥‥‥‥‥‥‥‥‥‥‥‥‥‥‥‥‥‥‥‥27 7.全面检修(总成大修)‥‥‥‥‥‥‥‥‥‥‥‥‥‥‥88 8.整车性能检查‥‥‥‥‥‥‥‥‥‥‥‥‥‥‥‥‥‥‥141 9.检修限度表‥‥‥‥‥‥‥‥‥‥‥‥‥‥‥‥‥‥‥‥142 10.附则‥‥‥‥‥‥‥‥‥‥‥‥‥‥‥‥‥‥‥‥‥‥1661.总则1.1DC-32捣固车为步进式双枕捣固车,可进行轨道拨道、起道抄平、道砟捣固和枕端夯实作业,可对钢轨两侧枕下道砟及轨枕两端道砟进行密实,以提高线路的精度和道床的横向阻力。
1.2为了规范DC-32捣固车的检修工作,保证检修质量,特制定本规则。
1.3DC-32捣固车的检修贯彻“预防为主,质量第一”的工作方针。
各运用单位应健全检修规章制度,加强技术管理,提高检修质量。
1.4DC-32捣固车实行检查保养、计划性修理和状态监测修理相结合的检修制度。
1.5各单位应创造条件,积极开展主要零部件和总成的轮换修及专业化集中修,缩短机械设备的在修时间。
在执行过程中应配备专业人员积极开展状态监测工作。
1.6本规则未做规定者,按国家和铁道部有关技术标准或产品设计要求执行。
1.7其它暂未制定检修规则的捣固车检修,可参照本规则执行。
2.基本要求2.1 DC-32捣固车的修程分为:日常检查保养、定期检查保养、年修、全面检修(总成大修)和整车厂修。
2.2 日常检查保养、定期检查保养、年修、状态监测由运用单位组织实施。
全面检修(总成大修)由运用单位或送取得认证资质的单位实施。
在检修过程中,施修人员应做好记录。
Q/KMTDCL-32型捣固车作业指导书昆明工务机械段发布Q/KMT 505/008—2012目次前言 (II)1 范围 (1)2 规范性引用文件 (1)3 作业流程 (1)4 作业条件 (1)5 作业程序及作业要求 (2)6 安全注意事项 (15)7 作业记录 (17)IQ/KMT 505/008—2012II前言本指导书由昆明工务机械段提出。
本指导书由昆明工务机械段机械设备科归口,并负责解释。
本指导书起草单位:昆明工务机械段。
本指导书主要起草人:侯明坤、李红宇、缪志欢、李春稳、闻红岗、范孝锴、李春、张力文。
本指导书为首次发布。
Q/KMT 505/008—2012 1DCL-32型捣固车作业指导书1 范围本指导书归纳了DCL-32型捣固车的运行、保养和安全注意事项。
本指导书适用于DCL-32型捣固车作业。
2 规范性引用文件TB/T2658 工务作业标准中华人民共和国铁道部 铁路技术管理规程(以下简称《技规》)中华人民共和国铁道部 铁路线路修理规则(以下简称《线路修规》)中华人民共和国铁道部 铁路工务安全规则(以下简称《工安规》)中华人民共和国铁道部 大型养路机械使用管理规则(以下简称《大管规》)昆明铁路局 行车组织规则(以下简称《行规》)3 作业流程→4 作业条件4.1 适用于50kg/m 、60kg/m 、75kg/m 型钢轨地段作业;适用于单线或线间距4m 及以上的复线于多线地段;作业线路曲线超高不得超过150mm ;线路最大坡度不得大于30‰;作业环境温度为-10℃~+50℃。
4.2 营业线捣固作业时,必须封锁线路。
封锁时间应满足《线路修规》有关规定(特殊情况下按相关规定办理)。
4.3 在有碴桥上,枕下道碴厚度不足150mm 时不能进行捣固作业。
4.4 运行地段的曲线半径不小于180m ;作业地段的曲线半径不小于250m 。
4.5 禁止在无碴轨道地段作业;混凝土宽枕地段禁止捣固作业。
4.6 不适于在道岔区段作业。
DCL-32捣固车操作规程1、操作者必须严格遵守有关安全制度,随时注意人身及设备安全。
2、工作前应严格按照有关规定进行检查保养润滑,保持油量适当,油路畅通。
3、运行前必须认真检查所有保护装置和锁定机构,并确认在可靠位置,尤其在长途运行前更应特别注意。
4、备齐所需防护自救备品,,长途挂运时至少有两名机组人员押运。
5、长距离运行时须有正副司机在前进方向的司机机室操作,运行中严格遵守有关行车制度,遇有道口、道岔和不良线路地段应减速通过,并鸣笛示意。
6、机械作业时应认真观察各部工作情况及各种仪表的显示状态,发现异常立即停机处理。
7、作业中随时注意各种障碍物,机组联合作业时,应定人指挥,前后距离不得小于10米。
8、正确地选择作业起始点,即拨道和抄平应选择在零点位置。
如作业起始点选择不对,将导致作业过程的累积误差。
9、保证适当的主机(大车)走行速度。
特别是在作业前线路误差较大地段作业时,更应注意。
因为在误差大的线路上作业,拨道和起道所需时间相应增长,如主机走行速度不适当地快了,将发生工作装置的起、拨道动作还未完全结束时,主机已碰到工作小车,操作手又进行下一个作业循环,致使该作业点留下误差。
这样作业下去,产生累积误差,以至作业后达不到验收标准。
10、保证足够的夹持时间。
正确的夹持时间应不小于“3”。
如低于“3”,则作业后的线路精度保持不住,易变形造成误差过大。
11、作业后全面检查、认真进行维修、保养,常保持机器完好、清洁。
12、机械进行检修时,应将发动机熄火,并断开电源。
13、禁止在机器上或机器附近使用明火。
14、禁止闲散人员接近机器、乱扳乱动,以免发生危险、损坏机器。
15、离开机器前要施加手制动、锁好车门、设好防护,根据需要设专人看守。
DC-32型线路捣固车作业指导书第一部分驾驶运行1.目的规范DC-32型捣固车运行驾驶作业程序,确保在运行驾驶作业中的人身.行车和设备操作安全。
2.适用范围适用于本段使用的DC-32型捣固车运行驾驶作业。
3.作业程序大型养路机械的操作者必须经考试合格,持有大型养路机械司机证方准进行操作,副司机只有在正司机的指导下方能驾驶运行。
运行前需要进行“三项设备”及ITCS检查:1、GYK自检,自检项目:信号自检、常用自检、紧急自检、键盘自检、提示音测试、并要检查GYK感应线圈安装是否牢固,车下紧急排风阀是否打开。
2、CIR出车前检查。
3、ITCS发车测试。
以上检查合格后才可检查以下项目。
3.1 运行前的检查(由运行司机完成)3.1.1柴油机a)检查柴油机油位在两点之间。
b)检查ZF、作业电源关闭,打开电瓶和发动机钥匙,锁定装置,两个驱动挂挡绿灯亮;发动机两个报警、机油压力报警、ZF压力报警、总风400kpa以下空压机红灯亮。
c)启动柴油机,倾听无异响。
d)机油压力表、缸温表、电流表、转速表显示正常;2箱的6各红灯灭,待总风压力超过400kpa时空压机红灯灭。
3.1.2车前检查a)车灯无缺失。
b)车钩表面无异常(为挂车)车钩表面无异常,钩舌销落槽(挂车),折角塞门打开(挂车)。
c)风管无异响,折角塞门关闭(未挂车)风管无异常,风管连接,折角塞门打开(挂车)3.1.3左前部检查a)前张紧小车左侧气锁到位.保险链挂好。
b)分配阀与列车管间塞门手柄在垂直位。
c)前转向架左侧闸瓦正常.制动架3个保险链正常。
d)地面无车上漏下的油污。
3.1.4 左侧中部检查a)起拨道装置左侧锁定正常。
b)拨道小车左侧锁定正常。
c)左侧捣固装置锁定正常。
d)左侧夯拍锁定正常。
e)后转向架左侧闸瓦正常,制动架三个保险链正常。
f)测量小车左侧锁定正常。
3.1.5车左后部检查a)主车与材料车连接风管无异常。
b)5轴左侧闸瓦正常,制动架两个保险链正常。
c)后张紧小车左侧锁定正常。
3.1.6车后检查a)车灯无缺失b)车钩表面无异常(未挂车)车钩表面无异常,钩舌销落槽(挂车)。
c)风管无异常,折角塞门关闭(未挂车)风管无异常,风管连接,折角塞门打开(挂车)。
3.1.7后驾驶室检查大闸置运转位,小闸置缓解位,ZF钥匙关闭。
3.1.8车右后部检查a)记录仪小车右侧锁定正常。
b)后张紧小车右侧锁定正常。
c)5轴右侧闸瓦正常,制动梁2个保险链正常。
3.1.9车右后部检查a)测量小车右侧锁定正常b)后转向架右侧闸瓦正常.制动梁3个保险链正常。
c)激光小车锁定正常d)右侧夯拍器锁定正常。
e)右侧捣固装置锁定正常。
f)拨道小车右侧锁定正常。
g)起拨道装置右侧锁定正常。
h)右侧排渣器锁定正常。
3.1.10车右前部检查a)前转向架右侧闸瓦正常,制动梁3个保险链正常。
b)前张紧小车右侧气锁到位,保险链挂号。
3.1.11前驾驶室a)等总风达600kpa以上,试风完毕,并实施制动。
b)撤铁鞋,松手制动。
c)人员到齐,确认调度命令,看信号开车3.2 运行操纵指导3.2.1 发动机的启动a) 合上电源总开关;b) 将发动机开关钥匙插到底(充电指示灯和油压指示灯应亮),鸣笛一长声示意启动机器。
拉起启动拉杆从1位到2位(天气较冷时在1位预热15~20s,在冬季低气温下预热1~2min,当预热指示灯发亮时,拉到2位)启动发动机。
发动机一经启动,应迅速放开启动拉杆。
连续启动时间不得超过10s,多次启动时,每次启动间隔应大于1min;c) 柴油机启动后,应平稳降速,使其中速运转,预热发动机;d) 在发动机运转过程中,应仔细观察各仪表,看显示是否正常(机油压力2~6bar.ZF 压力9~14bar.充电电流表指针指示在充电状态.充电电压表指针指示在24~28V等),如有异常现象和不正常声音,应立即停机检查和排除;e) 在发动机停机时,必须将发动机卸载.降至怠速后再按停机按钮。
非特殊情况下,不得从满负载工况突然停机。
3.2.2 制动系统试验用大小闸分别试风.试闸,确认良好后方可运行,试风条件如下:a)单独制动性能(大闸置运转位)全制动时,制动缸最高压力360Kpa,制动缸压力自0升到340Kpa小于4S,自360Kpa 缓解至35Kpa的时间不大于5S;b)自动制动性能(小闸置运转位)①均衡缸压力由0升至480Kpa为5~8s,自500Kpa降至360Kpa为5~8s ;②全制动时,制动缸压力由0升至最高压力340~380Kpa为8~9s,由最高压力缓解至35Kpa为5~8s ;③紧急制动时,列车管压力排零时间小于3s,制动缸压力由0升至最高压力(450±10)Kpa为6~9s;c) 本务机时要进行整列制动系统试验。
3.2.3 运行运行司机按“运行前检查”流程检查完毕后,执行下列项目3.2.3.1 单机运行a) 打开中继阀的列车管截断塞门(置A位,即推进位);b) 启动发动机。
检查主风缸压力.列车管压力.制动压力,是否在规定范围内(主风缸压力至少在600Kpa,以上,列车管压力500Kpa,全制动制动缸最高压力360Kpa;紧急制动制动缸最高压力450Kpa),把大.小闸置于正确位置,检查报警灯和气喇叭是否正常;c) 按要求进行试风;d) 打开变矩器开关,选择档位和驱动方向;e) 缓解空气制动并逐渐加速;f) 挂一档起步运行后,应继续平稳提高发动机转速。
从低档位换入高档位时,先将发动机转速升至1500r/min以上,待车速增至下一档位速度范围(一档:20km/h以下;二档:20~40km/h;三档:40km/h以上)时,再换入高一档位;g) 需要减速时,应先减油门,使发动机转速平稳降速至1500r/min以下,必要时施加空气制动,待车速降至下一档位速度范围(一档:20km/h以下;二档:20~40km/h;三档:40km/h以上)时,才能换入低一档位,使速度下降直至停车;h) 停稳后,将换档器置于空档位,关变矩器开关。
3.2.3.2 车组运行a) 多机连挂成一车组时必须连接风管,本务机试风.试闸,确认良好后方可运行;b) 作本务机时打开中继阀的列车管截断塞门,作补机时关闭中继阀的列车管截断塞门;c) 多台机械同时带动力运行时,本务机司机还应经常用对讲机与各动力车司机保持联系,通报前方情况和提出操作要求;d) 运行时,各机大小闸所放位置执行附表内容。
3.2.3.3 进入封锁区间运行a) 本务机司机必须根据调度命令要求运行;b) 多台机械同时带动力运行时,要求同3.2.3.2。
c) 单机续行时,注意续行速度(小于40Km/h).续行距离(大于300m)。
3.2.3.4运行注意事项:a) 动车前本务机司机.副司机必须两人共同确认行车凭证.信号.进路;b) 运行时司机、副司机厉行呼唤应答制度,严格执行“十六字令”,并严格执行《技规》.《行规》有关规定;c) 按规定使用无线调度电话进行车机联控,严禁与工作无关的通话;d) 运行时,本务机必须在运行方向的前司机室进行操作;e) 上坡道运行时,换档手柄必须置于低档位;下坡道运行时,不得在空档位滑行;f) 运行速度应与线路条件相匹配,过道岔和不良线路时应减速行驶;g) 变速手柄在各档位必须停留1秒钟以上再换档;h) 运行中,注意各种仪表显示是否正常(机油压力2~6bar.ZF压力9~14bar.ZF温度在80~110度等),发现异常立即停车检查,恢复后方可再次操纵;i) 遇到紧急情况时,才允许使用紧急制动;j) 捣固车在未停稳之前,不得改变换档手柄方向;k) 中间站停车时,司机.副司机应巡视作业车;l) 运行时按规定鸣笛:在鸣笛标.道口.施工地段.隧道前,要鸣一长声;进出站.曲线.桥梁.交会做到三鸣笛;m) 车组运行时本务机司机应与最后一位辅机司机核对列车管风表压力;n) 车组运行时本务机司机选择适当地点进行列车制动试验,掌握列车管贯通状态;o) 运行中到目的地需要减速制动时,必须提前400m进行制动试验;p) 进站停车必须严格控制速度,注意后部过标信号;q) 到达目的地后,发动机须怠速运转3min才可鸣笛停机。
第二部分 DC-32线路捣固车操作标准1.目的规范各号位操作手作业程序,保证作业质量.作业效率和人身.设备安全。
2.适用范围适用于本段线路维修捣固施工中的DC-32型捣固车作业。
号位分布图:三号位五号位作业方向→四号位3.一号位操作规程3.1 放车3.1.1车辆到达作业地点后,停车。
停机点泵直至二号位结合上三个作业泵后,重新启动发动机。
3.1.2 接通液压支撑,气动塞门。
3.1.3 按下列顺序关闭液压系统开关阀:a) 作业压力开关阀;b) 作业油路蓄能器开关阀;c) 高压油路开关阀;d) 高压油路蓄能器开关阀;e) 中间捣镐臂张开压力开关阀。
3.1.4 放B.C点检测小车(按提升-解锁-下降程序)3.1.5 放起拔道装置并闭合夹钳轮(按提升-解锁-下降程序,并根据3.四号位手势指挥使起拔道装置降于钢轨上)。
3.1.6 放枕端夯实器到作业位:全提升夯拍器;确认夯拍器已解锁完毕;鸣笛一长声,打开2X40开关;按下7X3E开关;最后踩1X10下降踏板即可。
3.1.7 放捣固装置到作业位:全提升捣固装置;解气锁;打开2X19开关至作业位;按下7X20开关;最后踩1X10下降踏板即可。
3.1.8 关闭振动开关阀。
3.1.9 观察作业装置指示灯,确认各装置到位。
3.1.10 张紧抄平弦.拔道弦。
3.1.11 打开7X2E起道总开关(起道总开关指示灯亮);打开夹钳脱轨指示开关7X2F。
3.1.12 根据二号位通知,选择基准股并打开预加载开关;确定超高股(超高指示灯亮)。
3.1.13 根据二号位通知,选择拨道系统作业方式(3点法或4点法,原则上使用4点法)。
3.1.14 选择捣固方式(手动.1X.2X);夹持时间(一般打到“4”即0.8s);下插深度(保证下插到位后镐头上沿距离枕木底下沿15mm,一般Ⅱ型枕370左右,Ⅲ型枕410左右);下插速度(根据道床板结程度选择)。
3.1.15 打开主、辅驱液压马达开关(指示灯亮),通知二号位“准备作业”。
3.1.16 根据二号位通知,开始作业。
3.2 作业3.2.1 起车顺坡时当拔道表回红区后方可打开拔道开关(指示灯亮)。
3.2.2 作业走行:选择前进-后退方向,踩走行踏板即可,松开即停车(后退时,必须鸣笛二长声,等候3秒种方可动车)。
3.2.3 捣固:根据选择好的捣固方式进行作业。
3.2.4 抄平:每捣固一次,确认抄平表回零,并调节“调0旋钮”或“抄平手柄”,使水平表回红区,方可进行下一步操作,保证作业质量。
3.2.5 拨道:每捣固一次,确认拨道表回红区方可进行下一步操作,根据需要可打开超压拨道或使用手动拨道。