西北角法:运筹学表上作业法初始基可行解的确定
- 格式:doc
- 大小:89.00 KB
- 文档页数:2
《运筹学》第三版(清华大学出版社)P79例1,表上作业法,运用西北角法确定初始基可行解。
西北角法是从西北角(左上角)格开始,在格内的右下角标上允许取得的最大数;然后按行(列)标下一格的数;若某行(列)的产量(销量)已满足,则把该行(列)的其他格划去;如此进行下去,直至得到一个基本可行解的方法。
西北角法的例子: P79例1从表1中可知,总的产量=总的销量,故产销是平衡的。
第一步:列出运价表和调运物资平衡表。
运用表上作业法时,首先要列出被调运物资的运价表和供需平衡表(简称平衡表),如表1,2所示。
第二步:编制初始调运方案。
首先在表2的西北角方格(即左上角方格,对应变量x11),尽可能取最大值:x11=min{3,7}=3将数值3填入该方格(见表3)。
由此可见x21,x31必须为0,即第一列其他各方格都不能取非零值,划去第一列。
在剩下的方格中,找出其西北角方格x12,x12=min{6,7-3}=4将4填入它所对应方格,第一行饱和,划去该行。
再找西北角方格x22,x22=min{6-4,4}=2将2填入x22所对应方格,于是第二列饱和,划去该列。
继续寻找西北方格为x23,x23=min{5,4-2}=2将2填入x23所对应方格,第二行饱和,划去该行。
剩下方格的西北角方格为x33,x33=min{5-2,9}=3将3填入x33所对应方格,第三列饱和,划去该列。
最后剩下x34方格,取x34 = 6。
这样我们就找到了m+n-1=3+5-1=7个基变量,它们为:x11 = 3,x12 = 4,x22 = 2,x23 = 2,x33 = 3,x34 = 6。
显然它们用折线连接后不形成闭回路。
这就是西北角法所找初始基可行解,所对应的目标值为:2×200+1×250+3×150+1×150+3×250+3×300+4×200=4000我们找到的初始基可行解可通过各行方格中数值之和是否等于产量,各列方格中数值之和是否等于销量来简单验证。
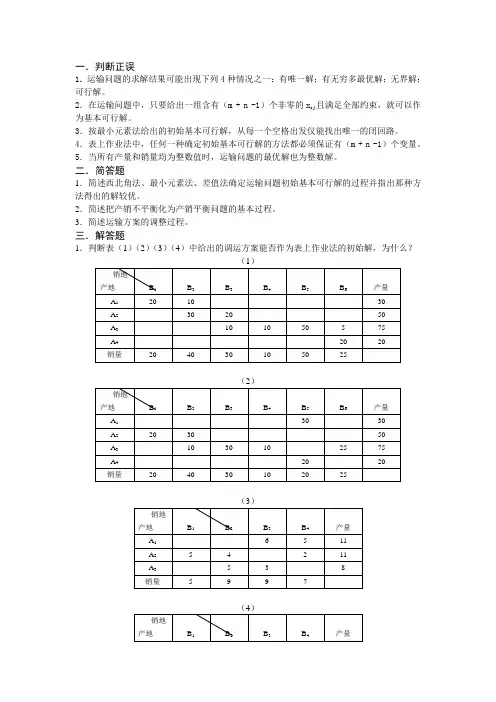
3.3试对、最小元素法、和vogel法进行比较,分析给出的解之质量不同的原因。
3.7试判断表3-30和表3-31中给出的调运方案可否作为表上作业法迭代时的基可行解?为什么?表3-313.11表3-36示出一个运输问题及它的一个解,试问:(1) 表中给出的解是否为最优解?请用位势法进行检验。
C由1变为3,所给的解是否仍为最优解?若不是,请求出最优解。
(2) 若价值系数24(3) 若所有价值系数均增加1,最优解是否改变?为什么?(4) 若所有价值系数均乘以2,最优解是否改变?为什么?4.2 利用图解法解下列目标规划问题:(1) min {}+++-+1323211),2(,d P d d P d Pst.⎪⎪⎭⎪⎪⎬⎫⎪⎪⎩⎪⎪⎨⎧=≥=-+=-+=-+++-+-+-+-3,2,10,,,40401502213322211121i d d x x d d x d d x d d x x i i (2) min {})5.1(,,),(4342312431---+++++d d P d P d P d d PSt.⎪⎪⎪⎭⎪⎪⎪⎬⎫⎪⎪⎪⎩⎪⎪⎪⎨⎧=≥=-+=-+=-++=-+++-+-+-+-+-4,3,2,10,,,1530100402144233122211121i d d x x d d x d d x d d x x d d x x i i4.3 用单纯形法解下列目标规划问题:(1) min {})35(,,),(2343322111++--+-++d d P d P d P d d Pst.⎪⎪⎭⎪⎪⎬⎫⎪⎪⎩⎪⎪⎨⎧=≥=-+=-+=-+++-+-+-+-3,2,10,,,1400325005800213322211121i d d x x d d x d d x d d x x i i (2) min {}+--+-+144332211),35(,,d P d d P d P d PSt.⎪⎪⎪⎭⎪⎪⎪⎬⎫⎪⎪⎪⎩⎪⎪⎪⎨⎧=≥=-+=-+=-++=-+++-+-+-+-+-4,3,2,10,,,457090802144233122211121i d d x x d d x d d x d d x x d d x x i i4.4对于目标规划问题min {})53(),35(,,3243234211++--+-++d d P d d P d P d PSt.⎪⎪⎪⎭⎪⎪⎪⎬⎫⎪⎪⎪⎩⎪⎪⎪⎨⎧=≥=-+=-+=-+=-+++-+-++-+-+-4,3,2,10,,,10457080214413322211121i d d x x d d d d d x d d x d d x x i i(1) 用单纯形法求问题的满意解;(2) 若目标函数变为min {}+++---++4432332211),53(),35(,d P d d P d d P d P则满意解有什么变化?(3) 分别对第二和第三优先级各目标权系数作灵敏度分析。
3.3试对、最小元素法、和vogel法进行比较,分析给出的解之质量不同的原因。
3.7试判断表3-30和表3-31中给出的调运方案可否作为表上作业法迭代时的基可行解?为什么?表3-313.11表3-36示出一个运输问题及它的一个解,试问:(1) 表中给出的解是否为最优解?请用位势法进行检验。
C由1变为3,所给的解是否仍为最优解?若不是,请求出最优解。
(2) 若价值系数24(3) 若所有价值系数均增加1,最优解是否改变?为什么?(4) 若所有价值系数均乘以2,最优解是否改变?为什么?4.2 利用图解法解下列目标规划问题:(1) min {}+++-+1323211),2(,d P d d P d Pst.⎪⎪⎭⎪⎪⎬⎫⎪⎪⎩⎪⎪⎨⎧=≥=-+=-+=-+++-+-+-+-3,2,10,,,40401502213322211121i d d x x d d x d d x d d x x i i (2) min {})5.1(,,),(4342312431---+++++d d P d P d P d d PSt.⎪⎪⎪⎭⎪⎪⎪⎬⎫⎪⎪⎪⎩⎪⎪⎪⎨⎧=≥=-+=-+=-++=-+++-+-+-+-+-4,3,2,10,,,1530100402144233122211121i d d x x d d x d d x d d x x d d x x i i4.3 用单纯形法解下列目标规划问题:(1) min {})35(,,),(2343322111++--+-++d d P d P d P d d Pst.⎪⎪⎭⎪⎪⎬⎫⎪⎪⎩⎪⎪⎨⎧=≥=-+=-+=-+++-+-+-+-3,2,10,,,1400325005800213322211121i d d x x d d x d d x d d x x i i (2) min {}+--+-+144332211),35(,,d P d d P d P d PSt.⎪⎪⎪⎭⎪⎪⎪⎬⎫⎪⎪⎪⎩⎪⎪⎪⎨⎧=≥=-+=-+=-++=-+++-+-+-+-+-4,3,2,10,,,457090802144233122211121i d d x x d d x d d x d d x x d d x x i i4.4对于目标规划问题min {})53(),35(,,3243234211++--+-++d d P d d P d P d PSt.⎪⎪⎪⎭⎪⎪⎪⎬⎫⎪⎪⎪⎩⎪⎪⎪⎨⎧=≥=-+=-+=-+=-+++-+-++-+-+-4,3,2,10,,,10457080214413322211121i d d x x d d d d d x d d x d d x x i i(1) 用单纯形法求问题的满意解;(2) 若目标函数变为min {}+++---++4432332211),53(),35(,d P d d P d d P d P则满意解有什么变化?(3) 分别对第二和第三优先级各目标权系数作灵敏度分析。
《运筹学》第三版(清华大学出版社)P79例1,表上作业法,运用西北角法确定初始基可行解。
西北角法是从西北角(左上角)格开始,在格内的右下角标上允许取得的最大数;然后按行(列)标下一格的数;若某行(列)的产量(销量)已满足,则把该行(列)的其他格划去;如此进行下去,直至得到一个基本可行解的方法。
西北角法的例子:P79例1
从表1中可知,总的产量=总的销量,故产销是平衡的。
第一步:列出运价表和调运物资平衡表。
运用表上作业法时,首先要列出被调运物资的运价表和供需平衡表(简称平衡表),如表1,2所示。
第二步:编制初始调运方案。
首先在表2的西北角方格(即左上角方格,对应变量x11),尽可能取最大值:
x
=min{3,7}=3
11
将数值3填入该方格(见表3)。
由此可见x21,x31必须为0,即第一列其他各方格都不能取非零值,划去第一列。
在剩下的方格中,找出其西北角方格x12,x
=min{6,7-3}=4
12
将4填入它所对应方格,第一行饱和,划去该行。
再找西北角方格x22,
x
=min{6-4,4}=2
22
将2填入x22所对应方格,于是第二列饱和,划去该列。
继续寻找西北方格为x23,
x
=min{5,4-2}=2
23
将2填入x23所对应方格,第二行饱和,划去该行。
剩下方格的西北角方格为x33,
x
3=min{5-2,9}=3
3
将3填入x33所对应方格,第三列饱和,划去该列。
最后剩下x34方格,取x34 = 6。
这样我们就找到了m+n-1=3+5-1=7个基变量,它们为:x11= 3,x12= 4,x22 = 2,x23 = 2,x33 = 3,x34 = 6。
显然它们用折线连接后不形成闭回路。
这就是西北角法所找初始基可行解,所对应的目标值为:
2×200+1×250+3×150+1×150+3×250+3×300+4×200=4000
我们找到的初始基可行解可通过各行方格中数值之和是否等于产量,各列方格中数值之和是否等于销量来简单验证。
利用西北角法找初始基可行解简单可行,但也存在问题。
例如在表3中可见c
= 4,单价高于该行其他各方格,最简单想法是单价小的情况下多运些货物,35
这样总运费会更小些,最小元素法就改进了西北角法的缺点。