三相数显电流表的技术参数
- 格式:doc
- 大小:15.00 KB
- 文档页数:1
数显三相电流电压表使用说明书一、概述
该产品是采用单片机设计而成的最新产品,具有以下特点:
1、正四位显示,0-9999
2、高位AD转换,精度高。
3、单片机设计,抗干扰性能强
4、具有多项菜单编程,可灵活操作
5、量程准确,性能可靠
6、功能扩展方便,可扩展报警输出口及可编程单元。
二、通用技术指标
1、工作电源:AC220V±10% 50/60HZ
2、功耗:<3W
3、精度:RMS测量0.5%级
4、工作环境:-10℃-50℃
5、储存环境:-20℃-75℃
6、绝缘:大于5MΩ
三、编程说明(仅用于可编程报警单元)
四.产品外型,安装尺寸及接线端子
五、保修期限
仪表自出厂日起,在用户遵守说明书规定要求,且制造厂铅封仍完整的条件下,若发现仪表不符合技术条件所规定的要求时,公司给予一年包修。
单相数显电流表产品名称:单相数显电流表型号系列:B600-AC1-1A1本表功能:测量并显示单相电流可集成功能:RS485通讯,报警功能,4-20ma输出,可编程1、概述B600数显电流表适用于电力电网、自动化控制等领域,用于监测单相电流参量。
产品具有常规测量显示功能,可集成编程功能、DC4~20mA模拟量输出、RS485串行口和开关量输出等功能,可以实现与监控系统的联网或数据的远程传输等功能。
仪表采用LED数码管显示形式,具有精度高,电磁兼容性好,性价比高,是电气配套商、工程总包和“甲方”单位值得醒信赖的电工产品。
2、通用技术参数3、数显电流表主要外形及开孔尺寸4、订货须知订购请标明仪表完整型号及数量,工作电源及额定输入参数,若为简易型数显仪表,还需提供CT或PT变比。
例如:B600-AC6-3V2三相交流电压表2只,工作电源:AC220V,输入:5A ;B600-AC6-3A2三相交流电流表2只,工作电源:AC220V,输入:5A ;B600-AC1-1A1D单相交流电流表2只,工作电源:AC220V,输入:5A ,CT变比100/5 ;B600-AC6-3AV1三相交流电流电压组合表2只,工作电源:AC220V,输入:5A/380V ;B600-AC1-1Y2功率因数表2只,工作电源:AC220V,输入:5A/100V ;B600-DC5-1A1直流电流表2只,工作电源:AC220V,输入:4-20mA,显示0-50Hz。
三相数显电流表产品名称:三相数显电流表型号系列:B600-AC6-3A1本表功能:测量并显示单相电流可集成功能:RS485通讯,报警功能,4-2ma输出,可编程名称三相交流电流表型号B600-AC6-3A3主要功能测量并显示单相交流电流值,CT变比可设可集成功能带一路开出(报警),RS485通讯,带4~20mA输出显示方式数码管显示标准输入5A/1A精确度0.5级正常工作温度-15~55摄氏度外形尺寸96*96*102开孔尺寸92*92该系列其他尺寸111*111 67*67 45*451、概述B600利亿达数显电流表适用于电力电网、自动化控制等领域,用于监测单相电流参量。
使用说明书三相数显电压、电流表使用说明书安装、使用产品前,请阅读使用说明书一、技术参数1.1 测量范围1.1.1 三相数显电压表直接测量:AC0~600V外附装置:AC0~9999KV(外附 */100V电压互感器)1.1.2 三相数显电流表直接测量:AC0~10A外附装置:AC0~9999A(外附 */1A、5A电流互感器)1.2 准确度:±0.5%FS±1个字1.3 采样速率:约1次/s1.4 显示方式:三排四位LED数码管有效值显示1.5 显示分辨力:末位数一个字1.6 输入回路功率:每相<0.5VA1.7 供电电源:AC 220V±10%,50/60Hz(其他值时请在订货时说明)1.8 供电电源功耗:<3VA1.9溢出指示:显示字符“HHHH”1.10 报警输出:上下限报警采用两组继电器输出,触点容量AC250V/2A,DC30V/2A1.11变送输出:可设置为DC0~20mA或DC4~20mA,准确度±0.5%FS,与信号输入及供电电源端口之间电气隔离1.12 变送输出负载电阻:≤500Ω1.13通讯接口:RS485串行通讯,采用MODBUS_RTU1.14 工作环境:温度 -10~50°C,湿度≤85%RH的无腐蚀性气体场合注:通讯输出、报警输出、变送输出为附加功能,订货时用户须加以说明。
二、安装与接线仪表外形面框尺寸壳体尺寸安装开孔尺寸120×120方形96×96方形80×80方形72×72方形48×48方形1201209696808072724848宽高深宽宽高高1101109090747466664444939393938311111192927676686845452.1 安装开孔尺寸(单位:mm)2.2 安装方法根据仪表尺寸在上表中选择对应的安装开孔尺寸,在安装屏上开一个孔,将仪表嵌入孔内,四个夹持件放入仪表壳体的夹持槽内,用手推紧即可。
用户手册JCYJ-96A3Y型液晶显示三相电流表扬州金派诺电气有限公司二零一六年第一版目录一、产品简介 (2)二、技术参数 (2)三、安装 (2)3.1 产品外形尺寸 (2)3.2 安装方法 (3)3.3 接线 (3)3.4 辅助电源 (3)3.5 输入信号 (4)四、操作与使用 (4)4.1 屏幕显示说明 (5)4.2 参数设置 (5)显示界面一、简介JCYJ-96A3Y 型液晶显示三相电流表采用最现代的微处理器和数字信号处理技术设计而成。
集合全面的三相电流测量/显示、电力品质分析、数字输入/输出与网络通讯于一身。
大屏幕、高清晰液晶显示。
可作为仪表单独使用,取代大量传统的模拟仪表,亦可作为电力监控系统(SCADA )之前端元件,用以实现远程数据采集与控制。
JCYJ-96A3Y 型液晶显示三相电流表虽然是以测量为主的仪表,但它还附带了丰富、灵活的I/O 功能,主要应用于变配电自动化、智能型开关盘柜、业自动化、智能建筑能源管理系统等。
二、技术参数三、安装3.1 产品外形尺寸3.2 安装方法1、在需要安装仪表的盘上,开一91mm ×91mm 的方孔;2、将仪表取出后去掉四角的安装夹子,把上边的3芯或4芯端子拔掉,然后从前插入到仪表孔中;3、把四支安装卡子分别从后部顺着仪表四边的沟槽装上,并向前推紧卡子;再把去掉的3芯或4芯端子按原方向插紧即可。
4、电流互感器的选择:仪表电流测量范围是的AC-0-5A(市场仪表标准), 例如客户您需要测量电流范围是AC 0-100A ,那只需要购买100/5的电流互感器就可以了,原理是:由您的电流输入端输入AC 0-100A,经过电流互感器缩小(100/5=20)倍, 然后经过仪表的电流就是AC 0-5A了,仪表内部可以设置电流变比CT 为20,就是放大20倍,这样就把实际输入的电流给还原显示了。
100A -- 100/5 --- 5A --- 5* 20 ---100A。
三相电能表规格1. 介绍三相电能表是一种用于测量三相交流电能消耗的仪器。
它广泛应用于工业、商业和家庭领域,用于计量电能的使用和管理。
三相电能表的规格是指其技术参数和功能特点,决定了其适用的场景和使用方式。
2. 技术参数三相电能表的技术参数包括额定电流、额定电压、频率、准确度等。
以下是一些常见的技术参数:•额定电流:指电能表能够正常工作的最大电流值。
通常以安培(A)为单位,如5A、10A等。
•额定电压:指电能表能够正常工作的电压范围。
通常以伏特(V)为单位,如220V、380V等。
•频率:指电能表适用的电源频率范围。
通常为50Hz或60Hz。
•准确度:指电能表测量结果与真实值之间的误差范围。
常见的准确度等级有1.0级、0.5级、0.2级等,准确度等级越高,误差范围越小。
3. 功能特点三相电能表的功能特点直接影响着其适用场景和使用方式。
以下是一些常见的功能特点:•电能计量:三相电能表能够准确测量三相电网中的有功电能和无功电能,用于计量电能消耗。
•通信功能:现代三相电能表通常具有通信接口,可以与上位机或远程监控系统进行数据通信,实现远程抄表和监控功能。
•防作弊功能:为了防止电能盗窃和作弊行为,三相电能表通常具有防抄表、防磁干扰、防拆卸等功能。
•负荷控制功能:有些三相电能表具有负荷控制功能,可以根据设定的负荷阈值进行负荷控制,以避免过载或过流。
•多功能显示:三相电能表通常具有液晶显示屏,可以显示电能消耗、功率因数、电压、电流等信息。
4. 安装要求安装三相电能表需要满足一些要求,以确保其正常工作和使用安全。
以下是一些常见的安装要求:•安装位置:三相电能表应安装在干燥、通风良好的位置,远离高温、潮湿和腐蚀性气体。
•安装方式:三相电能表通常采用壁挂式安装,安装时应保证安装牢固、水平稳定。
•连接方式:三相电能表的接线应符合电气安全标准,确保接地可靠、线路连接正确。
•额定电流:安装时应根据实际负载情况选择合适的额定电流,以确保电能表的正常工作。
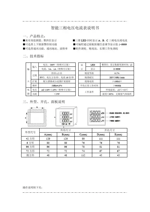
智能三相电压电流表说明书一、产品特点:■真有效值测量、整四位显示■三排LED同时显示A、B、C三相电压或电流■可选带上下限报警控制功能■可编程通过面板按键任意调节显示值1~9999 ■可选带通讯功能、通讯地址、波特率■软件调校、精度高、长期工作免调校二、技术指标输入输入电压:500V(特殊可订做)显示LED 整四位,显示数据更新时间:1S 电流:5A、1A(特殊可订做)显示0~9999过载持续1.2倍精度等级0.5% 瞬时:电压2倍/秒、电流10倍/秒隔离耐压2KV/50Hz/1min扩展配互感器或分流器扩展量程绝缘电阻≥100MΩ频率50Hz±10% 平均正常工作时间≥9000h电源电压AC 220V±10%(特殊可订做)工作条件环境温度:-25℃~55℃功耗≤3W 湿度≤93% 无腐蚀气体场所三、外型、开孔、面板说明外型代号外形尺寸开孔尺寸A(mm) B(mm)C(mm) D(mm) E(mm)42方形120 120 80 111 111 6方形80 80 76 76 76 96方形96 96 78 81 81 72方形72 72 74 67 67 微方形48 48 112 45 45操作说明转下页:四、操作说明注:按键大于6秒钟,进入编程菜单。
设定数值大小。
接线示意图转下页:显示值:(0~9999) 键设定其数值数值意义如下: =5 (AC 5A ) =100(AC 100A/5A ) =300 (AC300A/5A ) =2000(AC2000A/5) 依次类推…… 标称值:5A 、10V 、500V (特殊可订做) 例:现将数值由5改为300。
(AC5A 改为 AC300A/5A ) 注:电流以5A 为基准 按 键 进入下一菜单 报警设置:(0~9999)键设定其数值数值意义如下:=上限报警 显示值≥HALr 时, 上限继电器报警=下限报警 显示值≤LALr 时, 下限继电器报警现将其设定为:0 (此项为扩展功能, 订货需注明)。
三相交流电流表产品说明:1、概述B600-AC6-3A 三相交流电流表适用于电力电网、自动化控制等领域,用于监测电流参量。
三相交流电流表分为简易型及智能型二类,其中简易型为只具有常规测量显示功能,智能型为具有可编程功能、DC4~20mA模拟量输出、RS485串行口和开关量输出等功能,可以实现与监控系统的联网或数据的远程传输等功能。
三相交流电流表采用LED数码管显示形式,具有精度高,电磁兼容性好,外形美观等特点。
2、通用技术参数项目指标精度等级0.5级,频率0.2级显示位数四位,另加符号位输入标称输入交流:电流1A、5A;电压100V、220V、400V直流:0~20mA ;4~20mA ;0-5A;5A以上配分流器输入;0~10V过量程持续:1.2倍,瞬时;电流10倍/5秒,电压2倍/1秒频率50Hz±10%输出信号DC4~20mA或RS-485或无源继电器接点三相数显电流表工作电源AC ( 85~265)V或DC ( 100~275)V 三相数显电流表功耗﹤5VA绝缘强度2kV,1分钟(试验电压为交流有效值) 绝缘电阻≧100MΩ平均无故障工作时间≧60000小时三相数显电流表工作条件环境温度:-25℃~55℃,相对湿度≤95%,无腐蚀气体场所海拔高度≦2500米模拟量输出DC4~20mA,负载能力≤500Ω数字输出RS485输出,Modbus–RTU协议报警输出常开接点输出,250V AC/30V DC,5A 3、外形及开孔尺寸三相交流电流表外观型号三相交流电流表形代号数显电流表面框尺寸(mm)屏装配合尺寸(mm)数显电流表开孔尺寸(mm)总长(mm) 备注16槽形 1 158*78 150*70 151*71 14242方形 2 120*120 110*110 111*111 105 6方形 3 72*72 66*66 67*67 105 5槽形 5 96*48 90*42 91*45 86 9方形 6 96*96 90*90 92*92 102 微方形7 48*48 44*44 45*45 954、B600系列简易型三相交流电流表规格型号及价格一览表:序号产品名称型号规格出厂价(元) 主要功能及参数外形尺寸(mm)开孔尺寸(mm)1 三相交流电流表B600-AC2-3A1D365测量并显示三相电流,标称输入:5A/1A,电源:AC/DC220V120*120*105111*1112 三相交流电流表B600-AC3-3A1D280测量并显示三相电流,标称输入:5A/1A,电源:AC/DC220V72*72*105 67*673 三相交流电流表B600-AC2-3V1D365测量并显示三相电压,标称输入:100V/220V/380V,电源:AC/DC220V120*120*105111*1114 三相交流电流表B600-AC3-3V1D280测量并显示三相电压,标称输入:100V/220V/380V,电源:AC/DC220V72*72*105 67*675、订货须知订购时请标明仪表完整型号及数量,工作电源及额定输入参数,若为简易型数显仪表,还需提供CT或PT变比。
三相数显多功能电力仪表说明书本说明书介绍了三相数显多功能电力仪表的使用方法和注意事项,包括仪表结构、电气接线、参数设置、操作方法、故障排除等内容。
本仪表具有多项功能,包括电能测量、电流、电压、功率因数等。
该仪表适用于各种工业场所,如厂房、机房、实验室等。
一、仪表结构三相数显多功能电力仪表由显示模块、测量模块、通讯模块、供电模块等组成。
其中显示模块用于显示各项电参数,测量模块用于采集电参数,通讯模块用于与其他系统通讯,供电模块用于对仪表进行供电。
二、电气接线1、电气参数电压:AC220V/380V,50Hz2、电气接线将电源线L、N分别接入L、N位置,将U、V、W相线分别接入U、V、W位置即可。
三、参数设置该仪表具有一些参数需要设置,包括电流比例系数、电压比例系数、校准系数、尖峰平谷电价等。
在设置参数时需要按照说明书的要求进行设置,以保证参数的准确性。
设置完成后,按一下“确认”键即可保存。
四、操作方法该仪表操作简单,只需按照以下步骤进行即可:1、按“启动”键,仪表开始工作。
2、按“参数设置”键,进入参数设置界面。
3、按“确认”键,保存设置好的参数。
4、按“电能测量”键,进入电能测量界面。
5、按“数据查询”键,查询当前电参数。
五、故障排除在使用过程中,如果出现故障,可以按照以下方法进行排除:1、检查电源是否正常,确保电源接线正确。
2、检查电流、电压是否正常,如果不正常需要更换相应的元件。
3、检查是否有误操作,如有需要按操作说明进行操作。
以上为三相数显多功能电力仪表的说明书,如有需要请按说明操作。
PMAC625/PMAC625H 三相交流智能数显仪表说明书Installation & Operation ManualV2.0安全注意事项危险和警告⏹本设备只能由专业人士进行安装。
⏹对于因不遵守本手册的说明而引起的故障,厂家将不承担任何责任。
触电、燃烧或爆炸的危险⏹设备只能由取得资格的工作人员才能进行安装和维护。
⏹对设备进行任何操作前,应隔离电压输入和电源供应,并且短路所有电流互感器的二次绕组。
⏹要用一个合适的电压检测设备来确认电压已切断。
⏹在将设备通电前,应将所有的机械部件,门和盖子恢复原位。
⏹设备在使用中应提供正确的额定电压。
不注意这些预防措施可能会引起严重伤害。
目 录一、PMAC625/PMAC625H技术规格参数 (5)二、PMAC625/PMAC625H外形和安装尺寸 (7)三、PMAC625低压三相交流智能数显仪表订货说明 (8)四、PMAC625H高压三相交流智能数显仪表订货说明 (9)五.PMAC25低压三相交流智能数显仪表型号列表 (10)六.PMAC625H高压三相交流智能数显仪表型号列表 (12)五、PMAC625/PMAC625H显示及按键操作说明 (13)六、通讯协议 (19)七、附录 (24)1. PMAC625/PMAC625H端子定义 (24)2. PMAC625/PMAC625H典型接线图 (25)概 述PMAC625/PMAC625H三相交流智能数显仪表, 广泛适用于各行业供配电场所、能源管理、自动化以及智能化网络监控系统等。
PMAC625系列仪表适用于220/380V低压系统,PMAC625H系列仪表适用于6KV(含6KV)以上高压系统。
产品提供电压、电流、有功功率、无功功率、功率因数、频率、有功电度、无功电度等电参数的组合测量,扩展两路外部有源开关量输入与控制开关动作的两路继电器报警输出功能,通过RS485/MODBUS总线通讯,对仪表进行组网管理,实现自动控制。
三相三线和三相四线电能表参数
三相三线和三相四线电能表是用于测量三相电能消耗的仪表。
它们有一些共同的参数,也有一些不同之处。
首先,让我们来看看三相三线电能表的参数。
三相三线电能表通常用于工业和商业场所,其参数包括额定电压、额定电流、额定频率、有功电能常数和无功电能常数。
额定电压通常为220V或
380V,额定电流根据具体需求可以是5A、10A、20A等。
额定频率一般为50Hz。
有功电能常数和无功电能常数是电能表的重要参数,它们用于将电能表转换为实际消耗的电能值。
接下来是三相四线电能表的参数。
三相四线电能表通常用于工业和大型商业建筑,其参数除了包括三相三线电能表的参数外,还包括额定电压和额定电流的额外参数。
由于三相四线系统包括三相电压和一个中性线,因此额定电压通常为220/380V。
额定电流也可以根据具体需求进行选择。
无论是三相三线还是三相四线电能表,其参数都需要根据具体的用电环境和需求进行选择。
在安装和使用这些电能表时,需要严格按照规定进行接线和校准,以确保准确测量电能消耗。
同时,定
期的维护和检查也是确保电能表正常运行的重要步骤。
总的来说,三相三线和三相四线电能表在参数上有一些差异,但它们都是用于测量三相电能消耗的重要仪表,能够为工业和商业用户提供准确的电能消耗数据。
三相电流表说明书
三相电流表是一种用于测量三相电流的仪器。
它通常由一个显示屏和一组电流传感器组成。
以下是三相电流表的说明书:
1. 仪器概述:三相电流表是一种用于测量三相电流的仪器,适用于工业和家庭用电等领域。
2. 仪器特点:
- 采用数字显示屏,直观清晰。
- 采用非接触式电流传感器,安全可靠。
- 支持多种电流测量范围,满足不同需求。
- 具有过载保护功能,保护仪器和被测电路。
3. 技术参数:
- 电流测量范围:0-100A、0-200A、0-400A等(根据具体型号而定)。
- 分辨率:0.1A。
- 电源:内置电池供电。
- 工作温度:-10℃至50℃。
- 相对湿度:≤80%RH。
4. 使用方法:
- 将电流传感器夹在被测电路的一根导线上。
- 打开电流表的电源开关。
- 读取显示屏上的电流数值。
5. 注意事项:
- 在使用过程中,避免将电流传感器暴露在高温、潮湿或腐蚀性环境中。
- 在测量前,请确保电流表的电源充足。
- 在测量过程中,避免将电流表暴露在强磁场或强电场中,以免影响测量精度。
以上是三相电流表的简要说明书,具体的使用方法和注意事项可以根据具体型号的说明书进行参考。
数显三相电流电压表使用说明书一、概述该产品是采用单片机设计而成的最新产品,具有以下特点:1、正四位显示,0-99992、高位AD转换,精度高。
3、单片机设计,抗干扰性能强4、具有多项菜单编程,可灵活操作5、量程准确,性能可靠6、功能扩展方便,可扩展报警输出口及可编程单元。
二、通用技术指标1、工作电源:AC220V±10% 50/60HZ2、功耗:<1.5W3、精度:RMS测量0.5%级4、工作环境:-10℃-50℃5、储存环境:-20℃-75℃6、绝缘:大于5MΩ三、按键说明●SET 键:功能选择键●键:移位键●▲键:数据键四、显示说明●电流表显示方式说明:-当显示值 < 10A时,显示三位小数,即:X.XXX A-当10A ≤显示值 < 100A时,显示二位小数,即:XX.XX A-当100A ≤显示值 < 1000A时,显示一位小数,即:XXX.X A-当1000A ≤显示值 < 10000A时,不显示小数位,即:XXXX A-当显示值≥10000A时,KA指示灯点亮,显示为:XX.XX KA●电压表显示方式说明:-当显示值 < 1KV时,显示一位小数,即:XXX.X V-当1KV ≤显示值 < 10KV时,不显示小数位,即:XXXX V-当10KV ≤显示值 < 100KV时,KV指示灯点亮,显示为:XX.XX KV-当100KV ≤显示值 < 1000KV时,KV指示灯点亮,显示为:XXX.X KV-当显示值≥1000KV时,KA指示灯点亮,显示为:XXXX KV五、参数设置.5.1 持续按下SET 键超过3秒,进入编程密码校验程序:(初始密码为“1234”)●数码管显示“――――”,按任意键,数码管闪烁显示“0000”。
●操作按键,依次输入密码:键:由左至右选择闪烁位▲键:从0~9改变闪烁位的数值。
SET 键:确认数据,校验已输入的密码值。
三相多功能电力仪表使用手册(适用于72 、80、96、120尺寸的单相电流表、单相电压表、三相电流表、三相电压表、多功能表)(液晶显示型)VER2.2 2022.11.25更新一、功能介绍● 测量功能电压测量:可直接测量或通过PT 测量三相相电压或线电压值,显示量程为999999V (测量范围10-450v )。
电流测量:可直接测量或通过CT 测量三相电流值,显示量程为9999A (测量范围0.005A-6A )。
有功功率:可测量三相总有功功率和分相(不含三相三)的有功功率,有符号位。
无功功率:可测量三相总无功功率和分相(不含三相三)的无功功率,有符号位。
功率因数:可测量三相总的功率因数和分相的功率因数,(范围为-1到+1)。
频率:可测量电网系统频率,单位为Hz 。
● 计量功能有功电量:可计量总有功电量和分相的有功电量。
电量采用累计的方式计算,除非用户清零,否则一 直累计到最大值后重新开始,电能计量的最大值为9999999kWh 。
总有功电量是分相有功电量的绝对值之和。
当电流大于0.005A 开始计量,电流大于0.25A (额定电流5A 的5%),满足计量精度标准 无功电度:可计量总的无功电量和分相的无功电量。
无功电量的单位为kvah 。
● 脉冲输出功能(选配)可选配脉冲输出:提供有功校验脉冲,为光耦开漏输出,使用时需要加5-24v 上拉,常数为3200imp/kWh 。
● 通讯功能(选配)485通讯,采用标准MODBUS-RTU 通讯协议。
波特率和数据格式可根据实际需要灵活配置。
在组网时,如果出现通讯不顺畅的现象,可在网路末端并联一个120欧姆左右的电阻进行信号匹配。
● 显示功能:采用高清白色段式液晶屏(LCD )显示,清晰直观。
● 开关量输入输出功能:(选配)仪表可选配最多8路开关量输入或4路开关量输出。
(使用方法见附加说明)二、安装尺寸和接线外形代号 外框尺寸mm A×B壳体尺寸mmC*C开孔尺寸mm E×F长度mm L72 72×72 66×66 67×67 38(短款)或58 80 83×83 75×75 76×76 38(短款)或5896 96×96 90×90 91×91 52 120 120×120110×110111×11171© Copyright reserved 安装、使用产品前请先阅读本操作手册,并保留备用1. 安装方式面板式安装,柜体的开孔尺寸可按照上表所示。
cl3115三相多功能标准表CL3115三相多功能标准表是一种精密的仪器,用于测量和显示三相电参数,如电压、电流、有功功率、无功功率和频率等。
以下是关于CL3115三相多功能标准表的一些详细介绍:一、性能特点1.高精度:CL3115三相多功能标准表采用先进的测量技术和精密的传感器,能够实现对三相电参数的高精度测量。
在电压、电流、有功功率、无功功率和频率等方面的测量精度都达到了很高的水平。
2.宽量程:该表能够适应广泛的电压和电流范围,可以满足不同场合的测量需求。
无论是在低电压、小电流的情况下,还是在高电压、大电流的情况下,都能够进行准确的测量。
3.多功能:除了基本的电参数测量功能外,CL3115三相多功能标准表还具有多种附加功能,如真有效值测量、谐波分析、电能计量等。
这些功能使得该表能够满足不同用户的需求,适用于各种电力监测和电能计量应用。
4.稳定性好:该表采用稳定的硬件设计和优质的制造材料,具有很好的抗干扰能力和稳定性。
在长时间使用过程中,其测量结果也不会发生漂移,保证了测量的准确性和可靠性。
5.人性化设计:CL3115三相多功能标准表具有简单易用的操作界面和人性化设计,用户可以轻松上手使用。
同时,该表还具有背光显示和自动关机等功能,使得使用更加方便和节能。
二、技术参数1.电压测量范围:5V~600V,精度:±0.1%rdg±0.05%fs;2.电流测量范围:0.05A~60A,精度:±0.1%rdg±0.05%fs;3.有功功率测量范围:2W~60KW,精度:±0.1%rdg±0.05%fs;4.无功功率测量范围:2W~60KW,精度:±0.1%rdg±0.05%fs;5.频率测量范围:45Hz~65Hz,精度:±0.05%rdg±0.05%fs;6.谐波分析:可分析2~31次谐波;7.显示位数:8位(中文);8.操作环境温度:-10℃~+40℃;9.电源:AC220V±10%,50Hz。
三相电表电流规格详细解读
三相电表的电流规格通常指的是其额定电流。
三相电表用于测
量三相电路中的电能消耗,其电流规格是指它能够正常工作的最大
电流值。
这个值通常以安培(A)为单位。
三相电表的电流规格对于
电力系统的安全运行和电能计量非常重要。
首先,让我们从技术角度来解读三相电表的电流规格。
三相电
表通常有不同的额定电流,比如5A、10A、20A等。
这些数值表示了
电表在额定工作条件下所能承受的最大电流值。
在安装三相电表时,需要根据实际的负载电流来选择合适的电流规格,以确保电表能够
正常工作并且不会因为超载而损坏。
其次,从使用角度来看,电流规格也影响着电表的精度和稳定性。
一般来说,电流规格越大的电表在测量小电流时的精度可能会
降低,因此在选择电表时需要根据实际使用情况进行权衡。
此外,电流规格还与电表的尺寸和重量有关。
较大电流规格的
电表通常体积更大、重量更重,因此在安装和使用时需要考虑到这
些因素。
最后,需要注意的是,电流规格并不是电表的唯一重要参数,还有额定电压、频率、精度等参数也需要考虑。
综合考虑这些参数可以帮助选择合适的三相电表,以满足实际的用电需求。
总的来说,三相电表的电流规格是指其额定电流,对于电力系统的安全运行和电能计量至关重要。
在选择和使用三相电表时,需要充分考虑其电流规格以及其他相关参数,以确保其正常、稳定地工作。
1.标称信号输入:AC 1A、5A
过量程:瞬时:10倍/5秒;持续:1. 2倍
2.测量范围:0~6A,直接输入或通过互感器接入
3.显示范围:0.000~9999 A、KA,小数点根据量程自动切换
4.精度:0.5%
5.绝缘强度:IEC 60255-5 2KVrms-1min
6.环境承受能力:工作IEC 60068-1和2 0℃~+55℃
储存IEC 60068-1和2 -25℃~+70℃
湿热IEC 60068-1-3 93%RH 40℃
7.使用场合:无腐蚀性气体及金属粉尘,海拔高度《 3000 m
8.工作电源及功耗:AC ( 85~265)V或DC ( 100~275)V ≤5VA
艾驰商城是国内最专业的MRO工业品网购平台,正品现货、优势价格、迅捷配送,是一站式采购的工业品商城!具有10年工业用品电子商务领域研究,以强大的信息通道建设的优势,以及依托线下贸易交易市场在工业用品行业上游供应链的整合能力,为广大的用户提供了传感器、图尔克传感器、变频器、断路器、继电器、PLC、工控机、仪器仪表、气缸、五金工具、伺服电机、劳保用品等一系列自动化的工控产品。
如需进一步了解相关仪器仪表产品的选型,报价,采购,参数,图片,批发等信息,请关注艾驰商城。
/。