监理考核评分标准.
- 格式:doc
- 大小:48.50 KB
- 文档页数:10
监理工作质量考核办法及考核标准监理工作质量考核办法及考核标准可以根据具体的监理工作内容和业务特点进行制定。
下面是相关的考核办法及考核标准供参考:一、考核办法:1. 考核周期:一般以项目或阶段为单位进行考核,可以根据需要设定不同的考核周期。
2. 考核方式:可以采用综合考核、定期考核和随机考核相结合的方式进行。
3. 考核内容:包括但不限于下列考核内容:- 监理工作计划的制定和执行情况- 监理工作报告的撰写和提交情况- 监理工作中发现的问题的整改跟踪情况- 监理工作中协调解决的问题及效果- 监理工作中与业主、承包方等相关方的沟通和协调情况- 监理工作中的技术指导和质量验收情况- 监理工作中的合同履行和费用管理情况4. 考核评分:根据考核内容的重要性和难易程度,可以制定相应的考核评分标准。
5. 考核结果:根据考核得分,评定相应的考核结果,例如优秀、合格、待改进和不合格等,并根据考核结果按照一定幅度进行考核奖惩。
二、考核标准:1. 监理工作计划的制定和执行情况:- 按时制定和更新监理工作计划- 确保监理工作计划与项目实际进展相符- 做到监理工作计划的严格执行2. 监理工作报告的撰写和提交情况:- 按时撰写和提交监理工作报告- 报告内容准确、清晰、完整3. 监理工作中发现的问题的整改跟踪情况:- 发现问题及时记录、上报和跟踪整改情况- 确保问题的整改措施得到有效执行4. 监理工作中协调解决的问题及效果:- 积极主动协调解决项目中的问题- 确保问题的解决能够达到预期效果5. 监理工作中与业主、承包方等相关方的沟通和协调情况: - 建立良好的沟通渠道,与相关方保持密切联系- 协调解决相关方之间的利益冲突6. 监理工作中的技术指导和质量验收情况:- 提供准确、实用的技术指导- 能够对施工质量进行有效的检查和验收7. 监理工作中的合同履行和费用管理情况:- 确保监理工作按照合同约定进行- 确保费用支出合理、合规以上是一些比较常见的监理工作质量考核办法及考核标准,可以根据具体情况进行适度调整。
监理评分细则一、评分原则本评分细则旨在对监理工作进行科学、客观、全面的评价,确保监理工作的质量和效果,提高监理服务水平。
评分原则如下:1. 依据合同约定和相关法律法规:评分依据应基于合同约定和相关法律法规,确保评分结果具有可依据性和公正性。
2. 客观公正:评分应客观公正,避免主观臆断和偏见,评分标准应具体明确,确保评分结果准确可信。
3. 全面细致:评分应全面细致,覆盖监理工作的各个方面,确保对监理工作的全面评价。
二、评分指标1. 工作计划与组织(20分)评分指标:- 监理机构是否按时提交监理工作计划;- 监理工作计划是否合理合法;- 监理机构是否按照计划组织开展监理工作。
2. 监理报告(20分)评分指标:- 监理机构是否按时提交监理报告;- 监理报告内容是否详尽全面;- 监理报告是否准确客观,能够反映实际情况。
3. 工程质量检查与验收(30分)评分指标:- 监理机构是否按照法律法规和合同约定进行工程质量检查;- 工程质量检查是否全面细致,是否发现并及时纠正工程质量问题;- 监理机构是否按照法律法规和合同约定进行工程验收;- 工程验收是否严格按照规定程序进行,是否合理公正。
4. 合同管理(15分)评分指标:- 监理机构是否熟悉合同内容,能够正确理解和执行合同约定;- 监理机构是否按照合同约定进行合同管理,包括合同变更、索赔处理等;- 监理机构是否能够及时发现并提出合同风险提示和处理建议。
5. 问题处理与协调沟通(15分)评分指标:- 监理机构对项目问题和纠纷的处理能力;- 监理机构与其他参与方的协调沟通能力;- 监理机构对问题处理和协调沟通的效果和结果。
三、评分等级及解释根据监理工作的评分结果,将评分结果划分为优秀、良好、合格和不合格四个等级。
1. 优秀(90分以上):在工作计划与组织、监理报告、工程质量检查与验收、合同管理、问题处理与协调沟通等方面表现出色,能够全面、细致地完成监理工作,工作成果显著,对项目进展、质量和安全起到良好的保障作用。
2024年监理、施工考核与奖励细则一、监理考核1. 监理部门将对施工项目进行定期考核,考核周期为每季度一次。
2. 考核内容包括但不限于监理部门工作质量、服务态度、工作效率等方面。
3. 考核采用定量和定性相结合的方式,通过评分和综合评价的方式进行考核。
4. 考核评分采用百分制,满分为100分,根据考核结果给予相应的考核等级:优秀(90分及以上)、良好(80-89分)、中等(70-79分)、不合格(70分以下)。
5. 考核结果将用于对监理人员绩效考评、晋升和薪资调整等方面的依据。
二、施工考核1. 施工单位将按每个项目进行考核,考核周期为每月一次。
2. 考核内容包括但不限于施工质量、进度管理、安全管理等方面。
3. 考核采用定量和定性相结合的方式,通过评分和综合评价的方式进行考核。
4. 考核评分采用百分制,满分为100分,根据考核结果给予相应的考核等级:优秀(90分及以上)、良好(80-89分)、合格(70-79分)、不合格(70分以下)。
5. 考核结果将用于对施工单位的业绩评价、奖罚和合同续签等方面的依据。
三、奖励政策1. 监理部门将根据监理考核结果对监理人员进行奖励,奖励措施包括但不限于:表彰、物质奖励、晋升、提升工资待遇等。
2. 施工单位将根据施工考核结果对施工人员进行奖励,奖励措施包括但不限于:奖金、物质奖励、晋升、提升工资待遇等。
3. 对于监理和施工考核双双达到优秀等级的项目,将额外给予一定的奖励,奖励内容由公司领导层决定。
四、考核与奖励实施1. 考核和奖励实施由公司的人力资源部门负责,监理和施工人员的绩效考核记录将纳入个人档案。
2. 考核结果将以书面形式通知到监理和施工人员,公司将组织实施相应的奖励措施。
3. 考核和奖励实施应公平、公正、透明,公司将建立监督机制,接受监理和施工人员及相关方面的监督和申诉。
五、绩效考核重要性和目的1. 绩效考核是公司激励机制的重要组成部分,旨在激励员工积极向上、奋发有为,提升企业整体绩效。
监理考核评分标准监理考核评分标准是指针对监理工作进行评价和打分的一套规范和方法,旨在客观评估监理人员的工作表现和业绩,为监理队伍的提升和发展提供依据。
监理考核评分标准通常包括多个方面的内容,如专业知识、责任心、工作态度、沟通能力等,以全面反映监理人员的素质和绩效。
下面将详细介绍监理考核评分标准的各个方面。
一、专业知识专业知识是监理人员必备的基本素质,包括建筑工程相关法规法规和标准、工程管理知识、监理技术等方面的知识。
监理人员应具备扎实的专业知识储备,能够准确把握工程质量、安全和进度等关键节点,及时发现和解决工程问题,确保工程顺利进行。
在考核评分中,专业知识的掌握程度和应用能力将成为关键指标。
二、责任心监理人员的责任心是评价其工作表现的重要指标之一,体现了监理人员对工程质量和安全的重视程度。
责任心包括对项目的热爱和主动性,对工程问题的关注和解决能力,以及承担工作责任的意识和能力等方面。
监理人员应具备高度的责任心,对工程工作尽职尽责,做到心中有责、言行合一。
三、工作态度良好的工作态度是监理人员必备的品质,体现了监理人员对工作的热爱和认真程度。
工作态度包括工作积极性、工作细致性、工作耐心性等方面,表现在对待工作的态度上。
监理人员应保持良好的工作态度,对待每一个工程细节认真负责,严谨努力,不马虎草率。
四、沟通能力监理人员的沟通能力直接关系到监理工作的顺利开展和工程质量的提升。
监理人员需要与业主、设计单位、施工单位等多方沟通协调,及时了解和解决工程问题,确保工程各方顺利合作。
沟通能力包括表达能力、倾听能力、协调能力等方面,监理人员应具备良好的沟通能力,才能有效推动工程进展。
五、服务意识监理工作的本质是为了保障工程的质量和安全,为了最终业主的利益服务,因此监理人员应具备高度的服务意识。
服务意识包括对项目需求的了解和满足、对工程问题的主动解决、对业主利益的维护等方面,监理人员应以服务为宗旨,始终站在业主的立场,为工程质量的提升尽心尽力。
监理资料检查评分细则一、前言监理资料是项目管理中非常重要的一环,检查监理资料的质量对于保证工程质量、合规性和监理工作的有效性至关重要。
为此,本文将对监理资料的检查评分细则进行阐述。
二、监理资料检查评分细则1、合同资料:监理合同、委托书、监理派遣通知书、监理管理体系认证证书、监理人员从业资格证书等资料;检查内容包括:资料是否完整齐备,是否符合法律法规规定,是否与项目实际情况一致。
评分标准:资料完整齐备,符合法律法规规定,与项目实际情况一致得分10分,有缺失或不符合情况得分5分,有严重缺失或严重不符合情况得分0分。
2、合同执行:合同变更、索赔、违约事宜、合同支付等资料;检查内容包括:各项事项是否符合法律法规要求及合同规定,支付是否按照进度和质量要求的评估执行。
评分标准:各项事项均符合规定得分10分,部分偏差得分5分,严重偏差得分0分。
3、工程进度:监理日报、工程质量统计表、施工进度计划、工程验收记录等资料;检查内容包括:工程进度计划是否实际执行情况,是否按照实际情况记录施工进度,工程质量是否符合要求。
评分标准:工程进度计划实际执行情况符合实际得分10分,偏差得分5分,严重偏差得分0分。
4、工程变更:变更通知单、工程变更备案表、工程变更协议等资料;检查内容包括:工程变更是否符合规定流程,变更是否合理,造价是否有过高或低估情况。
评分标准:变更符合规定流程得分10分,部分不符合得分5分,严重不符合得分0分。
5、工程质量:监理报告、质量检查报告、整改报告、抽查记录等资料;检查内容包括:工程质量检查是否符合规定要求,工程质量整改是否按照要求执行。
评分标准:工程质量符合要求得分10分,不完全符合得分5分,严重不符合得分0分。
6、工程安全:监理安全检查记录、安全督导报告、事故处理报告等资料;检查内容包括:工程安全检查是否符合规定要求,安全事故是否处理合理。
评分标准:工程安全检查符合要求得分10分,不完全符合得分5分,严重不符合得分0分。
监理工作质量考核办法及考核标准一、引言随着社会经济的发展和工程建设的快速推进,监理工作质量的提高和监理人员的职业素养成为确保工程质量和项目安全的关键。
为了评估监理工作质量,制定监理工作质量考核办法及考核标准,对监理人员进行考核和评价具有重要意义。
二、监理工作质量考核办法2.1 考核主体监理工作质量的考核主体为监理机构或相关监管部门。
2.2 考核内容监理工作质量的考核内容应包括以下方面: - 工程质量监控 - 工程变更管理 - 工程进度控制 - 工程安全管理 - 工程造价控制2.3 考核方式监理工作质量的考核方式可以包括以下几种: - 现场考核:监督人员对监理现场进行实地考察,观察工程进展、安全措施等情况,并填写考核表进行评分。
- 文件审核:对监理机构提交的相关文件进行审核,包括监理报告、监理记录等,评估监理人员的工作质量和专业水平。
- 客户满意度调查:通过调查问卷或面对面访谈的方式,获取业主或项目相关方对监理工作质量的评价和反馈。
2.4 考核周期监理工作质量的考核周期可以根据具体项目情况而定,一般可设定为每个工程阶段结束后进行考核评估。
三、监理工作质量考核标准3.1 工程质量监控•是否按照相关质量标准和要求进行工程监理,对工程质量进行有效控制。
•是否及时发现和纠正工程施工过程中存在的质量问题,并记录和报告相关部门。
3.2 工程变更管理•是否及时评估工程变更的影响,并进行变更管理和控制。
•是否合理审核和审批工程变更申请,确保工程变更符合规范和要求。
3.3 工程进度控制•是否进行工程进度计划和进度控制,并及时监督施工单位按计划进行工程建设。
•是否发现并处理工程进度延误的问题,并协调相关方解决。
3.4 工程安全管理•是否制定和执行工程安全管理措施,并定期检查和评估工程安全状况。
•是否及时处理和报告工程安全事故和隐患,确保工程施工过程的安全。
3.5 工程造价控制•是否对工程造价进行有效控制,确保工程施工过程中的费用合理控制。
监理面试评分标准一、背景介绍面试是选拔合格监理人员的重要环节。
通过面试,能够全面了解应聘者的专业知识、工作经验、沟通能力以及解决问题的能力,从而更好地选择适合的候选人。
为确保面试的公平性和科学性,需要制定监理面试评分标准。
二、评分标准1. 专业知识(30分)专业知识是评估应聘者是否具备承担监理工作的基本能力的重要指标。
- 掌握的监理技术知识(10分)- 熟悉的工程监理相关法律法规(10分)- 对监理工作流程的了解程度(10分)2. 经验与能力(30分)经验与能力是评估应聘者是否具备独立承担监理工作的关键指标。
- 监理工作经验(10分)- 解决实际问题的能力(10分)- 危机处理和应急响应能力(10分)3. 沟通与协调能力(20分)沟通与协调能力是评估应聘者是否能够与工程施工方、业主、设计单位等各方有效沟通和协调的重要指标。
- 口头表达能力(10分)- 写作能力(5分)- 商务谈判能力(5分)4. 团队合作意识(10分)团队合作意识是评估应聘者是否能够与项目组成员和相关部门保持良好的合作关系的重要指标。
5. 个人素质(10分)个人素质是评估应聘者是否具有良好的职业道德和职业操守的重要指标。
- 诚信与责任心(5分)- 自我学习和提升能力(5分)三、评分细则1. 每个评分指标根据应聘者的表现情况,给予相应的分值。
2. 评委可以根据面试过程中的应聘者表现,对各项指标的分值进行适度调整,但总分不得超过满分。
3. 评委要按照评分标准,客观公正地评价每位应聘者,并填写评分表。
四、评分标准的使用1. 每位评委应熟悉评分标准,并根据面试表现进行评分。
2. 各位评委对同一候选人的评分分数应按照协商一致的原则,确保评分结果的公正性和客观性。
3. 最终评分结果为各项指标得分的加权平均值。
五、评分结果处理1. 最终评分结果由组织人力资源部门进行汇总和统计。
2. 根据评分结果,确定最终通过面试的人选。
3. 对于同分的候选人,可通过进一步的考核或面试来做最终决策。
监理成绩总分一、监理成绩概述监理成绩是衡量监理工程师业务水平和工作能力的重要标准。
在我国,监理工程师的资格考试分为四个级别:初级、中级、高级和特级。
各级别考试的内容和难度有所不同,但总体而言,考试涵盖了工程监理的基本理论、实践经验和法律法规等方面。
本文将详细介绍监理成绩的评分标准,以及如何提高监理成绩。
二、监理成绩评分标准1.基础知识:包括工程监理基本理论、工程管理、工程质量、工程进度、工程成本等方面的知识。
这部分占总分值的30%。
2.实践经验:包括工程监理实际操作能力、沟通协调能力、问题解决能力等。
这部分占总分值的30%。
3.法律法规:涉及建筑工程相关法律法规、监理法规、合同法规等方面的知识。
这部分占总分值的20%。
4.案例分析:通过对工程监理案例的分析和评价,考察监理工程师的综合能力。
这部分占总分值的20%。
5.英语:包括英语阅读、写作和翻译等方面的能力。
这部分占总分值的10%。
三、提高监理成绩的方法1.系统学习:参加培训班或自学,全面掌握监理工程师所需的基本理论和实践经验。
2.重点突破:针对考试的重点和难点,进行有针对性的学习和复习。
3.模拟考试:通过模拟考试,熟悉考试环境和题型,提高应试能力。
4.案例分析:多研究工程监理案例,提高综合分析和解决问题的能力。
5.英语能力提升:利用业余时间学习英语,提高英语阅读、写作和翻译能力。
四、总结监理成绩对于监理工程师的职业发展具有重要意义。
要想在监理成绩中取得好成绩,需要全面掌握监理相关知识,不断提高自身业务水平和综合素质。
监理综合素质评分标准监理工作是建设工程项目中不可或缺的重要环节,监理人员的综合素质直接影响到工程的质量和安全。
为了确保监理工作的效果和监理人员的能力,制定了监理综合素质评分标准。
本文将对监理综合素质评分标准进行详细介绍。
一、专业知识与技能1.1 专业知识:评价监理人员对建筑行业相关法律法规、工程技术标准、施工工艺等方面的掌握程度,以及对建设工程各专业知识的了解情况。
1.2 技能水平:评估监理人员的工程技术操作能力,包括施工图纸的理解与分析、工程质量控制的能力、施工工艺优化的能力等。
二、工作态度与责任心2.1 工作态度:考察监理人员对工作的敬业程度,包括主动性、积极性、认真负责的态度,以及对工程的可行性、可持续性的思考。
2.2 责任心:评估监理人员对工程质量、安全、进度等方面的重视程度,以及对问题和风险的及时发现和处理能力。
三、沟通协调与团队合作3.1 沟通能力:考核监理人员与建设单位、设计单位、施工单位等各方之间的沟通能力,包括口头和书面沟通的能力,以及表达清晰、准确的能力。
3.2 协调能力:评估监理人员在项目中协调各方面利益、解决纠纷等方面的能力,以及疏导和化解工程过程中的问题和冲突的能力。
四、创新思维与问题解决4.1 创新思维:考察监理人员具有创新意识、创新能力和创新实践的情况,包括在工程实施过程中察觉问题并提出改善建议的能力。
4.2 问题解决:评估监理人员处理问题的方法与能力,包括分析问题、提出解决方案和跟踪实施的能力,以及处理突发事件的能力。
五、工作经验与业绩5.1 工作经验:考察监理人员的从业年限和相关工作经验,以及参与过的项目类型和规模。
5.2 业绩评价:评估监理人员在过往项目中的表现和成绩,包括工程质量、进度控制、成本控制等方面的综合评价。
备注:以上综合素质评分标准仅为参考,具体评分细则可以根据具体情况进行调整和补充。
结论监理综合素质评分标准是评估监理人员能力和水平的重要依据,通过评分标准可以客观全面地衡量监理工作的质量。
监理考试成绩合格标准1. 引言监理考试是评估监理人员专业知识和能力的重要手段,合格的监理考试成绩对于监理人员的招聘和聘任具有重要意义。
本文将详细介绍监理考试成绩的合格标准。
2. 考试科目监理考试通常包括以下科目:•监理法规与规范知识•建筑工程施工管理知识•工程质量检查与评定知识•工程造价管理知识•工程安全与环境保护知识•工程合同管理知识3. 成绩评定方法监理考试的成绩评定一般采用百分制的方法,具体评定方法如下:•每科目满分为100分。
•及格标准为每科目达到60分及以上。
•总成绩计算方法:所有科目成绩的平均分。
4. 合格标准监理考试的合格标准根据成绩的评定方法确定,符合以下条件的考生将被认定为合格:•每个科目的成绩达到及格标准(60分及以上)。
•总成绩达到及格标准(所有科目平均分达到60分及以上)。
5. 补考规定对于未能一次性通过监理考试的考生,通常允许进行补考。
补考的规定如下:•补考次数一般不超过2次。
•每次补考只针对未通过的科目。
•补考成绩按照原有评定方法进行评定。
6. 其他考试要求除了监理考试成绩,监理人员在聘任过程中还需要满足其他要求:•学历要求:通常要求本科及以上学历,相关专业优先。
•工作经验:拥有一定的工程监理从业经验。
•职业素质:具备良好的沟通协调能力、团队合作能力和专业判断力。
7. 结论监理考试的合格标准对于评估监理人员的专业素质至关重要。
良好的监理考试成绩是评价监理人员能力的重要依据。
通过本文的介绍,我们了解了监理考试的科目构成、成绩评定方法以及合格标准,对于考生来说,合理规划学习时间,熟悉考试科目,努力提高成绩是取得良好监理考试成绩的关键。
附件1员工年终考核评分标准考核标准分为工作纪律、责任心和积极性、岗位职责完成情况和沟通协调能力四个主项。
考核时间为阳历全年时段。
根据该员工年度具体工作表现和能力对应标准进行打分(四个主项因重要程度不同,各主项满分分数也不相同,见评分表)。
一、工作纪律:(20分)1.是否全面遵守监理工作守则、职业道德和工作纪律,做到廉洁自律,不“吃、拿、卡、要”,做好本职工作的同时与施工单位保持适当“距离”。
2.是否全面遵守公司各项工作制度和规定3.工作时间是否经常迟到或早退。
4.工作时间是否经常在玩手机,是否能保证通讯(手机)联络畅通,未及时取得联系时是否在合理时间内及时回电或回复。
5.是否服从项目负责人或总监的工作安排和调度。
6.假日或夜间因工作需要是否服从值班或加班安排。
7.因个人原因需要请假、暂时离岗或换岗是否向项目总监或项目负责人当面或电话请示。
二、责任心和积极性:(30分)1.工作中是否出工不出力、敷衍了事或者只“监”不“理”。
2.对项目总监或项目负责人交付的工作任务是否能全力以赴积极完成。
3.是否熟悉并认真履行自身岗位职责。
4.面对较为艰苦的工作环境是否毫无怨言坚守岗位。
5.工作中是否主动发现问题并积极跟踪落实。
6.对故意刁难、“不配合”的施工单位管理人员是否能耐心做好沟通工作。
7.是否熟悉专业技术知识,并能坚持加强学习、虚心请教、自觉提高自身业务素质和专业技术。
8.是否出现被主管部门、业主、施工单位投诉的情况。
9.是否积极主动通过微信群上传图片、文字说明反映各个项目施工情况。
三、岗位职责完成情况:(30分)1、专业监理工程师:1)是否参与编制监理规划,负责编制本专业监理实施细则。
2)图纸会审前是否认真熟悉图纸并提出设计疑问。
3)施工中是否全面熟悉本专业的设计图纸内容、掌握重要的设计数据和参数。
4)是否熟悉本专业施工质量验收标准。
5)是否全面掌握工地本专业施工情况并及时准确回答业主、质监、总监或总监代表的询问。
监理评分标准在建筑工程中,监理评分标准是评判项目工程质量和监理工作绩效的重要指标。
本文将详细介绍监理评分标准的要点和具体内容,以及如何根据这些标准来评价和监督工程进展。
同时,我们还会讨论监理评分标准的意义和作用,以及如何确保其科学性和公正性。
一、监理评分标准的目的和意义监理评分标准是为了评价监理工作的质量和效果,并提供一个客观准确的评估体系。
其主要目的包括:1. 评估监理人员的工作绩效和专业能力;2. 提供一个对工程质量进行客观评价的依据;3. 促使监理人员更加规范、细致地履行职责;4. 为业主选择和聘请优秀的监理团队提供参考。
二、监理评分标准的内容监理评分标准通常包括以下几个方面:1. 监理过程管理:评估监理人员在整个施工过程中的管理工作,包括计划制定、文件管理、现场巡查等。
要求监理人员具备良好的组织能力和沟通能力,对施工工艺、质量要求等有全面准确的把握。
2. 工程质量控制:评估监理人员对工程质量的监督和控制能力,包括对设计图纸的审核、施工工艺和材料的检测等。
要求监理人员具备扎实的专业知识和丰富的实践经验,能够发现并解决工程质量问题。
3. 施工进度控制:评估监理人员对工程进度的监督和控制能力,包括对施工进展的跟踪、计划调整和工期管理等。
要求监理人员具备较强的时间管理和协调能力,能够保证工程按时完成。
4. 安全环保管理:评估监理人员对工程施工中的安全和环保问题的管理能力,包括施工现场的安全措施、材料和工艺的环保要求等。
要求监理人员具备全面的安全环保知识和意识,能够确保施工过程中的人身安全和环境保护。
5. 合同管理:评估监理人员在合同履约过程中的管理能力,包括变更管理、索赔处理、支付审核等。
要求监理人员熟悉相关法规和合同条款,能够保护业主的合法权益。
6. 报告撰写能力:评估监理人员对工程情况的书面报告和表达能力,包括工程日志、质量检测报告、施工进度报告等。
要求监理人员具备清晰、准确、规范的书面表达能力。
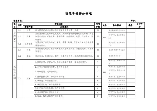
监理绩效考核评分办法绩效考核评分是公司对项目监理人员的监理行为进行量化评分,绩效考核由工作态度及执业能力、外部评价、内业评价、公司评价四个部分(共100分)。
其中:工作态度及执业能力35分,外部评价20分,内业评价35分,公司评价10分。
(一)工作态度及执业能力(共35分)1.劳动纪律(计20分):公司为本项目配备打卡机,规范迟到、早退、旷工、病、事假行为,每次考核周期为一个月。
劳动纪律考评根据打卡纪律结合总监根据现场实际情形作出的评价综合评分。
(1)迟到、早退(计6分)1~2次扣1分。
3~4次扣2分。
5~6次扣3分。
以上为累计积分。
当迟到、早退6次时此项扣分为1+2+3=6分,6次以上取消本月绩效考核资格。
(2)病、事假(计6分)每个考核周期不能超过2次,每次不超过2天,并应想领导提出书面申请(监理人员报总监或总监代表,超过2天以上经总监或总监代表报公司领导批准,总监或总监代表病事假报公司领导批准后方可休假),一个考核周期病、事累计为1天扣1分,2天扣1分,3天扣3分,4天扣4分,5天扣6分,超过5天取消本月绩效考核资格。
(3)旷工(计8分)旷工一次扣8分,两次取消本月绩效考核资格。
2.监理日志、监理例会和监理月报(计10分)(公司为项目部配备网线,由资料员或总监每日上传),上传人每月加100元。
(1)监理日志(计3分)项目监理日志由总监或总监代表指定专人编写,监理日志编写人每月加100元。
监理部监理人员包括总监或总监代表在内每日必须认真完成编写监理日记。
日志和日记不认真达不到要求或缺失的,1次扣1分,2次扣2分,3次扣2分,以上部分为累计扣分。
3次以上取消本月绩效考核资格。
(2)监理例会(此项计3分)监理例会包括工地例会、专题会议、项目例会(项目例会指项目监理机构定期召开的内部监理工作会议)。
监理例会除旁站和隐蔽工程验收不能参加外,全体监理人员必须参加(缺席按劳动纪律考评扣分),并认真形成会议纪要,每次项目部责任人员扣5分,2次以上项目责任人员每人扣100元。
监理评分标准详解监理评分标准是在建筑工程监理过程中普遍应用的一种评估方法,通过对施工监理的不同方面进行量化评估,从而对工程监理的质量进行客观评估和衡量。
本文将详细介绍监理评分标准的内容和相关细节。
一、概述监理评分标准是指在工程监理过程中,评估监理人员综合素质和监理工作质量的一套指标体系。
通过对不同方面的评分,可以全面了解并衡量监理人员的专业能力、工作态度和执行能力。
监理评分标准的制定旨在促进工程监理行业的发展,提高监理工作的水平和质量。
二、监理评分标准的要点1. 专业知识能力:评估监理人员在专业知识方面的掌握程度和应用能力。
包括对施工图纸、相关法规法律的熟悉程度、技术规范的掌握程度等。
2. 工作态度:评估监理人员的工作态度和职业操守。
主要从以下几个方面进行评估:是否按时到岗,工作积极主动,对工作认真负责,与施工单位建立良好的合作关系等。
3. 监理控制能力:评估监理人员在工程计划、质量控制、安全管理等方面的能力。
主要包括监理人员是否能够有效监督施工进度,严格执行相关质量标准,及时解决施工过程中的问题等。
4. 技术解决问题的能力:评估监理人员在施工过程中发现问题并进行解决的能力。
包括预见性问题的解决、应变能力以及提供合理有效的解决方案等。
5. 档案管理能力:评估监理人员的档案管理能力,主要包括施工过程记录、工程报告的编写和归档等。
判断监理人员是否能够将施工过程中的关键信息记录下来,并妥善管理。
6. 纠纷处理能力:评估监理人员在工程纠纷处理方面的能力。
包括与施工单位、业主及相关方的协商能力、处理纠纷的决断能力等。
三、评分细则具体的评分细则可以根据工程监理的不同需求和要求进行制定,以下是一种常用的评分细则:1. 专业知识能力:根据监理人员的学历、工作经验和专业资格进行评分,分为初级、中级和高级等级。
2. 工作态度:评估是否按时到岗、是否主动积极等,可以根据实际情况采用优、良、中、差等级别进行评分。
3. 监理控制能力:评估监理人员对施工进度、质量控制等方面的管理情况,可以根据实际情况采用优、良、中、差等级别进行评分。
监理工程师评分标准详解在建筑工程中,监理工程师起到了至关重要的作用。
他们负责确保工程质量、施工进度和合规性。
为了对监理工程师的工作进行评估和管理,评分标准的制定是必要的。
本文将详细解释监理工程师评分标准的内容和具体要求,以便更好地理解和应用。
一、技术能力评分标准监理工程师的技术能力是评分的关键因素之一。
以下是常见的技术能力评分指标和具体要求:1.专业知识:监理工程师应具备扎实的专业知识,包括建筑、结构、水电、给排水等相关领域的知识,并能够熟练应用。
2.实践经验:评估监理工程师的实践经验,包括工程管理、问题解决和决策能力等方面。
3.工程文件管理:监理工程师应能够有效地管理工程文件,如设计文件、施工图纸和质量检测报告等,确保文件的完整性和准确性。
4.标准遵循:考察监理工程师是否严格遵循相关的标准、规范和法律法规,确保工程的合规性和安全性。
5.技术创新:评估监理工程师的技术创新能力,是否能够提供新颖的解决方案和改进措施。
二、沟通能力评分标准监理工程师需要与建设单位、设计单位和施工单位等多方进行沟通和协调,所以沟通能力也是评分的重要指标之一。
以下是常见的沟通能力评分指标和具体要求:1.口头表达:考察监理工程师的口头表达能力,如清晰准确地表达观点和建议的能力。
2.书面表达:评估监理工程师的书面表达能力,包括报告撰写、文件编写和邮件沟通等方面。
3.听取他人意见:判断监理工程师是否能够积极倾听他人的意见和反馈,并能够灵活调整自己的工作方式。
4.问题解决:评估监理工程师解决问题和协调分歧的能力,尤其是在紧急情况下的反应能力。
三、管理能力评分标准监理工程师需要协调各方资源,管理施工现场和工程进度,管理能力是评分的重要指标之一。
以下是常见的管理能力评分指标和具体要求:1.团队合作:评估监理工程师与他人合作的能力,包括团队建设、协作和冲突解决等方面。
2.资源管理:考察监理工程师对人力、物资和预算等资源的管理能力,以确保工程的顺利进行。
监理考试合格分一、监理考试简介监理考试,全称为建设工程监理人员资格考试,是国家对从事建设工程监理工作的从业人员进行的一项专业技能考核。
监理考试旨在选拔具备一定监理理论和实践能力的专业人才,确保建设工程质量和安全。
考试合格后,考生可获得监理工程师资格证书,为从事监理工作提供敲门砖。
二、监理考试合格标准监理考试分为两个层次:监理员和监理工程师。
不同层次的考试合格标准有所不同。
监理员考试合格标准为满分100分,其中60分为及格线;监理工程师考试合格标准为满分100分,其中70分为及格线。
三、监理考试合格分数的划分1.综合能力测试(满分100分):包括监理基本理论、法律法规、工程质量、工程安全、工程经济等方面的内容。
2.专业技能测试(满分100分):包括建筑工程、市政工程、公路工程、水利工程等专业领域的知识。
3.案例分析(满分100分):考察考生在实际监理工作中解决问题的能力。
四、如何提高监理考试成绩1.制定合理的复习计划:根据考试大纲,合理安排学习时间,确保各科目均衡复习。
2.深入研究考试大纲:了解考试范围,掌握大纲要求的知识点。
3.积累实践经验:在实际工作中,不断提升自己的监理能力和水平。
4.参加培训课程:报名参加监理培训课程,系统学习监理理论和实践知识。
5.模拟试题练习:多做模拟试题,了解自己的薄弱环节,有针对性地进行复习。
五、结语监理考试合格分为两个层次,分别是监理员和监理工程师。
要取得合格证书,考生需掌握扎实的监理理论知识,具备一定的实践能力。
通过制定合理的复习计划、深入研究考试大纲、积累实践经验、参加培训课程和模拟试题练习等方法,提高考试成绩,迈向成功。
市政监理企业项目总监信用考核办法第一章总则第一条为规范建设工程监理行为,提高建设工程监理水平,提升监理行业整体素质,建立优胜劣汰的市场竞争机制,根据《中华人民共和国建筑法》、《中华人民共和国招标投标法》等有关法律法规、规章、规定,结合我市实际情况,特制定本办法。
第二条本办法所称项目总监,是指具有相应执业资格,经企业法定代表人书面授权,全面负责市政项目监理工作的监理工程师。
第三条凡在本市行政区域内从事市政基础设施监理活动的项目总监,适用本办法。
本办法所称市政基础设施,是指城市道路工程、桥梁工程、城市轨道交通工程、海河坝及供水工程、排水工程、燃气工程、热力工程、环卫工程等新建、改建、扩建和大修工程。
第四条市城乡建设委市政工程管理处(以下简称市政处)、市公用事业工程质量安全监督站(以下简称公用质监站)分别负责权限内对青岛市行政区域内从事市政基础设施工程监理活动的项目总监进行统一管理考核及结果公布,并具体负责从事城市轨道交通建设工程和在市南、市北、李沧辖区内从事市政基础设施监理活动的项目总监的市场行为和业绩的日常考核统计。
其他区、市建设行政主管部门负责对本辖区内从事市政基础设施监理活动的项目总监的市场行为和业绩进行管理及日常考核统计,并按规定报送市城乡建设委市政处、市公用质监站汇总。
各区、市建设行政主管部门应明确专门部门和人员,具体负责对监理企业的考核管理工作。
市城乡建设委市政处、市公用质监站对监理企业的考核结果及做出的处理决定,各级建设行政主管部门应严格执行。
第二章考核内容与方式第五条考核内容包括:项目总监业绩、履行基本建设程序、现场质量安全监理、工程分包及施工人员审查、对施工企业和项目经理管理、总监及监理机构履行职责,遵守法律法规、规章和其他有关规定等情况。
(一)项目总监业绩情况:项目总监完成的工程业绩和获得的表彰、奖励等;(二)履行基本建设程序情况:招标投标、质量监督、安全报监、施工许可等手续办理情况;(三)现场质量安全监理情况:执行工程建设强制性标准、质量安全隐患的发现和整改、质量安全事故的处理等情况;(四)工程分包及施工人员审查情况:审查工程分包招标手续、队伍资质、安全生产许可证、分包合同及施工人员合同签定、现场管理人员及工人持证上岗情况;(五)总监及现场监理人员履行职责情况:旁站、巡视、平行检验监理、监理日志记录、监理资料整理、归档情况;(六)遵守法律法规、规章和其他有关规定的情况。
第六条建设监理项目总监管理考核坚持"科学公正、突出重点、动态管理、奖优罚劣、高度联动"的原则。
第七条管理考核实行量化记分方式,考核基本分为100分,在此基础上根据企业的市场行为和业绩情况进行分数加减,每年初统一公布上一年度考核结果。
考核结果分为A、B、C、D四个等级。
100分(不含100分)以上的,年度考核等级为A级,80-100分(含80分)的,年度考核等级为B级,60-80分(含60分)的,年度考核等级为C级,60分以下的,年度考核等级为D级。
第八条考核依据下列文书加分、扣分:(一)有关部门表彰决定文件;(二)已生效的行政处罚决定书;(三)建设行政主管部门或委托机构的处理决定书或整改通知书;(四)其他具有法律约束力的文件或经有关部门、机构查证属实的依据。
第九条项目总监应重点履行以下职责:(一)主持编写项目监理规划,确定项目监理机构人员的分工和岗位职责,并负责项目监理机构的日常管理工作;(二)对不履行基本建设程序、违反工程建设强制性标准等违法违规行为及时制止或报告;(三)审查施工总、分包单位资质、安全生产许可证、工程总分包合同及从业人员持证上岗、劳动合同签定情况;(四)审查施工现场质量安全保障体系及人员到岗到位履职情况;(五)对工程分包款拨付及农民工工资发放情况进行有效监控;(六)积极协调化解施工现场发生的因拖欠农民工工资造成的集体上访等突发事件;(七)审查施工单位提交的施工组织设计、各类质量专业技术方案及安全专项方案,并监督组织实施;(八)开工前,参与施工现场周边环境的安全评估,并提出监理意见;(九)每天对施工现场进行巡查,对发现的质量安全隐患及时督促整改,重大隐患不整改的及时报告主管部门;(十)按规定对施工现场进行安全检查;(十一)按规定组织监理机构人员实行旁站、巡视、平行检验监理,并做好记录;(十二)对进场的建筑材料、构配件和设备质量进行把关,认真核查施工资料,确保资料真实、齐全、有效;(十三)其他应重点履行的职责。
第十条考核年度内具备以下条件给予加分。
同一奖项只按最高级别加分,不作累计加分。
(一)个人获得国家、省、副省级城市政府表彰奖励,分别加25分、15分、10分;个人获得国家、省级、副省级城市建设行政主管部门或行业协会(经市级建设行政主管部门初审同意后上报的)表彰奖励的,分别加20分、10分、8分;获得国家、省级其他行业协会(经市级建设行政主管部门初审同意后上报的)表彰奖励的,分别加15分、6分。
(二)在本市监理工程因项目管理突出,被国家、山东省和我市监理会议观摩、推广的,每项分别加15分、10分、6分;经市建设行政主管部门推荐,在全国、全省、全市建设工作会议作经验介绍的,每项分别加10分、8分、6分;在国家、省、市级建设行政主管部门组织的专项检查中,被通报表扬的,分别加10分、5分、1分。
(三)被评为标准化示范工地的,每项加5分。
(四)科研成果(论文、调研课题)获得国家科技进步一、二、三等奖的,分别加15分、10分、8分;获得省级科技进步一、二、三等奖的,分别加10分、8分、5分;获得副省级城市科技进步一、二、三等奖的,分别加8分、5分、3分;获得国家级技术创新一、二、三等奖的,分别加10分、9分、8分,获得省级技术创新一、二、三等奖的,分别加4分、3分、2分,获得副省级城市技术创新一、二、三等奖的,分别加3分、2分、1分;获得国家、省级工法的,分别加5分、3分;获得国家、省、副省级城市新技术应用示范工程的,每项加3分、2分、1分;在技术创新方面表现突出受到国家、省级城市表彰或在国家、省城市会议上作经验介绍的,分别加5分、3分。
工法和技术创新奖加分只计第一完成人。
(五)本市项目总监在外埠市场监理工程,无不良行为记录的,市政工程造价每10万元加0.03分(不足10万元不计)。
本项累计加分不超过40分。
(六)在青岛市行政区域内监理工程,无不良行为记录的,市政工程造价每10万元加0.02分(不足10万元不计)。
本项累计加分不超过60分。
(七)项目总监在青岛市组织应对重大事件、突发事件以及应急事件中表现突出,获得国家、山东省、青岛市政府表彰,分别加50分、40分、30分,一年内招投标分别加2分、1.5 分、1分;获得国家、山东省、青岛市建设行政主管部门表彰,分别加40分、30分、25分,一年内招投标分别加1.5分,1分,0.6分;在上述行动中表现较好的,加15分,一年内招投标加0.3分;在应对突发事件中表现突出、较好的分别加10分、6分。
第十一条项目总监未履行职责,工程发生一般及以上质量、安全事故的,按照国家、省项目总监理工程师的有关规定进行处理。
第十二条项目总监有下列行为之一的,考核时每次扣40分,一年内参加投标时每次扣3分:(一)因监理不作为或错误指令而发生一般及以上质量安全责任事故,或造成重大损失和恶劣社会影响的;(二)利用职权吃、拿、卡、要、报,或指定建筑材料、构配件、设备供应商或分包队伍的;(三)涉及结构安全或重要使用功能的材料、构配件、半成品、设备,未发现或发现后未及时制止、上报的;(四)弄虚作假签署文书或在不合格文件上签章的;(五)所监理项目存在施工单位依据相关法律、法规或《住房和城乡建设部建筑工程施工转包违法分包等违法行为认定查处管理办法(试行)》、《青岛市城乡建设委员会建设工程违法发包违法分包转包挂靠行为认定办法》认定为转包、违法分包或挂靠行为的;(六)施工企业无相应资质、无安全生产许可证及安全生产许可证过期承揽工程,监理企业未发现或发现后未责令施工企业停工整改并报告主管部门的;(七)其他严重违法违规行为。
第十三条项目总监有下列行为之一的,在考核时每次扣20分,一年内参加投标时每次扣2分:(一)未办理质量、安全监督手续或未取得施工许可证擅自开展监理业务的;(二)经查中标项目总监与施工现场项目总监不相符且未到工程项目所在地建设行政主管部门办理变更手续的;(三)现场检查时项目总监无故不到位且未履行项目总监职责的;(四)签署有虚假记载等不合格内容文件的;(五)注册监理工程师办理相关手续时提供虚假资料的;(六)因拖欠农民工工资,施工质量、安全等原因,造成大规模群体上访及其他突发性事件,未履行监理职责的;(七)对主管部门提出的整改要求逾期不整改或整改不彻底的;(八)分部或子分部工程未经验收擅自允许进入下道工序施工的;(九)调查取证时恶意阻挠、拒不提供相关证据材料的;(十)施工企业安全生产许可证过期仍继续施工,监理企业未及时发现或发现后未责令施工企业停工整改并报告主管部门的;(十一)所监理项目存在施工单位在施工现场派驻的管理人员与施工单位均未订立劳动合同,或均未建立劳动工资或社会养老保险关系的;(十二)发生深基坑坍塌、起重机械、脚手架、高大模板倒塌等事故,危及周边建筑物、公共设施安全的;(十三)违反工程建设强制性标准或未按图施工,造成质量安全隐患未制止或未报告的;(十四)其他较重违法违规行为。
第十四条项目总监有下列行为之一的,考核时每次扣10分,一年内参加投标时每次扣1分:(一)经查实项目总监未到岗到位或现场资料由他人代替签发的;(二)因未履行职责,工程存在质量、安全隐患,被质量、安全监督部门停工的;(三)对施工组织设计、各类质量专业技术方案或安全专项方案未进行审查的;(四)对违法分包、转包、挂靠、非法用工等行为未及时发现、制止、报告的;(五)对现场施工企业从业人员未签定劳动合同、无证上岗等问题检查不到位或不制止的;(六)与建设单位或施工单位串通,弄虚作假,降低工程质量或损害他人利益的;(七)被省级及以上建设行政主管部门通报批评的;(八)对违反强制性标准施工,或重大设计变更未经审查批准擅自施工的行为,未及时制止或未及时向主管部门报告的;(九)未按规定进行质量安全检查的;(十)项目总监或总监代表无故不在现场的;(十一)经核实,项目总监存在"吃、拿、卡、要"等行为的;(十二)无正当理由拒绝或未按规定在工程建设管理相关资料上签字并加盖执业印章的;(十三)所监理项目存在施工单位在施工现场派驻的管理人员有50%及以上与施工单位没有订立劳动合同,或没有建立劳动工资或社会养老保险关系的;(十四)未按照建设行政主管部门要求设立工程项目施工许可公告牌、参建单位主要信息公示栏、建筑工人维权须知牌的;(十五)所监理的项目竣工后出现多起上访且负有监理责任的;(十六)非涉及结构安全和重要使用功能材料未检先用或检验不合格用于工程,未发现或发现后未及时制止、上报的;(十七)施工企业所用材料明显与送样材料不符或质量低下,未发现或发现后未及时制止、上报的;(十八)施工现场存在严重质量安全隐患,监理企业未及时发现或发现后未责令施工企业停工整改并报告主管部门的;(十九)超过一定规模危险性较大分部分项工程未编制专项施工方案并经专家论证擅自施工的;施工单位未按照经专家论证的专项施工方案组织施工,导致存在安全隐患的;(二十)施工过程中未采取有效措施对周边毗邻建筑物、构筑物和地下管线等重要部位的专项防护措施落实到位的;(二十一)未落实扬尘防治有关规定,导致较重扬尘污染的:(二十二)伪造或涂改施工质量技术资料未制止或未报告的;(二十三)未按规定进行工程结构实体现场检测的、或检测结果不合格继续施工未制止或未报告的(二十四)建筑起重机械未办理安装或拆卸告知手续,即擅自同意安拆单位安装或拆除的;(二十五)建筑起重机械未按规定办理检测、验收或使用登记手续,即擅自同意施工单位使用的;(二十六)其他较重违法违规行为。