验槽记录表
- 格式:xls
- 大小:19.00 KB
- 文档页数:1
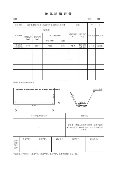
地基验槽(复验)记录(建)表 4. 1.5. 1 (DBJ3-56-) 共页第页附图及阐明:1、经建设、监理、勘察、设计、施工等有关单位对地基基槽进行验收。
地基土质、基槽尺寸、标高、轴线、持力层等均符合地质勘察报告及设汁规范规定。
地基验槽(复验)记录(建)表 4. 1.5. 1 (DBJ3-56-) 共页第页附图及阐明:1、经建设、监理、勘察、设计、施工等有关单位对地基基槽进行验收。
地基土质、基槽尺寸、标高、轴线、持力层等均符合地质勘察报告及设计规范规定。
2、基槽开挖长119米,基底开挖宽0.8米,开挖深度为1・85米,放坡1:0・55・地表勘察单位 设计单位 施工单位 监理单位项目负责人: 项目专业负责人: 项目技术负责人: 专业监理工程师:地基验槽(复验)记录附图及阐明:1、 经建设、监理、勘察、设计、施工等有关单位对地基基槽进行验收。
地基土质、 基槽尺寸、标高、轴线、持力层等均符合地质勘察报告及设计•规范规定。
2、基槽开挖长90米,基底开挖宽0.8米,开挖深度为1.88米,放坡1:0・55・经检查基底持力层为粘性土层、地基匀质、尺寸、标高、基土等符合图纸设计及施工规范规定。
工程名称 丹江唯牒番解决工施工单位湖北省工业建筑集团有限公司验槽部位 WD8-WA34段管沟验槽日期 10月25日地基土质状况 土质与地质勘察报告相符 基槽尺寸标高 基槽尺寸标高与施工图相符。
持力层设计规定持力层满足设计规定。
(建)表 4. 1. 5. 1 (DBJ3-56-) 共 页第 页施工单位初验结论 地表地基验槽(复验)记录(建)表4・ 1.5. 1 (DBJ3-56-) 共页第页附图及阐明:1、经建设、监理、勘察、设计、施工等有关单位对地基基槽进行验收。
地基土质、基槽尺寸、标高、轴线、持力层等均符合地质勘察报告及设计规范规定。
地基验槽(复验)记录(建)表 4. 1.5. 1 (DBJ3-56-) 共页第页附图及阐明:1、经建设、监理、勘察、设计、施工等有关单位对地基基槽进行验收。
地基验槽记录表1. 项目信息•项目名称:地基验槽施工•工程地址:XXX市XXX区XXX街道•施工单位:XXX施工公司•监理单位:XXX监理公司•编制人:XXX•编制日期:YYYY年MM月DD日2. 施工概况地基验槽是建筑工程施工前的一项重要工作,用于验证地基的稳定性和承载能力。
本次验槽作业的主要目的是对工程地基进行检查和记录,以确保工程施工的安全性和可行性。
3. 验槽位置本次验槽工作的位置是位于工程地块的东侧,与已有建筑物之间的区域。
验槽的尺寸为3米宽、5米长、2米深。
4. 施工过程4.1 准备工作在验槽工作开始前,施工人员进行了以下准备工作:•清理工作区域,清除地表杂物和垃圾;•设置施工现场标识,确保施工区域的安全和道路通行的顺畅;•准备所需的施工工具和设备。
4.2 开挖验槽根据设计要求,施工人员使用挖掘机进行验槽的开挖。
开挖过程中,严格按照设计要求进行操作,确保验槽的尺寸和形状符合要求。
4.3 观测和记录在验槽开挖完成后,监理人员对地基进行观测和记录。
观测内容包括以下方面:•地基土壤的稳定性和坚实程度;•地下水位的高低;•土壤的颜色、质地和含水量。
观测结果记录如下:观测点地下水位土壤质地备注A 1.2米黄土无异常情况B 0.8米砂质土无异常情况C 0.5米黏土无异常情况D 1.5米黄土发现一处杂物,已清理4.4 填埋和修复验槽观测记录完成后,根据监理人员的要求,施工人员进行了以下填埋和修复工作:•对验槽进行填埋,将挖掘的土方回填到槽中;•按照要求对填埋土方进行压实和夯实,保证地基的稳定性。
5. 安全措施在地基验槽施工过程中,我们采取了以下安全措施:•设置施工现场标识,警示施工区域;•施工人员必须穿戴安全帽和安全鞋;•施工区域周边设置安全警示线,阻止未经许可的人员进入施工区域;•定期检查施工设备的安全性和使用状态。
6. 总结通过本次地基验槽施工,我们对工程地基的稳定性和承载能力进行了检查与记录。
Q/CSG表BJ2—38—2 编号:TGY-DTQ—地基验槽(坑)检查记录Q/CSG表BJ2—38—1 编号:TGY—DTQ—地基验槽(坑)检查记录Q/CSG表BJ2—38-2 编号:TGY—DTQ-CD002Q/CSG表BJ2-38-1 编号:TGY-DTQ-CD003地基验槽(坑)检查记录Q/CSG表BJ2—38—2 编号:地基验槽(坑)检查记录Q/CSG表BJ2—38—1 编号:TGY—地基验槽(坑)检查记录Q/CSG表BJ2-38-2 编号:TGY—地基验槽(坑)检查记录Q/CSG表BJ2—38—1 编号:TGY-DTQ—地基验槽(坑)检查记录Q/CSG表BJ2—38-2 编号:TGY—DTQ—CD005地基验槽(坑)检查记录Q/CSG表BJ2-38-1 编号:TGY-DTQ—AB001地基验槽(坑)检查记录Q/CSG表BJ2-38-2 编号:TGY—地基验槽(坑)检查记录Q/CSG表BJ2—38—1 编号:TGY-DTQ-CD006地基验槽(坑)检查记录Q/CSG表BJ2—38—2 编号:TGY-DTQ-CD006地基验槽(坑)检查记录Q/CSG表BJ2-38—1 编号:TGY—DTQ—BC001地基验槽(坑)检查记录Q/CSG表BJ2-38—2 编号:TGY—DTQ—地基验槽(坑)检查记录Q/CSG表BJ2-38—1 编号:TGY-DTQ—HJK001地基验槽(坑)检查记录Q/CSG表BJ2-38—2 编号:TGY-DTQ—HJK001地基验槽(坑)检查记录Q/CSG表BJ2—38-1 编号:TGY—DTQ-MN001地基验槽(坑)检查记录Q/CSG表BJ2-38—2 编号:TGY-DTQ—地基验槽(坑)检查记录Q/CSG表BJ2-38-1 编号:TGY-DTQ-CD007地基验槽(坑)检查记录Q/CSG表BJ2—38—2 编号:TGY-DTQ—CD007地基验槽(坑)检查记录Q/CSG表BJ2—38—1 编号:TGY—DTQ-MN002地基验槽(坑)检查记录Q/CSG表BJ2-38—2 编号:TGY-DTQ—地基验槽(坑)检查记录Q/CSG表BJ2-38—1 编号:TGY—DTQ-MN003地基验槽(坑)检查记录Q/CSG表BJ2—38—2 编号:TGY-DTQ —MN003地基验槽(坑)检查记录Q/CSG表BJ2-38—1 编号:TGY—DTQ-KM001地基验槽(坑)检查记录Q/CSG表BJ2-38—2 编号:TGY—DTQ—地基验槽(坑)检查记录Q/CSG表BJ2-38—1 编号:TGY—DTQ-MN004地基验槽(坑)检查记录Q/CSG表BJ2—38-2 编号:TGY—DTQ-MN004地基验槽(坑)检查记录Q/CSG表BJ2-38—1 编号:TGY-DTQ-BC002地基验槽(坑)检查记录Q/CSG表BJ2-38-2 编号:TGY—DTQ—地基验槽(坑)检查记录Q/CSG表BJ2—38-1 编号:TGY—地基验槽(坑)检查记录Q/CSG表BJ2-38—2 编号:TGY—DTQ —KM002地基验槽(坑)检查记录Q/CSG表BJ2-38—1 编号:TGY—DTQ—KM003地基验槽(坑)检查记录Q/CSG表BJ2-38—2 编号:TGY-DTQ—地基验槽(坑)检查记录Q/CSG表BJ2—38—1 编号:TGY—DTQ-MN005地基验槽(坑)检查记录Q/CSG表BJ2-38-2 编号:TGY-DTQ-MN005地基验槽(坑)检查记录Q/CSG表BJ2—38—1 编号:TGY—DTQ—MN006地基验槽(坑)检查记录Q/CSG表BJ2-38—2 编号:地基验槽(坑)检查记录Q/CSG表BJ2-38-1 编号:TGY-DTQ—MN006。
地基验槽记录表格1. 检查槽的基本信息
2. 槽的尺寸和形状
3. 槽的土质情况
4. 槽的施工情况
5. 其他检查记录
- [ ] 水位观测
- [ ] 底部平整度检查
- [ ] 槽壁沉降观测
- [ ] 断面形状检查
备注:(可以添加其他需要记录的内容)
6. 检查结论
在进行地基验槽记录检查的过程中,需要填写上述表格,详尽记录槽的基本信息、尺寸和形状、土质情况、施工情况以及其他检
查记录。
根据检查结果,可以得出相应的结论和建议,以便后续工程的进行。
注意:请根据实际情况填写表格内容,确保准确、全面地记录地基验槽的相关信息。