煤的焦化、液化、气化
- 格式:doc
- 大小:32.00 KB
- 文档页数:3
煤炭的工业化利用有哪些技术?煤炭是世界上最重要的化石能源之一,其工业化利用对于能源供应和经济发展至关重要。
随着技术的不断发展,人们已经开发出了多种煤炭的工业化利用技术,下面将为大家介绍其中几种主要的技术。
一、煤化工技术煤化工技术是将煤转化为液体燃料或化工原料的一种技术。
通过煤炭的气化、液化和焦化等过程,可以生产出各种有价值的燃料和化学品。
其中,煤气化技术是一种将煤炭转化为合成气的重要工艺。
合成气中包含一定比例的氢气和一氧化碳,可以用于合成液体燃料,如甲醇、合成油等,也可以用于生产化学品,如氨、甲醇等。
此外,煤炭的液化技术也是一种重要的煤化工技术,通过该技术可以将煤直接转化为液体燃料,如合成柴油等。
二、煤电技术煤电技术是一种将煤炭转化为电力的技术。
通过煤炭的燃烧,可以产生高温高压的蒸汽,驱动汽轮机发电。
在煤电技术中,有一种被广泛使用的技术称为燃煤发电技术。
这种技术将煤炭通过燃烧产生的热能转化为电能,同时也产生大量的二氧化碳等废气。
为了减少对环境的影响,煤电技术也在不断改进。
例如,引入超临界和超超临界技术,提高燃烧效率,减少排放物的产生。
此外,煤电技术还可以配合其他技术,如煤气化和燃料电池等,实现煤炭的高效利用和低碳排放。
三、煤炭化学品技术煤炭化学品技术是一种将煤炭转化为化学品的技术。
通过煤炭的气化、裂解或其他化学反应,可以得到各种有机化合物。
其中,煤焦油是一种重要的煤炭化学品,可以作为润滑油、粘合剂、油漆等工业原料。
此外,还可以通过煤炭的氧化反应,得到氨碱,用于农业生产。
煤炭化学品技术的发展,不仅能够提高煤炭的综合利用率,降低资源浪费,还可以减少对环境的污染。
四、煤炭清洁利用技术煤炭清洁利用技术是一种通过减少燃烧废气排放或捕捉和利用废气中的有害物质,实现煤炭清洁利用的技术。
其中,煤炭燃烧减排技术是一种减少燃烧过程中产生的废气排放的技术,如燃烧控制技术、烟气脱硫技术、烟气脱硝技术等。
此外,还有一种被称为煤炭气化减排技术,通过将煤炭气化产生的废气进行分离、捕捉和利用,可以减少有害物质的排放,实现煤炭的清洁利用。
煤气化技术的基本原理煤气化是一种将煤转化为合成气(Syngas)的技术,合成气是由氢气(H2)、一氧化碳(CO)和少量的甲烷(CH4)、二氧化碳(CO2)组成的气体混合物。
煤气化技术的基本原理是通过高温和压力将煤与氧气(或水蒸气)反应转化为可燃气体。
1.干煤气化:干煤气化是指在缺乏水蒸气的条件下,将煤转化为合成气。
在干煤气化过程中,煤被分解成固体炭和气体产物。
首先,煤被加热至高温,煤中的有机物质开始分解。
然后,产生的气体与煤中残留的炭反应,生成合成气。
2.水煤气化:水煤气化是指在存在水蒸气的条件下,将煤转化为合成气。
在水煤气化过程中,水蒸气与煤反应,生成氢气和一氧化碳。
水煤气化通常在高温和高压下进行,以提高反应效率和产气质量。
3.煤热解:煤热解是将煤在缺乏氧气的条件下加热,使其发生裂解反应,产生可燃气体。
煤热解可以通过煤干馏或焦化过程实现。
在煤热解过程中,煤中的有机物质被分解为固体炭、液体烃和气体产物。
液体烃和气体产物可以进一步加工提炼为石油产品或作为燃料使用。
1.碳气化反应:C+H2O->CO+H2煤中的碳与水蒸气反应,生成一氧化碳和氢气。
这个反应是煤气化过程中生成合成气的主要途径之一2.碳气化反应:C+2H2->CH4煤中的碳与氢气反应,生成甲烷。
这个反应也可以在煤气化过程中生成合成气。
3.热解反应:C->C+C煤中的高分子有机物质在高温下发生裂解反应,生成固体炭。
煤气化技术的应用广泛,可用于生产合成气、液体燃料、化学品和氢气等。
合成气可用于发电、制造合成燃料、合成化学品和进行化学反应。
煤气化技术在能源转型和减少对化石燃料的依赖方面具有重要地位。
然而,煤气化技术也面临一些挑战,如高能耗、环境污染和废弃物处理等问题。
因此,在推广和应用煤气化技术时,需要综合考虑技术、经济和环境等方面的因素。
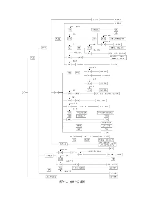
1 煤化工概念煤化工是以煤为原料,经过化学加工,使煤转化为气体、液体、固体燃料以及化学品,并生产出各种化工产品的工业。
煤化工包括煤的一次化学加工、二次化学加工和深度化学加工,煤的焦化、气化、液化,煤的合成气化工、焦油化工和电石乙炔化工等等。
根据生产工艺与产品的不同主要分为煤焦化、煤电石、煤气化和煤液化4条主要生产链。
其中,煤焦化、煤电石、煤气化中的合成氨等属于传统煤化工,而煤气化制醇醚燃料,煤液化、煤气化制烯烃等则属于现代新型煤化工领域。
2 煤化工技术2.1 煤焦化将煤隔绝空气加强热使其分解的过程,也称做煤的干馏。
煤焦化产品主要有焦炭、煤焦油(苯、甲苯等)、焦炉气(氢气,甲烷、乙烯、一氧化碳等)精氨水等。
这些产品已广泛应用于化工、医药、染料、农药和炭素等行业。
有些甚至是石油化学工业无法替代的,如吡啶喹啉类化合物和许多稠环化合物等。
2.2 煤气化煤在高温条件下借助气化剂的化学作用将固体碳转化为可燃气体(气体混合物)的热化过程。
用空气、水蒸气、二氧化碳作为气化剂。
它们与煤中的碳发生非均相反应。
此外,煤热分解出的气态产物如CO2、H2O及烃类等也能与赤热的碳发生均相反应。
依气化法、气化条件及煤的性质不同,气化气的组成也不同。
根据煤气发生炉内所进行的气体过程特点,可以将煤层自上而下地分为干燥带、干馏带、还原带、氢化带和灰层,在干燥带和干馏带中,煤受到高温炉气的加热而放出水分并挥发。
剩下的焦炭在还原带和氧化带中进行氧化反应。
煤经过气化后得到的是粗煤气,再经过净化和加工后,可以得到各种化学品。
常用于煤气化的方式有:固定床常压气化气,鲁奇加压气化气、考伯斯—托茨气流床气化气(K—T)、德士古流床气化气(Texaco)、改良型温克勒流化床气化气等。
2.3 煤液化所谓煤液化,是将煤中有机质转化为流质产物,其目的就是获得和利用液态的碳氢化合物来替代石油及其制品,包括直接液化技术和间接液化技术两部分,产品市场潜力巨大,工艺、工程技术集中度高,是中国新型煤化工技术和产业发展的重要方向。
煤化工面试专业知识1. 煤化工行业概述煤化工是指利用煤炭资源进行化学加工生产的一种工业领域。
煤炭作为一种重要的化石能源,不仅可以用于发电、供暖等能源领域,还可以通过煤化工技术转化为燃料、化肥、化工原料等产品。
煤化工行业在能源、化工等领域具有重要地位,对国民经济发展起着重要作用。
2. 煤化工常见工艺煤化工常见的工艺包括煤气化、煤炭液化、煤炭气化和煤炭焦化等。
其中,煤气化是将煤炭在高温高压下转化为合成气的过程,合成气可用于发电、制氢、合成甲醇等;煤炭液化是将煤炭转化为液体燃料或化工原料的过程,常见的产品包括煤油、煤焦油等;煤炭气化是将煤炭在氧气或水蒸气的作用下转化为合成气的过程,常用于制造合成氨、合成甲醇等;煤炭焦化是将煤炭在高温下分解为焦炭、煤气和焦油的过程,常用于冶金行业。
3. 煤化工产品及应用煤化工技术可以将煤炭转化为多种有用的产品。
常见的煤化工产品包括合成气、煤油、煤焦油、合成甲醇、合成氨等。
这些产品在能源、化工、冶金等领域有广泛的应用。
•合成气:合成气是一种混合气体,主要由一氧化碳和氢气组成。
合成气可以用于发电、制造合成甲醇、合成氨等。
•煤油:煤油是煤炭液化的产物,主要用于燃料油、航空燃料等领域。
•煤焦油:煤焦油是煤炭焦化的产物,可用于制造染料、涂料、沥青等。
•合成甲醇:合成甲醇是将合成气经过催化反应制得的有机化合物,可用于制造溶剂、涂料、塑料等。
•合成氨:合成氨是将合成气经过催化反应制得的无机化合物,是制造化肥和农药的重要原料。
4. 煤化工行业发展趋势随着环境保护意识的提高,煤化工行业也面临着转型升级的压力。
未来煤化工行业的发展趋势主要包括以下几个方面:•低碳化:煤化工行业将加大对清洁能源的利用,减少对传统煤炭资源的依赖,提高能源利用效率,减少污染排放。
•循环经济:煤化工行业将加大对废弃物的回收利用,提高资源利用效率,减少资源浪费。
•绿色化:煤化工行业将加强环境保护措施,采用清洁生产技术,减少对环境的污染。
煤化工主要生产产品:化肥,塑料,合成橡胶,合成纤维,炸药,染料,医药等多种重要化工原料,还是工业上获得芳香烃的一种重要途径。
煤化工主要是通过焦化,气化,干馏的方法产品各种煤化工产品。
焦化的主要产品是冶金用焦炭,同时副产煤气和苯、甲苯、二甲苯、萘等芳烃。
煤气化,主要产品为城市煤气及各种燃料气,以及合成气;煤低温干馏、煤直接液化及煤间接液化等主要产品为人造石油和液体化学产品。
制取冶金用焦炭,同时副产煤气和苯、甲苯、二甲苯、萘等芳烃。
煤气化在煤化工中也占有重要的地位,用于生产城市煤气及各种燃料气,也用于生产合成气;煤低温干馏、煤直接液化及煤间接液化等过程主要生产液体燃料。
煤基甲醇生产甲醇等化学物质,是煤化工的又一重要方向。
煤炭是国内生产甲醇的主要原料,煤基甲醇产量约占总产量的70%以上。
今后甲醇消费仍然以化工需求为主,需求量稳步上升作为汽油代用燃料,主要方式以掺烧为主,局部地区示范和发展甲醇燃料汽车,消费量均有所增加。
预计几年后中国国内甲醇生产、消费量将达到平衡,国内生产企业之间、国内甲醇与进口甲醇之间的竞争将日趋激烈,降低生产成本对市场竞争显得更为重要。
发展甲醇下游产品是未来发展方向。
甲醇是重要的基础化工原料,其下游产品有醋酸、甲酸等有机酸类,醚、酯等各种含氧化合物,乙烯、丙烯等烯烃类,二甲醚、合成汽油等燃料类。
煤气化-合成氨通过煤气化-合成氨制造化肥,是煤化工的又一途径。
受国内石油和天然气资源制约,以煤为原料生产合成氨是今后发展的方向,预计占到60%以上。
煤化工联产煤化工联产是指不同煤化工工艺或煤化工与其他工艺的联合生产,煤化工联产是今后产业进步的方向。
它的意义是可以回收、利用废弃或排放的资源或能源,同时实现污染治理。
如废渣制建筑材料,废气燃烧或转化生产电力、热力等。
还可以通过集成、优化不同工艺,提高整体效率和效益,如化工合成与联合循环发电联产。
同时,灵活生产和适应市场需求,如生产电力、热力与生产液体燃料联产。
煤化工是以煤为原料,经过化学加工使煤转化为气体,液体,固体燃料以及化学品的过程,生产出各种化工产品的工业。
煤化工包括煤的一次化学加工、二次化学加工和深度化学加工。
煤的气化、液化、焦化,煤的合成气化工、焦油化工和电石乙炔化工等,都属于煤化工的范围。
而煤的气化、液化、焦化(干馏)又是煤化工中非常重要的三种加工方式。
煤的气化、液化和焦化概要流程图一.煤炭气化煤炭气化是指煤在特定的设备内,在一定温度及压力下使煤中有机质与气化剂(如蒸汽/空气或氧气等)发生一系列化学反应,将固体煤转化为含有CO、H2、CH4等可燃气体和CO2、N2等非可燃气体的过程。
煤的气化的一般流程图煤炭气化包含一系列物理、化学变化。
而化学变化是煤炭气化的主要方式,主要的化学反应有:1、水蒸气转化反应C+H2O=CO+H22、水煤气变换反应CO+ H2O =CO2+H23、部分氧化反应C+0.5 O2=CO4、完全氧化(燃烧)反应C+O2=CO25、甲烷化反应CO+2H2=CH46、Boudouard反应C+CO2=2CO其中1、6为放热反应,2、3、4、5为吸热反应。
煤炭气化时,必须具备三个条件,即气化炉、气化剂、供给热量,三者缺一不可。
煤炭气化按气化炉内煤料与气化剂的接触方式区分,主要有:1) 固定床气化:在气化过程中,煤由气化炉顶部加入,气化剂由气化炉底部加入,煤料与气化剂逆流接触,相对于气体的上升速度而言,煤料下降速度很慢,甚至可视为固定不动,因此称之为固定床气化;而实际上,煤料在气化过程中是以很慢的速度向下移动的,比较准确的称其为移动床气化。
2) 流化床气化:它是以粒度为0-10mm的小颗粒煤为气化原料,在气化炉内使其悬浮分散在垂直上升的气流中,煤粒在沸腾状态进行气化反应,从而使得煤料层内温度均一,易于控制,提高气化效率。
3) 气流床气化。
它是一种并流气化,用气化剂将粒度为100um以下的煤粉带入气化炉内,也可将煤粉先制成水煤浆,然后用泵打入气化炉内。
1 煤化工概念煤化工是以煤为原料,经过化学加工,使煤转化为气体、液体、固体燃料以及化学品,并生产出各种化工产品的工业。
煤化工包括煤的一次化学加工、二次化学加工和深度化学加工,煤的焦化、气化、液化,煤的合成气化工、焦油化工和电石乙炔化工等等。
根据生产工艺与产品的不同主要分为煤焦化、煤电石、煤气化和煤液化4条主要生产链。
其中,煤焦化、煤电石、煤气化中的合成氨等属于传统煤化工,而煤气化制醇醚燃料,煤液化、煤气化制烯烃等则属于现代新型煤化工领域。
2 煤化工技术2.1 煤焦化将煤隔绝空气加强热使其分解的过程,也称做煤的干馏。
煤焦化产品主要有焦炭、煤焦油(苯、甲苯等)、焦炉气(氢气,甲烷、乙烯、一氧化碳等)精氨水等。
这些产品已广泛应用于化工、医药、染料、农药和炭素等行业。
有些甚至是石油化学工业无法替代的,如吡啶喹啉类化合物和许多稠环化合物等。
2.2 煤气化煤在高温条件下借助气化剂的化学作用将固体碳转化为可燃气体(气体混合物)的热化过程。
用空气、水蒸气、二氧化碳作为气化剂。
它们与煤中的碳发生非均相反应。
此外,煤热分解出的气态产物如CO2、H2O及烃类等也能与赤热的碳发生均相反应。
依气化法、气化条件及煤的性质不同,气化气的组成也不同。
根据煤气发生炉内所进行的气体过程特点,可以将煤层自上而下地分为干燥带、干馏带、还原带、氢化带和灰层,在干燥带和干馏带中,煤受到高温炉气的加热而放出水分并挥发。
剩下的焦炭在还原带和氧化带中进行氧化反应。
煤经过气化后得到的是粗煤气,再经过净化和加工后,可以得到各种化学品。
常用于煤气化的方式有:固定床常压气化气,鲁奇加压气化气、考伯斯—托茨气流床气化气(K—T)、德士古流床气化气(Texaco)、改良型温克勒流化床气化气等。
2.3 煤液化所谓煤液化,是将煤中有机质转化为流质产物,其目的就是获得和利用液态的碳氢化合物来替代石油及其制品,包括直接液化技术和间接液化技术两部分,产品市场潜力巨大,工艺、工程技术集中度高,是中国新型煤化工技术和产业发展的重要方向。
煤化工原理
煤化工是利用煤炭作为原料进行化学加工,生产出各种化工产品的一种工艺。
煤作为一种重要的化石能源,在煤化工中发挥着重要的作用。
煤化工原理是指通过一系列的化学反应和工艺操作,将煤转化为有机化学品和燃料。
本文将从煤化工的基本原理、工艺流程和应用领域等方面进行介绍。
首先,煤化工的基本原理是利用煤的化学成分进行加工和转化。
煤主要由碳、氢、氧、氮和少量的硫组成,其中碳是最主要的成分。
在煤化工过程中,通过加热、压力和催化剂等手段,可以将煤中的碳、氢等元素转化为烃类、酚类、醇类等有机化合物,从而生产出各种化工产品。
其次,煤化工的工艺流程主要包括煤气化、煤液化和煤焦化等环节。
煤气化是
将煤转化为合成气的过程,合成气主要由一氧化碳和氢气组成,可以用于生产甲醇、合成油等化工产品。
煤液化是将煤转化为液体燃料或化工产品的过程,可以生产出煤油、煤焦油等产品。
煤焦化是将煤转化为焦炭的过程,焦炭是重要的冶金原料和燃料。
另外,煤化工在能源化工、化工原料和化工产品等领域有着广泛的应用。
在能
源化工领域,煤化工可以生产出合成天然气、合成石油等替代石油和天然气的能源产品。
在化工原料领域,煤化工可以生产出甲醇、乙烯、苯等重要的化工原料。
在化工产品领域,煤化工可以生产出塑料、橡胶、合成纤维等各种化工产品。
总的来说,煤化工是一种重要的化工工艺,可以充分利用煤炭资源,生产出各
种化工产品和能源产品。
随着能源和化工行业的发展,煤化工在我国的地位和作用将会更加突出,对于提高能源利用效率和化工产品的多样化具有重要意义。
希望本文对煤化工原理有所帮助,谢谢阅读。
煤炭资源综合利用与煤化工产业发展煤炭作为我国主要能源资源之一,一直以来都扮演着重要的角色。
然而,随着环境保护意识的增强和能源结构调整的推进,煤炭产业面临着诸多挑战。
为了实现煤炭资源的可持续利用和煤化工产业的发展,煤炭资源综合利用成为了当前亟待解决的问题。
煤炭资源综合利用是指通过各种技术手段,将煤炭转化为高附加值的产品,以提高资源利用效率。
目前,煤炭资源综合利用主要包括煤炭气化、煤炭液化、煤炭焦化等技术。
其中,煤炭气化是将煤炭转化为合成气,进而制取天然气、合成燃料和化工原料的过程。
煤炭液化则是将煤炭转化为液体燃料,如柴油和汽油。
而煤炭焦化则是将煤炭加热至高温,得到焦炭和煤焦油。
这些技术的应用,不仅可以提高煤炭资源利用率,还可以减少煤炭燃烧对环境的污染。
煤化工产业作为煤炭资源综合利用的重要领域,对于促进煤炭产业的转型升级具有重要意义。
煤化工产业主要包括煤炭气化、煤炭液化、煤炭焦化等环节,涵盖了煤炭转化为合成气、液体燃料、化工原料等多个方面。
通过发展煤化工产业,可以实现煤炭资源的高效利用,减少对传统能源的依赖,推动能源结构的优化升级。
在煤化工产业发展的过程中,需要充分发挥科技创新的作用。
通过技术创新,可以提高煤炭转化的效率和产品质量,降低生产成本,增强产业竞争力。
目前,我国在煤炭气化、煤炭液化等领域已经取得了一些重要的科研成果,但与发达国家相比,仍存在一定差距。
因此,要加强科技创新,提高自主创新能力,推动煤化工产业的发展。
此外,煤炭资源综合利用和煤化工产业发展还需要注重环境保护。
煤炭转化过程中产生的废水、废气和固体废弃物对环境造成了一定的污染。
因此,在煤炭转化技术的研发和应用过程中,要加强环境保护措施,减少对环境的影响。
同时,还需要加强环境监测和治理,确保煤化工产业的可持续发展。
总之,煤炭资源综合利用和煤化工产业发展是实现煤炭产业转型升级的重要途径。
通过煤炭资源的高效利用,可以提高能源利用效率,减少对传统能源的依赖,推动能源结构的优化升级。
煤焦化原理
煤焦化是指将煤经过加热和部分氧化的过程,转化为焦炭、焦油和煤气的化学过程。
其主要原理如下:
1. 煤的成分变化:煤是一种含碳的有机物,其中还包含着氢、氧、氮等元素。
在焦化过程中,煤受热分解,碳和氢元素被转化为焦炭,而氧、氮等元素则大部分以气体的形式释放出来。
2. 热解反应:煤在高温环境中进行热解反应,主要是通过热解反应将煤的大分子结构分解成小分子。
在这个过程中,煤中的碳氢化合物被分解为可燃的气体,包括一氧化碳、氢气等。
3. 巨型炉管道:焦化过程通常在巨型炉中进行,炉内配置了多个炉管道。
煤通过炉管道进入炉内,在高温下被加热。
在炉管道内,煤发生热解反应,生成焦炭、焦油和煤气。
焦炭从炉底取出,焦油被冷却和凝固后分离出来,煤气则通过炉顶排出。
4. 热风吹入炉腔:为了加强煤的燃烧,焦化过程中还需要向炉腔中吹入热风。
热风中含有氧气,可以提供燃烧所需的氧气,促进煤的分解和燃烧反应。
5. 冷凝分离:焦油在炉内冷却后会凝结成为液体,通过冷却器进行冷却和分离。
而煤气则通过炉顶排出,并经过焦气净化系统进行净化处理,以满足工业和环境排放标准。
总之,煤焦化通过热解和燃烧的反应,将煤转化为焦炭、焦油
和煤气。
这一过程不仅可以提供煤气供应,还可以制备高质量的焦炭和有关产品。
煤化工产业基础知识煤化工是指利用煤炭资源进行化学加工和转化的产业。
煤炭作为我国主要能源资源之一,煤化工产业在我国的能源结构中具有重要地位。
本文将介绍煤化工的基础知识,包括煤的分类、煤的燃烧过程、煤的转化技术和煤化工产品等方面的内容。
1. 煤的分类煤是一种天然的含碳有机物,主要由碳、氢、氧、氮和少量硫等元素组成。
根据煤的形成过程和含碳量的不同,煤可以分为无烟煤、烟煤、褐煤和泥炭等不同品种。
无烟煤的含碳量最高,是最理想的燃料煤,烟煤次之,褐煤和泥炭的含碳量较低,煤质较差。
2. 煤的燃烧过程煤的燃烧是指煤在氧气存在下发生的氧化反应。
煤的燃烧可以分为干燥、预热、燃烧和燃尽四个阶段。
在干燥阶段,煤中的水分被蒸发出来;在预热阶段,煤的表面温度升高,释放出挥发分;在燃烧阶段,煤中的挥发分和固定碳开始燃烧;在燃尽阶段,煤中的固定碳完全燃烧,产生热量和灰渣。
3. 煤的转化技术煤的转化技术主要包括煤气化、煤液化和煤焦化等。
煤气化是指将煤转化为合成气的过程,合成气主要由一氧化碳和氢气组成,可以用作燃料或原料制备化学品。
煤液化是指将煤转化为液体燃料的过程,液化煤可以直接用作燃料或用于制备化学品。
煤焦化是指将煤转化为焦炭和煤焦油的过程,焦炭可以用于冶金行业,煤焦油可以用于制备化学品。
4. 煤化工产品煤化工产业可以生产多种产品,主要包括合成氨、合成甲醇、合成油、合成橡胶和合成纤维等。
合成氨是煤化工的重要产品之一,广泛应用于农业领域,用于制备化肥。
合成甲醇是一种重要的化工原料,可以用于制备乙烯、丙烯等化学品。
合成油是指通过煤炭转化技术生产的液体燃料,可以替代传统石油燃料。
合成橡胶和合成纤维是由煤化工产品制备的合成材料,具有广泛的应用前景。
总结:煤化工产业是利用煤炭资源进行化学加工和转化的产业。
煤化工的基础知识包括煤的分类、煤的燃烧过程、煤的转化技术和煤化工产品等方面的内容。
煤化工产业在我国的能源结构中具有重要地位,对于我国的工业发展和能源安全具有重要意义。
煤转油效率
煤转油技术是将煤炭转化为油品的过程,通常包括煤的液化、气化、焦化等步骤。
以下是关于煤转油效率的详细介绍:
转化效率:煤转油技术的转化效率通常是指从煤炭转化为油品的效率,即每单位质量的煤炭可以转化为多少单位质量的油品。
转化效率是衡量煤转油技术经济性和环保性能的重要指标。
影响因素:煤转油效率受到多种因素的影响,包括煤炭的种类、质量、反应条件、催化剂种类和性质、工艺流程和设备等。
不同的煤转油技术路线和工艺条件也会对转化效率产生影响。
工艺流程:煤转油技术的工艺流程通常包括煤炭的干燥、破碎、气化、合成、精制等环节。
其中,气化是关键步骤之一,它可以将煤炭转化为合成气,再通过合成气转化为油品。
不同的工艺流程和技术路线在转化效率和能源消耗方面存在差异。
能耗和排放:煤转油过程需要消耗大量的能源,主要包括煤炭的加热、压力反应、合成气的转化和精制等环节。
同时,煤转油过程也会产生一些废气、废水和固体废弃物等污染物,需要进行有效的环保处理。
经济性:煤转油技术的经济性是决定其是否具有市场竞争力的关键因素。
经济性主要取决于转化效率、能源价格、原材料成本、设备投资和运行维护费用等因素。
环保性能:煤转油技术的环保性能也是评价其优劣的重要指标。
环保性能主要包括废气、废水、固体废弃物的排放和处理等方面。
发展前景:随着全球能源结构的调整和环境保护意识的提高,煤转油技术将继续得到发展。
未来研究方向主要包括提高转化效率、降低能耗和排放、优化工艺流程、开发新型催化剂等方面。
同时,随着新能源技术的不断发展,煤转油技术的应用范围也将逐渐扩大。
煤气化的主要反应式
煤气化是一种将煤分解成有用的气体的技术,其中最重要的反应式式和反应机理就是“焦化反应”,也就是把煤转化为含有一定量烃和气体的矿物焦油。
“焦化反应”:
煤(C)+蒸气(H2O)→物焦油(C+H2)+量(Q)
“焦化反应”可以通过烧煤来实现,也可以通过化学的方式实现,可以使煤被水蒸汽劈裂为烃和气体,烃体积小,热量大,可以用来作为工业和居民的燃料。
此外,由于煤的结构比较复杂,焦化反应的条件比较严格,需要特殊的工艺和设备来实现。
“气化反应”:
煤(C)+水蒸气(H2O)+氧气(O2)→CO+H2+各种气体(CH4、CO2、H2S等)+热量(Q)。
气化反应可以把煤分解为气态物质,其反应机理和焦化反应是相似的,但是气化反应会产生大量的气体,也就是说将煤气化可以获得更多的气体,可以把煤气化后的气体用作居民和工业的燃料。
此外,气化反应的条件也比较严格,温度要求很高,需要特殊的设备来实现。
总结:
煤气化是把煤转化为有价值的气体的技术,主要有焦化反应和气化反应,两种反应均要求有特定的温度和特殊的设备,也都需要水蒸气和氧气,可以生产烃和气体,作为燃料。
焦化反应可以产生少量的
气体,用作煤的热量;气化反应可以产生大量的气体,用作居民和工业的燃料。
煤气化是一项重要的工业技术,在新能源开发、燃料利用方面发挥了重要的作用,能够有效的利用煤炭资源,节省能源,保护环境,有助于改善能源结构,为经济发展提供源头。
综上所述,煤气化是一种广泛应用于新能源开发、燃料利用以及经济发展的有效技术,而其主要反应式包括焦化反应和气化反应,这些反应都是一种可以将煤转化为有价值的气体的技术。
煤化工行业发展现状及前景趋势分析一、煤化工行业都包括什么煤化工以煤为原料,经化学加工使煤转化为气体、液体和固体产品或半产品,而后进一步加工成化工、能源产品的过程。
主要包括煤的气化、液化、干馏,以及焦油加工和电石乙炔化工等。
随着世界石油资源不断减少,煤化工有着广阔的前景。
煤化工的分类煤化工包括煤的一次化学加工、二次化学加工和深度化学加工,煤的焦化、气化、液化,煤的合成气化工、焦油化工和电石乙炔化工等等。
据中国报告大厅发布的煤化工行业市场调查分析报告显示,根据生产工艺与产品的不同主要分为煤焦化、煤电石、煤气化和煤液化四条生产链。
其中,煤焦化、煤电石、煤气化中的合成氨等属于传统煤化工,而煤气化制醇、醚燃料,煤液化、煤气化制烯烃等属于现代新型煤化工领域。
在煤化工可利用的生产技术中,炼焦是应用最早的工艺,并且至今仍然是化学工业的重要组成部分。
煤的气化在煤化工中占有重要地位,用于生产各种气体燃料,是洁净的能源,有利于提高人民生活水平和环境保护;煤气化生产的合成气是合成液体燃料、化工原料等多种产品的原料。
煤直接液化,即煤高压加氢液化,可以生产人造石油和化学产品。
在石油短缺时,煤的液化产品将替代天然石油。
二、煤化工行业发展现状在严格控煤政策下,中国煤炭消费将提前进入下降趋势,预计从目前的19.3亿吨油当量,逐步下降到2050年的13亿吨油当量,年均负增长1%;而考虑到能源效率的提升、经济增速的下滑、环保政策趋严等多重影响,煤电、钢铁、建材等传统用煤领域消费水平均已达到峰值,未来将走下坡路。
从煤化工行业自身的情况来看,不得不承认,其当前正处于史无前例的困境中。
由于传统煤化工产能过剩以及节能减排的目标,未来新型煤化工项目将是重点,虽然国家政策层面的限制因素与地方政府的鼓励势头齐头并进,“十三五”期间煤化工发展势头不减。
从投入上,各路资本竞相角逐;从地域上,中西部煤炭资源丰富地将集中主要投资;从类型上,煤制烯烃与煤制天然气将是主打项目。
一、煤的焦化一、煤的焦化(一)煤炭焦化的定义煤炭焦化又称煤炭高温干馏。
以煤为原料,在隔绝空气条件下,加热到950℃左右,经高温干馏生产焦炭,同时获得煤气、煤焦油并回收其它化工产品的一种煤转化工艺。
产品用途:煤经焦化后的产品有焦炭、煤焦油、煤气和化学产品3类。
(二)烟煤炼焦技术煤料在焦炉过程中主要受到来自两侧炉墙的高温作用,从炉墙到炭化室中心方向,煤料逐层经过干燥、脱水、脱除吸附气体、热分解、胶质体的产生和固化、半焦形成和收缩等阶段。
最终形成焦炭。
实际生产过程中,各阶段之间互相交错、难以截然分开。
1、开燥脱吸阶段:120℃以前放出外在水分和内在水分,200℃以前析出吸附于煤孔隙中的气体。
2、热解开始阶段:这一阶段的起始温度随煤变质程度而异,一般在200-300℃发生,主要产生化合水和CO2、CO和CH4等气态产物,并有微量焦油析出。
3、胶质体产生和固化阶段:大部分黏结性烟煤在350-450℃大量析出焦油和气体。
几乎全部焦油在这一温度下产生,释放的气体以CH4及其同系物为主,别有少量不饱和烃CnHm和H2、CO、CO2等。
这些液体、气体和残余的煤粒一起形成胶质体状态。
进一步加热,胶质体热解更加激烈,析出大量挥发物,黏结性烟煤煤熔融、相互黏结,固化为半焦。
4、半焦收缩和焦炭形成:500℃左右黏结性烟煤经胶质体状态,散状煤粒熔融、相互黏结而形成斗焦。
温度继续升高,700℃之前,半焦内释放出的挥发物以H2和CH4为主,并使半焦收缩产生裂纹,称为半焦收缩阶段。
700-950℃半焦进一步热分解,析出少量以H2为主要成分的气体,半焦进一步收缩,使其变紧变硬,裂纹增大,最终形成焦炭。
二、煤的气化(一)煤炭气化的定义煤炭气化是指煤在特定的设备内,在一定温度及压力下使煤中有机质与气化剂(如蒸汽/空气或氧气等)发生一系列化学反应,将固体煤转化为含有CO、H2、CH4等可燃气体和CO2、N2等非可燃气体的过程。
煤炭气化时,必须具备三个条件,即气化炉、气化剂、供给热量,三者缺一不可。
气化过程发生的反应包括煤的热解、气化和燃烧反应。
煤的热解是指煤从固相变为气、固、液三相产物的过程。
煤的气化和燃烧反应则包括两种反应类型,即非均相气-固反应和均相的气相反应。
(二)气化的分类:目前煤的气化方法已达60多种,其分类方法也是多种多样的,:1、按入炉煤粒度划分的有粉煤(100-200目)气化,小粒度煤(0-10mm)气化、块煤(6-100mm)气化。
2、按煤在炉内状况划分界线的有固定床(或称移动床)气化、流化床(或称沸腾床)气化、气流床气化、熔渣床(或称熔盐床)气化。
3、按气化介质划分的有空气、空气-蒸汽、富氧空气-蒸汽、蒸汽和氢气等。
4、按煤气用途划分的有燃料煤气、城市煤气、高热值煤气、还原气等。
5、按煤气热值划分的有低热值气(1000-1500KCAL/m3)和高热值煤气(4000KCAL/m3)以上。
6、按排灰方式划分,有固态排渣、液态排渣、灰团聚排渣气化。
7、按操作方式划分,有常压气化和加压气化。
以下主要介绍按煤炭气化工艺可按压力、气化剂、气化过程供热方式等分类,常用的是按气化炉内煤料与气化剂的接触方式区分,主要有:1、固定床气化:在气化过程中,煤由气化炉顶部加入,气化剂由气化炉底部加入,煤料与气化剂逆流接触,相对于气体的上升速度而言,煤料下降速度很慢,甚至可视为固定不动,因此称之为固定床气化;而实际上,煤料在气化过程中是以很慢的速度向下移动的,比较准确的称其为移动床气化。
对煤的要求:对煤种有一定要求,煤的黏结性不能太强,要求使用块煤2、流化床气化:它是以粒度为0-10mm的小颗粒煤为气化原料,在气化炉内使其悬浮分散在垂直上升的气流中,煤粒在沸腾状态进行气化反应,从而使得煤料层内温度均一,易于控制,提高气化效率。
对煤的要求:对原料煤性质有一定要求,一般要求使用化学反应性好的年轻褐煤、长焰煤和不黏煤,不适用于有黏结性的煤,灰熔融性软化温度(ST)要求较高。
3、气流床气化:它是一种并流气化,用气化剂将粒度为100um以下的煤粉带入气化炉内,也可将煤粉先制成水煤浆,然后用泵打入气化炉内。
煤料在高于其灰熔点的温度下与气化剂发生燃烧反应和气化反应,灰渣以液态形式排出气化炉。
对煤的要求:对煤质基本没有要求,适应性广。
煤粉在炉内停留1-2S即完成了气化。
4、熔浴床气化:它是将粉煤和气化剂以切线方向高速喷入一温度较高且高度稳定的熔池内,把一部分动能传给熔渣,使池内熔融物做螺旋状的旋转运动并气化。
目前此气化工艺已不再发展。
以上均为地面气化,还有地下气化工艺。
三、煤的液化(一)煤液化的定义煤的液化就是在一定条件下(温度、压力、催化剂、溶剂、氢气等)将固体煤炭转化为烃类液体燃料和化工原料的过程。
煤炭液化油也叫人造石油,煤和石油都是主要由C、H、O这三种元素构成,但煤的平均分子量大于石油,且H元素含量较低,煤的液化主要指的是使煤的大分子变小,并通过催化加氢而液化,其主要任务是将煤中的H/C比调整至适当的数值。
煤炭是重要的能源,储量极为丰富,而石油、天然气储量相对少得多,很难满足消费富,而石油、天然气储量相对少得多,很难满足消费增长的需求。
因此,世界许多国家都在研究煤炭液化技术。
(二)煤液化的用途煤炭液化除为了生产石油代用品外,还可以用于精制煤炭获得超纯化学煤,作炭素制品、炭纤维、针状焦的原料和粘结剂等,也可制取有机化工产品等,为发展一碳(C1)化学,改变有机化工结构综合利用范围开辟了新途径。
煤的液化,主要是生产液体燃料和高附加值化工产品,以此来替代部分石油产品,补偿我国石油资源的短缺。
煤炭液化由于采用的工艺和催化剂的不同,可以生产汽油,柴油, (液化石油气),并提取 (苯,甲苯,二甲苯),也可以生产乙烯,丙烯,: 烯烃和石蜡等化工原料和产品.煤炭液化可以加工高硫煤,硫是煤直接液化的助催化剂,煤中的硫在气化和液化过程中转化成再经分解可以得到元素硫产品。
(三)煤液化的分类煤炭液化的主要方法分为煤的直接液化和煤的间接液化二大类。
煤的液化有两个途径:其一是使(脱硫)煤在高温、高压条件下与H2反应,直接转化为液体燃油,即煤的直接加氢液化;其二是先使(脱硫)煤气化生成(CO+H2)合成气,再由合成气合成液体燃油,即煤的间接液化。
(四)煤液化技术煤的结构为由许多有机芳香性高分子化合物组成的混合物,其骨架基本是以多环芳香结构为单位的多核结构,煤的液化过程,就包含将固体高分子结构解聚进行低分子化的化学反应。
从煤中得到液体燃料大致有三条途径:a、在煤的结构单位尽可能保持不变的情况下低分子化得到液体产物,即所谓降解液化反应;b、利用煤的热分解炼焦过程,把副产品焦油作为液体燃料的干馏热解;c、煤气化全部转化为CO和H2,从合成气出发转化为液体燃料的合成。
对第二种方法来说,由于煤的芳香结构单位相当稳定,主要由侧链生成的CmHn烷烃量不多,所得到的产品是以芳香族化合物为主的重质液体燃料,而用合成法以CO和H2为原料有可能合成所有的有机化合物,并可得到轻质液体燃料。
煤的液化方法很多,从目前来看,大多采用直接液化法和间接液化法两种。
1、直接液化法。
又分为热解法和加氢法两种。
a、热解工艺是指煤在隔绝空气条件下进行分解,煤中的氢重新分配,产生液体、气体产品和大量半焦。
其中半焦可作燃料或生产燃料气、合成气以及进一步制取液体燃料的原料。
液体产品是一种复合焦油,需加氢精制才能成为可用的液体燃料。
b、煤的直接加氢液化就是在高温作用下以及在高压氢气、催化剂(溶剂精炼煤有时不用)和溶剂的存在下进行分解及加氢等反应,直接将煤转化为分子量较小的燃料油和化工原料。
如果煤在受热分解过程中不加入氢气,那么裂解后的产物只能靠自身发生氢的再分配而稳定,即一部分发生热缩聚反应生成H见原子比重更低,分子量更大的物质——半焦或焦炭,而另一部分与前者脱下的氢反应生成H此原子比较高、分子量较小的物质—一油和气态烃,但生成的数量较少。
如果在煤热解过程中加入充分的氢气,则裂解产物能迅速与周围的氢作用,生成稳定的分子量较低的物质,这样就能抑制热缩聚反应的进行,使煤能全部或绝大部分转化为液体燃料和气态烃。
这就是煤加氢液化的基本原理。
煤直接加氢液化效果的好坏,一般用下列三个指标来衡量:a、煤转化为液体油的比率;b、煤转化为指标来衡量:低分子产物速度的快慢;c、氢耗量的多少。
影响煤加氢液化效果的因素主要有原料煤的性质、催化剂、溶剂、反应压力和反应温度等。
催化剂在加氢液化过程中的主要作用是使反应物活化,同时还应有选择性(指能促进有利反应,抑制热缩聚等不利反应)。
从实用看,催化剂多为锡、氯和铝的化合物,其中以AL2O3。
作为载体较为普遍。
溶剂在煤加氢液化过程中的作用是将煤在高温下溶解,增加与氢的接触,从而使煤的转化率和液化产率提高,并为煤的液化提供氢,此外溶剂还能与煤进行反应,生面稳定的溶解产物。
液化过程中采用高压的目的是为了增大反应速度,将煤加热到适当的温度(一般为400~480℃)是为了提高液体油的收率。
2、煤的间接液化。
亦称气化合成法,是指先将煤气化得到的煤气(即水煤气,主要成分为CO 和H2)在一定条件(温度、压力)下经催化合成得到合成石油和其它化学产品的加工过程。
这种方法是德国人Fischer和Tropsch在1932年创造的,所以又称F-T法(费—托法)。
煤的间接液化,除了在南非发展改良的F–T合成工厂经外,还开发出甲醇转娈成优质汽油的MO-bil法,随着合成反应器的改进和合成复合催化剂的研制成功,开发出合成气直接合成汽油的一段和二段新的工艺技术,简化了工艺过程,降低了产品成本。