保留灌肠和不保留灌肠操作步骤】
- 格式:doc
- 大小:30.00 KB
- 文档页数:3
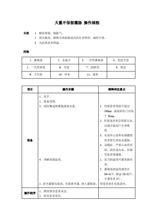
大量不保留灌肠操作规程
目的 1 解除便秘、肠胀气。
2 清洁肠道,稀释并清除肠道内的有害物质,减轻中毒。
3 为高热患者降温。
用物
患者/家属教育 1 告知灌肠的目的。
2 灌肠前可让患者和家属准备好卫生纸,并注意保暖。
3 身体虚弱者或老年患者要家属陪同,注意安全,防止坠床或跌倒,
告知患者如有不适,即刻告诉护士。
4 灌肠时患者若产生腹痛、腹胀等不适即刻告知护士。
护理记录灌肠结果及灌肠后病情变化。
风险防范 大量不保留灌肠时存在肠道感染,肠道黏膜损伤,肠道出血,肠穿孔、肠破裂,水中毒、电解质紊乱,虚脱,排便困难,大便失禁,肛周皮肤擦伤等风险,其防范流程如下:。
大量不保留灌肠的流程
大量不保留灌肠是一种常见的医疗程序,用于清洁肠道并促进消化系统的健康。
在进行大量不保留灌肠之前,需要准备好所需的器材和药物,确保操作过程安全有效。
下面将详细介绍大量不保留灌肠的流程。
首先,准备好所需的器材和药物。
这包括灌肠袋、温水、肥皂或其他灌肠液、润滑剂、毛巾和洗手液。
确保器材和药物的清洁卫生,以免引起感染或其他不良反应。
接下来,准备好灌肠液。
通常可以选择使用生理盐水、温水或特制的灌肠液。
将灌肠液倒入灌肠袋中,并确保温度适宜,一般为37摄氏度左右。
然后,选择一个合适的位置进行灌肠。
可以选择躺在床上或者趴在浴缸上,确保舒适和便于操作。
在进行灌肠之前,可以先排空膀胱,以减少不适感。
接着,将灌肠袋悬挂在合适的高度。
通常建议将灌肠袋悬挂在大约1米高的位置,以确保灌肠液能够顺利流入肠道。
然后,使用润滑剂涂抹灌肠管的末端,并轻轻插入肛门。
在插入过程中要注意轻柔,以免刺激肠道。
接下来,打开灌肠袋的夹子,让灌肠液缓慢流入肠道。
在灌肠过程中,可以适当改变体位,帮助灌肠液充分进入肠道。
最后,等待一段时间后,将灌肠液排出。
可以选择就位在马桶上,让肠道自然排空。
在排空过程中,可以适当按摩腹部,帮助肠道排出残留的灌肠液和废物。
总之,大量不保留灌肠是一种常见的清洁肠道的方法,可以帮助促进消化系统的健康。
在进行大量不保留灌肠时,需要注意器材和药物的准备,选择合适的位置和体位,以及轻柔操作,确保安全和有效。
希望以上介绍的流程可以帮助您更好地进行大量不保留灌肠。
灌肠法的操作程序及注意事项(一)大量不保留灌肠法1、目的⑴解除便秘、肠胀气。
⑵清洁肠道,为肠道手术、检查或分娩做准备。
⑶稀释并清除肠道内的有害物质,减轻中毒。
⑷灌入低温液体,为高热患者降温。
2、评估⑴患者的病情及治疗情况。
⑵患者的意识状态、生命体征、排便情况和生活自理能力。
⑶患者心理状态及对灌肠的理解、配合程度。
⑷患者肛周围皮肤、黏膜情况。
3、操作程序⑴素质要求(衣帽、仪表、态度)⑵洗手、戴口罩⑶准备用物按医嘱备灌肠液、弯盘、肛管(18~22号)、灌肠筒(一次性灌肠袋)、1000ml量杯、润滑油、止血钳、手纸、水温计、搅棒、一次性尿布、输液架、便盆、手套。
⑷按医嘱配灌肠液①一般为0.1%~0.2%肥皂水或生理盐水(温度39~41℃,降温用28~32℃)。
②液量:成人500~1000ml,儿童200~500ml。
⑸二人对查⑹携用物至患者床旁①查对患者床头牌,呼唤患者姓名。
②向患者解释操作的目的并嘱患者排尿。
③关闭门窗,遮挡患者。
④将枕头稍移向操作者,协助患者取左侧卧位,脱裤至膝部(用棉被覆盖病床准备患者胸、背及下肢)。
暴露臀部,臀部稍移至床沿,将双膝屈曲。
高龄者可取仰卧位(臀下垫便盆)。
⑤臀下垫一次性尿布。
⑥调节输液架的高度(患者肛门至灌肠筒内液面40~60cm)。
⑦将灌肠筒挂于输液架上,橡胶管前端放置弯盘内(如灌肠袋已连接肛管,可将肛管放于灌肠袋内)。
⑧备4块卫生纸于尿布上。
⑺灌入①戴手套。
②取卫生纸涂凡士林润滑肛管前端10~15cm。
③将肛管尾端与橡胶玻璃接管衔接(冲洗袋已连接)。
④排除管内气体(排气时将液体至于弯盘内),夹紧肛管。
⑤左手取一卫生纸分开臀部,暴露肛门。
⑥嘱患者张口深呼吸,持肛管按解剖特点轻轻插入直肠(即先向前,再向后)7~10cm,小儿约4~7cm。
⑦左手固定肛管、右手松开止血钳,使溶液缓缓流入。
⑻观察①控制流速,观察患者的反映。
②出现便意时持灌肠筒适当降低,并减慢流速或暂停片刻,嘱患者张口呼吸(减轻腹压)。
保留灌肠是一种重要的给药方式,过程中需要注意一些要点,具体如下:
1、动作轻柔:在注射灌肠剂的时候,灌肠剂从肛管由肛门进入时要缓慢、轻柔地往里推进。
当肛管进入到一定程度进不去时,前方被肠黏膜遮挡住,此时不能暴力地推进肛管,一定要往后退。
退1-2cm肛管以后,肛管头部受到直肠内自然压力的推压,自然会向直肠的中心空虚处移动,这时再推进肛管,也就是肛管的置入需要反复进进退退的状态,直到达到大概12cm的长度。
这个时候将灌肠液缓慢地推进到直肠内,1-3分钟之内推进完,保留1-2分钟,再缓慢地将肛管拔出肛门。
这个过程一定要缓慢,不能快速拔出,否则可能会有灌肠液沿着肛管漏出;
2、控制容量:直肠大概能够容纳50-200ml的液体,每个人有差异,通常需要灌50-70ml的液体保留在直肠内,有些人可能会容纳更多的液体。
也有一部分人容纳不了70ml,灌完后必须马上排出,此种情况下,下次再灌肠就要减少灌肠液,逐渐摸索出患者能够容纳的容量。
大量不保留灌肠的操作流程简略
1.准备工作
在进行大量不保留灌肠前,确保以下准备工作已完成: - 确认灌肠设备的完整性和清洁度。
- 准备足够的清洁灌肠液以满足预定数量的灌肠。
- 手套、护理垫、擦拭物品等个人卫生用品。
- 打开窗户保证通风良好等工作环境。
2.操作流程
2.1 准备病人
•告知病人进行灌肠的目的和流程。
•让患者充分膀胱空虚。
•请病人侧卧或盘腿蹲姿。
2.2 灌肠操作
•戴好手套,检查灌肠设备的完好性。
•打开灌肠液的包装,连接灌肠液袋至灌肠管。
•润滑灌肠管尖端,小心地插入病人的肛门,确保插入深度合适。
•缓慢挤压灌肠袋中的液体,确保肠道充分灌注。
•根据病情需要,可以轻轻按摩腹部帮助液体更好地分布。
2.3 清洗和拔管
•等待5-10分钟,让灌肠液在肠道中发挥作用。
•让病人排空肠道,等待排出患者离开后进行清洁。
•小心拔出灌肠管,避免液体外溢。
处理用过的灌肠设备。
3.注意事项
•注意病人的舒适感和肠道反应,避免过度灌注。
•严格执行卫生操作,避免交叉感染。
•注意灌肠管的插入深度,避免伤害直肠黏膜。
4.总结
大量不保留灌肠是一种常见的肠道清洁方法,操作流程需谨慎和细致。
在操作过程中注意病人的体验和安全,确保手术环境卫生洁净。
执行完毕后应及时清理消毒灌肠设备,以免细菌滋生。
大量不保留灌肠法【目的】1.解除便秘、肠胀气。
2.清洁肠道,为肠道手术、检查或分娩做准备。
3.减轻中毒稀释并清除肠道内的有害物质,减轻中毒。
4.降低温度灌入低温液体,为高热患者降温。
【操作前准备】1.评估患者并解释(1)评估:患者的年龄、病情、意识状态、生活自理能力、心理状况和合作程度、排便情况以及肛周皮肤、黏膜情况。
(2)解释:向患者及家属解释大量不保留灌肠的目的、操作过程、注意事项及配合要点。
2.患者准备(1)了解灌肠的目的、操作过程、注意事项,并配合操作。
(2)排尿。
3. 环境准备:酌情关闭门窗,用围帘或屏风遮挡患者。
保持合适的室温和足够的照明。
4.护士准备:衣帽整洁,修剪指甲、洗手,戴口罩。
5. 用物准备(1)治疗车上层:放置治疗盘。
内置:灌肠液(遵医嘱),一次性灌肠器包(包内有灌肠简、引流管、肛管一套,垫巾,肥皂冻1包,纸巾数张,手套),弯盘,水温计,医嘱执行本,手消毒液。
(2)治疗车下层:便盆,便盆巾,垃圾桶(内置一次性黄色医用垃圾袋)。
(3) 灌肠溶液:常用0.1%~0.2%的肥皂液,0.9%氯化钠溶液。
成人每次用量为500~1000ml,小儿200~500ml。
溶液温度以39~41℃为宜,降温时用28-32℃,中暑用4℃。
(4)其他:输液架。
【操作步骤】1.核对:携用物至患者床旁,核对患者床号、姓名、腕带及灌肠溶液2.准备体位:协助患者取左侧卧位,双腿屈膝,褪裤至膝部,臀部移至床沿3. 及时盖好被子,暴露臀部,消毒双手4.垫巾:检查灌肠器包并打开。
取出并将垫巾铺于病人臀下,孔巾铺在病人臀部,暴露肛门,将弯盘至于病人臀部旁边,卫生纸(纱布)放治疗巾上5.准备灌肠简:取出灌肠筒,关闭引流管上得开关,将灌肠液倒入灌肠筒内,测量温度,将灌肠筒挂于输液架上,袋内液面高于肛门40-60CM6.戴手套7.润管、排气:润滑管前端、排尽管内气体、关闭开关。
8.插管:一只手垫卫生纸分开臀部、暴露肛门、嘱患者深呼吸,另一只手将肛管轻轻插入直肠7-10m,固定肛管9.灌液:打开开关,使液休缓缓流入10.观察:灌入液体过程中,密切观察筒内液面下降速度和患者的情况。
保留灌肠的操作流程1. 准备工作。
在进行保留灌肠之前,首先需要准备好必要的器材和物品。
包括灌肠袋、温水、润滑剂、肥皂、毛巾、手套等。
确保这些物品都是清洁的,并且在操作过程中能够方便取用。
2. 清洁肠道。
在进行保留灌肠之前,需要确保肠道是清洁的,这样可以提高灌肠的效果。
可以通过排便或者使用肠道清洁剂来清洁肠道。
在使用肠道清洁剂时,需要按照医生的建议和说明进行操作,以免造成不必要的不良反应。
3. 准备灌肠液。
将温水倒入灌肠袋中,温度一般在37-40摄氏度之间,确保水温适宜。
可以加入一些润滑剂或者肥皂,以便润滑和软化肠道,使灌肠操作更加顺利。
4. 就位。
选择一个安静、舒适的地方进行操作,可以躺下或者盘腿坐着。
在操作前,可以先放松一下,深呼吸几次,以减轻紧张和焦虑的情绪。
5. 开始灌肠。
将灌肠袋悬挂在合适的高度,一般在1-1.5米左右。
然后将灌肠管插入肛门,轻轻推进,直至管子全部插入。
慢慢打开灌肠袋的夹子,让液体缓慢流入肠道。
在灌肠的过程中,可以适当调整体位,以帮助液体更好地进入肠道。
6. 保持姿势。
在液体全部进入肠道后,需要保持一段时间的姿势,以便让液体在肠道内停留一段时间,发挥清洁或者治疗的作用。
一般建议保持20-30分钟左右。
7. 排空肠道。
在保持一段时间后,可以慢慢起身,到卫生间排空肠道。
在排空肠道时,需要轻轻用力,不要过于用力,以免伤害肠道。
8. 清洗清洁。
在完成灌肠操作后,需要将灌肠器材进行清洁和消毒。
将灌肠袋和管子用清水冲洗干净,然后用消毒液浸泡一段时间,最后晾干备用。
以上就是保留灌肠的操作流程,希望对大家有所帮助。
在进行灌肠操作时,一定要注意卫生和安全,严格按照操作流程进行,以确保操作的有效性和安全性。
如果有任何不适或者疑问,一定要及时咨询医生或者专业人士的意见。
大量不保留灌肠的操作流程是在进行大量不保留灌肠时,正确的操作流程非常重要,以确保整个过程安全有效。
以下是进行大量不保留灌肠的详细操作步骤:步骤一:准备工作在进行不保留灌肠前,首先要做好准备工作。
这包括准备好灌肠设备、灌肠液、止泻药、脱水剂等工具和药物。
确保工作环境整洁,消毒好手部和设备。
步骤二:患者准备让患者脱掉下身衣物,取出灌肠设备并清洗消毒。
让患者采取合适的体位,通常是左侧卧位。
确保患者感到安全和舒适。
步骤三:灌肠液准备将灌肠液倒入灌肠袋中,确保液体温度适中。
挂好灌肠袋,调节高度以控制液流速度,可以根据患者的耐受能力逐渐调整。
步骤四:开始灌肠涂抹适量润滑剂在灌肠管尖端,轻轻插入患者的肛门,注意不要用力和伤害到患者。
开始慢慢注入灌肠液,注意观察患者的反应和舒适度。
步骤五:调整姿势在灌肠过程中,可以让患者适当调整身体姿势,如左右翻身、膝胸位等,帮助液体充分灌入肠道各个部位。
步骤六:排空肠道当灌肠液充分进入肠道后,让患者保持一段时间以确保灌肠液充分起效。
然后让患者排空肠道,将排出的废物收集到特定容器中。
步骤七:结束灌肠当排空工作完成后,轻轻拔出灌肠管,让患者休息一段时间。
确保患者身体状况正常后可以离开。
步骤八:清洁工作清洁消毒灌肠设备,并妥善处理使用过的灌肠液和废物。
确保工作环境卫生整洁。
结束语以上就是大量不保留灌肠的操作流程。
在进行这一过程时,务必严格遵守操作规程,确保患者和操作者的安全和健康。
如有任何不适或疑问,应及时联系医生或专业人员进行指导。
愿每位患者都能在这个过程中得到有效的帮助和缓解。
大量不保留灌肠的流程灌肠是一种常见的治疗方法,可以帮助清洁肠道、排除毒素,对身体健康有着积极的作用。
而不保留灌肠则是一种更为彻底的肠道清洁方法,下面将介绍大量不保留灌肠的具体流程。
首先,准备好所需的工具和材料。
这包括灌肠袋、温水、润滑剂、毛巾、洗手液等。
确保这些工具和材料的清洁和卫生,以免造成感染或其他不良反应。
接着,准备好灌肠液。
可以选择温水或者加入适量的盐和小苏打。
温水可以帮助舒缓肠道,盐和小苏打则可以起到清洁和消毒的作用。
根据个人的情况和需要,确定灌肠液的温度和浓度。
然后,找到一个安静、舒适的环境。
在进行不保留灌肠时,身心放松非常重要。
选择一个安静的空间,可以放一些轻音乐或者进行深呼吸等放松技巧,有助于舒缓情绪和放松肌肉。
接下来,准备好灌肠设备。
将灌肠袋挂在合适的高度,一般建议为1-1.5米高。
确保灌肠管的清洁和无损,涂抹适量的润滑剂以方便插入肛门。
然后,采取适当的体位。
一般来说,俯卧位是进行不保留灌肠的最佳体位。
可以侧卧或者膝胸位,以便更好地让灌肠液进入肠道。
接着,缓慢地将灌肠管插入肛门。
插入的深度一般为10-15厘米,可以根据个人的情况和感觉来调整。
在插入过程中,要保持呼吸平稳,放松身体。
然后,缓慢地打开灌肠袋,让灌肠液进入肠道。
一般来说,初始时会感到一些不适,但随着肠道逐渐扩张,会逐渐感到舒适。
可以适当调整灌肠液的流速和流量,以便更好地适应。
最后,等待排便。
在灌肠液进入肠道后,可以适当按摩腹部,帮助促进肠道蠕动和排便。
等待一段时间后,会有大量的排便,将体内的毒素和废物排出。
总之,大量不保留灌肠是一种有效的肠道清洁方法,可以帮助排除体内的毒素和废物,对身体健康有着积极的作用。
在进行不保留灌肠时,需要注意准备工具和材料、保持环境的清洁和舒适、采取适当的体位和姿势,以及缓慢进行灌肠和等待排便。
希望以上介绍对您有所帮助,祝您身体健康!。
保留灌肠操作要点:
保留灌肠的操作要点主要包括以下几个方面:
1.排便:在操作前,需要先嘱咐病人主动排便,如果排便功能不正常,需要进行排便性灌肠,排掉
肠道内的大便。
2.体位:根据病人的病情不同,嘱咐病人采取恰当的灌肠体位,需要将臀部抬高约10厘米左右。
患者需要侧卧位,同时一条腿伸直,另一条腿需要屈曲,并且臀部还需要适当抬高,在臀部的下方一般需要放置一个能够吸水的袋子,以防止灌肠液流出到床上。
3.灌肠工具:根据灌注量的多少,选用合适的工具进行灌肠。
灌好肠以后让病人采取平卧位休息,
尽量保留在一个小时及以上。
4.灌肠液:选择合适的灌肠液,例如生理盐水、石蜡油、肥皂水等,根据患者的生体状况,还有疾
病种类来进行决定。
灌肠液的量需要根据医生的建议来决定。
5.注意事项:肛门、直肠、结肠手术后及大便失禁的患者不宜做保留灌肠。
急腹症、妊娠早期、消
化道出血的患者禁止灌肠;肝性脑病患者禁用肥皂水灌肠;充血性心力衰竭和水钠潴留患者禁用生理盐水灌肠。
6.风险告知:灌肠前,患者需要签好灌肠风险告知书,因为灌肠可能会出现肠穿孔、肠出血等并发
症,尤其是老年患者便秘或者肛肠手术之前。
7.操作过程:在灌肠过程中,若患者感觉腹胀有便意,应告知医生,方便医生调整灌肠速度和改变
药量;同时患者要张口呼吸,减轻腹压。
灌肠结束后,患者要尽可能保留5-10分钟后再排便。
大量不保留灌肠操作规程在医疗领域,灌肠是一种常见的治疗方法,通常用于清洁肠道、排除毒素或进行其他治疗目的。
大量不保留灌肠是一种特殊的灌肠方式,它需要更加严格的操作规程来确保治疗效果和患者安全。
灌肠前准备在进行大量不保留灌肠之前,医护人员需要进行充分的准备工作。
首先要进行患者的全面评估,包括病史了解、体格检查、肠道通畅情况等。
确保患者没有禁忌症和适合接受大量不保留灌肠治疗。
操作步骤步骤一:准备灌肠液1.准备所需的灌肠液,通常是生理盐水或其他医用液体。
2.确保灌肠液的温度适宜,一般为37摄氏度左右。
步骤二:准备设备1.准备灌肠袋或灌肠管等必要设备。
2.确保设备清洁消毒,避免交叉感染。
步骤三:准备患者1.告知患者操作过程,并取得患者同意。
2.让患者保持侧卧位或其他适合的姿势。
步骤四:进行灌肠1.将灌肠液缓慢注入患者肠道,控制流速。
2.在注入过程中,观察患者反应,如出现不适应及时停止。
3.记录注入的液体量和时间。
步骤五:排空肠道1.等待一定时间后,帮助患者排空肠道。
2.观察排出的情况,密切关注患者的反应。
注意事项1.在灌肠过程中应严格控制灌肠液的温度和流速,避免对患者造成不适。
2.注意观察患者的反应,如出现异常情况应及时处理。
3.在灌肠后,密切观察患者的肠道反应和排便情况。
结语大量不保留灌肠是一种需要谨慎操作的治疗方法,医护人员在进行操作时需遵循严格的规程并关注患者的情况,以确保治疗效果和患者安全。
愿每位患者都能在医疗团队的呵护下尽快康复。
保留灌肠的步骤操作方法保留灌肠是一种常见的医疗操作,用于清除肠道,缓解胃肠道不适症状或准备手术前的准备工作。
以下是保留灌肠的步骤操作方法。
1. 准备工作a. 确保所有需要的灌肠器材和药物已准备齐全,如灌肠袋,皮肤消毒剂,润滑剂,灌肠管,开关等。
b. 将患者安置在侧卧位或趴卧位上,确保患者的隐私和舒适。
2. 清洁患者肛门a. 使用温水和肥皂以及柔软的毛巾或棉球,仔细清洁患者的肛门区域。
确保移除所有污物和残留物,以避免感染和不适感。
3. 准备灌肠袋a. 取出灌肠袋,并确保灌肠袋内无气泡。
让灌肠袋中完全注满准备好的灌肠液。
4. 准备灌肠管a. 在灌肠管的一端涂抹润滑剂,以方便灌肠管的插入。
b. 轻轻将灌肠管插入患者的肛门,并慢慢推进到肠道中。
如果遇到阻力,可停下来,并轻轻旋转灌肠管,以帮助它顺利通过。
5. 开始灌肠a. 小心打开灌肠袋的开关,让灌肠液缓慢进入患者的肠道。
注意控制液体的流速,避免过于快速或过于缓慢。
b. 一般情况下,患者可以感受到肠道内液体的充盈感。
如果患者出现不适或痛感,应立即停止灌肠。
6. 持续灌肠a. 灌肠液进入患者的肠道后,用手轻轻按压患者的腹部,有助于促进灌肠液在肠道中的分布。
b. 根据医嘱和患者的需要,持续灌肠一段时间。
通常灌肠时间为15到30分钟。
7. 排空灌肠液a. 等待一段时间后,患者内部可能会出现排便或排气感觉。
患者应被告知允许灌肠液和排便残留物排出。
也可以使用置肛管帮助患者排空肠道。
8. 清洁和整理a. 完成灌肠后,使用温水和肥皂再次清洁患者的肛门区域,以确保清除灌肠液和残余物。
b. 将灌肠器材进行清洁消毒,并妥善保存。
需要注意的是,在进行保留灌肠时,医护人员应严格按照操作规范和医嘱进行,并密切关注患者的生命体征和不适症状的变化。
如出现异常情况或患者不适,应及时停止灌肠并寻求医生的指导。
此外,由于灌肠操作需要专业知识和技能,建议在医疗专业人员的指导下进行,以确保操作安全和效果。
保留灌肠操作流程保留灌肠是一种治疗或预防便秘、肠胃道炎症等病症的常见操作。
以下是保留灌肠的操作流程及注意事项。
1. 准备工作首先,需要准备好灌肠设备,包括一套灌肠袋、灌肠管、润滑剂等。
此外,还需要准备好温水和选择合适的灌肠液,如生理盐水或糖盐水。
2. 病人准备病人需要脱掉下身的衣物,并在卧室中找到一个舒适的位置进行灌肠操作。
如果需要,可以使用垫子或毛巾来保护床单。
病人需要在操作前先排尽大便。
3. 灌肠袋准备将灌肠袋盖打开,放入温水和灌肠液。
根据病情和医嘱,可以提前预约皮肤病科医生,给病人进行专业的灌肠操作。
4. 灌肠管插入将灌肠管的一端涂抹上润滑剂,然后缓慢地将其插入病人的肛门,直到约10-15厘米深。
5. 开始灌肠将灌肠袋抬高放置,使灌肠液缓慢地进入病人的肠道。
病人应注意保持放松,并适度调整灌肠袋的高低,以控制液流速度。
6. 肠道冲洗待灌肠液入肠一段时间后,开始出现排便感觉时,病人应抓住灌肠管,将其轻轻拔出,以便将灌肠液排出。
重复此操作,直到灌肠袋内的液体排空,或直到达到医生指示的灌肠量。
7. 结束操作当灌肠袋中的液体排空时,小心地将灌肠管取出,并让病人暂时躺在床上。
接下来,病人应慢慢恢复正常体位,并尽量保持卧床休息一段时间。
在进行保留灌肠操作时,还需要注意以下几点:1. 注意卫生操作前,必须保持灌肠设备和操作环境的清洁,以避免细菌感染。
在操作过程中,需要采取相应的卫生措施,如勤洗手、使用一次性手套等。
2. 注意温度灌肠液的温度应与体温相近,约37℃左右。
过热或过冷的液体都可能引起不适,甚至损伤肠道。
3. 注意液体量灌肠的液体量应根据医生的指示进行,不可太多或太少。
太多的液体可能会压迫肠道,引起不适或伤害。
4. 注意肛门感染肛门是细菌繁殖的热点,因此灌肠操作后需要及时清洁肛门,保持干燥,以预防感染。
5. 注意异常症状如果在灌肠操作中出现异常症状如剧痛、出血、大量泡沫排出等,则应立即停止操作,并及时就医。
中药保留灌肠的操作方法中药保留灌肠是一种传统的中医治疗方法,通常用于清洁肠道、排毒、改善肠道功能和调节身体健康等目的。
下面是中药保留灌肠的一般操作方法:材料准备:1. 中药粉剂:根据个人需要选择适合的中药粉剂,并确保它是经过中药师配方的。
2. 保留灌肠袋:从药店购买一只专用于保留灌肠的袋子,并确保其清洁无菌。
3. 温水:用温水来调配中药粉剂。
操作步骤:1. 准备工作:- 用温水清洗保留灌肠袋,确保其清洁无菌。
可以使用温和的肥皂或洁净剂。
- 将中药粉剂按照中药师的建议量取出。
2. 加药:- 把中药粉剂倒入保留灌肠袋中,然后加入适量的温水。
按照中药师的指示,店内中药粉剂和水的比例控制在合适的范围内。
- 用手轻轻搅拌保留灌肠袋,使中药粉剂和温水充分混合。
3. 就位:- 躺在一个平坦而且容易清洁的表面上,比如浴缸或者铺有坚固防水的床单的地板。
4. 插入保留灌肠袋:- 把保留灌肠袋贴近肛门,缓慢地将其插入直肠。
可以使用一些润滑剂来减少不适感。
5. 中药阶段:- 温缓地同时注入中药粉剂和温水。
如果有任何不适感,应该停止灌肠过程,并通过与中药师沟通解决问题。
- 中药粉剂的量根据需要和个人体能来确定,并可在中药师的指导下逐渐增加。
6. 保持时间:- 中药灌肠结束后,保持足够长的时间,使中药在肠道内起作用。
一般来说,至少保持20分钟,以便中药被充分吸收。
7. 排泄:- 等待一段时间,使保留灌肠袋的液体排出体外。
可以到卫生间或合适的排泄容器进行排泄。
排泄后,将袋子从肛门中移出。
在进行中药保留灌肠之前,一定要咨询专业中医师的指导,根据个人情况和需求进行操作。
同时,注意保持消毒和卫生,以避免感染。
如果出现任何不适或疑问,请及时就医。
大量不保留灌肠操作流程1. 准备工作。
在进行大量不保留灌肠之前,首先需要准备好相关器材和药品。
包括灌肠袋、温水、润滑剂、洗肠套装、手套、棉签、消毒酒精、医用垃圾袋等。
同时,需要确认患者的身体状况是否适合进行大量不保留灌肠,例如是否有肠穿孔、肠梗阻等禁忌症状。
2. 术前准备。
在进行大量不保留灌肠前,需要与患者进行沟通,告知操作的目的、过程和可能的不适感。
同时,让患者保持平躺位,解开衣物,保持舒适。
为了保护患者的隐私,需要拉上帘子或者在私密的环境中进行操作。
3. 操作流程。
(1)洗手。
操作人员需要洗净双手,并且戴上手套,以避免交叉感染。
(2)准备灌肠袋。
将灌肠袋挂在合适的高度,通常是1米左右,使得液体能够顺利流入患者的肠道。
(3)准备灌肠液。
将温水倒入灌肠袋中,温度通常在37-40摄氏度之间,以保持患者的舒适感。
(4)润滑器械。
使用润滑剂涂抹灌肠管或洗肠套装,以便于插入患者的肛门,并且减少患者的不适感。
(5)插入肛门。
将润滑好的灌肠管或洗肠套装轻轻插入患者的肛门,深度约为5-10厘米,注意不要过深,以免损伤肠道。
(6)灌入液体。
缓慢地将灌肠袋中的液体注入患者的肠道中,注意观察患者的反应,如有不适应立即停止注入。
(7)排出废物。
在注入一定量的液体后,患者会感到肠鸣和腹胀,这时需要协助患者排出废物,可以使用棉签轻轻按摩患者的腹部,促进排便。
(8)清洗器械。
操作完成后,需要将使用过的器械进行清洗和消毒,以确保下次使用时的卫生安全。
4. 术后护理。
大量不保留灌肠操作完成后,需要给予患者适当的护理。
包括帮助患者更换衣物、清洁肛门和周围皮肤、观察患者的反应等。
以上就是大量不保留灌肠操作流程的详细介绍,希望对相关人员有所帮助。
在进行大量不保留灌肠时,需要严格按照操作流程进行,以确保患者的安全和舒适。
同时,操作人员需要具备相关的专业知识和技能,以保证操作的准确性和有效性。
希望本文能够对相关人员有所启发,提高操作的质量和安全性。
大量不保留灌肠法的操作流程:
1、备齐用物,携至病员床旁,向病员解释清楚,以取得合作,关闭门窗,用屏风遮挡,嘱病员排尿。
2、取左侧卧位,脱裤至膝部,双膝屈曲,使臀部移近床沿,垫橡胶单和治疗巾于臀下,弯盘至臀边。
如病员肛门扩约肌失去控制能力者可取仰卧位,臀下置便盆,盖好盖被,勿暴露病员肢体。
3、挂灌肠筒于输液架上,液面距肛门40-60厘米,肛管前端涂肥皂水(石蜡油)润滑,放出少量液体于弯盘内,排出管内气体,用止血钳夹紧,左手分开臀部,显露肛门,将肛管轻轻插入直肠7-10厘米,松开止血钳,固定肛管,使溶液缓缓流入。
4、如溶液流入受阻,可稍移动肛管,必要时拔出检查有无粪块阻塞。
如病员有便意,应将灌考试,大收集整理肠筒适当放低,并嘱病员深呼吸,以减轻腹压。
5、待溶液将要灌完时,夹住橡胶管,用卫生纸包住肛管拔出放入弯盘内,擦净肛门。
嘱病员平卧尽可能保留5-10分钟以上,以利粪便软化。
6、不能下床病员,给予便盆,将卫生纸及信号灯放病员易取处。
7、清理用物,冲洗肛管,放消毒液内浸泡,然后进行清洗和消毒。
8、便毕,协助虚弱病员擦净肛门,取出便盆和橡胶单,治疗巾,整理盖被,开门窗通风,协助病员洗手,卧床休息。
9、在当天体温单的大便栏内记录结果。
1/E表示灌肠后大便一次;0/E表示灌肠后无大便排出;1,1/E表示自行排便一次,灌肠后又排便一次。
保留灌肠标准操作
(一)目的
自肛门灌入药物,保留在直肠或结肠内,通过肠粘膜吸收,达到治疗目的。
常用于镇静、催眠及
应用肠道杀菌剂等。
(二)准备质量标准
1、着装整洁。
2、用物
(1)治疗盘内备:注洗器,药杯或量杯盛指定溶液,肛管、温开水,弯盘,卫生纸,橡胶单,治疗巾,肥皂液(石蜡油),血管钳。
(2)肛管型号软硬度合适。
(3)便盆。
(4)病员环境准备完善。
(5)口述常用溶液及温度。
(三)操作流程质量标准
1、备齐用物,携至病员床旁,向病员解释清楚,以取得合作。
2、嘱病员排便或作大量不保留灌肠。
3、取侧卧位,根据病情定左、右。
裤褪至膝部,臀部移近床沿,垫橡胶单与治疗巾于臀下,并抬高臀部约10厘米(小枕垫于臀下)。
4、抽吸药液,连接肛管、排气、润滑肛管前段,反折肛管;左手分开臀部显露肛门,右手轻轻插肛管入肛门内15厘米左右。
5、抬高注洗器,液面不超过30厘米,放松肛管,让溶液缓缓流入。
6、溶液将流尽时,倒温开水5-10毫升,反折肛管拔出手指包住肛管置弯盘内,然后用手纸在肛门处轻轻按柔。
7、待10-15分钟后,取出水枕、橡胶单与治疗巾,整理床铺、环境、清理用物。
(四)终末质量标准
1、操作符合保留要求。
2、不污染衣裤,床单。
3、口述保留灌肠目的及出现下列情况的处理:
(1)肛管插入受阻。
(2)灌肠时病人有便意。
(五)注意事项
1、在作保留灌肠前,对灌肠的目的和病变的部位应了解清楚,以便掌握灌肠的卧位和插入导管的深度。
2、灌肠前应嘱病员先排便。
肛管要细,插入要深,液量要少,压力要低,使灌入药液能保留较长时间,保留时间愈长愈好,有利于肠粘膜的充分吸收。
3、肛门、直肠、结肠等手术后的病员,排便失禁的病员不宜作保留灌肠。