机械制图模拟试卷 三
- 格式:pdf
- 大小:197.54 KB
- 文档页数:3
职业技能鉴定国家题库制图员高级理论知识试卷科目代码: 130 注意事项1、考试时间: 120 分钟。
2、本试卷依据2001 年颁布的《制图员(机械) 国家职业标准》命制。
3、请首先按要求在试卷的标封处填写您的姓名、准考证号和所在单位的名称。
4、请仔细阅读各种题目的回答要求,在规定的位置填写您的答案。
5、不要在试卷上乱写乱画,不要在标封区填写无关的内容。
一、单项选择(第 1 题~第 80 题。
选择一个正确的答案,将相应的字母填涂在答题卡相应的位置上。
每题 1 分,满分 80 分。
)1. 职业道德是社会道德的重要组成部分,是社会道德原则和规范在 ( )中的具体化。
A、人生价值B、企业制度C、社会活动D、职业活动2. ( )是指一个人在政治思想、道德品质、知识技能等方面所具有的水平。
A、基本素质B、讲究公德C、职业道德D、个人信誉3. 制图国家标准规定, ( )尺寸应优先选用 5 种基本幅面尺寸。
A、图框格式B、图纸幅面 C 、标题栏 D、图框线4. 在( )同一图样中,粗线的宽度为b,细线的宽度应为b/4。
A、技术制图B、建筑制图C、机械制图D、美术绘图5. 目前,在机械图样中仍采用GB4457.4-84 中规定的( )种线型。
A、4 B 、6 C 、8 D 、106. 对圆弧标注半径尺寸时,尺寸线应由圆心引出, ( )指到圆弧上。
A、尺寸线B、尺寸界线C、尺寸箭头D、尺寸数字7. 铅芯有软、硬之分, ( )。
A、“H”表示软,“B”表示硬B、“B”表示软,“H”表示硬C 、“R”表示软,“Y”表示硬D 、“Y”表示软,“R”表示硬8. 铅芯削磨形状为( )的铅笔用于画粗实线。
A、柱形B、锥形 C 、球形 D、矩形9. 中心投影法的投射中心位于 ( )处。
A、投影面B、投影物体 C 、无限远 D、有限远10. 用中心投影法将物体投影到 ( )上所得到的投影称为透视投影。
A、轴测投影面B、多个投影面C、垂直两面D、投影面11. ( )不属于典型的微型计算机绘图系统的组成部分。
机械制图模拟测试题带答案一、根据组合体轴流图画三视图,比例自定(20分)
四、补画剖视图中所缺的图线(10分)
五、将主视图改画成半剖视图《10分》
六、找出螺纹画法中的错误,在指定位置画出正确的图(10分)
七、按要求标注零件衰面的粗糙度代号(105» 1.030,028外圆柱面的Ra 值为1.6μm;
2.M20x1..5螺纹工作表面的RH 值为
3.2μm s
3 .镀枪工作衣面的RH 值为3.2PM,底面的Ra 值为6.3Mm :
4 .一销孔表面的Ra 值为3.2u ■:
5 .其余表面的Ra 值为12.5pm :
八、读零件图(10分)
———T A
-
29S02。
0U2∙0100
85
K亘出C向局部视图:
2、图中形位公差表示
一
机械制图答案
K 一、根据组合体轴流图画三视图,比例自定(20分) 根据组合体两视图补画第三视图(IO 分) 0
三、补面组合体三视图中所映的图线(20分)
五、将主视图改画成半剖视图《10分》
六、找出螺纹画法中的错误,在指定位置画出正确的图(10分)
七、按要求标注零件衰面的粗糙度代号(1。
分)
1.030,028外圆柱面的Ra值为1.6μm:
2.M20x1..5螺纹工作表面的Ra值为
3.2um;
3.键槽工作表面的Ra值为3.2μm,底面的Ra值为6.3μm;
4.锥销孔表面的Ra值为3.2Um:
5.其余表面的Ra值为12.5um:
八、读■件图(10分)
1.Ai出C向局部视图:
2、图中形位公差表示Φ95h6的立柱回转体的轴心相对于左边Φ60H7的圆柱孔的轴心的同轴度
公差Φ0.04。
《机械制图》模拟习题1 一、单项选择题(每题3分,共30分)根据图1所示AB、CD直线和P、Q平面,选择回答如下题:图 11.AB、CD直线的正面投影应标记为( A )。
A. a’b’、c’d’B. ab、cdC. a”b”、c”d”D. AB、CD2.AB、CD直线的水平投影应标记为( B )。
A. a’b’、c’d’B. ab、cdC. a”b”、c”d”D. AB、CD3.AB、CD直线的侧面投影应标记为( C )。
A. a’b’、c’d’B. ab、cdC. a”b”、c”d”D. AB、CD4.P、Q平面的正面投影应标记为( A )。
A. p’、q’B. p、qC. p”、q”D. P、Q5.P、Q平面的水平投影应标记为( B )。
A. p’、q’B. p、qC. p”、q”D. P、Q6.P、Q平面的侧面投影应标记为( C )。
A. p’、q’B. p、qC. p”、q”D. P、Q7.直线AB在三个投影面上的投影均不反映实长,因此称之为( A )A.一般位置直线或倾斜线B. 正平线C. 水平线D. 侧平线8.直线CD在侧面投影面上的投影有积聚性,因此称之为( B )A.一般位置直线或倾斜线B. 侧垂线C. 正平线D. 水平线9.平面P在( B )面上的投影反映实形,因此称之为水平面。
A. 正投影B. 水平投影C. 侧投影D. 一般位置10.平面Q的水平投影投影具有积聚性,因此称之为( A )A. 铅垂面B. 正垂面C. 侧垂面D. 一般位置平面二、判断题(每题2分,共20分)根据图2所示切割体的水平投影和侧面投影,判断(1)~(8)问题的正确与否,根据图3,判断(9)~(10)问题的正确与否。
图 2(1)其基本体是半个球体。
(√)(2)半球体的底面是水平面。
(√)(3)有两个平面来切割球体,一个是切割平面是正平面,另一个是水平面。
(√)(4)有两个平面来切割球体,一个是切割平面是水平面,另一个是侧平面。
第 1 页班级:________________ 姓名:________________ 座位号:________________……………………………………………………………………………………………………………………………………密 封 线 内 不 要 答 题 酒泉工贸中专2017-2018学年第一学期《机械制图》模拟测试卷本试卷适用于:15汽修班、15机加工班、15机电班、15光伏班《机械制图》 (90分)一、单项选择题(每小题2分,共16分)1. 下列投影法中不属于平行投影法的是( )。
A 、中心投影法B 、正投影法C 、斜投影法 2.当一个面平行于一个投影面时,必( )于另外两个投影面。
A 、平行 B 、垂直 C 、倾斜3.已知空间点A 的坐标(20、35、40) ,空间点B 的坐标(40、30、20),则点A 在点B 的( )。A 、左前上方B 、右后下方C 、右上方D 、右下方4.已知圆柱截切后的主、俯视图,正确的左视图是( )。5.下列尺寸正确标注的图形是( )。
6.分析圆柱截切后的交线,选择正确的左视图( )。7.画正等轴测图时,Y 轴上简化的轴向伸缩系数等于( )。A 、0.82B 、1C 、0.948.点在V 面投影和H 面投影的连线( )。
A 、平行OX 轴 B 、垂直OX 轴C 、平行OZ 轴D 、垂直OZ 轴 二、多项选择题(每小题4分,共16分)1.已知物体的主、俯视图,正确的左视图是( )。
2.主要用于表达物体外部结构形状的视图有( )。
A 、基本视图 B 、向视图 C 、局部视图 D 、斜视图 E 、剖视图3.标注尺寸时,通常选用( )等作为组合体的基准。
A 、组合体的底面 B 、组合体的对称面 C 、组合体的轴心线 D 、组合体的对称中心线 E 、组合体的斜面4.下列说法正确的是( )。
A 、主、左、后、右视图都能反映物体高度B 、平面图形中的尺寸根据所起作用不同分为定形尺寸和定位尺寸C 、空间点A 的坐标为(x,y,z ),其正面投影由(x,z )坐标确定D 、尺寸线用粗实线绘制,尺寸界线用细实线绘制E 、正等轴测投影图的轴间角是90°、135°和135° 三、判断题(每小题1分,共8分)1.( )物体上与投影面平行的平面,该投影不反映实形。
机械制图考试模拟题+参考答案一、单选题(共26题,每题1分,共26分)1.Α3 图纸的大小为()。
A、841×595B、210×297C、841×594D、420×297正确答案:D2.Φ50+0.025 表示( )A、最小尺寸是Φ50.025B、实际尺寸是Φ50 ㎜C、基本尺寸是Φ50 ㎜D、最大尺寸是Φ50 ㎜正确答案:C3.锥度应注写在()上,并于圆锥倾斜方向一致。
A、轮廓线B、指引C、基准线D、轴线正确答案:C4.在绘制草图时,线条加深的顺序是()。
A、先注尺寸和写字后加深图形;B、先加深圆或圆弧后加深直线;C、加深图形和注尺寸及写字不分先后D、一边加深图形一边注尺寸和写字;正确答案:B5.基本偏差是指()。
A、远离零线的偏差B、上偏差C、靠近零线的偏差D、下偏差正确答案:C6.制图国家标准规定,字体的号数,即是字体的( )。
A、长度B、宽度C、宽度和高度D、高度正确答案:D7.画半剖视图时,剖视图与视图的分界线应该为()。
A、对称中心线B、虚线C、实线D、剖面线正确答案:A8.只有定形尺寸没有定位尺寸的是()。
A、已知线段B、连接线段C、中间线段D、未知线段正确答案:B9.画直线时,铅笔与纸面的倾斜角度约为( )。
A、30°B、60°C、45°D、90°正确答案:B10.点的正面投影和水平投影的连线()。
A、平行于ox 轴B、垂直于 oz 轴C、垂直于 ox 轴D、垂直于 OY 轴正确答案:C11.右视图是()。
A、由前向后投影B、由右向左投影C、由左向右投影D、由后向前投影正确答案:B12.截交线所围成的截面图形称为()。
A、截交线B、截断面C、截平面D、截切体正确答案:B13.空间点位于投影面或投影轴上时称为()。
A、特殊位置点B、一般位置点C、以上都不对D、普通位置点正确答案:A14.重合断面的轮廓用()画出。
2020年《机械制图》期末考试388题【含答案】6.国标中规定用( C )作为基本投影面。
A.正四面体的四面体B. 正五面体的五面体C. 正正六面体的六个面D. 正三面体的三个7.投影面垂直线有( B )反映实长。
A.一个投影 B.两个投影C.三个投影 D.四个投影8.读零件图并回答下列问题1.该零件采用了哪些视图.剖视图或其它表达方法?说明数量和名称。
主视图采用了全剖,左视图采用了局部剖,俯视图,B-B.C-C断面图及D-D局部剖视图。
1.指出该零件在长.宽.高三个方向的主要尺寸基准。
长度方向尺寸基准是M27孔的轴线,高度方向基准是底面,宽度方向基准是Φ45孔的轴线1.说明Φ40H7的意义。
Φ40H7表示:基本尺寸为Φ40的孔,H7为公差带代号,H为基本偏差代号,7为公差等级。
1.说明M68╳2的含义。
M为螺纹代号,2为螺距。
Ra的值为6.3μm.;二、填空题9.标准梯形螺纹的牙型角为30度.10.局部视图的定义是:将机件的一部分基本投影面投射所得到的视图.11.图样上的尺寸是零件的最后完工尺寸, 尺寸以毫米为单位时,不需标注代号或名称.12.零件加工精度反映在尺寸精度, 形状精度, 位置精度三个方面.13.外螺纹的献宝画法是: 大径用粗实线表示 ,小径用细实线表示 ,终止线用粗实线表示.14.允许尺寸变化的两个值称为极限尺寸.15.基本尺寸相同的,相互结合的孔和轴公差带之间的关系,称为配合.16.使用要求的不同,孔和轴之间的配合有松有紧 ,国标因此规定配合分为三类,即: 间隙配合,过盈配合和过渡配合.17.常用的热处理及表面处理方法有:退火 ,正火, 淬火 , 回火,调质,表面淬火.18.为便于装配和除去毛刺,锐边,在轴和孔的端部常加工成倒角.常用的是45度倒角.19.用铸造方法制造零件的毛坯时,为了便于将木模从砂型中取出,一般沿木模的方向做成约1:20的斜度,叫做拔模斜度.20.采用假想的剖切平面将机件的某处切断,仅画出该剖切面与机件接触部分的图形称为断面图.21.机件的真实大小,应以图样上所注尺寸数值为依据,与图形大小及准确性无关.22.用剖切面局部地剖开机件所得到的剖视图称为局部剖视图.23.国家标准献宝螺纹小径的表示方法采用细实线表示螺纹小径.24.用于三针测量未予的量针最佳直径应该是使量针的横截面与螺纹中径处牙侧面相切.25.标注尺寸的起始点称为尺寸基准,机器零件在长,宽,高三个方向上,每个方向至少有一个尺寸基准.。
机械制图模拟试题+参考答案一、单选题(共87题,每题1分,共87分)1.注写线性尺寸数字时,如尺寸线为竖直方向时,尺寸数字规定由______向______书写,字头向左。
A、上,下B、右,左C、下,上D、左,右正确答案:C2.球半径符号是______。
A、SRB、RC、SΦ正确答案:A3.______是最基本的几何元素。
A、平面B、点C、直线正确答案:B4.下面属于投影面垂直面的是______。
A、侧垂面B、正平面C、铅垂线正确答案:A5.以下是定形尺寸的______。
A、圆的半径B、圆心C、两者都是正确答案:A6.已知线段是指______和______均齐全的线段。
A、定形尺寸中间线段B、中间线段连接线段C、定形尺寸定位尺寸正确答案:C7.直径符号是______。
A、SRB、RC、Φ正确答案:C8.三视图只能表达其______,而不能表达其大小。
A、尺寸B、形状C、都可以正确答案:B9.图样中汉字应写成______。
A、宋体B、仿宋体C、长仿宋体正确答案:C10.制图规定中,画细实线用______铅笔。
A、B或2BB、H或2HC、HB或H正确答案:B11.如果已知点C(30,20,7),那么C的Z坐标是______。
A、30B、20C、7正确答案:C12.正投影法是______投影法的一种。
A、中心投影法C、其它投影法正确答案:B13.尺寸标注的符号:R表示______。
A、圆的半径B、球的直径C、圆的直径D、球的半径正确答案:A14.圆规用来画______。
A、等分直线B、截取线段C、圆或圆弧正确答案:C15.虚线以及各种点画线相交时应恰当地相交于______。
A、线B、点C、空白正确答案:A16.在三视图的展开过程中,水平面绕OX轴向下旋转______。
A、90°B、145°C、45°正确答案:A17.图纸基本幅面尺寸最大的代号是______。
A、A0B、A2C、A4正确答案:A18.投射线汇交于投射中心的投影方法称为______。
1.检查下列四组图形,其中有漏线的一组图形是(C)2.根据主、俯两视图,选择正确的左视图( D )3.根据主、俯两视图,选择正确的左视图( B )4.关于组合体的尺寸标注,下面说法中不正确的是( D )A、应避免尺寸线引得过长B、尺寸应尽量注在两个视图之间C、同一形体的尺寸应尽量集中标注D、尺寸应尽量注在视图轮廓线之内5.以下视图中,尺寸标注正确的一组是( B )6.尺寸应尽量标注在( D )上A 、主视图 B、俯视图 C、左视图 D、特征视图7.已知主视图和俯视图,正确的左视图是( C )8.已知主、俯两视图,其正确的左视图是(B)9.在下列四组视图中,正确的一组视图是( D )10.根据主、俯视图,选择正确的左视图(C )11..下列四组视图中,正确的一组视图是(C )12.在下列四组视图中,正确的一组视图是(C )13.三视图的投影规律是( D )A、互相垂直、长对正、宽相等B、长对正、互相垂直、高平齐C、宽相等、高平齐、互相垂直D、长对正、高平齐、宽相等14.某产品用放大1倍的比例绘图,在标题栏比例项中应填( D )A、放大1倍B、1×2C、2/1D、2:115.国家标准规定,图样中采用的比例有(C )A、原值比例、放大比例两种B、原值比例、缩小比例两种C、原值比例、缩小比例、放大比例三种D、放大比例、缩小比例两种16.若采用1:5的比例绘制一个直径为40的圆,其绘图直径为( A )A、¢8B、¢10C、¢160D、¢20017.绘制图样时,应采用机械制图国家标准规定的( C )种图线A、7B、8C、9D、1018.在机械图样中,表示可见轮廓线采用( A )线型A、粗实线B、细实线C、波浪线D、虚线19. 绘制图样时,对回转体的轴线或中心线用( C )绘制A、粗实线B、细实线C、细点画线D、粗点画线20.制图国家标准规定,字体的号数即字体的高度,分为( D )种A、5B、 6C、7D、821.制图国家标准规定,汉字字宽是字高h的( C )倍A、2B、3C、0、667D、1/222.国家标准规定,汉字要书写更大的字,字体高度应按( D )比率递增A、3B、2 C D23.图样上标注的尺寸,一般应由( D )组成A、尺寸界线、尺寸箭头、尺寸数字B、尺寸线、尺寸界线、尺寸数字C、尺寸数字、尺寸线及其终端、尺寸箭头D、尺寸界线、尺寸线及其终端、尺寸数字24.机件的每一尺寸,一般只标注( A ),并应标注在反映该形状最清晰的图形上A、一次B、二次C、三次D、四次25.图样上所标注的尺寸,为该图样所示机件的( B ),否则应另加说明A、留有加工余量尺寸B、最后完工尺寸C、加工参考尺寸D、有关测量尺寸26.若同时有粗实线、虚线、点划线和细实线重合在一起时,应优先画( A )A、粗实线B、虚线C、点划线D、细实线27.圆的直径为10,采用比例2:1画出时该圆正确的尺寸标注是(B )28.粗实线的宽度为b时,虚线的宽度为( D )A、bB、b/3C、b/4D、b/229.国家标准字体5号字指的是( B )A、字宽为5mmB、字高为5mmC、字号排序为第5位D、字宽和字高之和为5mm30.绘制物体假想轮廓线,所用的图线类型是( D )A、细实线B、虚线C、点划线D、双点划线31.下列尺寸正确标注的图形是(C )32.用下列比例分别画同一个机件,所绘图形最大的比例是( C )A、1:1B、1:5C、5:1D、2:133. 在尺寸标注中,尺寸线为(C )A、粗实线B、点画线C、细实线D、波浪线34.在几何作图中,锥度是指正圆锥体的(A )A、底圆直径与高度之比B、底圆半径与高度之比C、高度与底圆直径之比D、高度与底圆半径之比35.绘制图样时,可见和不可见轮廓线分别用( A )绘制A、粗实线、虚线B、粗实线、点划线C、细实线、虚线D、细实线、点划线36.确定平面图形上各线段形状大小的尺寸称为(B )A、定位尺寸B、定形尺寸C、总体尺寸D、尺寸基准37.图样中采用的比例2:1是( B )A、原值比例B、放大比例C、缩小比例D、不能确定38.机械制图国家标准规定,图样中汉字的高度h不应小于(A )mmA、3.5B、5C、7D、2.539.图样中标注球面的直径时,应在尺寸数字前加注符号( D )A、RB、¢C、R¢D、S¢40.制图国家标准规定,A型字体的笔画宽度应为字高的(D )A、1/10B、1/12C、1/15D、1/1441.制图国家标准规定,B型字体的笔画宽度应为字高的( A )A、1/10B、1/12C、1/15D、1/1442. 加括号的尺寸如(50),是( C )尺寸A、重要B、自由C、参考D、公差43.在以5:1比例绘制的机械图样中,若某尺寸标注为30,则其实际尺寸为( D )A、150mmB、150cmC、30mmD、30cm44. A2图纸幅面是A4图纸幅面的( A )A、4倍B、8倍C、16倍D、32倍45. A1图纸幅面是A4图纸幅面的( B )A、4倍B、8倍C、16倍D、32倍46. 若采用10:1的比例绘制一个直径为10的圆,其绘图直径为(B )A、¢10B、¢100C、¢1D、¢100047. 若采用1:10的比例绘制一个直径为400的圆,其绘图直径为( C )A、¢400B、¢4000C、¢40D、¢2048.正确的A-A断面图是(C )49.下列四组视图中,正确的一组视图是( A )50.下列图中,正确的重合剖面图是(D )51.下列四组视图中,正确的一组视图是(D )52.图中画法正确的A-A断面图是( A )53.正确的A -A移出断面图是(C )54.下图轴的四个不同位置的移出断面图中,哪些剖面图是错误的?答案是( C )A、剖面图(2)错误B、剖面图(3)、(4)错误C、剖面图(1)、(2)、(4)错误D、剖面图(1)、(2)、(3)、(4)都错误55.轴上加工了两个垂直相交的等直径小圆孔,其正确的A-A断面图是( A )56.国家标准规定,绘制机件图样的基本视图有( B )A、3个B、6个C、4个D、2个57.剖视图中对虚线的处理是(D )A、可以画B、可以不画C、必须画出D、只画必要的虚线58.重合断面图的轮廓线用(C )绘制A、细点画线 B 、粗实线 C 、细实线 D、双点画线59.在半剖视图中,剖视图与视图部分的分界线用( D )绘制A、粗实线B、细实线C、虚线D、点画线60.按投影关系配置的基本视图中,位于左视图正右方的视图是(C )A、主视图B、俯视图C、后视图D、仰视图61.在所绘图样中,不需作标注的是( D )A、斜视图B、向视图C、局部视图D、基本视图62.在局部剖视图中,视图与剖视图之间用( A )分界A、波浪线B、点划线C、粗实线D、细实线63.按投影关系配置的基本视图中,位于主视图正上方的视图是( D )A、左视图B、右视图C、俯视图D、仰视图64.将机件的某一部分向基本投影面投射所得的视图称为()A、斜视图B、旋转视图C、向视图D、局部视图65.按照剖切面切入机件的范围,剖视图可分为()A、全剖视图、半剖视图B、半剖视图、局部剖视图C、全剖视图、半剖视图、局部剖视图D、全剖视图、局部剖视图66.用几个平行于同一基本投影面的剖切平面剖开机件来获得剖视图的方法称为( C )A、单一剖B、旋转剖C、阶梯剖D、复合剖67.配置在剖切平面迹线延长线上的对称断面,可以省略(D )A、箭头B、名称C、全部标注D、投射方向68. 图样画法中,同一零件在各剖视图中其剖面线应( C )A、方向相同,间隔不同B、方向相反,间隔相同C、方向和间隔均相同D、方向相反,间隔不同69.已知立体的主视图和俯视图,经过剖视后的左视图正确的是()70.在六个基本视图中,反映物体上下关系的视图有(C )A、主视图、左视图、仰视图、后视图B、俯视图、左视图、仰视图、右视图C、主视图、左视图、右视图、后视图D、仰视图、左视图、主视图、右视图71.在六个基本视图中,反映物体左右关系的视图有(A )A、主视图、俯视图、仰视图、后视图B、俯视图、左视图、仰视图、右视图C、左视图、仰视图、右视图、后视图D、仰视图、左视图、主视图、右视图72.在六个基本视图中,反映物体前后关系的视图有(B )A、主视图、左视图、仰视图、后视图B、俯视图、左视图、仰视图、右视图C、左视图、仰视图、右视图、后视图D、仰视图、左视图、主视图、右视图73.下面的四个剖视图中,正确的是( A )A B C D74.图中表示四种折断画法,错误的是(D )A B C D75.已知立体的主视图和俯视图,其正确的左视图是( D )76.下图中重合断面画法正确的是( D )A B C D77. 按投影关系配置的基本视图中,位于主视图正下方的视图是俯视图(正确)78.按投影关系配置的基本视图中,位于左视图正右方的视图是后视图(正确)79.国家标准规定,移出断面图的轮廓线用细实线绘制(错误)80.局部剖视图中的波浪线可以在其他轮廓线的延长线上(错误)81.局部剖视图中的波浪线可以超出视图的轮廓线(错误)82.下列局部剖视图中,正确的画法是( B )83.正等轴测图的轴间角为90°(错误)84.正等轴测图各轴向的伸缩系数相等(正确)85. 斜二等轴测图各轴向的伸缩系数相等(错误)86.斜二等轴测图的轴间角为90°(错误)87.已知立体的主、俯视图,正确的左视图是( C )A B C D88.已知立体的主、俯视图,正确的左视图是( A )A B C D89.已知立体的主、俯视图,正确的左视图是( B )90.已知圆柱截切后的主、俯视图,正确的左视图是()91.两形体表面分界处不该画分界线的是( C )Ⅰ、两形体表面不平齐Ⅱ、平齐Ⅲ、相切A、Ⅰ+ⅡB、Ⅱ+ⅢC、Ⅰ+ⅢD、Ⅰ+Ⅱ+Ⅲ92.根据所示的立体图、主视图和俯视图,选择正确的左视图( B )93.根据主视图和俯视图,选择正确的左视图( C )94.根据主视图和俯视图,选择正确的左视图( B )95. 圆的直径一般标注在( D )上A、主视图B、俯视图C、左视图D、非圆视图96.已知主视图和俯视图,正确的左视图是( D )97.已知主、俯视图,正确的左视图是( B )98.已知物体的主视图和俯视图,正确的左视图为(C)99.已知主、俯视图,正确的左视图是( B )100.已知立体的主视图和俯视图,正确的左视图是(C)101.已知圆锥被切割后的主、俯视图,正确的左视图是( B )102.根据两视图,选择正确的第三视图( B )103.已知主、左视图,正确的俯视图是( C )104.已知主、俯视图,正确的左视图是( A )105.已知立体的主、俯视图,正确的左视图是( A )106.已知立体的主、俯视图,正确的左视图是( A )107.螺纹的导程就等于螺纹的螺距(错误)108.粗牙普通螺纹大径为20,螺距为2.5,中径和顶径公差带代号均为5g,其螺纹标记为( A )109.已知三线螺纹,螺距为1,则它的导程为( C )A、1B、2C、3D、4110.标记为Tr40×14(P7)LH-7e的螺纹是双线、左旋梯形螺纹(正确)111.标记为G1/2的螺纹是管螺纹(正确)112. 逆时针方向旋转时旋入的螺纹是右旋螺纹(错误)113.顺时针方向旋转时旋入的螺纹是左旋螺纹(错误)114. 标记为M16×1-5g的螺纹是左旋细牙普通螺纹(错误)115.标记为M10-7h的螺纹是( B )A、普通外螺纹B、普通内螺纹C、锯齿形外螺纹D、锯齿形内螺纹116.图样中,螺纹的牙底用( B )表示A、粗实线B、细实线C、虚线D、波浪线117.图样中,螺纹的牙顶在投影为圆的视图上画(A )A、粗实线圆B、细实线圆C、约3/4粗实线圆D、约3/4细实线圆118.图样中,螺纹的牙底在投影为圆的视图上画(D)A、粗实线圆B、细实线圆C、约3/4粗实线圆D、约3/4细实线圆119.外螺纹的小径用()符号表示A、DB、dC、D1D、d1120.内螺纹的大径用()符号表示A、DB、dC、D1D、d1121.外螺纹的中径用()符号表示A、D2B、d2C、D1D、d1122. 管螺纹的代号是(C )A、BB、TrC、GD、M123.读齿轮轴零件图,在指定位置补画A-A断面图,并回答下列问题。
一、单项选择题在每小题四个备选答案中选出一个正确答案,并将正确答案的字母填写在题后的括号中,错选、多选或未选均无分。
1.1:2比例是()。
【】A.放大B.缩小C.优先选用D.尽量不用2.()是正投影的主要特性之一。
【】A.近大远小B.有投影中心C.实形性D.光线与投影面倾斜3.正投影法中的投影线相互平行,且()投影面。
【】A.平行于B.倾斜于C.垂直于D.相交于4.图样中书写汉字的字体,应为()。
【】A.楷体B.长仿宋体C.宋体D.仿宋体5.在绘制图样时,其假想的结构,应采用机械制图国家标准规定的()绘制。
【】A.虚线B.细点画线C.双点画线D.波浪线6.三视图是采用()投影法绘制的。
【】A.中心B.平行C.斜轴测D.正轴测7.国标规定,尽可能避免在竖直方向逆时针旋转()范围内标注尺寸。
【】A.30°B.15°C.45°D.60°8.图样上标注的尺寸,一般应由()组成。
A.尺寸界线、尺寸箭头、尺寸数字式B.尺寸线、尺寸界线、尺寸数字式C.尺寸数字、尺寸线及其终端、尺寸箭头D.尺寸界线、尺寸线及其终端、尺寸数字9.机械制图国家标准规定,图样中所注的尺寸数值为机件的()。
【】A.加工前尺寸B.工艺尺寸C.结构大小D.最后完工尺寸10.垂直于V面的直线,称其为()。
【】A.铅垂线B.侧垂线C.正垂线D.水平线11.平行H面的平面,称其为()。
【】A.正垂面B.铅垂面C.正平面D.水平面12.图样中的尺寸以()为单位时,不需注计量单位代号和名称。
【】A.微米B.毫米C.厘米D.米13.当基本尺寸一定时,零件图上反映孔或轴尺寸加工难易程度的是()。
【】A.公差B.上偏差C.下偏差D.误差14. 表面粗糙度轮廓的符号用于表示()。
【】A.需要去除材料的表面B.不去除材料的表面C.用任何方法获得的表面D.特殊加工的表面15. 配合是()相同的孔与轴的结合。
【】A、基本尺寸B、实际尺寸C、作用尺寸D、实效尺寸16. 根据装配图的作用,应在装配图中标注的尺寸有规格性能尺寸、装配尺寸、安装尺寸、()和其它重要尺寸。
机械制图一、单选题(每题1分)1.图样上标注的尺寸,一般应()。
A 尺寸数字、尺寸线及其终瑞、尺寸箭头B 尺寸界线、尺寸线及其终端、尺寸数字C 尺寸界线、尺寸箭头、尺寸数字D 尺寸线、尺寸界线、尺寸数字2.制图国家标准规定,图纸幅面尺寸应优先选用()种基本幅面尺寸。
A 3B 4C 5D 63.在表达设计方案确定布图方式时,往往先画出(),以便进行具体讨论。
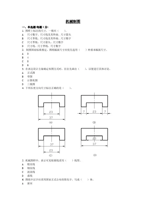
A 正式图B 草图C 计算机图D 三视图4.下列长度方向尺寸标注正确的是()。
5.机械图样中,表示可见轮廓线采用()线型。
A 粗实线B 细实线C 波浪线D 虚线6.图纸中汉字应采用国家正式公布的简化字,写成()体。
A 新宋B 隶书C 长方宋D 方正舒7.制图国家标准规定,字体的号数,即字体的高度分为()种。
A 5B 6C 7D 88.为保证成套图纸的完整性,复制图纸一般复制()套。
A 1B 2C 3D 49.某一产品的图样,有一部分图纸的图框为留装订边,有一部分图纸的图框为不留装订边,这种做法是()。
A 正确的B 错误的C 无所谓D 允许的10.某产品用放大一倍的比例绘图,在标题栏比例项中应填()。
A 放大一倍B 1×2C 2/1D 2:111.图纸中数字和字母分为()两种字型。
A A型和B型B 大写和小写C 简体和繁体D 中文和英文12.正六边形的尺寸标注正确的是()。
13.表示球面直径的缩写词为()。
A SΦB SRCD R14.若采用1:5的比例,绘制一个直径为60mm的圆时,其绘图半径为()mm。
A 8B 10C 20D 615.描圆弧时估计圆心的方法是,根据圆弧的圆心必在任意一条弦的垂直平分线上这一原理,先(),移动圆心直至全部吻合再下笔描墨线。
A 描线,不吻合就擦除B 计算,得出圆心准确位置C 试描,提笔离纸画弧D 拓印,得出圆心大致位置16.徒手画图的基本要求是()。
A 线条横平竖直B 尺寸准确C 快、准、好D 速度快17.平行投影法中的投射线与投影面相垂直时,称为()。
《机械制图》模拟考试题(附答案)一、判断题(共100题,每题1分,共100分)1、推拔销之锥度为 1 : 50 。
A、正确B、错误正确答案:A2、退刀槽和砂轮越程槽可按“槽宽×直径”的形式标注。
A、正确B、错误正确答案:A3、装配图必须有明细栏A、正确B、错误正确答案:A4、水平面的水平投影积聚为直线。
A、正确B、错误正确答案:B5、尺寸公差有可能是负值A、正确B、错误正确答案:B6、螺钉旋转一周,就沿轴向位移三个螺距者为三线螺纹。
A、正确B、错误正确答案:A7、同一标称直径之细螺纹,可有不同之节距。
A、正确B、错误正确答案:A8、用剖视图来表示物体内部特征,比用虚线表示之视图要清楚。
A、正确B、错误正确答案:A9、装配图上已注明的尺寸,零件图上可以省略。
A、正确B、错误正确答案:B10、420×594为4张A4的大小。
A、正确B、错误正确答案:A11、汉字的书写应求端正划一,大小间隔适当,清晰易认即可。
A、正确B、错误正确答案:A12、在相同工件条件下,钻头直径愈小,转速要愈快。
A、正确B、错误正确答案:A13、与他件组合有关之尺寸称为功能尺寸。
A、正确B、错误正确答案:A14、一个实心小圆点,有时可以代替相邻的两箭头。
A、正确B、错误正确答案:A15、沿垂直轴线方向所量得之螺峰与螺谷间的距离称为螺距。
A、正确B、错误正确答案:B16、平面与回转体相交,截交线在特殊情况时可能由直线和曲线或完全由直线组成A、正确B、错误正确答案:A17、薄片弯曲物体,仅用一视图表示即可。
B、错误正确答案:B18、槽孔之表面符号可用指引线引至适当位置标注。
A、正确B、错误正确答案:A19、多个同方向之位置尺寸,应用基准面标注法标注之。
A、正确B、错误正确答案:A20、一物体之各视图,剖面线需保持相同的间隔与方向。
A、正确B、错误正确答案:A21、机件表面局部特殊处理之范围须加细链线表明。
A、正确B、错误正确答案:B22、长仿宋体汉字,字宽为字高的 4 / 3 倍。
机械制图模拟习题+参考答案一、单选题(共26题,每题1分,共26分)1.图纸装订成册折迭时,图面之标题栏必须折在( )。
A、内侧B、底面C、背面D、上面正确答案:D2.截平面与立体表面的交线称为()A、截断面B、截交线C、截切体D、截平面正确答案:B3.对于半剖视图,视图与剖视图的分界线是()。
A、细实线B、点画线C、虚线D、粗实线正确答案:B4.如果空间两直线的三面投影都相交,则该两直线一定()。
A、平行B、相交C、交叉D、异面正确答案:B5.齿轮属于()。
A、零部件B、一般零件C、标准件D、常用件正确答案:D6.侧面投影积聚成一条直线的平面是()。
A、侧垂面B、侧平面C、正垂面D、铅垂面正确答案:A7.平面图形或直线与投影面平行时,其投影反映实形或实长的性质,称为()。
A、收缩性B、真实性C、类似性D、积聚性正确答案:B8.具有间隙的配合称为()。
A、过盈配合B、间隙配合C、不明确性质D、过渡配合正确答案:B9.当孔的公差带与轴的公差带相交时,属于( )A、过盈配合B、过渡配合C、不明确性质D、间隙配合正确答案:B10.用于薄壁零件联接的螺纹,宜采用( ).A、梯形螺纹B、矩形C、三角形粗牙螺纹D、三角形细牙螺纹正确答案:D11.锥度应注写在()上,并于圆锥倾斜方向一致。
A、指引B、轮廓线C、轴线D、基准线正确答案:D12.对零件的配合精度、耐磨度、抗疲劳强度、抗腐蚀性、密封等均有影响的是( )A、尺寸B、表面粗糙度C、配合种类D、装配质量正确答案:B13.以对称中心线为界,一半画成视图,一半画成剖视图,称为()。
A、全剖视图B、半剖视图C、局部视图D、局部放大图正确答案:B14.图样上的尺寸是零件的()尺寸。
A、修理B、下料C、最后完工D、毛胚正确答案:C15.当轴的公差带完全在孔的公差带之上时,属于()配合。
A、过盈配合B、过渡配合C、不明确性质D、间隙配合正确答案:A16.椭圆画法最常用的为( )。
机械制图培训试卷姓名________ 分数_______一、选择题:请将正确答案的序号填在题后的括号内。
(每题 2 分,共 40 分)1、螺纹牙底线用()绘制。
(A)粗实线(B)细虚线(C)细实线(D)粗虚线2、标注尺寸时,应尽可能使用符号和缩写词。
其符号“()”表示均布。
(A)EQS (B)GB/T (C)JB (D)C3、标注球的直径尺寸时应在尺寸数字前面加注符号()。
(A)Φ(B)R (C)SΦ(D)SR4、机件向不平行于任何基本投影面的平面投影所得的视图叫()。
(A)局部视图(B)向视图(C)基本视图(D)斜视图5、局部放大图的标注中,若被放大的部分有几个,应用()数字编号,并在局部放大图上方标注相应的数字和采用的比例。
(A)希腊(B)阿拉伯(C)罗马(D)中国6、在垂直于螺纹轴线的投影面的视图中,内螺纹大径应画成()。
(A)完整的细实线圆(B)完整的粗实线圆(C)3/4的粗实线圆(D)3/4的细实线圆7、选择正确的局部剖视图()。
(A)(B)(C)(D)8、同一基本尺寸的表面,若有不同的公差要求时,应用()分开,并按线性尺寸公差注法规定的形式分别标注其公差。
(A)粗实线(B)细虚线(C)细实线(D)粗虚线9、局部放大图中的比例是指相应要素的线性尺寸之比,具体是指()。
(A)局部放大图的图形比原图形(B)局部放大图的图形比其实物(C)原图形比其局部放大图的图形(D)实物比其局部放大图的图形10、根据主、俯视图,选择正确的左视图()。
11、滚动轴承外圈与箱体孔的配合应采用____,内圈与轴的配合应采用____。
()(A)基孔制基轴制(B)基轴制基轴制(C)基孔制基孔制(D)基轴制基孔制12、锥形结构的基面位置线线型为()。
(A)粗实线(B)细虚线(C)细实线(D)粗虚线13、尺寸Ф40H7的()。
(A)上偏差、下偏差均大于0(B)上偏差为0,下偏差为负值(C)上偏差、下偏差均小于0(D)上偏差为正值,下偏差为014、图样上四个相同螺纹孔尺寸标注的正确方法是()。
2020年《机械制图》期末考试388题【含答案】(a) (b) (c) (d)6.外螺纹的大径用( B )符号表示。
A. DB. dC.D1D.d17.根据投影面展开的法则,三个视图的相互位置必然是以( B )为主。
A.左视图B.主视图C.俯视图D.任一视图8.基本视图主要用于表达零件在基本投影方向上的( B )形状。
A.内部B.外部C.前后D.左右9.投影面垂直线有( B )反映实长。
A.一个投影 B.两个投影C.三个投影 D.四个投影10.读零件图,并回答问题。
1.该零件采用了哪些视图.剖视图和剖面图?说明数量和名称。
该零件采用主视图.俯视图和左视图三个视图,其中,主视图是全剖视图,左视图是局部剖视图,俯视图为半剖视图。
1.指出该零件在长.宽.高三个方向的主要尺寸基准。
高方向基准是零件的底面,长度方向基准是零件上Φ42孔的左端面,宽度基准是宽度方向的对称线。
1.图中G1/2"表示:非螺纹密封的管螺纹,1/2"表示公称直径,是内螺纹(内.1.Φ36H8表示:Φ36是基本尺寸,H8是公差带代号,其中,H是基本偏差代号,8是公差等级。
6.31.说明符号的含义。
前者表示用去除材料的方法获得的表面粗糙度,Ra的值为6.3μm.;后者表示,是由不去除材料的方法获得的零件表面。
1.试画出主视图的外形。
二、填空题11.叉架类零件包括各种用途的拔叉和支架.12.断面图的类型分为移出断面图和重合断面图两种.13.装配图应包括以下四项内容: 一组图形 ,必要的尺寸, 技术要求,序号和明细表.14.标注尺寸的三要素是 :尺寸界线, 尺寸线,尺寸数字.15.标注水平忙不过来时,尺寸数字的字头方向应朝上, 224标注垂直时,尺寸数字的字头方向应朝左,角度的尺寸数字一律水平位置书写.当任何图线穿过尺寸数字时都必须断开.16.有齿厚游标卡尺测量蜗杆齿厚时,齿厚卡尺的测量面应与蜗杆牙侧面平行.17.零件加工精度反映在尺寸精度, 形状精度, 位置精度三个方面.18.使用要求的不同,孔和轴之间的配合有松有紧 ,国标因此规定配合分为三类,即: 间隙配合,过盈配合和过渡配合.19.常用的热处理及表面处理方法有:退火 ,正火, 淬火 , 回火,调质,表面淬火.20.为了改善金属材料的力学性能(如强度,硬度,弹性等 ),提高零件的耐磨性,耐疲劳性常需对零件进行热处理.21.主轴,传动轴,丝杆,衬套等属轴套类零件,主要结构形状为回转体.22.常用的定位结构有:轴肩.台肩.圆螺母和各种挡圈。
2020年《机械制图》期末考试388题【含答案】2.已知物体的主.俯视图,正确的左视图是( C )。
(a) (b) (c) (d)3.已知直齿圆柱齿轮模数m=2.5mm,齿数z=32,则齿轮分度圆的直径为( C )A.60mmB.70mmC.80mmD.90mm4.已知轴承的型号为6305,则轴承的内径尺寸为( B )A.5mmB.25mmC.305 mmD.6305mm]5.外螺纹的大径用( B )符号表示。
A. DB. dC.D1D.d16.国标中规定用( C )作为基本投影面。
A.正四面体的四面体B. 正五面体的五面体C. 正正六面体的六个面D. 正三面体的三个面7.基本视图主要用于表达零件在基本投影方向上的( B )形状。
A.内部B.外部C.前后D.左右8.投影面垂直线有( B )反映实长。
A.一个投影 B.两个投影C.三个投影 D.四个投影9.读零件图并回答下列问题1.该零件采用了哪些视图.剖视图或其它表达方法?说明数量和名称。
主视图采用了全剖,左视图采用了局部剖,俯视图,B-B.C-C断面图及D-D局部剖视图。
1.指出该零件在长.宽.高三个方向的主要尺寸基准。
长度方向尺寸基准是M27孔的轴线,高度方向基准是底面,宽度方向基准是Φ45孔的轴线1.说明Φ40H7的意义。
Φ40H7表示:基本尺寸为Φ40的孔,H7为公差带代号,H为基本偏差代号,7为公差等级。
1.说明M68╳2的含义。
M为螺纹代号,2为螺距。
Ra的值为6.3μm.;二、填空题10.用于三针测量未予的量针最佳直径应该是使量针的横截面与螺纹中径处牙侧面相切.11.制造零件时, 为了使零件具有互换性,并不要求零件的尺寸做得绝对准确,而只要求在一个合理范围之内,由此就规定了极限尺寸.12.常用的热处理及表面处理方法有:退火 ,正火, 淬火 , 回火,调质,表面淬火.13.为便于装配和除去毛刺,锐边,在轴和孔的端部常加工成倒角.常用的是45度倒角.14.在车削或磨削时,为便于退出刀具或使砂轮可稍越过被加工的表面,常在被加工面的末端先车退刀槽或砂轮越程槽.15.轴一般用来支承传动零件并传递动力.16.叉架类零件包括各种用途的拔叉和支架.17.箱座类一件件包括各种箱体,油泵泵体,车床尾座等.18.机件的真实大小,应以图样上所注尺寸数值为依据,与图形大小及准确性无关.19.尺寸是图样中的重要内容,是生产过程中的直接依据.标注尺寸时,必须严格遵守国家标准的规定,做到:正确, 完整,清晰,合理.20.三视图之间存在长对正, 高平齐, 宽相等的三等关系.21.常用的定位结构有:轴肩.台肩.圆螺母和各种挡圈。
2020年《机械制图》期末考试388题【含答案】一、选择题1.已知物体的主.俯视图,正确的左视图是( C )。
(a) (b) (c) (d)2.已知轴承的型号为6305,则轴承的内径尺寸为( B )A.5mmB.25mmC.305 mmD.6305mm]3.根据投影面展开的法则,三个视图的相互位置必然是以( B )为主。
A.左视图B.主视图C.俯视图D.任一视图4.国标中规定用( C )作为基本投影面。
A.正四面体的四面体B. 正五面体的五面体C. 正正六面体的六个面D. 正三面体的三个面5.读零件图并回答下列问题1.该零件采用了哪些视图.剖视图或其它表达方法?说明数量和名称。
主视图采用了全剖,左视图采用了局部剖,俯视图,B-B.C-C断面图及D-D局部剖视图。
1.指出该零件在长.宽.高三个方向的主要尺寸基准。
长度方向尺寸基准是M27孔的轴线,高度方向基准是底面,宽度方向基准是Φ45孔的轴线1.说明Φ40H7的意义。
Φ40H7表示:基本尺寸为Φ40的孔,H7为公差带代号,H为基本偏差代号,7为公差等级。
1.说明M68╳2的含义。
M为螺纹代号,2为螺距。
Ra的值为6.3μm.;二、填空题6.允许尺寸变化的两个值称为极限尺寸.7.对于回转体来说,通常只要注出径向尺寸和轴向尺寸.8.确定组合体各组成部分的形状大小的尺寸是定形尺寸.9.剖视图可分为全剖视图,半剖视图和局部剖视图.10.当机件外形比较简单,内形比较复杂而且又不对称时,常采用全剖视图来表达.11.当机件具有对称平面时,可将其一半画成视图,另一半画成剖视图,这样所得到的图形称为半剖视图.12.采用假想的剖切平面将机件的某处切断,仅画出该剖切面与机件接触部分的图形称为断面图.13.断面图的类型分为移出断面图和重合断面图两种.14.装配图应包括以下四项内容: 一组图形 ,必要的尺寸, 技术要求,序号和明细表.15.标注尺寸的三要素是 :尺寸界线, 尺寸线,尺寸数字.16.图样上的尺寸是零件的最后完工尺寸, 尺寸以毫米为单位时,不需标注代号或名称.17.标注水平忙不过来时,尺寸数字的字头方向应朝上, 224标注垂直时,尺寸数字的字头方向应朝左,角度的尺寸数字一律水平位置书写.当任何图线穿过尺寸数字时都必须断开.18.常用的定位结构有:轴肩.台肩.圆螺母和各种挡圈。