供热管道系统保温前水压试验记录
- 格式:xls
- 大小:29.50 KB
- 文档页数:1
管道系统闭水试验记录1.试验概述本次试验是为了验证管道系统的密封性和稳定性,以确保其安全可靠运行。
试验范围包括管道系统的主体部分和相关附件。
2.试验准备2.1 确保试验前所有工作已经完成,包括管道安装、连接和固定等。
2.2 清理试验区域,并移除可能影响试验结果的杂物。
2.3 准备试验所需的工具和设备,包括水源、压力表等。
3.试验步骤3.1 关闭进气阀,确保管道系统完全封闭。
3.2 开启供水阀,逐渐增加水压,直至达到试验压力。
3.3 经过一段时间的观察,确认试验压力保持稳定。
3.4 断开试验系统与水源的连接,并关闭供水阀,等待一段时间,观察管道系统是否有漏水现象。
3.5 重复步骤3.2至3.4,以验证管道系统的稳定性和密封性。
4.试验记录试验过程中,记录以下信息:试验日期和时间试验压力值观察到的异常现象,如漏水、压力波动等试验结束时间5.试验结果分析根据试验记录,对试验结果进行分析,包括但不限于以下方面:管道系统的密封性:根据观察到的漏水情况判断密封性良好与否。
管道系统的稳定性:根据试验压力的稳定性判断系统是否能够稳定承受正常工作压力。
管道系统的适用范围:根据试验结果确定管道系统的适用范围和限制条件。
6.结论根据试验结果分析,得出如下结论:若管道系统密封性良好并能稳定承受正常工作压力,则认为试验合格。
若发现管道系统存在漏水或压力不稳定等问题,则认为试验不合格,并需在后续进行修复和再试验。
该试验记录为本次管道系统闭水试验的记录,用于分析和评估管道系统的性能。
试验结果可为后续的工程设计、安装和维护提供参考依据。
室内给水管道水压试验记录一、测试前准备1.确认工程部分的给水管道已安装完毕。
2.准备好必要的试验设备,如水泵、水表、水管接头等。
3.将水泵与管道连接,确保管道中无气体。
二、实施测试1.开启水泵,向管道中注入水,并逐渐增加水压,直至达到设计压力。
记录下注入水的时间和压力值。
2.保持设计压力稳定,观察管道系统是否有漏水情况。
检查所有接头、阀门、管道等部分,在发现漏水情况时及时修复。
3.保持设计压力持续一段时间,一般为30分钟至1小时。
记录下这段时间内的压力变化情况,应保持在规定范围内。
4.在测试过程中,注意观察管道系统是否有异常噪音、振动等情况,如有发现应及时记录并处理。
三、测试结果记录1.记录试验开始时间和结束时间。
2.记录试验期间的压力变化情况,包括测试开始时的压力、最高压力、最低压力和试验结束时的压力。
3.记录试验期间的漏水情况,包括漏水的位置、程度、影响范围等。
4.记录试验过程中的异常情况,如噪音、振动等。
5.记录试验过程中的应急处理情况,如发现漏水时的修复方法。
6.记录试验的总结和评价,包括系统的稳定性、安全性和可靠性等。
四、试验结果分析1.根据试验结果和记录的数据,评估管道系统的安全性。
2.分析漏水原因,找出漏水的位置和原因,进行相应修复措施。
3.评估系统的稳定性和可靠性,如水压试验期间的压力变化情况。
4.总结试验结果,提出改进建议和措施。
五、测试报告编写1.根据试验记录,编写详细的测试报告。
2.报告内容应包括试验的目的、方法、过程、结果等。
3.报告应准确、清晰地描述试验过程和结果,以便后续评估和改进。
以上是一份室内给水管道水压试验记录的基本内容,具体细节和要求可根据实际情况进行调整和完善。
在整个测试过程中,要保证严谨、细致、准确,以确保管道系统的安全性和可靠性。
供热管道水压试验方案2供热管道水压试验方案2一、引言供热管道是城市供热系统的核心组成部分,其质量直接影响着供热系统的稳定运行和用户的热供应质量。
为确保供热管道的安全可靠性,需要对其进行水压试验。
本试验方案旨在提供一种完整、科学、操作简便的供热管道水压试验方案,以确保管道的质量符合要求。
二、试验对象本试验方案适用于城市供热系统中的供热管道,包括主干管道、支线管道、室内供热管道等。
三、试验准备1.试验设备准备:-水泵:选用流量充足、稳定可靠的水泵,能满足试验管道的需求。
-测压仪:准确测量管道压力的仪器,精度不低于±0.1MPa。
-其他辅助设备:包括试验管道连接件、阀门等。
2.试验材料准备:-试验介质:选用清洁的水作为试验介质,确保管道内无杂质。
3.试验人员准备:-试验指导人员:具有相关供热工程经验、熟悉试验要求的工程技术人员。
-试验操作人员:具备一定的工程技术知识,能够独立操作试验设备和进行试验操作。
四、试验步骤1.试验布置:-根据试验管道的实际情况,选择适当的试验方式和试验段落,绘制试验布置图,确定试验管道的起止点。
-检查试验管道的密封性,确保无渗漏点。
2.准备试验设备:-将试验设备连接好,确保各部件和管道之间的连接紧密可靠。
-验证测压仪的准确性,调整至标定状态。
3.注水:-打开试验管道一侧的阀门,用水泵将水从另一侧管道注入,逐渐增加水压。
-同时观察试验管道内是否有渗漏点,如有发现应及时修复。
4.试验过程:-试验期间需注意观察管道压力变化情况,确保试验压力在规定范围内。
-持续试验时间应符合相关标准要求,一般不低于2小时。
5.试验结束:-结束试验后,逐渐关闭试验材料供水,平稳排空管道内的水。
-检查试验管道,确保无渗漏点。
六、安全措施1.试验过程中,严禁使用易燃易爆物品。
2.试验期间,需要有专人负责观察试验设备和试验管道的变化情况,确保试验过程安全可靠。
3.如发现异常情况,应及时停止试验,并排除故障后方可继续试验。
室内给水管道水压试验记录作者:[用户姓名]日期:[日期]本文档记录了对室内给水管道的水压试验过程和结果。
通过测试,评估管道系统的安全性和稳定性,以提供可靠的给水服务。
1. 背景介绍室内给水管道是建筑物中供应给水的重要组成部分。
为确保给水系统的质量和安全性,需要对供水管道进行水压试验。
本文档记录了测试过程中的步骤、参数和结果,用于评估管道系统的可靠性。
2. 水压试验前准备工作在进行水压试验之前,需要做一些准备工作,以确保测试的准确性和可靠性。
2.1 管道系统检查在测试之前,应对管道系统进行全面的检查,确保所有管道连接牢固、没有漏水或损坏。
2.2 压力表校准校准压力表是保证测试结果准确的关键步骤。
在测试之前,应确保压力表的准确性,并进行必要的校准。
2.3 水源准备准备测试所需的水源,可使用自来水或外部水源。
确保水源的供应充足且清洁,以避免对管道系统造成不必要的污染。
2.4 安全措施测试过程中需要注意安全,包括佩戴防护手套和眼镜,避免水压过高导致管道破裂等意外情况。
3. 水压试验步骤3.1 封闭系统关闭所有与测试系统相关的阀门,并确保所有开口均已密封。
确保测试范围内的管道系统与其他管道系统有效隔离。
3.2 增加水压通过逐渐打开水源阀门,增加系统水压。
可以根据需要逐步增加水压,直到达到预定的测试压力。
在增加水压的过程中,仔细观察管道系统是否有任何异常,如漏水或震动等。
3.3 维持压力当达到预定的测试压力后,保持水压稳定,并持续观察管道系统的状况。
在稳定状态下,记录测试压力和持续时间。
3.4 压力释放测试完成后,逐渐减小水压,将系统恢复到正常工作状态。
确保系统完全压力释放并恢复正常后,进行下一步处理。
4. 测试结果分析根据测试记录和观察结果,对供水管道系统的质量和安全性进行分析。
4.1 压力保持情况观察记录测试期间水压的保持情况。
如果测试压力持续稳定,且无明显下降,说明管道系统密封良好,无明显泄漏。
4.2 管道异常情况观察记录测试过程中是否出现异常情况,如漏水、破裂或异响等。
供热管道水压试验记录填写哎呀,供热管道水压试验这事儿,说起来可真是个麻烦事儿,不过咱们也不能畏手畏脚的。
听我慢慢道来。
先说说这水压试验,简单来说就是要确保管道能承受住水的压力,别到时候一热一冷的,管道就“咔嚓”一声爆了,那可真是哭都来不及啊。
想想看,冬天一来,外面冷得像冰窖,家里还得热乎乎的,得保证咱们的暖气管道稳稳当当的,不能让人失望。
试验之前,咱们得准备好一切工具,啥阀门、接头啊,都得仔细检查,不然就像吃饭前不洗手,万一来个小意外,那就真是得不偿失。
开始测试的时候,心里那是七上八下的,毕竟这关乎到咱们的温暖啊。
每次按下开关,看着压力表缓缓升高,心里的小鹿也在啪啪乱撞。
试验压力达到标准后,咱们可不能松口气,这时候得静静观察,一会儿看这儿一会儿看那儿,眼睛都快打转了。
万一有哪里渗水,那可就尴尬了,像是夏天喝饮料没盖好,洒了一身,得重新来。
那种感觉可真是让人心累。
每一滴水都像在跟我赛跑,看看谁先泄露消息。
管道周围的工友们也是紧张得不行,个个瞪大眼睛,生怕漏掉了什么。
咱们不仅要盯着表,还得仔细记录每个细节。
这个时候笔记本就派上用场了,仿佛是我最好的朋友,每一行字都像在跟我讲述管道的心情。
数字写得飞快,心里还得琢磨清楚,别写错了,结果反而给自己添麻烦,真是“老虎屁股摸不得”。
要是漏水了,得找到问题的根源,不然就是“瞎子点灯——白费劲”。
记录完毕,大家小声讨论着,心里憋着一股劲,真希望能有个好结果。
试验后,大家也许会开个小会,聊聊这次的表现。
相互间的开玩笑能缓解紧张的气氛,谁要是说错了话,立马就会被调侃成“管道专家”。
过了一会儿,压力表终于稳定了,大家都松了一口气,那一刻简直像过了个关,心里美滋滋的。
可是,最后的工作可不能马虎,得清理现场,收拾工具。
就像打扫卫生,越是忙碌,越能体会到工作的乐趣。
管道这一块儿,咱们干得可真是出色,心里不由得升起一阵自豪感,真是“功夫下在平时”。
回想整个过程,简直像一场精心安排的比赛,每一步都得细致入微,不能大意。
供热管道水压试验记录试验前准备:1.确认试验范围和试验参数:包括试验管道的类型、直径、长度以及水压力等参数。
2.准备试验设备和材料:包括试验泵、水表、压力表、试验管道、止回阀、密封材料等。
3.清理和检查管道:确保试验管道没有杂物和堵塞,并进行外观和内部缺陷的检查。
4.安装试验管道:根据试验范围和参数,安装试验管道,并进行相关的连接和密封。
试验过程:1.填充试验管道:打开供水系统,通过试验泵将水注入试验管道,直至管道充满水,并排除空气。
2.封闭试验管道:关闭试验泵,安装止回阀和闸阀,确保试验管道处于封闭状态。
3.施加压力:使用试验泵向试验管道内不断注水,并逐渐增加水压力,直至达到预定压力。
4.保持压力稳定:在达到预定压力后,关闭试验泵,观察并记录压力变化情况,确保压力稳定并无泄漏。
5.测量压力:使用压力表对试验管道进行压力测量,并记录测量结果。
6.观察泄漏情况:在试验管道上进行仔细观察,特别关注连接处和附件的泄漏情况,并记录发现的任何问题。
试验结果:1.压力变化情况:记录试验过程中压力的变化情况,包括试验前、试验中和试验结束时的压力值。
2.泄漏情况:记录试验过程中发现的任何泄漏情况,包括泄漏部位、泄漏程度以及泄漏的原因等。
3.试验结论:根据试验结果,对供热管道的水压实施评估和判断,确定管道是否达到设计要求。
供热管道水压试验的记录非常重要,可以为供热系统运行和维护提供参考,及时发现并解决问题,确保供热系统的安全和可靠运行。
同时,试验记录还可以作为参考资料,为今后的管道维护和改造提供重要依据。
因此,在进行供热管道水压试验时,务必认真记录并妥善保存。
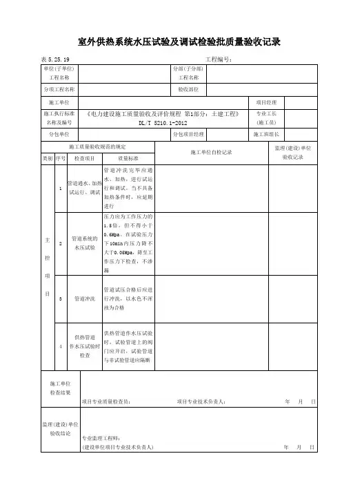
热力管道水压试验1、水压试验条件(1)管道分段试压,工作压力为1.0Mpa,试验压力为工作压力的1.5倍,稳压10分钟,无降压,管道内压力降至工作压力,用1公斤重的小锤在焊缝周围对焊缝逐个进行敲打检查,在30分钟内无渗漏且无降压为合格。
(2)管道水压试验应在焊接质量的外观检查,无损探伤检验均已合格及固定墩的砼强度达到设计强度后,经总监批准按照CJJ28-2004《城镇供热管网工程施工及验收》进行。
(3)管道试压前必须将试压段管道两侧至管顶以上500mm 的土方回填并分层夯实,接头的局部范围暂不回填,将水压试验合格后再回填其余部分。
(4)本工程的设计压力为1.2Mpa,试验压力为1.5 Mpa。
(5)试压前,试验管段所有敞口应堵严,不得有渗漏现象。
(6)试压前应对试验用的所有管件、阀门,仪表进行检验,合格后方可试压。
(7)试压前,管道两端及支线处封盲板堵,盲板堵厚度为10mm。
盲板堵附近不得站人,不得采用闸阀座堵板。
(8)试压段注满水后,应充分排气后再进行试压。
(9)试压段管道两端头必须加临时固定支墩。
2、水压试验程序:(1)管道升压时管道的气体应排除,升压过程中,当发现弹簧压力计表针摆动不稳,且升压较慢时,应重新排气后再升压。
(2)应分级升压,每升一级应检查后背、支墩、管身及接口,当无异常现象时,再继续升压。
(3)水压试验过程中,后背顶撑,管道两端严禁站人。
(4)水压试验时,严禁对管身,接口进行敲打或修补缺陷,遇有缺陷时,应做出标记,卸压后修补。
(5)水压升至试验压力后,稳压10 分钟无降压,然后降至工作压力30min作外观检查,以不渗漏、无压降为合格。
(6)试压完毕,应及时拆除所有临时盲板堵,核对记录,并填写《管道系统试验记录》。
甘肃红太阳热力有限公司二期管网水压试验方案一、工程概况1、工程名称:平凉城区热电联产集中供热二期工程2、建设单位:甘肃红太阳热力有限公司3、安装单位:内蒙古寅岗建设集团有限公司4、监理单位:陕西华营工程建设监理有限公司5、本工程供热管网为一级供热管网,设计供热温度130℃,回水温度70℃;设计压力为1.6MPa,试验压力为2.0MPa。
6、本部分管道敷设安装方式原则上全部采用直埋敷设,局部采用顶管敷设,路由按规划路由执行。
7、本项目于2017年8月1日开工,至2017年10月15日竣工,工期75 天。
8、主管线工程量汇总表二、编制依据1、工程施工现场场地情况;2、《城镇供热直埋热水管道技术规程》CJJ/81-2013;3、《城镇供热管网工程施工及验收规范》CJJ28-2014;4、我公司自身的人力资源和技术装备能力及现场施工条件;5、我部施工同类工程的施工经验及有关规定。
三、水压试验安全措施压力试验工作中,安全是重中之重,为保证水压试验顺利有序完成,特制定以下措施:1、落实安全第一预防为主的安全生产方针,提前做好各项安全措施。
2、建立安全管理机构,明确责任人,专人指挥,现场设立安全警示标志,设立专职安全人员。
3、做好系统隔离措施,保障压力试验的可靠性,与试验无关人员禁止进入工作现场。
4、有关人员进入现场必须做好安全防护工作。
巡检人员进入井室检查必须做好安全措施,提前对井室做通风处理。
5、用电用水符合规定,做到文明施工。
6、超水压试验时,人员提前离开管网区域,待泄压后方可进入现场进行检查。
7、试验过程中若有泄漏等情况,及时汇报,停止升压,处理完成后方可继续。
四、打压实施步骤及方法:1、按照图纸设计及规范要求,将管道接头,按氩弧打底手工电焊罩面完成,自检焊接质量外观合格,报相关部门进行无损探伤试验,在全部合格的情况下,开始进行注水打压的准备工作。
因施工环境及施工工期紧等因素,我公司对二期管网选择了整体进行打压的方案。
室内采暖系统水压试验记录编号: 08-05-001浙建监A5-3别墅样板房采暖管敷设报验申请表采暖(加热盘管)隐蔽工程检查验收记录编号:08-20-001低温热水地板辐射采暖安装工程检验批质量验收记录表下面是经典歌词100句,朋友们可以享受下,不需要的朋友可以下载后编辑删除!!谢谢!!林夕经典歌词1、若只是喜欢,何必夸张成爱。
——林2、擦光所有火柴难令气氛像从前闪耀,至少感激当日陪着我开甜蜜的玩笑。
——《失恋太少》3、你是千堆雪我是长街,怕日出一到彼此瓦解。
——《邮差》4、谁能告诉我,要有多坚强,才敢念念不忘。
——《当时的月亮》王菲5、我愿意做你的老师,示范着执子之手如何解释,不愿为深奥的感情变白痴。
——《诗人的情人》方大同6、有一梦便造多一梦,直到死别都不觉任何阵痛,趁冲动能换到感动,这愉快黑洞苏醒以后谁亦会扑空。
——《梦死醉生》张国荣7、谁能改变人生的长度,谁知道永恒有多么恐怖,但现实往往比命运还残酷,只是没有人愿意认输。
——《无间道》8、似等了一百年忽已明白,即使再见面,成熟地表演,不如不见。
——《不如不见》9、在有生的瞬间能遇到你,竟花光所有运气。
——《明年今日》10、害怕悲剧重演我的命中命中,越美丽的东西我越不可碰。
其实我再去爱惜你又有何用,难道这次我抱紧你未必落空?——《暗涌》11、黑了倦眼都侧耳倾听,让我做只路过蜻蜓,留下能被怀念过程,虚耗着我这便宜生命。
——《路过蜻蜓》张国荣12、如除我以外在你心,还多出一个人,你瞒住我,我亦瞒住我,太合衬。
原来我非不快乐,只我一人未发觉若无其事原来是最狠的报复。
——《想哭》13、闭起双眼我最挂念谁眼睛张开身边竟是谁。
——《人来人往》14、我想知如何用爱换取爱,如何赤足走过茫茫深海,超乎奇迹以外。
当赤道留住雪花,眼泪融掉细沙,你肯珍惜我吗?——《当这地球没有花》15、那日我狂哭不止,曾经差一点想过死,多少艰辛不可告人,多少光阴都因为等。
——《奇迹》16、爱若难以放进手里,何不将这双手放进心里。
压力管道水压试验记录
操作工艺:
1、按设计规定的试验压力分层分系统进行水压试验。
当设计未注明时,各种材质的给水管道系统试验压力均为工作压力的1.5倍,但不得小于0.6MPa。
2、将试验管道末端封堵,缓慢注水,同时将管内气体排出。
3、水压试验的测试点应设在系统的最低点。
冬季低温无保温环境试压时,可采用压缩气体试验或其他防冻措施。
4、吊顶内给水管道、管道保温前及隐蔽在墙内、地面内的管道应在水压试验合格后方可进行隐蔽作业。
质量要求:
1、试验前,对试压管道应采取安全有效的固定和保护措施。
管道接头部位应明露。
2、水压试验合格后可进行后序土建施工。
水压试验时,应作好记录并经监理工程师确认,以备查或存档。
3、金属及复合管给水管道系统在试验压力下观测10min,压力降不应大于0.02MPa,然后降到工作压力进行检查,应不渗不漏;塑料管给水系统应在试验压力下稳压1h,压力降不得超过0.05MPa,然后在工作压力的1.15倍状态下稳经常会有人问小编市政工程功能性试验的问题,比如:功能性试验怎么做?都需要做什么资料?表格怎么填写等等。
所以小编决定针对这些问题写四期专题,分别从给水排水管道工程、给水排水管道构筑物工程、城镇供热管网工程以及城镇燃气输配工程来跟大家仔细聊聊功能性试验那些事儿!.压2h,压力降不得超过0.03MPa,同时检查各连接处不得渗漏。