钢结构图纸基本识图
- 格式:docx
- 大小:35.42 KB
- 文档页数:13
1、建筑体系1-1 、门式刚架体系1-1-1 、基本构件图1-1-2 、说明力学原理门式刚架结构以柱、梁组成的横向刚架为主受力结构,刚架为平面受力体系。
为保证纵向稳定,设置柱间支撑和屋面支撑。
刚架2 K5 J% N# x' p: p2 R刚架柱和梁均采用截面 H 型钢制作,各种荷载通过柱和梁传给基础。
支撑、系杆刚性支撑采用热轧型钢制作, 一般为角钢。
柔性支撑为圆钢。
系杆为受压圆钢管, 与支撑组成受力封闭体系。
屋面檩条、墙梁般为 C 型钢、Z 型钢。
承受屋面板和墙面板上传递来的力, 并将该力传递给柱 和梁。
1-1-3 、门式刚架的基本形式 a.典型门式刚架b.带吊车的门式刚架c. 带局部二层的门式刚架1-1-4 、基本节点a. 柱脚节点O; `! ^4 Q# r1 @5 j8 L# n* Xb.梁、柱节点+ @. r: U' X R) g5 l' @.4 I% m! D; ?1 n% R■局部二层节点参照多层框架体系、刚架衍生形式1-1-5t! z- I3 P■吊车和局部二层可在衍生形式刚架中布置。
■山墙刚架其本质也是多连跨刚架,不过中间柱与刚架柱比截面旋转了90 度。
1- 2 、多层框架体系1- 2-1 、框架图示6 V) u$ B5 o1 v3J.1-2-2 、说明力学模型a.纯刚接框架:纵横两个方向均采用刚接的框架。
b. 刚接-支撑框架:横向采用刚接,纵向采用铰接,并在纵向设置支撑,以传递水平力。
c. 支撑式框架:纵横向均采用铰接,两向均设置支撑传递水平力。
d. 有时为保证足够的刚度,在刚接框架中亦设置支撑。
框架柱框架柱可采用H 型截面、箱形截面、十字形截面、圆管形截面等。
所有上部结构的力都通过框架柱传递给基础。
框架梁框架梁一般采用H 型截面。
楼盖和屋盖上的力通过框架梁传递给框架柱。
支撑支撑采用一般采用热轧型钢制作,其功能是传递层间水平力和保证结构的刚度。
1-2-3 、基本节点a.柱脚节点■柱脚节点同门式刚架体系。
钢结构识图培训讲义第一章识图基础一、投影及三视图中国采用第一角投影法,三视图放置位置:主视图(上左)、左视图(上右)、俯视图(下)三视图在使用时不一定完整,可能只出现主视图和其他一个。
有剖视符号的情况下,按照符号所示方向看物体,无剖视符号时,一般习惯的看图方向是:左视图在主视图的右侧,表示站在主视图中物体的左侧向右看物体;俯视图在主视图的下侧,表示从上向下看主视图中的物体。
看图方向的正确至关重要,决定了装配方向的正确与否,由于详图绘制人员的个体差异,选择表达方式上会有所差异,需要在图面上相互印证,如有不一致处及时和制图人员沟通确认。
二、剖面符号和断面符号1.断面符号表示从符号处剖开看到的断面,不表示断面后方的其他东西;2.剖面符号表示从符号处剖开看到的断面及断面后方的其他东西;3.在钢构详图中,断面符号和剖面符号使用上有些随意,是因为功能上比较接近,着重表达的是看物体的方向。
看物的方向是从粗线朝文字的方向看。
粗线表示人的眼睛,文字表示看的朝向。
三、索引符号及节点符号1.不带剖视方向的索引字母a,如果节点详图不在本图中,就写对应的图纸编号,比如“详图-09”或“09”等。
有时也直接索引出来后直接放大,不用到节点符号,如下图:2.带剖视符号的索引与剖(断)面符号类似,看物的方向是从粗线朝细线的方向看。
粗线表示人的眼睛,细线表示看的朝向。
四、对称符号五、焊缝符号*1.焊缝基本符号(常用):表示焊缝横截面形状的符号序号名称示意图符号1 卷边焊缝2 I形焊缝3 V形焊缝4 单边V形焊缝5 带钝边V形焊缝带钝边单边V形焊缝6 角焊缝7 塞焊缝或槽焊缝2.辅助符号:表示焊缝表面形状特征的符号序号名称示意图符号说明焊缝表面齐平1 平面符号(一般通过加工)2 凹面符号焊缝表面凹陷3 凸面符号焊缝表面凸起不需要确切说明焊缝表面形状是,可以不用辅助符号。
3.补充符号:补充说明焊缝的某些特征而采用的符号序号名称示意图符号说明1 带垫板焊缝底部有垫板2 三面围焊表示三面有焊缝3 周围焊环绕工件周围焊缝4 现场焊表示工地现场进行焊接5典型焊缝(余同)表示类似部位采用相同的焊缝典型焊缝的符号在杭萧公司还引申为“两面或三面的半围焊”(即引申为“两面或三面都采用相同的焊缝”之意),4.尾注:是对焊缝的要求进行备注,一般说明质量等级,适用范围、剖口工艺的具体编号等常用的坡口的形状和尺寸可以查看《建筑钢结构焊接技术规程》(JGJ81-2002),下表是根据规程及我司习惯绘制的坡口节点表,可供参考:5.焊缝尺寸的标注:序号名称示意图焊缝尺寸说明1 对接焊缝S:焊缝有效厚度2 卷边焊缝S:焊缝有效厚度3连续角焊缝K:焊角尺寸S1,l1:标注边的焊角尺寸、长度S2,l2:标注对面的焊角尺寸、长度或4断续角焊缝l:焊缝长度(不计弧坑)e:焊缝间距n:焊缝段数5交错断续角焊缝l:焊缝长度(不计弧坑)e:焊缝间距n:焊缝段数K:焊角尺寸说明:当无焊缝长度尺寸是表示焊缝是通长连续的;当对接焊缝(含角对接组合焊缝)无有效深度的尺寸标注时,表示全熔透。
欢迎阅读b.带吊车的门式刚架c.带局部二层的门式刚架1-1-4、基本节点a.柱脚节点b.梁、柱节点■局部二层节点参照多层框架体系。
1-1-5、刚架衍生形式■吊车和局部二层可在衍生形式刚架中布置。
■山墙刚架其本质也是多连跨刚架,不过中间柱与刚架柱比截面旋转了90度。
1-2、多层框架体系1-2-1、框架图示1-2-2、说明?2、支撑、系杆2-1、图示柱间柔性支撑? ???柱间刚性支撑2-2、说明■支撑分为柔性支撑和刚性支撑两种。
柔性支撑由圆钢制作,安装时必须张紧,主要用于门式刚架结构。
刚性支撑由型钢制作,用于多层框架、吊车梁下段支撑等刚度要求高的结构中。
■系杆和支撑联合作用,形成封闭的受力体系。
在支撑端头有刚性构件和传递压力的情况下,不需设置系杆。
■屋面水平支撑做法同柱间支撑。
■根据需要,支撑还有人字形、八字形、K形、V型、门形、L形、Y形、单斜杆等形式。
3、隅撑3-1、图示3-2、说明■隅撑的设置在于梁或柱受压翼缘的平面外计算长度。
隅撑可用角钢制作或扁钢压制成蓬用压型钢板采用HV-197TD-788板和HV-205TD-820板。
6、檩条、墙梁6-1、C型冷弯薄壁型钢6-1-1、型钢截面特性6-1-2、安装节点图6-2、Z型冷弯薄壁型钢6-2-1、型钢截面特性6-2-2、安装节点图7、屋面、墙面压型钢板7-1、HV-203KL-406板7-1-1、板型图7-1-2、连接节点图7-2、HV-380SF-760 7-2-1、板型图7-2-2、连接节点图?7-3、HV-475SF-475板7-3-1、板型图7-3-2、连接节点图7-4、HV-197TD-788板7-4-1、板型图7-4-2、连接节点说明:■防水空腔可以阻止因毛细现象而造成的渗水。
■该板型可用于屋面板和墙面板,采用自攻螺钉和屋面檩条或墙梁连接。
■用作屋面板时,螺钉穿过波峰与屋面檩条固定;用作墙面板时,螺钉在靠近波峰的波谷平直段与墙梁固定。
钢结构图纸识图技巧
一、钢结构施工图基本内容
1、总体可分建筑施工图,结构施工图,设备施工图。
2、一套完整的图纸一般由:图纸目录,设施施工总说明,建筑施工图,结构施工图,设备施工图等组成。
二、钢结构施工图识图步骤
1、图纸目录
2、设计总说明
3、建筑总平面图,立面图,剖面图等
4、结构平面布置图,立面图,剖面图,节点详图等
三、看图方法与技巧
1、从左至右
2、从上至下
3、从大体至局部
4、建筑与结构相结合
四、图纸中的符号
1、标高符号:表示建筑物的地面或某一部位的高度。
在钢结构施工图中标高以m为单位。
2、剖面符号:表示从符号处剖开所能看到的截面形状。
3、索引符号:图样中某一局部需另见详图时,以索引符号引出。
索引符号用圆圈与数字表示。
4、引出线:多用于需分层次表达的图例。
五、投影(剖面)
六、三维模型
七、构件截面—H 型钢
八、构件截面—C/Z型钢。
1、建筑体系1-1、门式刚架体系1-1-1、基本构件图1-1-2、说明力学原理门式刚架结构以柱、梁组成的横向刚架为主受力结构,刚架为平面受力体系。
为保证纵向稳定,设置柱间支撑和屋面支撑。
刚架刚架柱和梁均采用截面H型钢制作,各种荷载通过柱和梁传给基础。
支撑、系杆刚性支撑采用热轧型钢制作,一般为角钢。
柔性支撑为圆钢。
系杆为受压圆钢管,与支撑组成受力封闭体系。
屋面檩条、墙梁一般为C型钢、Z型钢。
承受屋面板和墙面板上传递来的力,并将该力传递给柱和梁。
1-1-3、门式刚架的基本形式a.典型门式刚架6 s# ]8 P, H' }) e5 y! X8 Yb.带吊车的门式刚架2 K5 J% N# x' p: p2 Rc.带局部二层的门式刚架1-1-4、基本节点a.柱脚节点" O; `! ^4 Q# r1 @5 j8 L# n* Xb.梁、柱节点+ @. r: U' X" R) g5 l' @4 I% m! D; ?1 n% R■局部二层节点参照多层框架体系。
1-1-5、刚架衍生形式* t! z- I3 P. F& J! `; T* E: y/ \■吊车和局部二层可在衍生形式刚架中布置。
■山墙刚架其本质也是多连跨刚架,不过中间柱与刚架柱比截面旋转了90度。
1-2、多层框架体系1-2-1、框架图示6 V) u$ B5 o1 v3 J1-2-2、说明力学模型a.纯刚接框架:纵横两个方向均采用刚接的框架。
b.刚接-支撑框架:横向采用刚接,纵向采用铰接,并在纵向设置支撑,以传递水平力。
c.支撑式框架:纵横向均采用铰接,两向均设置支撑传递水平力。
d.有时为保证足够的刚度,在刚接框架中亦设置支撑。
框架柱框架柱可采用H型截面、箱形截面、十字形截面、圆管形截面等。
所有上部结构的力都通过框架柱传递给基础。
框架梁框架梁一般采用H型截面。
楼盖和屋盖上的力通过框架梁传递给框架柱。
施工工艺:9张图看懂钢结构图对于工地上施工员来说,钢结构施工是很常见的工程。
要想做好钢结构工程,熟练识读钢结构施工图是必不可少的。
下面先来了解下一些基本概念:钢结构由型钢连接而成的结构物,例如:钢梁、钢屋架、钢塔架、钢脚手架等。
钢结构图用来表示钢结构的图样。
型钢型钢是由钢厂按照标准规格轧制而成的钢材,其断面形状如尺寸是定型的,例如:角钢、工字钢、槽钢等。
结构施工图看图步骤第一,对于首看结构施工图的人可以买一本11G图集,看一下图集中的各种标注方法说明。
同时找一本施工手册查一查钢筋代号。
或者在看结构施工图时备查。
第二,把建筑施工图中的标准层平面图找出来,看一看建筑平面布局。
第三,看结构施工图中的标准层梁配筋图。
看结施时要对照看一看对应的建筑平面图。
基本上是墙下就有梁,房间分隔处下就有梁。
第四,梁是分框架梁、梁、联系梁的,因此要留意其区别,梁的腰筋有时是要抗扭的,也应特别注意。
梁筋标注一般采用的是原位标注,很容易看懂。
第五,看完标准层梁配筋图后,看墙柱标准层位置图。
注意有些连系梁的配筋是标注在墙柱布置图上的。
并将柱布置图与梁图结合看。
完成这几步后,基本上能清楚标准层的结构了。
在看柱位置图时,可以同时看一看柱子配筋。
第六,看标准层板配筋图。
第七,将梁、柱、板配筋图中的说明看一年,包括图左上的文字说明和施工图中的各种详图(大样图)代码。
结合标识位置看。
第八,结合楼梯看标准层的楼梯配筋和与梁、墙、柱的结合。
第九,回过头去看桩基施工图、承台、地梁图。
第十,看非标准层的结构施工图和地下室的结构施工图。
第十一,看屋面结构施工图。
第十二,看水池、坡道、屋顶楼梯间、电梯间等的结构施工图。
第十三,看结构施工图总说明,了解各种施工要点。
第十四,如有审图意见和图纸会审、设计变更之类,将其对照施工图看,并注写在结构施工图上。
第十五,对照不同楼层的结构施工图找出不同之处。
第十六,将结构施工图带上施工现场,对照看。
第十七,看结构施工图时注意不时翻看建筑的各层平面图。
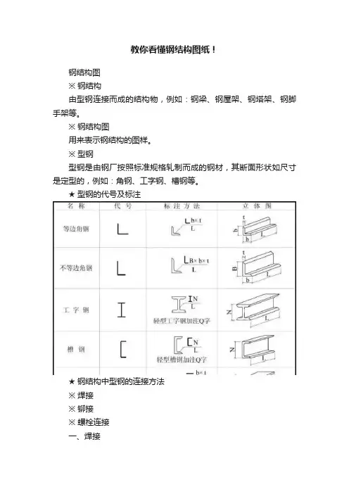
教你看懂钢结构图纸!钢结构图※ 钢结构由型钢连接而成的结构物,例如:钢梁、钢屋架、钢塔架、钢脚手架等。
※ 钢结构图用来表示钢结构的图样。
※ 型钢型钢是由钢厂按照标准规格轧制而成的钢材,其断面形状如尺寸是定型的,例如:角钢、工字钢、槽钢等。
★ 型钢的代号及标注★ 钢结构中型钢的连接方法※ 焊接※ 铆接※ 螺栓连接一、焊接将被连接的型钢在连接部位加热使其和焊条熔化,凝结后成为不可分割的整体。
1、焊缝类型及其符号※ 坡口焊缝※ 贴角焊缝※ 塞焊缝焊缝的图形符号和辅助符号2、焊缝的标注在钢结构图中,必须把焊缝的位置、形式、尺寸和辅助要求标准清楚。
焊缝的标注方法焊缝不连续时的画法及标注当焊缝分布不连续时,可见焊缝宜在焊缝处加中实线,不可见焊缝加细栅线二、铆接用铆钉将两块或两块以上的钢板连接在一起铆接分类※ 工厂连接※ 现场连接招工找活点击铆钉类型三、螺栓连接※ 焊接和铆接都是不可拆卸的连接,螺栓连接是可拆卸的连接※ 连接方法螺栓、孔、电焊铆钉图例钢梁结构图概述钢梁常用于大、中跨度桥梁中钢梁的种类※ 钢板梁※ 钢桁梁★ 下承式简支栓焊梁★ 钢梁结构图的内容※ 设计轮廓图※ 节点图※ 杆件图※ 零件图★ 设计轮廓图★ 节点图★ 节点构造图★ 拼接板、填板的拼装★ 立体图★ 节点板详图★ 杆件图★ 零件图钢屋架结构图概述※ 钢屋架※ 钢屋架结构图招工找活点击屋架简图、屋架详图(包括节点图)、杆件详图、连接板详图。
★ 屋架简图※ 屋架简图又称屋架示意图、屋架杆件几何尺寸简图。
※ 比例:1:100、1:200※ 单线条表示,杆件长度直接注在单线条旁边。
★ 屋架详图※ 图样:立面图,上弦实形辅助投影,剖面断面图。
※ 比例:两种比例:杆件轴线采用较小比例(1:20,1:15)节点板、杆件、断面采用较大比例(1:10,1:5)※ 图线:可见轮廓线——中实线不可见轮廓线——中虚线★ 杆件拼接★ 支座节点图★ 屋脊节点图赞是一种鼓励|分享是最好支持。
钢结构识图大全HUA system office room 【HUA16H-TTMS2A-HUAS8Q8-HUAH1688】1、建筑体系1-1、门式刚架体系1-1-1、基本构件图1-1-2、说明力学原理门式刚架结构以柱、梁组成的横向刚架为主受力结构,刚架为平面受力体系。
为保证纵向稳定,设置柱间支撑和屋面支撑。
刚架刚架柱和梁均采用截面H型钢制作,各种荷载通过柱和梁传给基础。
支撑、系杆刚性支撑采用热轧型钢制作,一般为角钢。
柔性支撑为圆钢。
系杆为受压圆钢管,与支撑组成受力封闭体系。
屋面檩条、墙梁一般为C型钢、Z型钢。
承受屋面板和墙面板上传递来的力,并将该力传递给柱和梁。
1-1-3、门式刚架的基本形式a.典型门式刚架b.带吊车的门式刚架c.带局部二层的门式刚架1-1-4、基本节点a.柱脚节点b.梁、柱节点■局部二层节点参照多层框架体系。
1-1-5、刚架衍生形式■吊车和局部二层可在衍生形式刚架中布置。
■山墙刚架其本质也是多连跨刚架,不过中间柱与刚架柱比截面旋转了90度。
1-2、多层框架体系1-2-1、框架图示1-2-2、说明力学模型a.纯刚接框架:纵横两个方向均采用刚接的框架。
b.刚接-支撑框架:横向采用刚接,纵向采用铰接,并在纵向设置支撑,以传递水平力。
c.支撑式框架:纵横向均采用铰接,两向均设置支撑传递水平力。
d.有时为保证足够的刚度,在刚接框架中亦设置支撑。
框架柱框架柱可采用H型截面、箱形截面、十字形截面、圆管形截面等。
所有上部结构的力都通过框架柱传递给基础。
框架梁框架梁一般采用H型截面。
楼盖和屋盖上的力通过框架梁传递给框架柱。
支撑支撑采用一般采用热轧型钢制作,其功能是传递层间水平力和保证结构的刚度。
1-2-3、基本节点a.柱脚节点■柱脚节点同门式刚架体系。
b.柱、梁节点?2、支撑、系杆2-1、图示柱间柔性支撑柱间刚性支撑2-2、说明■支撑分为柔性支撑和刚性支撑两种。
柔性支撑由圆钢制作,安装时必须张紧,主要用于门式刚架结构。
钢结构施工图识图钢结构施工图识图1. 引言钢结构施工图是指对钢结构工程进行详细设计的图纸和文件,为施工人员提供了具体的构造、尺寸、工艺要求等信息。
本文档旨在提供一个钢结构施工图识图的范本,以供参考使用。
2. 施工图的基本要素钢结构施工图包含了以下基本要素:2.1 结构图结构图是指钢结构在平面上的布置图,包括主体结构和次要结构等。
主体结构主要包括柱、梁、框架等;次要结构主要包括楼板、楼梯、扶手等。
2.2 标尺、坐标和尺寸施工图上标注了标尺、坐标和尺寸信息,以便施工人员准确地进行建造。
标尺用于测量长度,坐标用于确定构件位置,而尺寸则规定了构件的具体尺寸。
2.3 文字说明施工图上的文字说明包括工艺要求、施工顺序、施工方法等,旨在指导施工人员按照规定进行施工。
3. 钢结构施工图识图步骤识图是阅读和理解钢结构施工图的过程,其具体步骤如下:3.1 熟悉图纸格式和基本符号首先,需要熟悉钢结构施工图的格式和常见的符号,例如标示位置、尺寸、材料等的图例。
熟悉这些基本符号,有助于正确理解图纸内容。
3.2 了解主体结构和次要结构主体结构是钢结构的主要构件,包括柱、梁、框架等。
次要结构则是主体结构的补充部分,包括楼板、楼梯、扶手等。
了解主体结构和次要结构的功能和布置,有助于理解整个钢结构的构造。
3.3 分析构件尺寸和位置通过仔细分析图纸上标注的尺寸和位置信息,可以了解各个构件之间的关系和连接方式。
这有助于施工人员准确地布置和连接构件。
3.4 研究工艺要求和施工顺序施工图上的文字说明包含了工艺要求和施工顺序等信息。
仔细研究这些文字说明,有助于施工人员按照规定的顺序和要求进行施工,确保工程的质量和安全。
4. 扩展内容4.1 本文档所涉及附件如下:- 钢结构施工图范本示例图纸- 钢结构施工图常见符号图例- 钢结构施工图识图实例分析4.2 本文档所涉及的法律名词及注释:- 施工图:包括构造、尺寸、工艺要求等详细信息的图纸和文件。
1、建筑体系1-1、门式刚架体系1-1-1、基本构件图1-1-2、说明力学原理门式刚架结构以柱、梁组成的横向刚架为主受力结构,刚架为平面受力体系。
为保证纵向稳定,设置柱间支撑和屋面支撑。
刚架刚架柱和梁均采用截面H型钢制作,各种荷载通过柱和梁传给基础。
支撑、系杆刚性支撑采用热轧型钢制作,一般为角钢。
柔性支撑为圆钢。
系杆为受压圆钢管,与支撑组成受力封闭体系。
屋面檩条、墙梁一般为C型钢、Z型钢。
承受屋面板和墙面板上传递来的力,并将该力传递给柱和梁。
1-1-3、门式刚架的基本形式a.典型门式刚架6 s# ]8 P, H' }) e5 y! X8 Yb.带吊车的门式刚架2 K5 J% N# x' p: p2 Rc.带局部二层的门式刚架1-1-4、基本节点a.柱脚节点" O; `! ^4 Q# r1 @5 j8 L# n* Xb.梁、柱节点+ @. r: U' X" R) g5 l' @4 I% m! D; ?1 n% R■局部二层节点参照多层框架体系。
1-1-5、刚架衍生形式■吊车和局部二层可在衍生形式刚架中布置。
■山墙刚架其本质也是多连跨刚架,不过中间柱与刚架柱比截面旋转了90度。
1-2、多层框架体系1-2-1、框架图示6 V) u$ B5 o1 v3 J1-2-2、说明力学模型a.纯刚接框架:纵横两个方向均采用刚接的框架。
b.刚接-支撑框架:横向采用刚接,纵向采用铰接,并在纵向设置支撑,以传递水平力。
c.支撑式框架:纵横向均采用铰接,两向均设置支撑传递水平力。
d.有时为保证足够的刚度,在刚接框架中亦设置支撑。
框架柱框架柱可采用H型截面、箱形截面、十字形截面、圆管形截面等。
所有上部结构的力都通过框架柱传递给基础。
框架梁框架梁一般采用H型截面。
楼盖和屋盖上的力通过框架梁传递给框架柱。
支撑支撑采用一般采用热轧型钢制作,其功能是传递层间水平力和保证结构的刚度。
钢结构图纸基本识图1.绪论;2.制图基本知识;3.投影基本知识;4.投影基本原理;5.投影变换;6.平面建筑形体的投影;7.曲面建筑形体的投影;8.建筑形体的表达方法;9.轴测投影;10.建筑施工图;11.结构施工图;12.正投影中的阴影;13.透视投影;14.展开投影;15.给水排水工程;16.AutoCAD绘图基础。
二:《土木建筑制图》建筑安装工程预决算的编审工作,其基础除了应该了解,熟悉至精通建筑(房屋)的结构构件,组成和部位,相互间的关系和作用。
重要的一课是识图、读图。
工程识图是专业性很强的一门学问。
——什么图可以作为预算的依据?——哪些图可以计算出一件构造的工程量?——从哪些图纸上可以计算出什么材料的实际耗用量?——有了工程量数据怎么来计算它的价值?——工程造价的依据有那些?今天开始的课程将逐步获得答案。
1.1建筑识图与工程量计算(P151)一、建筑识图1、基本概念国家规定,一个工程项目应经过:(1)规划和初步设计阶段;(2)审查后扩大初步设计;(3)审查后施工图设计、又称技术设计。
2、施工图作用:指导施工,技术依据;指导结算,支付进度款依据;指导决算,结算工程款依据。
一套完整的施工图应:A、首页图目:从建施01-、结施01-、水施01-、电施01-(又分强电、弱电、讯施01-)、电通01-。
标准图设计总说明,内容包括:工程设计依据(批文、资金来源、地勘资料等),建筑面积,造价。
设计标准(建筑标准、结构荷载等级、抗震要求,采暖通风要求,照明标准,防火等级等)。
施工要求(技术与材料)项目±0.000与总图绝对标高的相对关系,室内外用材、强度等级。
装修表门窗表B、建筑施工图(简称建施)1、表示建筑物内部布置,外部形状、装修、构造、施工要求等,包括:纵横墙布置、门、窗、楼群梯和公共设施(如洗手间、开水房等)。
2、总平,平、立、剖和各构造详图(包括墙身剖面、楼梯、门窗、厕所、浴室、走廊、阳台等构造和详细做法、尺寸)。
3、文字说明,图注。
C、结构施工图(简称结施)1、表示承重结构的布置、构件类型、大小尺寸、构造做法。
2、结构说明,基础(包括桩基布置、埋置深度)各层结构布置平面和各构件的结构详图(包括柱、梁、板、楼梯、雨蓬、屋面等)。
D、设备施工图(简称设施)1、给排水、采暖通风、电气照明说明、管网布置、走向、标高。
2、平面布置、系统轴测、详图安装要求,接线原理。
二、识读施工图的要领(P156)1、掌握投影原理和形态的各种表达方法,请阅读P153、94甲型住宅初步设计。
2、熟悉和掌握建筑制图国家标准的基本规定和查阅方法。
如常用的图例、符号、线型、尺寸和比例。
3、基本掌握和了解房屋构造组成。
阅读施工图步骤阅读施工图和编审工程预决算一样,没有捷径可走,必须按部就班,系统阅读,相互参照,反复熟悉,才不致疏漏。
1、先细阅说明书、首页图(目录),后看建施、结施、设施。
2、每张图,先图标、文字,后图样。
3、看建施,先建施,后结施、设施。
4、建施先看平、立、剖、后详图。
5、结施先看基础、结构布置平面图,后看构件详图。
6、设施先看平面、后看系统、安装详图。
现实的施工图由于设计单位缺乏自审、互审、工种会审、总工把关(特别是地方设计院)一系列审核制度,所以尺寸不符、轴中不符、构造不符、用材不符、说明不符、图说不符、构件不符、详图不符等等层出不穷。
搞预、决算编审特别应该注意,搞不好就失之毫里、差之千里!三、解说建筑总平面图(P163)总平图上标注的尺寸,一律以M(米)为单位,它反映拟建房屋、构筑物等的平面形状、位置和朝向、室外场地、道路、绿化等的布置,地形、地貌、标高以及与原有环境的关系和邻界情况等。
为定位、施工放样、土方施工及绘制水、电、卫、暖、煤气、通讯、有线电视的总平面图和施工总平面图的依据。
四、解读建筑平面图(P164)1、读图名、识形状、看朝向;2、读名称、懂布局、组合;3、根据轴线、定位置、识开间、进深;4、掌握特殊表示、读楼梯;5、读尺寸、定面积、看高度、算指标;6、看图例、识细部,认门窗代号;7、根据索引符号,可知总图与详图关系。
五、解读建筑立面图(P168)1、从图名或轴线编号了解何朝向立面图;2、从立面图上了解层数、长度和高度、门窗数量和位置、大小;3、立面图上通常只标注标高尺寸,和结构标高会有不同;4、立面图上标出各部分构造,装饰节点详图的索引符号。
六、建筑剖面图的读法(P169)1、据图名、定位置、区分剖到与看到的部位;2、读地面、楼面、屋面的形状、构造;3、据标高、尺寸、知高度和大小;4、据索引符号、图例,读节点构造。
七、建筑详图(P176)详图是表达细部构造和节点关系,构配件的构造与尺寸、用料、做法。
详图包括:1、楼梯;2、外墙剖面;3、阳台;4、单元详图;5、门窗详图。
八、结构施工图(P193)包括:1、结构设计说明书;2、结构布置平面图;3、各承重构件(基础、柱、墙、板、梁)详图、剖面图、截面图、节点大样、局部构造等详图。
结构施工图,简称结施。
配合建施、设施指导施工、作为编制施工图予算的依据。
特点:1、沿防潮层的水平剖面表示基础平面。
2、沿房屋每层楼板面的水平剖面表示相应各层的楼层结构平面、标准层设一张图、结构变异则各层均有。
3、沿屋面承重的水平剖面表示层面结构平面布置。
4、用单个构件的正投影表达构件详图,把构件的平、立和相应断面画出详图、材料明细表。
有的还要作模板图、予埋件图。
5、构件详图,比例放大,清晰表达节点的细节。
6、构件的立面、断面轮廊线多用中或细实线,而钢筋的配置,则用粗实线或黑园点表示。
结构施工图读图方法要点(P195)先看文字说明,从基础平面图看起,到基础结构详图。
再读楼层结构布置平面图,屋面结构布置平面图。
结合立面和断面,垂直系统图。
最后读构件详图、看图名、看立面、看断面,看钢筋图和钢筋表由于结施是计算工程量的依据,编制予决算,以免漏误,往往要熟读多次,相互对照,摘抄要点、理解空间形状,构件所在部位,反复核对数量、材料、才能精益求精。
工业厂房施工图(P187)工业厂房施工图与民用建筑施工图共同之处:1、图示原理,平、立、剖、详;2、读图方法,先文后图;3、图样内容,建、施、设;4、编制方法,说、总平、总图、建、施、设、详、节;5、绘图步骤,自左至右,自下而上。
不同之处:1、生产工艺条件;2、使用功能;3、实用要求。
故图上表示的图例符号、具体内容则有异,结构施工图就复杂些,数量也多。
读懂×大学结构试验室图纸,基本可以了解工业建筑的施工图与民用建筑施工图的主要区别:一、从平面和剖面可以知道这是一个高低不同的两跨车间,高跨进深15M,低跨5.6M,D~E轴之间设410MM间距的伸缩缝,以适应高低跨之间的变形需要。
车间内设有轿厢式吊车一台、起重量Q=10t,轨距Lk=13.5M,吊车设在工字形钢砼柱的牛腿上。
车间的5-6轴间,B~C轴间开3M、3.6M的两扇外开大门。
设坡道、散水。
A轴处设2400×2000钢窗9樘,东山墙设2400×2400窗2樘,3600×2400窗1樘。
ED轴(车间与辅房之间)设4200×1400窗3,3000×1400窗3,2400×1400窗1,1500宽内开双扇门7樘。
F轴C-6窗2400×1500计17樘,东、西两侧各设2100×2400窗1,4-5轴北面设1500宽边门1樘。
车间内设上走道(吊车维护费用)和吊车钢梯。
二、从立面图可知,车间外粉刷水平分格线以窗顶、窗台,竖向分格线以轴线位置为垂直分格线。
设有窗台和遮阳板。
有组织排水、落水管位置在3、9轴(双线表示)。
三、从平面图的1-1剖面为阶梯剖面,看到室内外、牛腿顶面、轨道标高、薄腹梁底面标高、门、窗高度与地面的距离。
看到带牛腿柱子的侧面形状,吊车梁搁置位置,T形吊车梁的形状和搁置方式,行走方向。
看到形大型屋面板铺在工字型薄腹梁上的断面和流水坡度,沿沟节点、排水方式。
四、看到六个不同切面的节点详图。
①②为D、E伸缩缝的详图(A)为1的放大节点;③天沟与遮阳;④卷闸门与雨蓬(大门);⑤坡道、散水与明沟;⑥高低跨(D、E轴)的处理节点。
按P188、189、190平、立、剖三图试统计门、窗规格、数量门宽×高樘窗宽×高樘MC1 1500×3600 10 C-1 2400×1200卷闸门 3000×3600 2 C-2 4200×2400 44C-5 2100×2400C-6 1500×2400 17+4C-7 4200×2400 3解读结构施工图(P191)内容:一、结构说明1、结构形式(结构材料及类型;结构材料及规格、强度等级);2、地基与基础(包括地基土的地耐力等);3、施工技术要求及注意事项;4、选用的标准图集等。
二、结构布置平面图1、基础平面;2、楼层结构平面布置图;3、屋面结构平面布置图。
三、构件详图1、梁、板、柱、基础结构详图;2、楼梯结构详图;3、屋架(屋面)结构详图;4、其它详图,天沟、雨蓬、圈梁、过梁、门窗过梁、阳台、管道井、烟道井等。
特点:1、沿房屋防潮层的水平剖切表示基础平面图,沿每层楼板面水平剖切表示各层楼层结构平面图,沿屋面承重层的水平剖切表示屋面结构平面图。
2、用单个构件的正投影来表达构件详图,以其平面、立面及断面来表达,出材料明细表,有的要出模板图,予埋件图。
但这种图重复多,易出差错。
3、用双比例法出构件详图,构件轴线按一种比例,而构件局部用放大比例出图,便于更清晰表达节点的施工尺寸与搭节关系。
4、结施中,构件的立面、断面轮廓线用细或中实线表示,而构件内部钢筋配置则用粗实线和黑点表示。
5、结施常用图例表达。
1.2钢筋混凝土结构图(P193)1.RC结构的基本知识(“S”结构(钢结构), “RC”结构(钢筋混凝土结))它由水泥(325#以下为低标号,425#为标准,525#以上为高标号,如水下高强度水泥)砂子(清水中粗砂)石子(粒径300~500mm)和水(淡水,不含油、酸、碱等化学介质)按一定比例拌制、浇捣而成为砼。
强度指标是用边长为150mm的标准立方体砼试块,在标准养护室(温度20℃±3℃,相对湿度不小于90%)径28天养护,用标准方法测得的抗压强度,称之砼强度等级,如C20砼为每立方毫米的砼在20倍的破坏压力下不被粉碎,即为C20砼,20N/mm2。
N/mm2 ——千克力/每平方毫米 N/m2——牛顿每平方米(面分布力)。
砼强度等级共12个:低强度——C7.5,C10,C15;结构砼——C15,C20,C25,C30;高强度——C30,C35,C40,C45;超强度——C45,C50,C55,C60。