安全和功能检验(检测)报告
- 格式:doc
- 大小:39.50 KB
- 文档页数:2
施工单位安全和功能检验资料核查及主要功能抽查记录一、前言为了确保施工单位的安全生产和工程质量,我们需要对施工单位提交的安全和功能检验资料进行核查,同时进行主要功能的抽查,以确保施工单位的安全和功能检验工作符合要求,避免出现安全事故和工程质量问题。
二、安全和功能检验资料核查1.审查施工单位提交的安全和功能检验资料,包括但不限于以下内容:(1)施工单位的安全生产管理体系文件,如安全生产责任制、安全培训制度等;(2)施工单位的安全管理人员的资质证书;(3)施工单位的施工作业安全措施,如安全技术措施、施工方案等;(4)施工单位的安全检测和监控设备、设施的检验报告;(5)施工单位的危险源辨识与评估报告;(6)施工单位的安全事故隐患排查报告;(7)施工单位的安全培训档案和记录。
2.核查施工单位的安全和功能检验资料,确认是否符合要求,并记录核查结果。
1.选择施工单位的主要功能进行抽查,包括但不限于以下内容:(1)施工单位的设备使用功能;(2)施工单位的材料采购和使用功能;(3)施工单位的施工工艺和操作功能;(4)施工单位的施工质量控制功能;(5)施工单位的工程进度控制功能;(6)施工单位的施工现场管理功能。
2.对选择的主要功能进行抽查,包括但不限于以下方式:(1)检查施工单位的设备是否正常运行,并核实设备的使用记录;(2)检查施工单位的材料采购和使用,核实材料的合格证明和使用记录;(3)观察施工过程中的工艺和操作,核查施工单位的操作规范和施工工艺;(4)抽查施工单位的施工质量控制文件和记录,核实施工质量是否符合要求;(5)核查施工单位的工程进度控制,通过观察和询问方式了解工程进展情况;(6)现场检查施工单位的施工现场管理,包括环境卫生、安全设施、作业区域等方面。
3.记录主要功能抽查的结果,并与施工单位进行交流和沟通,提出改进意见和建议。
四、总结通过对施工单位的安全和功能检验资料的核查,以及对主要功能的抽查,我们可以全面了解施工单位的安全生产和工程质量情况,及时发现问题并提出改进措施,确保施工工作的安全和质量。
检测中心检验报告报告编号:XXXX检验日期:XXXX检验项目:XXXX检验单位:XXXX样本编号:XXXX一、功能性检验结果1.营养成分分析根据送检样本的不同,对其进行了营养成分分析。
结果显示样本中含有蛋白质、脂肪、碳水化合物、纤维素等主要营养成分。
其中,蛋白质含量为XXXXg/100g,脂肪含量为XXXXg/100g,碳水化合物含量为XXXXg/100g,纤维素含量为XXXXg/100g。
样本中富含以上几种主要营养成分,可满足人体日常需求。
2.物理性状测试对样本进行了物理性状测试,发现样本呈现色泽鲜亮、质地紧实、外形完整等特点,不存在明显的异味或污染物质。
样本的水分含量为XXXX%,符合相关标准。
整体来看,样本的物理性状良好,符合食品卫生安全要求。
3.食品添加剂检测针对样本中可能添加的食品添加剂,进行了检测。
结果显示样本中不含有检测项目所涉及的任何食品添加剂,符合食品安全标准,无添加剂污染问题。
二、安全性检验结果1.重金属检测对样本中重金属含量进行了检测,结果显示样本中各种重金属含量均低于国家标准规定的限量标准,不会对人体健康产生任何明显危害。
2.农药残留检测经过对样本中农药残留的检测,结果显示样本中各种农药残留含量均低于卫生部规定的限量标准,不存在超标情况,符合相关法规要求。
3.食品安全指标检测对样本进行了食品安全指标检测,包括总菌落、大肠菌群、霉菌、酵母菌等。
结果显示样本中各项指标均符合食品卫生标准,不存在明显的细菌或霉菌污染问题,食品安全性良好。
三、质量控制结果1.样本的稳定性对样本进行了稳定性测试,结果显示样本在不同储存条件下(干燥、恒温、阳光暴晒等)的营养成分、物理性状等指标变化不大,具有良好的稳定性。
2.样本的可溯源性样本的溯源性测试结果显示,送检样本确实源自提交单位,不存在混样或伪造的情况,可信度高。
四、结论综合以上测试结果,样本不仅具有良好的功能性,满足人体需求,还在安全性、质量控制方面均符合相关标准和法规要求。
填写说明一、检验批验收记录的填写检验批是工程验收的最小单位,是分项工程乃至整个建筑工程质量验收的基础。
检验批是施工过程中条件相同并有一定数量的材料、构配件或安装项目,由于其质量基本均匀一致,因此可以作为检验的基础单位,按批次验收。
检验批质量合格的条件共两个方面:资料检查、主控项目检验和一般项目检验。
质量控制资料反映了检验批从原材料到最终验收的各施工工序的操作依据、检查情况以及保证质量所必须的管理制度等。
对其完整性的检查,实际是对过程控制的确认,这是检验批合格的前提。
为了使检验批的质量符合安全和功能的基本要求,达到保证建筑工程质量的目的,各专业工程质量验收规范中各检验批的主控项目、一般项目的子项合格质量给出了明确的标准。
检验批的合格是主控项目和一般项目的检验结果。
主控项目是对检验批的基本质量起决定性影响的检验项目,因此必须全部符合有关专业工程验收规范的规定。
这意味着主控项目不允许有不符合要求的检验结果,即这种项目的检查具有否决权。
鉴于主控项目对基本质量的决定性影响,从严要求是必须的。
检验批的质量验收应在班组自检的基础上,由施工项目专业质量检查员检查并记录,由监理工程师组织项目专业质量检查员等进行验收,并按表3.0.12-1记录。
验收前,施工单位先填好“检验批(分项工程)质量验收记录”(有关监理记录和结论不填)、项目专业质量检查员在“检验批质量验收记录”和“分项工程质量检验记录”中相关栏目中如实填写,并在“施工单位检查评定结果”栏填写检查结果,签字完整后申请监理验收;监理工程师组织项目专业质量检查员和项目专业技术负责人等严格按规定程序进行验收,并在“监理单位验收记录” 、“监理单位验收结论”栏中填写验收情况及结论。
(一)表头的填写(1)“工程编号”——依各工程验收范围划分表确定。
(2)“表号”——与行业标准DL/T5210.1—2012《电力建设施工质量验收及评价规程第1部分:土建工程》中“质量标准与检验方法”的表号一致。
智能建筑分部工程安全和功能检验资料核查及主要功能抽查记录智能建筑是一种运用各种先进科技和信息技术手段,以提高建筑安全性、舒适度、高效性和可持续性的建筑形态。
在智能建筑的建设过程中,工程安全和功能检验资料的核查及主要功能抽查是非常重要的环节。
下面是对这两个环节的详细介绍:一、工程安全和功能检验资料核查1.检查安全合规性:核查智能建筑的安全设施是否符合国家相关法规和标准要求。
包括电力、给排水、通风和消防等工程安全设施的验收资料,以确保安全设施的正常运行。
2.检查工程质量:核查智能建筑工程的施工记录、验收记录、检测报告等质量文件,以确保建筑施工过程中的工程质量符合规范和标准。
3.检查设备检测:核查智能建筑中各种智能设备的检测报告、性能测试等文件,以确保设备的质量和性能能够满足相关功能需求。
4.检查施工组织:核查智能建筑的施工组织设计文件,包括施工方案、进度计划和安全措施等,以确保施工过程中的安全和质量。
5.检查竣工验收:核查智能建筑的竣工验收报告、资料和证书等,以确保建筑物的功能和安全性能达到设计要求。
1.遥控系统:抽查智能建筑的遥控系统的功能、控制范围和稳定性,包括对灯光、空调、窗帘、安防等设备的控制和管理。
2.能耗管理系统:抽查智能建筑的能耗管理系统的功能、监测范围和数据分析能力,包括实时监测和分析建筑物的能耗情况,并提供相应的节能措施和优化方案。
3.安防系统:抽查智能建筑的安防系统的功能、监控范围和报警响应能力,包括视频监控、入侵报警、火灾报警等安全保障措施的有效性。
4.环境监测系统:抽查智能建筑的环境监测系统的功能、监测范围和数据处理能力,包括对室内温湿度、空气质量、噪音等参数的监测和调控。
5.智能交通系统:抽查智能建筑的智能交通系统的功能、运行稳定性和数据处理能力,包括对停车场管理、车辆通行、人员出入等交通管理的有效性。
通过对工程安全和功能检验资料的核查及主要功能的抽查记录,可以及时发现和解决智能建筑中的安全问题和功能不足,确保智能建筑的正常运行和使用。
起重机检验报告报告编号:XXXXX报告日期:XXXX年XX月XX日报告单位:XXXX检测有限公司被检单位:XXXX有限公司被检设备:XX型起重机检测方法:可靠性检验、外观检查、功能测试检测标准:GB/T 14723-2010《起重机校验规程》,GB/T 3811-2008《起重机设计规范》等相关标准一、检测目的为了判定被检设备的安全性、合法性以及设备的完好性和使用效能,特委托我方检验人员对被检设备进行检验。
二、检测结果1. 可靠性检验:根据《起重机校验规程》要求,经过油封、螺母、轴承、链条、齿轮等部位的检查,被检起重机各项指标均符合国家技术标准,未发现重大缺陷和安全隐患。
2. 外观检查:外观检查结果显示,被检起重机各部件无明显变形、磨损、裂纹、锈蚀等现象,结构牢固,电线电缆排序清晰,机器运行时无异响、无异味。
3. 功能测试:在各种工况下,检验员通过实际操作被检起重机,进行了行车、吊运、卸载等功能测试。
测试结果显示被检起重机按照要求能够正常运行,各项指标符合技术标准。
三、检测结论通过对被检起重机的可靠性检验、外观检查和功能测试,证明被检起重机完好无损、技术水平符合国家要求,可以继续使用于相关作业领域。
四、检测建议为了保证被检起重机在后续工作中顺利进行,请被检单位根据检测报告中不合格的部位对设备进行修复或更换相关部件。
五、附录本报告经检验合格,附有被检起重机的详细技术信息和检验结果记录,作为被检起重机有关运行、使用等方面的参考依据。
检验人员签名:____________检验人员姓名:____________被检单位签字:____________被检单位盖章:____________。
车辆安全检验报告一、概述本次车辆安全检验是针对辆汽车进行的全面检验,目的是确保该车辆的运行安全性,并为车主提供安全驾驶的建议和维护保养的指导。
本次检验主要从车辆结构、车身安全、悬挂系统、制动系统、轮胎、灯光系统等多个方面进行了检测。
二、检验结果1.车辆结构:经过细致观察,车身结构完整,无明显变形和损坏,车窗、车门密封性较好,无渗漏情况。
车辆外观整洁,底盘无沾泥和泄漏的情况。
2.车身安全:车辆安全带完好且无老化松动现象,安全气囊正常,乘坐空间宽敞舒适,座椅调节功能正常,不影响驾驶安全。
车辆配备防溺水装置和灭火设备,并存放鲜明标识位置。
3.悬挂系统:悬挂系统在检测中无异常噪音和异常跳动现象,悬挂弹簧无断裂变形,悬挂支架安装良好,悬挂系统稳定性良好。
4.制动系统:经过刹车测试,制动系统正常工作,制动距离满足安全要求,刹车片和刹车盘磨损程度适中,无异常磨损现象。
制动液液位恰当,无老化泄漏情况。
5.轮胎:轮胎胎面花纹深度满足规定要求,轮胎未见明显划伤和磨损,气压适宜,无明显漏气迹象。
轮胎安装稳固,无异常松动现象。
6.灯光系统:车辆前后大灯、雾灯、示宽灯和转向灯正常工作,照射角度适宜,亮度正常,灯泡无破损,并无残留水汽等。
三、建议和维护保养指导1.车主需定期检查车辆结构,包括车身完整性、车窗密封性和底盘沾泥泄漏情况。
如有异常发现,及时修复。
2.车主需定期检查安全带、安全气囊和座椅调节功能的工作情况,确保其完好并正常使用。
3.车主需定期检查悬挂系统,包括悬挂弹簧和支架的状况,如有异常噪音和异常跳动现象,及时检修。
4.车主需定期检查制动系统,包括刹车片、刹车盘和制动液的工作情况,如有异常磨损和老化泄漏情况,及时更换或维修。
5.车主需定期检查轮胎,包括胎面花纹深度、气压和安装情况,如有异常磨损和漏气情况,及时更换或修补。
6.车主需定期检查灯光系统,包括前后大灯、雾灯和转向灯的工作情况,如有灯泡破损和照射角度不当情况,及时更换或调整。
安全和功能检验资料核查及主要功能抽查项目
一、安全检验资料核查
1.产品标准和规范:核查产品所属的国家标准和行业规范是否合规,
包括产品的尺寸、材质、结构、外观等方面要求。
2.产品认证和测试报告:核查产品是否通过了相关的认证和测试,如CCC认证、CE认证、ROHS认证等,并对认证和测试报告进行查验。
3.使用说明书和安全警示标识:核查产品的使用说明书是否清晰明确,是否包含安装、操作、维护等方面的内容;检查产品上是否标注了相应的
安全警示标识。
4.产品质量档案:核查产品的质量档案是否齐全,包括设计、生产、
检验、测试等过程的记录;查看产品样品是否符合质检标准。
5.产品抽样检验:对产品的样品进行抽样检验,通过对样品的安全性
和功能性进行测试,验证产品是否达到要求。
1.功能性能检测:对产品的主要功能进行抽查测试,如电器产品的电
源开关、电压稳定性、温度控制精度等;机械产品的运行速度、工作效率等。
2.安全性能检测:对产品的安全性能进行抽查测试,如电器产品的漏
电保护装置、过热自动断电装置等;机械产品的防护装置、安全开关等。
3.耐久性测试:对产品的使用寿命进行抽查测试,通过进行长时间连
续工作、重复操作等测试,验证产品的耐久性能。
4.环境适应性测试:对产品在不同环境条件下的适应性进行抽查测试,如产品在高温、低温、湿度、震动等条件下的工作性能。
5.可靠性测试:对产品的可靠性进行抽查测试,通过进行故障模拟、负载试验、振动试验等测试,评估产品的可靠性。
以上是对安全和功能检验资料核查及主要功能抽查项目的详细介绍,通过对这些项目进行核查和抽查测试,可以确保产品的安全性和功能性达到要求,保障消费者的权益。
全尺寸检验及功能试验报告报告日期:2024年10月10日一、引言二、测试目标本次测试的目标是验证产品在真实使用环境中的性能,包括尺寸、结构强度、安全性和功能等方面,以确保产品的质量和可靠性。
三、测试方法1.全尺寸检验:根据产品的设计图纸,使用测量工具对产品的尺寸进行测量,包括长度、宽度、高度等。
将测量结果与设计规格进行对比,检查是否符合要求。
2.结构强度测试:对产品的各个部件进行强度测试,包括承载能力、抗压能力等。
使用标准化的测试设备对产品进行载荷测试,记录变形和破坏情况,并根据测试结果分析产品的结构强度是否满足设计要求。
3.安全性测试:对产品进行安全性测试,包括电气安全、防火性能、防护性能等。
通过电气安全测试仪器对产品的电气参数进行测试,确保产品在正常使用过程中没有电气安全隐患。
通过防火实验和防护性能测试,验证产品的防火能力和保护能力。
4.功能试验:根据产品的设计要求和规范,对产品的功能进行测试。
通过连接电源、接口设备等,激活产品的各项功能,并记录测试结果,验证产品的功能是否正常。
四、测试结果1.全尺寸检验结果:通过对产品的尺寸进行测量,结果与设计规格完全符合,产品的尺寸满足要求。
2.结构强度测试结果:产品在最大负荷下未出现明显变形和破坏,结构强度满足设计要求。
3.安全性测试结果:产品在电气安全测试中通过了所有参数的检测,符合电气安全标准。
防火实验和防护性能测试中,产品表现出良好的防火能力和保护能力。
4.功能试验结果:产品的所有功能测试都正常工作,包括开关、调节、显示等功能,符合设计要求。
五、结论根据全尺寸检验及功能试验的结果,产品在尺寸、结构强度、安全性和功能等方面均满足设计要求。
产品具有良好的性能和可靠性,可投入市场销售和使用。
六、建议在后续生产中,建议继续强化全尺寸检验和功能试验,确保产品的质量和安全性。
同时,建议对产品的外观和包装进行进一步优化,提升产品的竞争力和用户满意度。
单位工程安全及功能检验文件资料核查及主要功能抽查记录一、资料核查在进行单位工程的安全及功能检验之前,我们首先要进行资料核查,确保相关资料的齐全、完整、准确。
主要核查内容包括:1.工程概况资料:包括建筑工程的设计图纸、施工图纸、规划方案、验收标准等,确保其符合相关规定。
2.材料质量检测报告:检查各类材料的质量检测报告,以验证其符合要求。
3.施工组织设计和施工方案:核查施工组织设计和施工方案是否合理,能否保证施工的安全性。
4.施工记录:核查施工过程中的施工记录,如施工日志、施工记录单等,以了解施工过程是否按照施工组织设计和施工方案进行。
5.质量检测报告:检查工程的各项质量检测报告,如混凝土强度检测报告、钢筋质量检测报告等,确保工程质量符合相关规定。
在资料核查完成后,我们进行主要功能抽查,以验证单位工程的安全和功能是否符合要求。
主要功能抽查内容包括(但不限于):1.结构安全抽查:选择关键部位进行安全抽查,核查结构的稳定性和承载能力是否符合设计要求。
2.防火安全抽查:对各个防火分区进行抽查,核查防火隔墙、防火门等设施是否符合要求,以及消防设备是否齐全有效。
3.安全通道抽查:抽查单位工程内的安全通道是否符合要求,如通道宽度、设施完备等。
4.功能抽查:根据单位工程的功能要求,抽查各个功能区域的满足程度,如厨房的排风设备是否正常运行、电路是否符合相关标准等。
5.环境卫生抽查:对单位工程的环境卫生进行抽查,包括公共区域、办公区域、宿舍区域等。
抽查过程中,我们要结合相关规定和标准进行抽查,确保单位工程的安全和功能符合要求。
同时,我们还要记录抽查过程中的发现问题,并提出改进意见,以便后续进行整改。
总结单位工程的安全及功能检验文件资料核查及主要功能抽查记录是确保单位工程质量和安全的重要环节。
通过对相关资料的核查和主要功能的抽查,可以验证单位工程的安全和功能是否符合要求,并根据抽查结果提出改进意见,以便后续进行整改和验收。
安全检测检验报告1. 引言本报告是对安全检测检验的结果进行分析和总结,旨在评估所检测系统的安全性能和存在的潜在风险。
本次安全检测检验的对象是某公司内部网络系统。
2. 测试目标本次安全检测检验的目标是评估系统的安全性,包括但不限于以下方面:1.网络安全性:检查网络设备和配置的安全性,评估系统网络防护的有效性。
2.主机安全性:评估服务器和终端设备的安全性,检测可能存在的漏洞和弱点。
3.数据安全性:检查系统数据的加密和存储安全性,评估数据泄露的风险。
3. 测试方法本次安全检测检验采用了以下测试方法:1.网络扫描和漏洞评估:使用网络扫描工具对网络设备进行扫描,检测网络设备和配置的漏洞,评估系统的网络防护措施。
2.主机漏洞评估:对服务器和终端设备进行主机扫描和漏洞评估,检测操作系统和应用程序的漏洞,评估主机的安全性。
3.数据存储评估:对系统的数据存储进行详细的评估,包括数据的加密机制、权限控制和备份策略等。
4. 测试结果4.1 网络安全性通过对网络设备进行扫描和漏洞评估,我们发现了以下安全问题:1.存在未授权访问的风险:部分网络设备的访问控制设置不完善,存在未授权用户可以访问设备的风险。
2.未启用网络设备的防火墙:部分网络设备的防火墙功能未启用,可能导致网络攻击威胁对系统造成影响。
3.存在弱密码风险:部分设备使用了弱密码,容易被暴力破解和未授权用户访问。
4.2 主机安全性通过对服务器和终端设备进行扫描和漏洞评估,我们发现了以下安全问题:1.操作系统未及时更新:部分服务器和终端设备的操作系统未及时更新,导致可能存在已知漏洞和安全威胁。
2.未安装安全补丁:部分服务器和终端设备未安装最新的安全补丁,存在已知漏洞,容易被攻击者利用。
3.存在弱点服务和未授权程序:部分服务器和终端设备上运行了不必要的服务和未授权的程序,增加了系统的攻击面。
4.3 数据安全性通过对系统数据存储的评估,我们发现了以下安全问题:1.缺乏数据加密措施:部分重要数据存储未加密,存在数据泄露风险。
分部子分部工程安全和功能检验资料核查及1.背景介绍:分部子分部工程的安全和功能检验资料核查是在工程完工后对该工程的安全性和功能性进行检验,核查其符合相关法规和标准的要求,确保工程质量和安全,保证其正常使用。
2.检查内容:-安全检查:核查工程是否存在安全隐患,包括结构、材料、设备等方面的检查,确保工程经得起正常使用和外部环境的考验。
-功能性检查:核查工程的功能是否正常,包括设备运行是否顺畅,各项功能是否符合设计要求等,确保工程能够满足使用者的需求。
3.检查步骤:-收集资料:首先,需要收集完工资料,包括设计图纸、施工图纸、报验材料等。
-核查图纸:对设计图纸和施工图纸进行核查,确认施工是否按照设计要求进行。
-核查报验材料:对工程报验材料进行核查,确认工程施工过程中的各项检验是否合格。
-现场检查:对工程现场进行实地检查,核查工程的实际情况是否符合设计要求和报验材料。
-功能检测:对工程的各项功能进行检测,确保其正常运行和满足使用要求。
-安全检查:对工程进行安全检查,确认是否存在安全隐患,如有需要及时采取措施进行整改。
4.检查结果和处理:-检查结果记录:对每次检查的结果进行详细记录,包括检查的日期、地点、内容、问题等。
-问题整改:根据检查结果,对存在问题的部分进行整改,确保工程的安全和功能得到保障。
-复查:对整改后的问题进行复查,确保问题得到有效解决。
-最后报告:完成整个检查过程后,向相关部门提交最终的检查报告,包括检查的详细情况、问题整改情况等。
通过对分部子分部工程安全和功能检验资料的核查,可以有效地确保工程质量和安全,保证工程的正常使用。
这项工作需要专业的人员进行,要求严谨、细致,并且要与相关部门密切合作,共同落实该项检查工作。
只有通过合理的检查和核查,才能为工程的安全和功能提供保障。
汽车安全检测报告1. 背景汽车安全检测是对车辆进行全面检测,确保车辆在行驶过程中的安全性。
本报告针对一辆经过全面检测的汽车进行分析和总结,旨在提供有关该车辆的安全性能评估。
2. 检测方法本次汽车安全检测采用了多项检验和测试方法,包括但不限于以下几个方面:- 碰撞安全性:通过正面、侧面和后方碰撞测试来评估车辆在碰撞情况下的保护能力;- 制动性能:测试车辆在不同速度下的刹车距离和刹车灵敏度,以评估制动系统的性能;- 车辆稳定性:测试车辆的悬挂系统和动力系统,以评估车辆在高速行驶和紧急情况下的稳定性;- 安全辅助系统:对车辆的安全辅助系统(如制动辅助、车道保持等)进行功能测试和评估。
3. 检测结果3.1 碰撞安全性车辆在前方、侧面和后方碰撞测试中表现出色。
前方碰撞测试中,车辆的前部结构和安全气囊系统有效保护了乘客,减缓了碰撞力。
侧面碰撞测试中,车辆的车身结构和侧气囊系统表现出良好的保护性能。
后方碰撞测试中,车辆的后保险杠和座椅头枕提供了有效的保护。
3.2 制动性能车辆的制动性能良好。
在不同速度下的刹车测试中,车辆的刹车距离均在合理范围内,并且刹车灵敏度也达到了预期要求。
这意味着车辆在紧急制动情况下具有良好的反应和控制能力。
3.3 车辆稳定性车辆的悬挂系统和动力系统表现出色。
在高速行驶和紧急转向测试中,车辆表现稳定,车身姿态得到良好控制。
这对于提高车辆的稳定性和操控性能具有重要意义。
3.4 安全辅助系统车辆的安全辅助系统功能正常,并且性能可靠。
制动辅助系统能够在紧急情况下提供额外的刹车支持;车道保持系统能够帮助驾驶员保持车辆在车道内行驶。
这些系统的正常工作对提高驾驶安全性起到了积极作用。
4. 结论经过全面检测,该车辆在碰撞安全性、制动性能、车辆稳定性和安全辅助系统方面表现出色。
车辆的各项安全指标均达到或超过了国家相关标准,驾驶该车辆时可获得良好的安全保护和驾驶体验。
5. 建议尽管该车辆的安全性能良好,但在实际使用过程中,仍需遵守交通规则和注意安全驾驶。
设备工程安全和功能检验资料核查及主要
功能抽查记录(最新版)
一、介绍
本文档旨在核查设备工程安全和功能检验资料,并记录主要功能的抽查情况。
通过对设备的安全性和功能进行核查和抽查,可以确保设备的正常运行和安全性。
二、核查资料
核查资料包括以下内容:
1. 设备工程安全检验报告
2. 设备工程功能检验报告
3. 设备工程验收记录
4. 设备工程测试数据
5. 设备工程维护记录
三、主要功能抽查记录
主要功能抽查记录应包括以下内容:
1. 设备名称和型号:[填写设备名称和型号]
2. 抽查日期:[填写抽查日期]
3. 抽查人员:[填写抽查人员姓名]
4. 抽查内容:
- 主要功能1:[描述主要功能1的抽查情况]
- 主要功能2:[描述主要功能2的抽查情况]
- 主要功能3:[描述主要功能3的抽查情况]
四、抽查结果与建议
根据对主要功能的抽查情况,汇总抽查结果,并提出相应的建议。
如果发现设备存在功能缺陷或安全隐患,应及时通知相关部门或人员进行处理和修复。
五、附件
将核查资料和主要功能抽查记录作为附件,以便查询和参考。
以上为《设备工程安全和功能检验资料核查及主要功能抽查记录》的内容。
请按照实际情况填写和记录相关信息,以确保设备工程的安全性和正常运行。
MPP电力管性能检验及验收标准MPP电力管多用于工程电力电缆保护!管道本身要承受耐腐蚀、耐高温、等!多种性能!因此对于管材的安全检测是非常严格的!对于MPP电力管的检测流程主要有三个步骤。
MPP电力管观感质量验收:在观感质量验收时,实际不单单是外观质量,还有能启动或运转的要启动或试运转,能打开看的打开看,有代表性的房间、部位都应走到,并由施工单位项目经理组织进行现场检查,经检查合格后,将施工单位填写的内容填写好后,由项目经理签字后交监理单位或建设单位验收。
监理单位由总监理工程师或建设单位项目专业负责人为主导共同确定质量评价-好、一般、差。
由施工单位的项目经理和总监理工程师或建设单位项目专业负责共同签认。
如评价观感质量差的项目,能修理的,尽量修理,如果确难修理时,只要不影响结构安全和使用功能的可采用协商解决的方法进行验收,并在验收表上注明,然后将验收评价结论填写在分部(子分部)MPP管工程观感质量验收意见栏内。
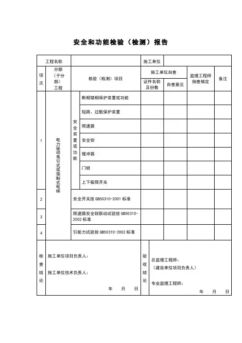
MPP电力管安全和功能检验(检测)报告:项目是指竣工抽样检测的项目,能在分部(子分部)工程中检测的,尽量放在分部(子分部)工程中检测。
检测内容按表G.0.1-3单位(子单位)工程安全和功能检验资料核查及主要功能抽查记录中相关内容确定核查和抽查项目。
在核查时要注意,在开工之前确定的项目是否都进行了检测。
逐一检查每个检测报告时,核查每个检测项目的检测方法、程序是否符合有关标准规定;检测结果是否达到规范的要求;检测报告的审批程序签字是否完整;并在每个报告上标注审查同意。
每个检测项目都通过审查,即可在施工单位检查评定栏内打“√”,标注“检查合格”。
由项目经理送监理单位或建设单位验收,监理单位总监理工程师或建设单位项目专业负责人组织审查,在符合要求后,在验收意见栏内签注“同意验收”意见。
验收单位签字认可:按表列参与工程建设责任单位的有关人员应亲自签名,以示负责,并便追查质量责任。
勘察单位可只签认地基基础分部(子分部)电力管工程,由项目负责人亲自签认;设计单位可只签地基基础、主体结构及重要安装分部(子分部)工程,由项目负责人亲自签认;施工单位总承包单位必须由项目经理亲自签认,有分包单位的分包单位也必须签认其分包的分部(子分部)工程,由分包项目经理亲自签认。