侧墙模板安装检验批记录
- 格式:docx
- 大小:18.79 KB
- 文档页数:1
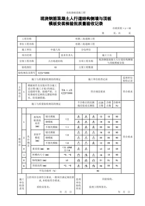
现浇人行地道(挡土墙)结构钢筋混凝土侧墙与顶板模板安装检验批质量验收记录表CJJ 1— 2008工程名称施工单位单位工程名称分部工程名称分项工程名称验收部位项目经理技术负责人检验日期验收执行标准名称及编号《城镇道路工程施工与质量验收规范》( CJJ1-2008 )检查项目允许偏差或检查结果允许值( mm)模板和支符合 GB50204-2002 1架的承载第 4.1.1条的规定能力主控隔离剂涂符合 GB50204-2002 2刷第 4.2.2条的规定项目模板及支符合 GB50204-2002 3架拆除时的第 4.3条的规定的砼强度允许偏差或检查项目允许值( mm)符合 GB50204-20021外观的第 4.2.3 条的规定模一板用作模板符合 GB50204-2002般的的地坪、胎的第 4.2.4 条的规项一膜质量定目般要求模板起拱符合 GB50204-2002高度第 4.2.5 条的规定检查结果 / 实测点偏差值或实测值12345678应测合格合格9点数率 %点数续上页允许偏差或检查结果 / 实测点偏差值或实测值检查项目允许值( mm)123456789应测合格合格点数点数率%刨光模板相邻≤21两板钢模板表面高差不刨光≤4模板3侧刨光墙模板一与≤3般顶表面项板2平整钢模板目模度板安不刨光装≤5模板3垂直度≤0.1%H且≤64杯槽内尺寸⑴+3-55轴线偏位≤106顶面高程+2,-5一般项目平均合格率(%)施工单位检查评定结果项目专业质量检查员:年月日监理(建设)单位验收意见专业监理工程师:(建设单位项目专业技术负责人)年月日注:主控项目、一般项目的检查结果,需用语言描述的项,应按CJJ1-2008的要求详实描述;主控项目的计数检验项先填写“检验批主控项目计数检验记录表”(G1-1-1),然后将计数检验结果填写在本表相应的检查结果栏内;检验批一般项目计数检验数据较多、本表空格不够填写的项,可填写“检验批一般项目计数检验记录表”(G1-1-2 ),将该表作为本表的附页。
预制构件模板安装检验批质量验收记录注:本表内容的填写需依据《现场验收检验批检查原始记录》。
本检验批质量验收的规范依据见本页背面。
填写说明一、填写依据1 《混凝土结构工程施工质量验收规范》GB50204-2015。
2 《建筑工程施工质量验收统一标准》GB50300-2013。
二、检验批划分混凝土结构工程采用的材料、构配件、器具及半成品应按进场批次进行检验。
属于同一工程项目且同期施工的多个单位工程,对同一厂家生产的同批材料、构配件、器具及半成品,可统一划分检验批进行验收。
如:模板安装,可根据柱、梁、板、墙,按楼层或结构伸缩缝进行划分。
三、GB50204-2015规范摘要主控项目4.2.1 模板及支架用材料的技术指标应符合国家现行有关标准的规定。
进场时应抽样检验模板和支架材料的外观、规格和尺寸。
检查数量:按国家现行相关标准的规定确定。
检验方法:检查质量证明文件,观察,尺量。
4.2.2 现浇混凝土结构模板及支架的安装质量,应符合国家现行有关标准的规定和施工方案的要求。
检查数量:按国家现行相关标准的规定确定。
检验方法:按国家现行有关标准的规定执行。
4.2.3 后浇带处的模板及支架应独立设置。
检查数量:全数检查。
检验方法:观察。
4.2.4 支架竖杆和竖向模板安装在土层上时,应符合下列规定:1 土层应坚实、平整,其承载力或密实度应符合施工方案要求;2 应有防水、排水措施;对冻胀性土,应有预防冻融措施;3 支架竖杆下应有底座或垫板。
检查数量:全数检查。
检验方法:观察;检查土层密实度检测报告、土层承载力验算或现场检测报告。
一般项目4.2.5 模板安装质量应符合下列规定:1 模板的接缝应严密;2 模板内不应有杂物、积水或冰雪等;3 模板与混凝土的接触面应平整、清洁;4 用作模板的地坪、胎膜等应平整、清洁,不应有影响构件质量的下沉、裂缝、起砂或起鼓;5 对清水混凝土及装饰混凝土构件,应使用能达到设计效果的模板。
检查数量:全数检查。
模板安装工程查验批报验申请表工程名称:编号:致贵州建工监理:(监理单位)工作,现报上该工程报验申请我单位已达成了表,请予以审察和查收。
附件:模板安装工程查验批质量查收记录 1 份包办单位(章):项目经理:日期:审察建议:项目监理机构:总 / 专业监理工程师:日期:模板安装工程查验批质量查收记录表GB50204-2002单位(子单位)工程名称分部(子分部)工程名称查收部位施工单位项目经理施工履行标准名称及编号混凝土构造工程施工质量查收规范( GB50204-2002 )施工质量查收规范的规定监理(建设)单位施工单位检查评定记录查收记录主模板支撑、立柱地点和垫板第 4.2.1 条1控项防止隔绝剂沾污第 4.2.2 条2目1 模板安装的一般要求第 4.2.3 条2 用作模板地坪、胎膜质量第 4.2.4 条3 模板起拱高度第 4.2.5 条预埋钢板中心线地点( mm ) 3预埋预埋管、预留孔中心线地点3 (mm )件、中心线地点( mm ) 5 预留插筋4 外露长度(mm )+10,0孔允一预埋螺中心线地点( mm ) 2 许偏般栓外露长度(mm )+10,0 差项中心线地点( mm )10预留洞目尺寸(mm )+10,0轴线地点(mm ) 5底模上表面标高( mm )±5 模板截面内部尺寸基础±105 安装(mm )柱、墙、梁+4,-5 允许层高垂直度不大于 5m6 误差(mm )大于 5m 8 相邻两板表面高低差( mm ) 2表面平坦度( mm ) 5施工单位检查评定结果合格专业工长(施工员)项目专业质量检查员:施工班组长年月日监理(建设)单位查收结论专业监理工程师:(建设单位项目专业技术负责人):年月日模板拆掉工程查验批报验申请表工程名称:编号:致贵州建工监理:(监理单位)我单位已达成了工作,现报上该工程报验申请表,请予以审察和查收。
附件:模板拆掉工程查验批质量查收记录 1 份包办单位(章):项目经理:日期:审察建议:项目监理机构:总 / 专业监理工程师:日期:模板拆掉工程查验批质量查收记录表GB50204-2002(Ⅲ)单位(子单位)工程名称分部(子分部)工程名称施工单位施工履行标准名称及编号施工质量查收规范的规定底模及其支架拆掉时的混凝土1强度主控后张法预应力构件侧模和底模项2的拆掉时间目3后浇带拆模和支顶一1 防止拆模损害般项目2 模板拆掉、堆放和清运施工单位检查评定记录第 4.3.1 条第 4.3.2 条第 4.3.3 条第 4.3.4 条第 4.3.5 条010601020101查收部位项目经理监理 (建设 )单位查收记录专业工长(施工员)施工班组长施工单位检查评定结果项目专业质量检查员:年月日监理(建设)单位查收结论专业监理工程师:(建设单位项目专业技术负责人):年月日钢筋加工工程查验批报验申请表工程名称:编号:致贵州建工监理:(监理单位)我单位已达成了工作,现报上该工程报验申请表,请予以审察和查收。
挡土墙模板安装检验批质量检验记录(二)引言概述:挡土墙是一种常见的土木工程结构,用于支持土体以防止其坍塌或滑动。
为了确保挡土墙的安全稳定,模板安装的质量检验十分重要。
本文记录了挡土墙模板安装检验批的质量检验情况,以确保模板安装符合相关要求。
正文:一、模板安装位置检验1. 检查挡土墙模板的安装位置是否符合设计要求。
2. 检查模板的水平度和垂直度是否满足规范要求。
3. 检查模板的固定方式和连接件是否牢固可靠。
二、模板材料质量检验1. 检查模板材料是否符合设计规范的要求。
2. 检查模板的尺寸和平整度是否符合要求。
3. 检查模板的表面是否有损坏或者腐蚀现象。
三、模板安装工艺检验1. 检查模板的安装工艺是否符合设计要求。
2. 检查模板支撑的稳固性和均匀性。
3. 检查模板的拆除方式和时间安排。
四、模板安装质量控制1. 检查模板安装过程中是否按照质量控制计划进行操作。
2. 检查模板安装过程中是否出现过错误和缺陷,并采取相应的纠正措施。
3. 检查模板安装所使用的设备和工具是否符合相关标准和要求。
五、模板安装完工检验1. 检查挡土墙模板安装是否完成,并记录安装日期。
2. 检查模板安装后挡土墙的整体形象和质量,是否符合设计要求。
3. 检查模板的拆除过程是否与设计要求和安全规范相一致。
总结:通过对挡土墙模板安装检验批的质量检验,可以确保模板安装的质量符合设计要求和相关规范。
及时发现和纠正问题,提高模板安装的可靠性和稳定性。
同时,也为后续施工提供了可靠的基础和保障。
挡土墙模板安装检验批质量检验记录(一)引言概述:挡土墙模板安装是土木工程中的重要一环,对于墙体的稳定性和质量起着至关重要的作用。
为了确保挡土墙模板安装的质量,需要进行相应的检验工作。
本文将从以下五个大点阐述挡土墙模板安装检验批质量检验记录。
正文:1. 模板材料的检验1.1 确认模板材料的品种和规格是否符合设计要求1.2 检查模板材料的表面是否平整,无裂缝、破损等缺陷1.3 检查模板材料的连接件是否齐全、完好,并能够稳固连接2. 模板安装的检验2.1 检查模板安装的位置是否准确,与设计图纸一致2.2 检查模板支撑的方式和设置是否符合安全要求2.3 检查模板的固定是否牢固,能够承受正常的工作荷载2.4 检查模板的水平度、垂直度是否满足规范要求2.5 检查模板的结构是否密实,无松动、腐蚀等现象3. 模板接缝的检验3.1 检查模板之间的接缝是否紧密,无缝隙3.2 检查接缝处的填充物是否完好,能够保证墙体的整体性3.3 检查接缝处的胶水使用是否符合规范,并且能够有效粘贴4. 模板的防水工艺检验4.1 检查模板防水层的材料是否符合要求,并能够达到防水效果4.2 检查模板防水层的施工工艺是否符合规范,能够保证防水效果4.3 检查模板防水层的密封性是否良好,无渗漏现象5. 模板安装记录的检验5.1 检查模板安装记录的完整性和准确性5.2 检查模板安装记录是否包含了相关的检验、验收等信息5.3 检查模板安装记录是否经过相关责任人的签字确认总结:挡土墙模板安装检验批质量检验记录是确保施工质量的重要文件,通过对模板材料、模板安装、模板接缝、模板防水工艺和模板安装记录的检验,可以有效确保挡土墙模板安装的质量和稳定性。
只有经过严格检验,并符合相关规范要求,才能保障工程的可靠性和安全性。
墙体节能工程检验批质量验收记录编号:填表说明:1、检验批容量填写:采用相同材料、工艺和施工做法的墙面,扣除门窗洞口后的保温墙面面积每1000m2划分为一个检验批;当按计数方法抽样检验时,其抽样数量尚应符合表1的规定。
表1 检验批最小抽样数量2、最小/实际检查数量栏中,实际检查数量:按实填写。
具体如下:主控项目:(1)材料、半成品、成品进场验收:接进场批次,每批随机抽取3个试样进行检查质量证明文件应按其出厂检验批进行核查;(2)材料质量:同厂家、同品种产品,按照扣除门窗洞口后的保温墙面面积所使用的材料用量。
在5000㎡以内时应复验1次;面积每增加 5000㎡应增加1次。
同工程项目、同施工单位且同施工的多个单位工程,可合并计算抽检面积。
在同一工程项目中,同厂家、同类型、同规格的节能材料、构件和设备,当获得建筑节能产品认证、具有节能标识或连续三次见证取样检验均一次检验合格时,其检验批的容量可扩大一倍,且仅可扩大一倍。
扩大检验批后的检验中出现不合格情况时,应按扩大前的检验批重新验收,且该产品不得再次扩大检验批容量。
(3)外墙外保温工程材料及型式检验报告:全数检查;(4)冻融试验:全数检查;(5)基层处理要求:全数检查;(6)墙体节能工程构造层做法:全数检查;(7)保温隔热材料厚度、粘结强度、连接方式、预埋或后置锚固件固定:检验批应抽查3处;(8)预置保温板现场浇筑混凝土墙体施工:隐蔽工程验收记录全数核查;其他项目按表1的规定抽检;(9)保温浆料施工:同厂家、同品种产品,按照扣除门窗洞口后的保温墙面面积所使用的材料用量。
在5000㎡以内时应复验1次;面积每增加 5000㎡应增加1次。
同工程项目、同施工单位且同施工的多个单位工程,可合并计算抽检面积(10)饰面层的基层及面层施工:粘结强度应按照现行行业标准《建筑工程饰面砖粘结强度检验标准》JGJ/T 110的有关规定抽样,其他为全数检查。
(11)保温砌块砌筑的墙体施工:砂浆品种和强度试验报告全数核查。
5.10.1现浇混凝土模板安装工程检验批质量验收记录(共17页)--本页仅作为文档封面,使用时请直接删除即可----内页可以根据需求调整合适字体及大小--挡土墙现浇混凝土模板安装分项工程报审、报验表工程名称:矿业公司白马铁矿4#矿石破碎站建设工程项目编号:注:本表一式份,由承包单位填报,建设单位、项目监理机构、承包单位各一份。
表5.10.1 现浇混凝土模板安装工程检验批质量验收记录工程名称:矿业公司白马铁矿4#矿石破碎站建设工程项目编号:表5.10.1 现浇混凝土模板安装工程检验批质量验收记录(续表)工程名称:矿业公司白马铁矿4#矿石破碎站建设工程项目编号:注:L 为长度。
表5.10.1 现浇混凝土模板安装工程检验批质量验收记录工程名称:矿业公司白马铁矿4#矿石破碎站建设工程项目编号:表5.10.1 现浇混凝土模板安装工程检验批质量验收记录(续表)工程名称:矿业公司白马铁矿4#矿石破碎站建设工程项目编号:注:L 为长度。
表5.10.1 现浇混凝土模板安装工程检验批质量验收记录工程名称:矿业公司白马铁矿4#矿石破碎站建设工程项目编号:表5.10.1 现浇混凝土模板安装工程检验批质量验收记录(续表)工程名称:矿业公司白马铁矿4#矿石破碎站建设工程项目编号:注:L 为长度。
表5.10.1 现浇混凝土模板安装工程检验批质量验收记录工程名称:矿业公司白马铁矿4#矿石破碎站建设工程项目编号:表5.10.1 现浇混凝土模板安装工程检验批质量验收记录(续表)工程名称:矿业公司白马铁矿4#矿石破碎站建设工程项目编号:注:L 为长度。
表5.10.1 现浇混凝土模板安装工程检验批质量验收记录工程名称:矿业公司白马铁矿4#矿石破碎站建设工程项目编号:表5.10.1 现浇混凝土模板安装工程检验批质量验收记录(续表)工程名称:矿业公司白马铁矿4#矿石破碎站建设工程项目编号:注:L 为长度。
表5.10.1 现浇混凝土模板安装工程检验批质量验收记录工程名称:矿业公司白马铁矿4#矿石破碎站建设工程项目编号:表5.10.1 现浇混凝土模板安装工程检验批质量验收记录(续表)工程名称:矿业公司白马铁矿4#矿石破碎站建设工程项目编号:注:L 为长度。
侧墙砌体现场质量检验报告单一、项目背景本次质量检验报告单主要针对侧墙砌体进行现场质量检验,以确保施工质量达到规范要求,并为后续施工工序提供参考。
二、检验内容1.检查砌筑工艺2.检测砌体垂直度3.检查砌体水平度4.检查墙体强度5.检验砌体缝隙尺寸和均匀性三、检验结果1.砌筑工艺:经过检查,施工方按照规范要求,采用了正确的砌筑工艺,保证了砌体的牢固性和稳定性。
2.砌体垂直度:使用专业的垂直度仪器,对侧墙进行了测量。
结果显示,砌体的垂直度误差在允许范围内,符合规范要求。
3.砌体水平度:同样使用专业的水平度仪器,对侧墙进行了测量。
测量结果表明,砌体的水平度也满足规范要求,保证了墙体的整体平整度。
4.墙体强度:采用非破坏性检测方法对侧墙进行了强度检测。
经过测试,墙体的抗压强度满足设计要求,具有足够的承载能力。
5.砌体缝隙尺寸和均匀性:对砌体缝隙进行了测量和检查。
经过比对和验证,砌体缝隙的尺寸均在允许范围内,并且具有一定的均匀性,保证了墙体的整体美观度和隔音效果。
四、存在问题和建议1.砌体表面出现少量裂缝:在砌体施工过程中,可能存在一些裂缝问题,应及时进行修补,以确保墙体的整体美观度和耐用性。
2.砌体缝隙不够均匀:在砌筑过程中,砌体缝隙的均匀性需要进一步提高,可以采用专业的涂缝材料进行修补,以改善墙体的美观度和功能性。
3.施工现场清洁度不高:施工现场存在一定的污染和垃圾堆放问题,建议施工方加强施工现场管理,保持施工现场的整洁和卫生。
五、改进措施1.加强施工人员培训,提高施工工艺水平。
2.定期进行垂直度和水平度的检测和调整,确保墙体的牢固性和稳定性。
3.加强对砌体材料的检测和质量控制,杜绝不合格材料的使用。
4.定期进行墙体强度的检测和评估,及时进行补强和加固。
5.加强施工现场管理,定期清理垃圾和污染,保持施工现场的整洁和安全。
六、结论本次侧墙砌体现场质量检验结果显示,砌体的施工质量符合规范要求,整体质量较好。
挡土墙地基检验批质量检验记录
市政质检·1·50
挡土墙模板安装检验批质量检验记录
市政质检·1·51
挡土墙钢筋加工、成型与安装检验批质量检验记录
市政质检·1·52
挡土墙基础混凝土检验批质量检验记录
市政质检·1·53
现浇混凝土挡土墙检验批质量检验记录
市政质检·1·54
挡土墙滤层、泄水孔检验批质量检验记录
市政质检·1·55
挡土墙回填土检验批质量检验记录
市政质检·1·56
帽石检验批质量检验记录
市政质检·1·57
挡土墙混凝土栏杆预制与安装检验批质量检验记录
市政质检·1·58
装配式钢筋混凝土挡土墙
墙板预制检验批质量检验记录
市政质检·1·59
装配式钢筋混凝土挡土墙检验批质量检验记录
市政质检·1·60
第页,共页
砌体挡土墙检验批质量检验记录
市政质检·1·61
第页,共页
加筋挡土墙板及筋带安装检验批质量检验记录
市政质检·1·62
第页,共页
加筋挡土墙检验批质量检验记录
市政质检·1·63。