屋面保温层工程检验批质量验收记录
- 格式:doc
- 大小:184.00 KB
- 文档页数:4
栋建筑屋面分部工程质量验收记录一、验收时间和地点验收时间:2024年6月1日-2024年6月5日验收地点:XX建筑工地二、参与人员验收单位:工程质量监督站监理单位:XX监理工程有限公司施工单位:XX建筑工程有限公司三、验收内容1.施工材料的质量和使用情况:1.屋面防水材料(例如沥青卷材、水泥砂浆等)的规格、型号、生产批号、品牌等;2.材料是否符合相关标准和验收要求;3.材料的使用情况,如是否存在损坏、变形、剪口等;2.屋面结构的质量和安装情况:1.屋面结构(如屋面槽钢、檩条、龙骨等)的规格、型号、材质等;2.结构是否牢固,有无锈蚀、变形等情况;3.结构的连接处和焊接点是否牢固,有无裂缝、松动等情况;4.结构的安装是否符合设计要求和施工规范,有无误差、漏接等情况;3.屋面防水层的质量和施工情况:1.防水层的厚度、材质、层数等;2.防水层的施工工艺是否正确,有无浮泡、渗漏等情况;3.防水层的固定方式、接缝处理是否符合要求;4.防水层的抗拉强度、耐热性、耐腐蚀性等性能是否达标;4.屋面排水系统的质量和安装情况:1.排水系统(例如雨水龙头、雨水管、排水沟等)的规格、型号、材质等;2.管道是否畅通无阻,并有无渗漏、腐蚀等情况;3.排水口是否合理安装,有无倾斜、堵塞等问题;4.排水沟是否符合设计要求和施工规范,有无渗漏、坍塌等情况;5.屋面保温层和隔热层的质量和施工情况:1.保温层和隔热层的类型、厚度等参数;2.施工质量是否符合要求,有无空鼓、脱落等情况;3.保温层和隔热层的热阻、热传导系数等性能是否达标;6.其他问题和存在的质量隐患:1.验收过程中发现的其他问题和存在的质量隐患(如漏水、渗漏、变形等);2.针对问题和质量隐患提出整改措施和建议;四、验收结论经对建筑屋面分部工程进行细致的质量验收1.施工材料的质量符合相关标准和验收要求;2.屋面结构的质量牢固,安装符合设计要求和施工规范;3.屋面防水层施工工艺正确,质量符合要求;4.屋面排水系统畅通无阻,质量达标;5.屋面保温层和隔热层施工质量良好,性能符合要求;6.存在的问题和质量隐患已提出整改措施和建议,待施工单位整改完成后,重新进行验收。
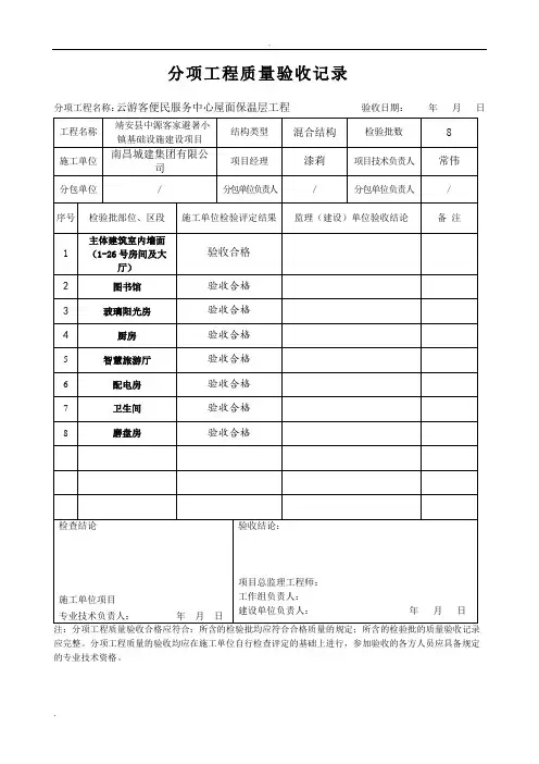
分项工程质量验收记录
分项工程名称:云游客便民服务中心屋面保温层工程验收日期:年月日
注:分项工程质量验收合格应符合:所含的检验批均应符合合格质量的规定;所含的检验批的质量验收记录应完整。
分项工程质量的验收均应在施工单位自行检查评定的基础上进行,参加验收的各方人员应具备规定的专业技术资格。
屋面保温层工程报验申请表
表C3-5-1 隐蔽工程验收记录
屋面保温层工程报验申请表
隐蔽工程验收记录
屋面保温层工程报验申请表
隐蔽工程验收记录
屋面保温层工程报验申请表
隐蔽工程验收记录
屋面保温层工程报验申请表
隐蔽工程验收记录
隐蔽工程验收记录
隐蔽工程验收记录
隐蔽工程验收记录。
屋面分部检验批质量验收记录一、项目概况项目名称:xxx工程工程地址:xxx地区施工单位:xxx建筑公司监理单位:xxx监理公司验收时间:xxxx年xx月xx日二、检验内容本次验收主要针对xxx工程的屋面分部进行质量验收。
屋面分部包括屋面结构、防水层、保温层、排水系统等。
以下是具体的检验内容:1. 屋面结构- 钢结构:检查钢结构的安全性和稳定性,是否达到设计要求。
- 木结构:检查木结构的质量和安装是否符合规范要求。
2. 防水层- 检查防水材料的品质和施工质量,包括防水卷材、防水涂料等。
- 检查防水层的层压质量和接缝处理情况。
- 检查防水层的抗渗性能和耐候性能。
3. 保温层- 检查保温材料的种类和厚度,是否符合设计要求。
- 检查保温层的施工质量,包括保温材料的粘接和固定情况。
- 检查保温层的热阻性能和耐候性能。
4. 排水系统- 检查排水系统的设计方案和材料要求是否符合规范要求。
- 检查排水系统的施工质量,包括排水管道的连接情况和排水口的设置。
- 检查排水系统的排水性能,包括排水管道的通畅性和排水口的排水效果。
三、检验结果经过对屋面分部的细致检查,结合相关规范要求和设计要求,得出以下检验结果:1. 屋面结构:通过检验,结构安全可靠,符合设计要求。
2. 防水层:防水材料质量良好,施工质量优秀。
防水层经过水压试验,无渗漏现象。
3. 保温层:保温材料种类正确,厚度符合设计要求。
保温层施工质量优良,热阻性能良好。
4. 排水系统:排水系统设计合理,材料符合规范。
排水系统施工质量良好,排水性能满足要求。
综上所述,xxx工程的屋面分部经过质量验收,各项指标均符合设计要求和相关规范要求。
四、问题整改在本次验收过程中,未发现任何质量问题。
五、附录1. 屋面分部图纸2. 屋面分部施工规范3. 屋面材料合格证明六、总结本次屋面分部质量验收顺利完成,结果良好。
感谢施工单位和监理单位的配合与支持。
希望在后续工程中能够继续保持良好的施工质量和工程进度,确保工程的顺利进行。
保温层检验批质量验收记录一、基本信息项目名称:XXX工程工程地点:XXX地区施工单位:XXX公司施工质量监督单位:XXX监督单位二、检测目的保温层是工程中至关重要的一部分,它对建筑物的保温性能有着直接的影响。
本次检验的目的是评估施工单位在保温层工程方面的质量,确保其符合设计要求和国家相关标准规定。
三、检测内容1. 保温层材料验收施工单位应提供保温层所使用的材料的相关资料,包括产品合格证、生产许可证等。
检测人员将对这些材料进行验证,确保其符合国家标准和工程设计要求。
2. 施工工艺验收检测人员将对施工单位进行现场检查,主要验证以下内容:(1)保温层施工方案是否符合设计要求,并与设计方进行验证。
(2)保温层基层处理是否完善,包括清理基层和防止渗漏等。
(3)保温材料的搭接和粘结是否牢固,无空鼓和脱落情况。
(4)保温层表面处理是否平整,无明显砂眼和凹凸不平。
(5)保温层厚度是否符合设计要求。
3. 保温层热工性能检测通过对保温层的热工性能进行测试,验证其保温性能是否符合设计要求。
测试方法可以采用热导仪等专业设备,对保温层的导热系数、导热阻等参数进行测定。
四、检验结果记录根据对以上检测内容的评估,得出以下结果:1. 保温层材料验收结果经检测,保温层所使用的材料全部符合国家标准和工程设计要求,材料合格。
2. 施工工艺验收结果经现场检查和与设计方核对,保温层施工方案符合设计要求,基层处理完善,保温材料搭接和粘结牢固,无空鼓和脱落情况,保温层表面处理平整,厚度符合设计要求。
3. 保温层热工性能检测结果通过对保温层的热工性能进行测试,结果显示保温层的导热系数、导热阻等参数均符合设计要求,保温性能良好。
五、结论与建议根据以上检验结果,本次保温层工程的质量验收结果良好,符合设计要求和国家相关标准规定。
建议施工单位继续保持施工质量,并加强现场管理,确保后续工程质量。
六、附件1. 保温层材料资料复印件。
2. 保温层热工性能测试报告。
屋面保温层检验批质量验收记录工程名称:屋面保温层施工工程部位:XX建筑项目屋顶工程施工单位:XX建筑公司质量验收日期:XX年XX月XX日一、施工材料验收情况1.屋面保温层材料购进合格证明材料是否齐全并核查合格证明2.验收屋面保温层材料的外观、尺寸、规格、性能等指标3.检查材料是否具备相应的生产厂家出厂合格证明二、施工工艺操作验收情况1.检查施工单位的施工组织设计和屋面保温层施工方案是否符合相关规范要求2.检查施工单位是否落实了相关的施工安全措施并按要求进行操作3.检查屋面保温层施工现场的环境保护措施是否到位4.检查屋面保温层各施工工序的质量控制措施和质量记录是否完善三、关键工序验收情况1.底层屋面保温层施工工艺验收-检查砂浆配合比是否符合规定-检查基层表面处理是否符合要求-检查底层屋面保温板材的固定是否牢固-检查底层保温板材的缝隙处理是否严密2.中间层屋面保温层施工工艺验收-检查保温材料的铺设密实性和平整度-检查保温材料的质量控制记录,如吸水率、导热系数等-检查保温材料与底层保温层的粘接是否牢固3.表层屋面保温层施工工艺验收-检查表层保温板材的质量,如弹性、抗拉强度、阻燃性等-检查表层保温板材与中间层保温板材的粘接是否牢固-检查表层保温层与防水层的质量,如涂层的固化时间、拼缝处理等四、质量验收结论经过对屋面保温层的材料、工艺和关键工序的验收,现结合检查记录,评定屋面保温层的质量验收结论如下:1.屋面保温层施工符合设计要求,各项指标达到规范标准。
2.施工单位质量控制措施到位,质量记录完善。
3.屋面保温层施工符合相关的法规和施工规范要求。
质量验收结论经项目负责人签字确认意见。
项目负责人(签字):_____________________日期:_____________质量部门(盖章):_____________________日期:_____________以上是一份屋面保温层检验批质量验收记录示例,供参考。
松散材料保温隔热屋面节能工程检验批质量验收记录表
编号:10□□04□□□工程名称分项工程名称验收部位
施工单位
专业工长
(施工员)
项目经理
施工执行标准
名称及编号
分包单位分包项目经理施工班组长验收内容规范条文施工单位自检记录监理(建设)单位验收记录
主控项目1保温隔热材料品种、规格2
保温隔热材料的导热系
数、密度、抗压强度或
压缩强度、燃烧性能
3保温隔热材料复验要求4
保温隔热层施工要求及
屋面热桥部位的隔热做
法
5
松散保温材
料厚度允许
偏差
+10%,
-5%
6隔汽层位置及要求
一
般项目
1保温隔热层施工要求
2
保温隔热层基层应平
整、干净、干燥
符合施工
方案要求
施工操作依据
质量检查记录(质量证明文件)
施工单位检查
结果评定项目专业项目专业
质量检查员:技术负责人:年月日监理(建设)
单位验收结论专业监理工程师:
(建设单位项目专业技术负责人)年月日。
屋面保温层工程检验批质量验收记录表
GB50207—2001
040201 单位〔子单位〕工程名称08街坊经济适用房1#楼
分部〔子分部〕工程名称建筑屋面验收部位屋面
施工单位河南华宸工程建设工程经理平广志
分包单位分包工程经理
施工执行标准名称及编号?屋面质量验收标准?GB502072002
施工质量验收标准的规定施工单位检查评定记录监理〔建设〕单位验收记录
主控工程1 材料质量第4.2.8条
2 保温层含水率第4.2.9条
一般工程1 保温层铺设第4.2.10条
2 倒置式屋面保护层第4.2.12条3
保温层
厚度允
许偏差
松散、整体+10%,-5%
板块
±5%,且≤
4mm
施工单位检查评定结果专业工长〔施工员〕施工班组长
主控工程全部合格,一般工程满足标准规定要求。
工程专业质量检查员:年月日
监理〔建设〕单位验收结论
专业监理工程师:
〔建设单位工程专业技术负责人〕年月日
郑州市工程质量监督站监制。