保温工程检验批质量验收记录
- 格式:doc
- 大小:35.50 KB
- 文档页数:2
保温工程隐蔽工程验收记录项目名称:保温工程验收日期:XXXX年XX月XX日验收单位:XXXX工程监理有限公司验收人员:1.验收人员姓名:职务:2.验收人员姓名:职务:总结:本次保温工程隐蔽工程的验收工作,旨在检查施工过程中隐蔽工程的质量是否符合设计要求和相关规范标准,确保施工质量,避免日后出现质量问题及安全隐患。
经过仔细的检查和评估,我们对本次隐蔽工程进行了全面的验收。
下面是具体的验收记录。
一、保温材料及其施工:1.验收内容:保温材料的质量、厚度、粘接、缝隙、表面平整度等。
2.验收结果:经检查,保温材料种类、厚度符合设计要求。
材料之间的粘接牢固,无明显的缝隙。
表面平整度良好。
3.验收结论:保温材料及其施工符合设计要求和相关标准。
二、施工工艺及质量:1.验收内容:保温层厚度、施工工艺及细节处理。
2.验收结果:经测量,保温层的厚度符合设计要求。
施工工艺按照相关规范标准进行,施工细节处理到位,无明显的质量问题。
3.验收结论:施工工艺及质量符合设计要求和相关标准。
三、保温层的检测及其结果:1.验收内容:对保温层进行检测,检查其保温性能是否满足设计要求。
2.验收结果:经检测,保温层保温性能符合设计要求,并通过了相关检测标准。
3.验收结论:保温层的检测结果符合设计要求和相关标准。
四、安全隐患及整改:1.验收内容:检查施工过程中可能存在的安全隐患,并要求整改。
2.验收结果:施工过程中未发现明显的安全隐患。
3.验收结论:施工过程中的安全隐患得到了有效控制和整改。
五、工程文件的验收:1.验收内容:检查工程资料的完整性、准确性和规范性。
2.验收结果:工程文件完整,包括设计文件、施工图纸、施工工艺方案、验收记录等。
3.验收结论:工程文件齐全,准确地记录了保温工程的施工过程和质量验收。
六、总结:本次保温工程隐蔽工程验收工作,通过对保温材料、施工工艺及质量、保温层检测、安全隐患及工程文件的检查和评估,认为本次施工符合设计要求和相关标准,并且没有发现明显的质量问题和安全隐患。
保温层检验批质量验收记录一、基本信息项目名称:XXX工程工程地点:XXX地区施工单位:XXX公司施工质量监督单位:XXX监督单位二、检测目的保温层是工程中至关重要的一部分,它对建筑物的保温性能有着直接的影响。
本次检验的目的是评估施工单位在保温层工程方面的质量,确保其符合设计要求和国家相关标准规定。
三、检测内容1. 保温层材料验收施工单位应提供保温层所使用的材料的相关资料,包括产品合格证、生产许可证等。
检测人员将对这些材料进行验证,确保其符合国家标准和工程设计要求。
2. 施工工艺验收检测人员将对施工单位进行现场检查,主要验证以下内容:(1)保温层施工方案是否符合设计要求,并与设计方进行验证。
(2)保温层基层处理是否完善,包括清理基层和防止渗漏等。
(3)保温材料的搭接和粘结是否牢固,无空鼓和脱落情况。
(4)保温层表面处理是否平整,无明显砂眼和凹凸不平。
(5)保温层厚度是否符合设计要求。
3. 保温层热工性能检测通过对保温层的热工性能进行测试,验证其保温性能是否符合设计要求。
测试方法可以采用热导仪等专业设备,对保温层的导热系数、导热阻等参数进行测定。
四、检验结果记录根据对以上检测内容的评估,得出以下结果:1. 保温层材料验收结果经检测,保温层所使用的材料全部符合国家标准和工程设计要求,材料合格。
2. 施工工艺验收结果经现场检查和与设计方核对,保温层施工方案符合设计要求,基层处理完善,保温材料搭接和粘结牢固,无空鼓和脱落情况,保温层表面处理平整,厚度符合设计要求。
3. 保温层热工性能检测结果通过对保温层的热工性能进行测试,结果显示保温层的导热系数、导热阻等参数均符合设计要求,保温性能良好。
五、结论与建议根据以上检验结果,本次保温层工程的质量验收结果良好,符合设计要求和国家相关标准规定。
建议施工单位继续保持施工质量,并加强现场管理,确保后续工程质量。
六、附件1. 保温层材料资料复印件。
2. 保温层热工性能测试报告。
外墙保温基层处理检验批检查验收记录检查时间:XXXX年XX月XX日检查单位:XXXX建设工程质量监督部门一、项目基本信息项目名称:XXXX工程施工单位:XXXX施工公司监理单位:XXXX监理公司二、检查内容本次检查主要针对外墙保温基层处理情况进行验收,包括基层处理材料、施工工艺和施工质量等方面。
三、检查情况1.基层处理材料1.1基层处理材料的采购根据施工单位提供的采购记录和供货单位提供的供货证明,基层处理材料的采购符合工程规范和质量要求。
1.2基层处理材料的保管根据现场观察和询问施工单位负责人,基层处理材料储存条件符合要求,未出现明显的质量问题。
2.施工工艺2.1基层处理工艺方案根据施工单位提供的基层处理工艺方案和相关图纸,设计方案符合施工要求,能够保证外墙保温质量。
2.2基层处理施工记录根据施工单位提供的施工记录,确认施工过程中基层处理工艺按照要求进行,施工过程符合工程规范。
3.施工质量3.1基层处理质量现场对基层处理情况进行抽查,发现基层处理平整度符合规范要求,无明显裂缝和凹凸不平现象。
3.2基层处理质量检测根据施工单位提供的基层处理质量检测报告,发现基层处理强度和附着力等性能指标符合规范要求,能够满足外墙保温系统的稳定性和耐久性要求。
四、存在的问题1.部分墙面基层处理材料的涂刷厚度不够均匀,需要进行修补。
2.部分墙面基层处理存在细微的凹凸不平现象,需要进行修整。
五、整改措施1.施工单位负责人将核实涂刷厚度不够均匀的墙面,并组织工人进行修补。
2.施工单位负责人将组织工人对凹凸不平的墙面进行修整,使其达到规范要求。
六、复验计划施工单位负责人将在修补和修整完毕后,及时通知监理单位进行复验。
七、验收结论经过检查,外墙保温基层处理材料、施工工艺和施工质量均符合要求,但存在部分质量问题,需要整改。
整改完毕后,施工单位负责人应及时通知监理单位进行复验。
八、备注本次检查结果仅针对外墙保温基层处理情况,其他施工工序未涉及。
表6-001墙体节能工程检验批质量验收统计
你是什么保温?胶粉颗粒?保温板?
检验批做《墙体节能工程检验批/分项工程质量验收表》, 这个表在网上搜到, 里面内容依据实际情况打勾就好。
隐蔽工程就填你用保温材料, 我们工地用是胶粉颗粒, 我就填胶粉颗粒、抗裂砂浆、玻纤网格布。
就是依据实际施工材料, 每种材料都要送检, 而且要有厂家合格证。
材料规格你就抄合格证上。
除了这些, 还要做技术交底、外墙保温专题施工方案, 保温系统现场检测汇报(这个检测站会做, 就是需要你们通知), 仿佛就这些了。
对了, 最终还要做节能验收汇报, 这个就等门窗、屋面、地面等节能都做完了以后才需要。
追问
前面说我都懂, 最终一句不太明白。
顺便说一下: 我们是分包单位, 包是石材和保温, 不过我们企业专业是做石材干挂, 所以保温我们又分包了, 因为我没有做过保温资料, 所以不明白。
根据上面补充, 最终一项还需要吗?是不是要施工单位做啊?
回复
是, 是施工单位做。
节能验收汇报包含外墙节能、门窗节能、屋面、地面等节能。
外墙外保温工程检验批质量验收统计表。
屋面保温层检验批质量验收记录工程名称:屋面保温层施工工程部位:XX建筑项目屋顶工程施工单位:XX建筑公司质量验收日期:XX年XX月XX日一、施工材料验收情况1.屋面保温层材料购进合格证明材料是否齐全并核查合格证明2.验收屋面保温层材料的外观、尺寸、规格、性能等指标3.检查材料是否具备相应的生产厂家出厂合格证明二、施工工艺操作验收情况1.检查施工单位的施工组织设计和屋面保温层施工方案是否符合相关规范要求2.检查施工单位是否落实了相关的施工安全措施并按要求进行操作3.检查屋面保温层施工现场的环境保护措施是否到位4.检查屋面保温层各施工工序的质量控制措施和质量记录是否完善三、关键工序验收情况1.底层屋面保温层施工工艺验收-检查砂浆配合比是否符合规定-检查基层表面处理是否符合要求-检查底层屋面保温板材的固定是否牢固-检查底层保温板材的缝隙处理是否严密2.中间层屋面保温层施工工艺验收-检查保温材料的铺设密实性和平整度-检查保温材料的质量控制记录,如吸水率、导热系数等-检查保温材料与底层保温层的粘接是否牢固3.表层屋面保温层施工工艺验收-检查表层保温板材的质量,如弹性、抗拉强度、阻燃性等-检查表层保温板材与中间层保温板材的粘接是否牢固-检查表层保温层与防水层的质量,如涂层的固化时间、拼缝处理等四、质量验收结论经过对屋面保温层的材料、工艺和关键工序的验收,现结合检查记录,评定屋面保温层的质量验收结论如下:1.屋面保温层施工符合设计要求,各项指标达到规范标准。
2.施工单位质量控制措施到位,质量记录完善。
3.屋面保温层施工符合相关的法规和施工规范要求。
质量验收结论经项目负责人签字确认意见。
项目负责人(签字):_____________________日期:_____________质量部门(盖章):_____________________日期:_____________以上是一份屋面保温层检验批质量验收记录示例,供参考。
外墙内保温检验批质量验收记录一、项目概述为确保工程质量符合相关标准和技术要求,对外墙内保温进行了检验批质量验收工作。
本文档旨在对验收过程、验收结果及问题处理等进行详细记录,为工程质量的监督和管理提供依据。
二、验收时间及地点验收时间:[填写具体时间]验收地点:[填写具体地点]三、验收人员本次验收由以下人员参与:1. 验收人员1:[填写姓名]2. 验收人员2:[填写姓名]3. 验收人员3:[填写姓名]4. 验收人员4:[填写姓名]四、检查内容本次验收主要检查以下内容:1. 外墙内保温材料的质量及安装情况2. 外墙内保温层的厚度与设计要求是否一致3. 外墙内保温层的表面平整度和垂直度4. 外墙内保温层与结构之间的粘接情况5. 外墙内保温层的防水性能五、验收过程1. 验收人员按照验收内容对施工现场进行实地勘察和测量,并记录实际情况。
2. 对外墙内保温材料进行抽样检测,检测项目包括材料的密度、导热系数、抗拉强度等。
3. 对外墙内保温层的厚度进行测量,与设计要求进行比对。
4. 对外墙内保温层的表面平整度进行测量,记录测量结果。
5. 对外墙内保温层的垂直度进行测量,记录测量结果。
6. 对外墙内保温层与结构之间的粘接情况进行检查,记录问题及处理办法。
7. 对外墙内保温层进行防水性能测试,记录测试结果。
六、验收结果1. 外墙内保温材料的质量符合相关标准和技术要求。
2. 外墙内保温层的厚度与设计要求一致。
3. 外墙内保温层的表面平整度满足要求,无明显凹凸不平。
4. 外墙内保温层的垂直度满足要求,无明显倾斜。
5. 外墙内保温层与结构之间的粘接情况良好,无松动或空鼓现象。
6. 外墙内保温层的防水性能满足要求,无渗水现象。
七、存在的问题及处理办法1. 问题1:[填写具体问题描述]处理办法:[填写问题的处理办法]2. 问题2:[填写具体问题描述]处理办法:[填写问题的处理办法]八、备注[填写备注信息]九、附件清单本次验收记录无附件。
外墙外保温薄抹面层节能工程检验批施工质量验收记录一、项目概述外墙保温工程是指在建筑外墙表面增加一层保温材料,以提高建筑物的热绝缘性能,降低能耗,改善室内舒适度的工程。
外墙外保温薄抹面层是外墙保温系统的末道工序,对于保温效果和工程质量有着重要的影响。
二、施工单位信息1.单位名称:4.地址:三、施工工艺和材料1.施工工艺:按照设计文件和施工图纸要求进行施工,采用XXX工艺。
2.施工材料:主要使用XXX材料,包括保温板、抹面砂浆、聚合物改性薄抹面砂浆、胶粉等。
3.施工机具和设备:按照要求配备相应的施工机具和设备,如刮平机、抗裂网剪刀、喷涂设备等。
四、工程验收内容及结果1.工艺要求验收:按照设计要求,对施工工艺进行验收,包括保温系统的保温材料固定、砂浆抹面均匀度、抗裂网铺设等。
结果为合格。
2.材料验收:对施工所使用的材料进行验收,包括保温板的厚度、密度和平整度、抹面砂浆的配合比、聚合物改性薄抹面砂浆的涂刷厚度等。
结果为合格。
3.工程质量验收:对施工质量进行全面验收,包括保温层的厚度和稳定性、抹面砂浆的平整度和附着力等。
结果为合格。
4.工程安全验收:对施工过程中的安全措施和施工现场进行验收,确保施工过程中的安全性。
结果为合格。
五、施工记录和问题整改1.施工记录:记录施工过程中的重要问题和技术要求,包括材料使用情况、施工环境、工艺操作等。
2.问题整改:针对施工过程中的问题,制定整改措施和时间要求,并在验收后进行整改。
六、检测机构及结果1.检测机构:XXX检测中心。
2.检测结果:经检测,保温层厚度符合设计要求,抹面砂浆均匀度合格,抗裂网铺设质量达到要求。
七、施工验收结论根据以上的施工验收内容和结果,对外墙外保温薄抹面层节能工程的施工质量进行了全面验收。
经评定,该工程的施工质量符合设计要求和相关规范,可以进行最终验收和结算。
八、施工责任1.施工单位责任:对施工质量承担主要责任,按照设计文件和相关规范进行施工,保证施工质量。
保温层薄抹灰工程检验批质量验收记录项目名称:保温层薄抹灰工程工程地点:XXXXX工程编号:XXXXX工程施工单位:XXXXX一、工程概况1.工程范围:本次工程为保温层薄抹灰工程,施工范围包括建筑墙体保温、基础、屋面和室内墙体保温等。
2.施工材料:(1)保温材料:采用聚苯板保温材料。
(2)抹灰材料:水泥、石膏、石粉等。
3.施工要求:(1)保温层薄抹灰工程应符合设计要求、规范规程的规定,施工质量应满足相关技术标准。
(2)施工过程中应注意施工现场的环境保护及安全措施。
二、质量验收内容1.施工记录:(1)施工前,施工单位应提供保温层施工方案、施工工艺等资料,并进行合理的施工安排。
(2)施工过程如有变动,施工单位应及时记录,并进行技术交底。
2.施工过程检查:(1)保温层施工应满足保温层和抹灰层的厚度要求,施工规范要求错误不大于±10mm。
(2)保温板的安装是否牢固,是否有缝隙,保温板间的接缝处理是否规范。
(3)抹灰层的平整度、垂直度是否满足要求。
(4)保温层表面是否平整、无明显毛细孔和麻面现象。
3.施工质量检测:(1)保温层厚度:使用测量工具,在不少于10个点进行测量,并记录测量值,计算平均值。
(2)保温板压力:使用力学测试仪测量保温板的耐压性能,测试数据应满足设计要求。
(3)保温层导热系数:使用导热系数测试仪进行测量,测试数据应在规定范围内。
4.工程验收:(1)保温层薄抹灰工程验收前,施工单位应清理施工现场,将材料及垃圾进行统一处理。
(2)验收时需要提供施工记录、施工质量检测报告及相关证明材料。
三、质量验收结果1.施工记录:施工单位按要求提供了保温层施工方案、施工工艺等资料,并进行了技术交底。
2.施工过程检查:经过检查,保温层施工符合规范要求,保温板安装牢固,接缝处理规范,抹灰层平整度、垂直度满足要求,保温层表面平整且无明显毛细孔和麻面现象。
3.施工质量检测:保温层厚度、保温板压力和保温层导热系数均符合设计要求。
现浇泡沫混凝土保温层检验批质量验收记录一、项目概述:项目名称:□□建筑工程工程时间:年月日至年月日施工单位:□□建筑有限公司验收单位:□□建筑质量监督部门二、质量验收内容:1.泡沫混凝土原材料的检验:1.1检验泡沫混凝土的外观质量,要求无明显破损、压痕、变形等缺陷;1.2检验泡沫混凝土的密度,要求符合设计要求;1.3检验泡沫混凝土的抗压强度,要求达到设计要求;1.4检验泡沫混凝土的导热系数,要求符合设计要求。
2.泡沫混凝土保温层施工质量的验收:2.1检验施工工艺是否符合设计要求;2.2检验施工现场是否整洁有序,安全措施是否到位;2.3检验泡沫混凝土保温层的厚度是否符合设计要求;2.4检验泡沫混凝土保温层的平整度;2.5检验泡沫混凝土保温层的外观质量,要求无裂缝、起鼓、剥离等问题;2.6检验泡沫混凝土保温层与结构之间的粘结情况;2.7检验泡沫混凝土保温层的保温效果,要求符合设计要求。
三、质量验收结果:1.泡沫混凝土原材料的检验结果:1.1外观质量:合格;1.2密度:符合设计要求;1.3抗压强度:符合设计要求;1.4导热系数:符合设计要求。
2.泡沫混凝土保温层施工质量的验收结果:2.1施工工艺:符合设计要求;2.2施工现场:整洁有序,安全措施到位;2.3保温层厚度:符合设计要求;2.4保温层平整度:符合设计要求;2.5外观质量:无裂缝、起鼓、剥离等问题;2.6与结构粘结情况:良好;2.7保温效果:符合设计要求。
四、质量验收结论:经过对现浇泡沫混凝土保温层的材料检验和施工质量验收,满足设计要求和相关标准,符合施工质量验收要求。
现予以质量验收合格。
五、质量验收意见:1.对施工单位的施工现场管理和安全措施表示肯定;2.对施工单位的工艺水平表示肯定;3.建议施工单位开展人员技术培训,提高工人的操作技能;4.建议施工单位加强施工过程的质量跟踪和监督。
六、质量验收人员签字:建设单位负责人签字:施工单位负责人签字:监理单位负责人签字:质量检验人员签字:。
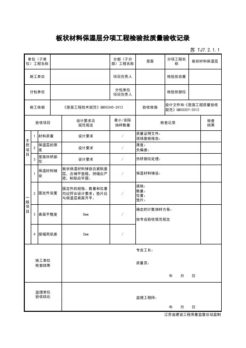
板状材料保温层检验批质量验收记录验收单位:XXX公司工程部地址:XXX市XXX区XXX路XXX号一、项目基本信息项目名称:XXX工程工程地点:XXX市XXX区XXX街道施工单位:XXX建筑工程有限公司监理单位:XXX监理有限公司监理工程师:XXX二、保温层检验批基本信息保温层检验批编号:XXX-XXX施工日期:XXXX年XX月XX日施工内容:XXX板状材料保温层施工三、质量验收内容及结果1.施工方责任落实情况施工方应按照施工文件和设计要求进行施工,对保温层材料的运输、存放、拆卸、吊装等环节要严格控制,确保质量。
经过查看施工方的材料、工具等相关情况,确认施工方责任落实到位。
2.材料验收2.1具体材料验收清单见附件12.2材料齐全,数量满足要求,质量合格。
3.施工质量验收3.1基层处理:查看基层处理的情况,确保表面平整、无明显裂缝及壳体结构牢固。
3.2板状材料保温层施工:查看板状材料保温层施工情况,包括连接处的处理、保温材料厚度的均匀性、抹灰层的厚度等,满足设计要求。
3.3抹灰层施工:查看抹灰层施工情况,确保抹灰层厚度均匀、无明显裂缝、饰面层平整。
4.测试结果4.1对保温层进行压力测试,测试结果显示保温层抗压强度达到设计要求。
4.2进行火焰试验,保温层不燃,防火性能满足要求。
4.3对施工现场进行温度检测,温度分布均匀,无明显温度差异。
五、存在的问题及整改措施1.存在问题:部分保温材料的粘结不够牢固。
整改措施:加强保温材料与基层的粘结,对问题部位进行补强。
2.存在问题:部分抹灰层出现开裂现象。
整改措施:加强抹灰层施工时的压实和养护,对开裂部位进行修补。
六、验收结论经对XXX工程的板状材料保温层进行验收,各项检验和测试结果满足设计要求和相关标准的要求,整个施工过程中存在的问题已经整改,故判定该批次的板状材料保温层质量合格,并同意施工单位进行后续的工程进展。
七、附件:1.材料验收清单2.相关照片注意事项:验收报告须经施工单位、监理单位和业主单位的有关负责人签字确认,并加盖公章。