外墙内保温检验批质量验收记录表
- 格式:doc
- 大小:154.50 KB
- 文档页数:8
保温层检验批质量验收记录一、基本信息项目名称:XXX工程工程地点:XXX地区施工单位:XXX公司施工质量监督单位:XXX监督单位二、检测目的保温层是工程中至关重要的一部分,它对建筑物的保温性能有着直接的影响。
本次检验的目的是评估施工单位在保温层工程方面的质量,确保其符合设计要求和国家相关标准规定。
三、检测内容1. 保温层材料验收施工单位应提供保温层所使用的材料的相关资料,包括产品合格证、生产许可证等。
检测人员将对这些材料进行验证,确保其符合国家标准和工程设计要求。
2. 施工工艺验收检测人员将对施工单位进行现场检查,主要验证以下内容:(1)保温层施工方案是否符合设计要求,并与设计方进行验证。
(2)保温层基层处理是否完善,包括清理基层和防止渗漏等。
(3)保温材料的搭接和粘结是否牢固,无空鼓和脱落情况。
(4)保温层表面处理是否平整,无明显砂眼和凹凸不平。
(5)保温层厚度是否符合设计要求。
3. 保温层热工性能检测通过对保温层的热工性能进行测试,验证其保温性能是否符合设计要求。
测试方法可以采用热导仪等专业设备,对保温层的导热系数、导热阻等参数进行测定。
四、检验结果记录根据对以上检测内容的评估,得出以下结果:1. 保温层材料验收结果经检测,保温层所使用的材料全部符合国家标准和工程设计要求,材料合格。
2. 施工工艺验收结果经现场检查和与设计方核对,保温层施工方案符合设计要求,基层处理完善,保温材料搭接和粘结牢固,无空鼓和脱落情况,保温层表面处理平整,厚度符合设计要求。
3. 保温层热工性能检测结果通过对保温层的热工性能进行测试,结果显示保温层的导热系数、导热阻等参数均符合设计要求,保温性能良好。
五、结论与建议根据以上检验结果,本次保温层工程的质量验收结果良好,符合设计要求和国家相关标准规定。
建议施工单位继续保持施工质量,并加强现场管理,确保后续工程质量。
六、附件1. 保温层材料资料复印件。
2. 保温层热工性能测试报告。
外墙外保温水泥砂浆找平层质量验收记录表
编号:10□□01□□□附□□工程名称分项工程名称验收部位
施工单位
专业工长
(施工员)
项目经理
施工执行标准
名称及编号
分包单位分包项目经理施工班组长质量验收规范的规定施工单位自检记录监理(建设)单位验收记录
主控项目1
材料的品种、性能,
水泥砂浆配合比
设计要求
2
基体表面的尘土、
污垢、油渍清理等
清除干净,并洒水湿润3
总厚度大于或等于
20mm时
分层施工及加强措施
4
砂浆找平层与基体
的粘结
牢固,表面应密实,不
得有空鼓、开裂
5基体的抗拉强度
符合相关规范的规定并
不得低于
一般项目1砂浆找平层表面
洁净、接槎平整,护角、
空洞、槽、盒周围的抹
灰表面及管道后面的抹
灰应平整
2抹灰分格缝的设置
设计要求,宽度和深度
均匀,棱角整齐
检查项目
允许偏差
(mm)
实测值1立面垂直度3
2表面平整度3
3阴阳角方正3
4分格条(缝)直线度3
施工操作依据
质量检查记录(质量证明文件)
施工单位
检查结果评定:项目专业质量检查员:
(项目专业技术负责人):年月日
监理(建设)单位验收结论:专业监理工程师:
(建设单位项目专业技术负责人)年月日。
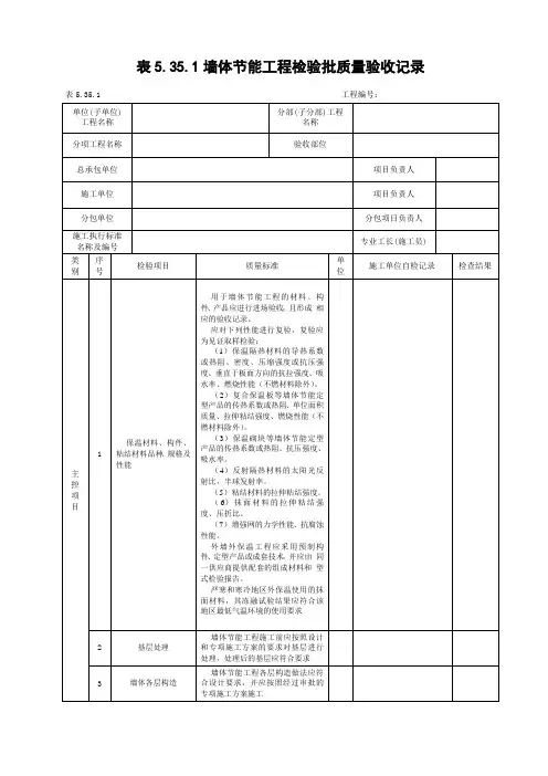
表6-001墙体节能工程检验批质量验收统计
你是什么保温?胶粉颗粒?保温板?
检验批做《墙体节能工程检验批/分项工程质量验收表》, 这个表在网上搜到, 里面内容依据实际情况打勾就好。
隐蔽工程就填你用保温材料, 我们工地用是胶粉颗粒, 我就填胶粉颗粒、抗裂砂浆、玻纤网格布。
就是依据实际施工材料, 每种材料都要送检, 而且要有厂家合格证。
材料规格你就抄合格证上。
除了这些, 还要做技术交底、外墙保温专题施工方案, 保温系统现场检测汇报(这个检测站会做, 就是需要你们通知), 仿佛就这些了。
对了, 最终还要做节能验收汇报, 这个就等门窗、屋面、地面等节能都做完了以后才需要。
追问
前面说我都懂, 最终一句不太明白。
顺便说一下: 我们是分包单位, 包是石材和保温, 不过我们企业专业是做石材干挂, 所以保温我们又分包了, 因为我没有做过保温资料, 所以不明白。
根据上面补充, 最终一项还需要吗?是不是要施工单位做啊?
回复
是, 是施工单位做。
节能验收汇报包含外墙节能、门窗节能、屋面、地面等节能。
外墙外保温工程检验批质量验收统计表。
墙体节能工程检验批质量验收记录表(一) NO:JN-1-1重庆市建设工程质量监督总站监制墙体节能工程检验批质量验收记录表(二) NO:JN-1-2 GB50411-2007 JN0001□□重庆市建设工程质量监督总站监制幕墙节能工程检验批质量验收记录表 NO:JN-2-1GB50411-2007 JN0201□□重庆市建设工程质量监督总站监制门窗节能工程检验批质量验收记录表 NO:JN-3-1GB50411-2007 JN0003□□重庆市建设工程质量监督总站监制屋面节能工程检验批质量验收记录表 NO:JN-4-1GB50411-2007 JN0004□□重庆市建设工程质量监督总站监制屋面节能工程检验批质量验收记录表 NO:JN-5-1GB50411-2007 JN0005□□重庆市建设工程质量监督总站监制采暖节能工程检验批质量验收记录表 NO:JN-6-1GB50411-2007 JN0006□□重庆市建设工程质量监督总站监制通风与空调节能工程检验批质量验收记录表(一)NO:JN-7-1GB50411-2007 JN 0007□□重庆市建设工程质量监督总站监制通风与空调节能工程检验批质量验收记录表(二)NO:JN-7-2GB50411-2007 J N0007□□重庆市建设工程质量监督总站监制NO:JN -8-1空调与采暖系统冷热源及网管节能工程检验批质量验收记录表(一)GB50411-2007 JN0 008□□重庆市建设工程质量监督总站监制NO:JN -8-2空调与采暖系统冷热源及网管节能工程检验批质量验收记录表(二)GB50411-2007 JN0 008□□重庆市建设工程质量监督总站监制配电与照明节能工程检验批质量验收记录表 NO:JN-9-1GB50411-2007 JN00 09□□重庆市建设工程质量监督总站监制监测与控制节能工程检验批质量验收记录表(一)NO:JN-10-1GB50411-2007 JN 0010□□重庆市建设工程质量监督总站监制监测与控制节能工程检验批质量验收记录表(二)NO:JN-10-1GB50411-2007 JN 0010□□重庆市建设工程质量监督总站监制。
外墙外保温检验批表格
聚苯板薄抹⾯外保温⼯程检验批质量验收记录
注:本表由施⼯项⽬专业质量检査员填写,监理⼯程师(建设单位项⽬技术负责⼈)组织项⽬专业质量检查员等进⾏验收。
胶粉聚苯颗粒外保温⼯程检验批质量验收记录节能?3
注:本表由施⼯项⽬专业质量检査员填写,监理⼯程师(建设单位项⽬技术负责⼈)组织项⽬专业质量检查员等进⾏验收。
胶粉聚苯颗粒外饰⾯粘贴⾯砖外保温⼯程质量验收记录
外墙保温芬部(⼦分部)⼯程质量验收记录
苯板保温分项⼯程质量验收记录。
【最新整理,下载后即可编辑】
外墙保温基层处理检验批检查验收记录
外墙保温层检验批检查验收记录
外墙保温抹面验收批检查验收记录
外墙保温变形缝检验批检查验收记录
外墙保温饰面层检验批检查验收记录
建筑节能分项工程质量验收表
外墙保温基层处理检验批检查验收记录
外墙保温层检验批检查验收记录
外墙保温层检验批检查验收记录
外墙保温层检验批检查验收记录
外墙保温层检验批检查验收记录
外墙保温层检验批检查验收记录
外墙保温层检验批检查验收记录
外墙保温层检验批检查验收记录
外墙保温层检验批检查验收记录
外墙保温抹面验收批检查验收记录
外墙保温抹面验收批检查验收记录
外墙保温抹面验收批检查验收记录
外墙保温抹面验收批检查验收记录
外墙保温抹面验收批检查验收记录
外墙保温抹面验收批检查验收记录
外墙保温抹面验收批检查验收记录
外墙保温抹面验收批检查验收记录
外墙保温抹面验收批检查验收记录。
表A.0.1
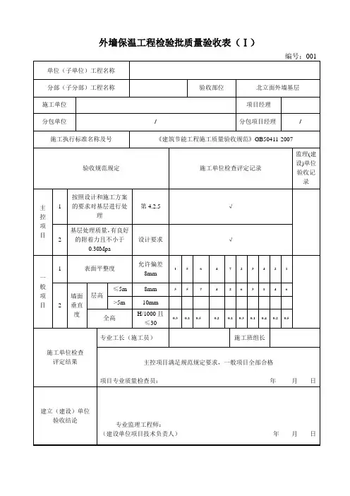
外墙保温检验批质量验收记录表
单位(子单位)工程名称
分部(子分位)工程名称外墙保温验收部位
施工单位项目经理
分包单位分包项目负责人/
施工执行标准名称及编号<<外墙内保温工程技术规程>>JGJ/T261-2011;《建筑节能工程施工质量验收规范》GB50411-2007的规定
施工质量验收规范的规定施工单位检查评定记录监理(建设)单位验收记录
主控项目1 墙体材料品种规格第4.2.1条
2 材料性能第4.2.2条
3 性能检验第4.2.3条
4 基层处理第4.2.5
5 构造做法第4.2.6条
6 节能施工第4.2.7条
7 保温浆第4.2.9条
8 面层施工第4.2.10条
一般项目1 外观检查第4.3.1条
2 加强网铺贴第4.3.2条
3 缺陷第4.3.4条
4 接缝方法第4.3.5条
施工单位检查评定结果
项目专业质量检查员:年月日
建筑节能工程墙体节能分项工程质量验收记录
墙体节能工程质量验收记录表
检验批施工质量验收记录
检验批施工质量验收记录
建筑节能隐蔽工程施工质量验收记录
建筑节能内保温子分部工程质量验收记录。