安许人员配备表
- 格式:xls
- 大小:45.00 KB
- 文档页数:6
安全生产许可证人员配备1、办理安全生产许可证的中小企业需要几个B本?安全生产许可证人员配备要求特种作业人员要求施工总承包一级不少于12人;施工总承包二级不少于10人;施工总承包三级不少于8人;专业承包一级(含不分等级)不少于6人;专业承包二级不少于4人;专业承包三级不少于2人;特别提醒:专业承包企业中取得起重设备安装工程、附着脚手架资质的企业;专业承包一级不少于12人专业承包二级不少于10人专业承包三级不少于8人劳务资质企业中取得脚手架、模板、水暖电任一资质的企业必须配备不少于10名的特种人员;其余分包企业不少于2名。
专职安全员人数配备(C证)总承包一级不少于4人;总承包二级和二级以下不少于3人;专业承包一级不少于3人;专业承包二级和二级以下不少于2人;劳务资质不少于2人;以下人员必须持A证;企业法定代表人、企业经理、分管安全生产副经理注意:(法人和经理可以为同一人)以下人员必须持B证;人员数量及等级,须与主项资质要求的建造师或建造员一致这些人就须持B证2、办理安全生产许可证需要什么资料?三类人员ABC证怎样配备(一)企业法人营业执照、资质证书、组织机构代码申请人需提交正副本扫描件,其中企业营业执照载明的地址与资质证书载明的注册地址、资质证书登载资质内容与申请表必须完全一致。
(二)各级安全生产责任制和安全生产规章制度目录及文件,操作规程目录资料需用红头文件形式下发,其中,安全生产责任制需包括公司各级、各部门责任制;规章制度至少包括安全会议、安全检查、领导带班、隐患排查治理、重大危险源监控和应急救援、安全奖惩、教育培训、安全投入及安全费用提取、安全设施“三同时”、职业安全健康管理、管理人员职责、特种作业人员持证上岗等12项制度;操作规程需结合企业资质范围明确各工种操作规程。
(三)保证安全生产投入的证明文件(包括企业保证安全生产投入的管理办法或规章制度、年度安全资金投入计划及实施情况)一是企业按照安全投入制度制订下发当年的年度投入计划,计划要有量化内容,和当年按照计划实施的投入发票;发票应为购买各种劳保用具、设施设备、安全教育和岗位培训等相关收据;二是企业风险抵押金制度和安全绩效工资制度,其中安全绩效工资原则上不低于员工收入的20%。
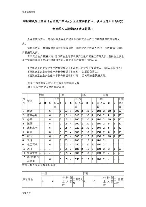
申报建筑施工企业《安全生产许可证》企业主要负责人、项目负责人及专职安全管理人员数量配备表及社保工伤险人数要求
说明:施工建筑企业所填报人员必须拥有《建筑施工企业安全生产考核合格证书》
《建筑施工企业安全生产考核合格证书》A类—为企业主要负责人。
(法人必须持有)
《建筑施工企业安全生产考核合格证书》B类---为项目负责人。
《建筑施工企业安全生产考核合格证书》C类---为专职安全管理人员。
1 / 13
社保工伤险参保人数不少于本表中要求的人数。
施工总承包企业人员数量配备表
2 / 13
劳务分包企业人员数量配备表
3 / 13
4 / 13
设计施工一体化企业资质人员数量配备表
5 / 13
专业承包企业人员数量配备表
6 / 13
7 / 13
8 / 13
9 / 13
10 / 13
11 / 13
12 / 13
13 / 13。
设计施工一体化资质标准各省、自治区建设厅,直辖市建委(北京市规划委),国务院有关部门建设司,新疆生产建设兵团建设局,解放军总后营房部工程局,国资委管理的有关企业,有关行业协会:为进一步贯彻落实《行政许可法》,减轻企业负担,推进专业工程总承包发展,加强对建筑市场的监管,结合有关专业工程的具体情况,我部组织制定了《建筑智能化工程设计与施工资质标准》、《消防设施工程设计与施工资质标准》、《建筑装饰装修工程设计与施工资质标准》、《建筑幕墙工程设计与施工资质标准》。
现印发给你们,请认真贯彻执行。
执行中有何问题和建议请及时与我部建筑市场管理司联系。
附件:1.建筑智能化工程设计与施工资质标准2.消防设施工程设计与施工资质标准3.建筑装饰装修工程设计与施工资质标准4.建筑幕墙工程设计与施工资质标准中华人民共和国建设部二○○六年三月六日附件1:建筑智能化工程设计与施工资质标准一、总则(一)为了加强对从事建筑智能化工程设计与施工企业的管理,维护建筑市场秩序,保证工程质量和安全,促进行业健康发展,结合建筑智能化工程的特点,制定本标准;(二)本标准工程范围系指各类建设工程中的建筑智能化工程;(三)本标准是核定从事建筑智能化工程设计与施工活动的企业资质等级的依据;(四)本标准设一级、二级两个级别;(五)本标准中工程业绩和专业技术人员业绩指标是指已竣工并验收质量合格的建筑智能化工程。
二、标准(一)一级1、企业资信(1)具有独立企业法人资格;(2)具有良好的社会信誉并有相应的经济实力,工商注册资本金不少于800万元,净资产不少于960万元;(3)近五年独立承担过单项合同额不少于1000万元的智能化工程(设计或施工或设计施工一体)不少于2项;(4)近三年每年工程结算收入不少于1200万元。
2、技术条件(1)企业技术负责人具有不少于8年从事建筑智能化工程经历,并主持完成单项合同额不少于1000万元的建筑智能化工程(设计或施工或设计施工一体)不少于2项,具备注册电气工程师执业资格或高级工程类专业技术职称;(2)企业具有从事建筑智能化工程的中级及以上工程类职称的专业技术人员不少于20名。
申报建筑施工企业《安全生产许可证》企业主要负责人、项目负责人及专职安全
管理人员数量配备表及社保工
企业主要负责人,是指对本企业生产经营活动和安全生产工作具有决策权的领导人员。
项目负责人,是指取得相应注册执业资格,由企业法定代表人授权,负责具体工程项目管理的人员。
专职安全生产管理人员,是指在企业专职从事安全生产管理工作的人员,包括企业安全生产管理机构的人员和工程项目专职从事安全生产管理工作的人员。
《建筑施工企业安全生产考核合格证书》A类—为企业主要负责人。
(法人必须持有)《建筑施工企业安全生产考核合格证书》B类---为项目负责人。
《建筑施工企业安全生产考核合格证书》C类---为专职安全管理人员。
社保工伤险参保人数不少于本表中要求的人数。
施工总承包企业人员数量配备表
劳务分包企业人员数量配备表
设计施工一体化企业资质人员数量配备表
专业承包企业人员数量配备表。
安全生产许可证人员配备标准为了保障企业安全生产,确保员工人身安全和生产环境安全,我国制定了安全生产许可证制度,并规定了安全生产许可证人员的配备标准。
根据不同企业的危险程度和生产方式的不同,安全生产许可证人员被分为三类:1. A类人员:主要负责企业的安全生产管理,需要具备较高的安全生产专业知识和管理能力。
2. B类人员:主要负责企业的安全操作和现场管理,需要具备一定的安全生产专业知识和操作技能。
3. C类人员:主要负责企业某一岗位的安全生产工作,需要具备相应的安全生产知识和技能。
二、A类人员的配备标准1.企业危险程度较高的,每200名员工需要配备1名A类人员,至少1名;2.企业危险程度较低的,每500名员工需要配备1名A类人员,至少1名;3.企业裁减、整并或改制时,应根据新企业的情况重新确定A类人员配备数量。
A类人员的工作内容包括:1.制定企业的安全生产管理制度和操作规程;2.组织实施危险源辨识、风险评估和应急预案编制等管理工作;3.制定和组织实施安全教育和培训计划;4.跟踪、分析和处理事故隐患;5.对存在的危险源进行评估,制定预防措施并指导实施。
1.现场安全检查和巡视,在现场管理过程中,能够发现和处理存在的安全隐患;2.制定和组织实施现场安全操作规程和安全教育计划;3.组织安全应急预案,特别是企业重大危险源应急预案;4.协助A类人员开展安全生产管理工作。
1.在生产中承担危险作业的岗位,每5名员工需要配备1名C类人员,至少1名;2.不在生产中承担危险作业的岗位,每10名员工需要配备1名C类人员,至少1名。
1.组织实施现场安全措施和操作规程;2.检查和维护承担危险作业设备的安全状态;3.开展应急救援工作;4.按照A、B类人员的要求不断提高自己的安全意识和技能。
总之,安全生产许可证人员的配备标准是为保障企业员工安全和生产环境安全而制定的,每个企业应按照标准配备相应的人数。
同时,企业也应注重对安全生产许可证人员的培训和管理,使他们真正成为企业安全生产管理的骨干。