路面附着系数参照值表
- 格式:doc
- 大小:18.63 KB
- 文档页数:4
路面附着系数和峰值附着系数
对于驾驶员来说,了解和掌握路面附着系数和峰值附着系数的
概念至关重要。
在不同路况下,比如干燥的柏油路、湿滑的水洼路
或者积雪覆盖的路面,路面附着系数都会有所不同。
驾驶员需要根
据实际路况来调整车速和行驶方式,以确保安全驾驶。
另外,峰值附着系数也是驾驶员需要重点关注的指标之一。
在
紧急制动或者急加速时,峰值附着系数的大小直接关系到车辆的稳
定性和控制性。
如果轮胎与路面的附着力不足,就会出现打滑现象,导致车辆失控,甚至发生交通事故。
为了提高车辆的行驶安全性,驾驶员可以通过一些方法来应对
不同的路面附着系数和峰值附着系数。
首先,保持车辆轮胎的良好
状态,包括胎压、花纹深度和轮胎磨损情况。
其次,在行驶过程中,要根据路面情况适时减速、避免急刹车和急加速,确保车辆与路面
的良好接触。
总之,路面附着系数和峰值附着系数是影响车辆行驶安全性的
重要因素,驾驶员需要对其有所了解,并在实际驾驶中加以注意和
应对。
只有保持良好的驾驶习惯和对路况的敏锐感知,才能确保车辆行驶的安全和稳定。
carsim路面附着系数设置在汽车模拟器中,路面附着系数是一个非常重要的参数,它直接影响着车辆在不同路况下的行驶性能和稳定性。
车辆的前进力、制动力和转向力都是通过车轮与路面之间的摩擦力产生的,而路面附着系数就是描述这种摩擦力的大小和特性的系数。
路面附着系数的大小取决于路面的状况和特性,一般来说,干燥的、平整的、清洁的路面附着系数较高,而湿滑的、不平整的、污染的路面附着系数较低。
在车辆模拟器中,为了更加真实地模拟不同路况下的行驶情况,我们需要对路面附着系数进行设置。
路面附着系数可以分为纵向附着系数和横向附着系数两个方向上的力。
纵向附着系数是车辆在加速和制动时产生的摩擦力,它直接影响着车辆的加速性能和刹车距离。
横向附着系数是车辆在转弯时产生的摩擦力,它直接影响着车辆的操控性能和稳定性。
为了更加准确地设置路面附着系数,我们需要考虑以下几个因素:1.路面湿度:湿滑的路面附着系数较低,车辆的抓地力减小,容易造成打滑现象。
因此,在模拟器中我们可以通过调整湿度参数来模拟不同湿度下的路面条件。
2.路面状况:平整的路面附着系数较高,车辆的抓地力较强,操控性能较好。
而不平整的路面附着系数较低,车辆容易受到颠簸和震动的影响而失去抓地力。
所以,在模拟器中可以通过调整路面的凹凸程度和纹理来模拟不同状况下的路面。
3.路面污染:污染的路面附着系数较低,车辆容易打滑和失控。
在模拟器中,我们可以通过调整路面清洁度来模拟不同污染程度下的路面状况。
4.轮胎类型:不同类型的轮胎具有不同的摩擦系数。
硬质轮胎通常具有较高的摩擦系数,而软质轮胎具有较低的摩擦系数。
在模拟器中,我们可以根据车辆的轮胎特性来设置合适的路面附着系数。
在模拟器中正确设置路面附着系数是非常重要的,它直接影响着车辆的行驶性能和稳定性。
如果路面附着系数设置过高,车辆容易造成过分的抓地力,导致车辆行驶缓慢或者困难。
如果路面附着系数设置过低,车辆容易造成打滑现象,导致车辆失去控制。
定义:附着系数,是附着力与车轮法向(与路面垂直的方向)压力的比值。
它可以看成是轮胎和路面之间的静摩擦系数。
这个系数越大,可利用的附着力就越大,汽车就越不容易打滑。
附着系数的大小,主要取决于路面的种类和干燥状况,并且和轮胎的结构、胎面花纹以及行驶速度都有关系。
一般来说,干燥、良好的沥青或混凝土路面的附着系数最大,可达0.7一0.8。
而冰雪路面的附着系数最小,最容易打滑。
、附着系数是指轮胎在不同路面的附着能力大小,也就大概相当于摩擦系数。
附着系数高的路面,车子不容易打滑,行驶安全;附着系数低的路面,车子容易打滑,比如雪地,冰面等等。
附着系数主要取决于路面的粗糙程度和潮湿泥泞程度、轮胎的花纹和气压以及车速和荷载等。
附着系数是指轮胎在不同路面的附着能力大小,也就大概相当于摩擦系数。
附着系数高的路面,车子不容易打滑,行驶安全;附着系数低的路面,车子容易打滑,比如雪地,冰面等等。
1、附着系数(K)的确定1.1 附着系数(K)应在车轮不抱死,脱开防抱死装置,并且两轮同时制动时,由车辆的最大制动速率确定*。
1.2 制动试验应在初速度约为60km/h的条件下进行。
对于车速不到60km/h的车辆,应在空载条件下(必需的试验仪器和安全设备除外),以0.9Vmax的车速试验,在整个试验过程中使用恒定的制动控制力。
1.3 为了确定车辆最大制动速率,可以通过改变前轮和后轮制动力进行一系列试验,直至找到车轮刚刚抱死的临界点**。
1.4 制动速率(Z)由车速从40km/h降到20km/h所需时间用下式确定:z=0.56/t式中t为测得的时间,s。
若车速达不到50km/h的车辆,制动速率应以车速从0.8Vmax降至(0.8Vmax-20)所需时间确定,Vmax是以km/h为单位的实测值。
Z的最大值=K2 、附着力利用率(ε)的确定2.1 附着力利用率定义为防抱死装置工作状态下的最大制动速率(Zmax)与它在脱开状态下的最大制动速率(Zm)的比值。
附着力与附着系数什么是附着力附着力表示轮胎与路面附着情况。
附着力的大小是车重与路面附着系数的乘积。
这是对整部汽车而言的,如果对一个车轮,那么该车轮的附着力应为:该车轮所受地面垂直反作用力乘路面附着系数。
附着力是一个不依人的意志而改变的固定值,但据实验可知,附着系数与车速及车轮对路面的滑动程度(包括滑转和滑移)有关。
汽车行驶时地面对驱动车轮产生的推力、制动时地面对汽车产生的地面制动力,转向时汽车得以按预定轨迹达到转向要求的地面侧向反作用力都得靠附着力提供。
各种路面的附着系数各不相同。
良好的、干燥的水泥混凝土或沥青路面附着系数最大,其峰值可达0.9,依次是砾石路、土路、压紧的雪路和结冰的路面,冰路的峰值只有0.1,车轮滑动时才0.07。
可见由于冰路的附着系数极小,在冰路上欲前进困难、欲转向不能、欲制动刹不住车,严重时会发生侧滑(甩尾)或激转。
所以严冬的冰雪路上公共汽车站及其附近要铺洒砂子或煤渣以提高路面附着系数,确保行车安全。
沿汽车的纵向和侧向都具有附着力。
但当纵向附着力较多地施于驱动车轮或制动车轮时,侧向附着力就会降低。
所以当制动到车轮抱住时,车轮在地面滑移,此时纵向附着力已达极限,侧向附着力显著降低,汽车不能转向,(而转向轮已转过一角度,但车辆仍按原直线方向行驶)。
另一种情况是驱动又转向的车轮(前轮驱动),如驱动时发生滑转,汽车也不能按预定要求转向。
制动时如果4个车轮都被抱死,则因没有侧向地面反作用力(侧向附着力提供)来抵抗汽车受到的侧向力(如道路的横向坡、转向时的离心力、侧向风等)而不能维持汽车直线行驶,很可能发生侧滑或激转,汽车失去控制,极易发生交通事故。
所以在附着系数极低的路面驾车需特别小心。
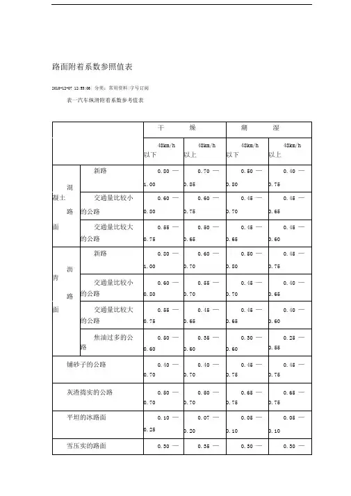
各种路面上的平均附着系数路面沥青或混凝土(干)沥青(湿)混凝土(湿)砾石土路(干)土路(湿)雪(压紧)冰峰值附着系数 0.8~0.9 0.5~0.7 0.8 0.6 0.68 0.55 0.2 0.1 滑动附着系数 0.75 0.45~0.6 0.7 0.55 0.65 0.4~0.5 0.15 0.07 机动车在平坦、硬实、干燥和清洁的水泥或沥青路面(路面的附着系数为 0.7)上的制动距离和跑偏量应符合表1中的规定。
我国公路设计标准中关于潮湿路面上的路面附着系数建议值下载提示:该文档是本店铺精心编制而成的,希望大家下载后,能够帮助大家解决实际问题。
文档下载后可定制修改,请根据实际需要进行调整和使用,谢谢!本店铺为大家提供各种类型的实用资料,如教育随笔、日记赏析、句子摘抄、古诗大全、经典美文、话题作文、工作总结、词语解析、文案摘录、其他资料等等,想了解不同资料格式和写法,敬请关注!Download tips: This document is carefully compiled by this editor. I hope that after you download it, it can help you solve practical problems. The document can be customized and modified after downloading, please adjust and use it according to actual needs, thank you! In addition, this shop provides you with various types of practical materials, such as educational essays, diary appreciation, sentence excerpts, ancient poems, classic articles, topic composition, work summary, word parsing, copy excerpts, other materials and so on, want to know different data formats and writing methods, please pay attention!我国公路设计标准中关于潮湿路面上的路面附着系数建议值引言在公路设计中,路面附着系数是评价路面抓地力的重要指标之一。
附着系数目录概述附着系数(K)的确定附着力利用率(ε)的确定注意事项编辑本段概述定义:附着系数,是附着力与车轮法向(与路面垂直的方向)压力的比值。
它可以看成是轮胎和路面之间的静摩擦系数。
这个系数越大,可利用的附着力就越大,汽车就越不容易打滑。
附着系数的大小,主要取决于路面的种类和干燥状况,并且和轮胎的结构、胎面花纹以及行驶速度都有关系。
一般来说,干燥、良好的沥青或混凝土路面的附着系数最大,可达0.7一0.8。
而冰雪路面的附着系数最小,最容易打滑。
、附着系数是指轮胎在不同路面的附着能力大小,也就大概相当于摩擦系数。
附着系数高的路面,车子不容易打滑,行驶安全;附着系数低的路面,车子容易打滑,比如雪地,冰面等等。
附着系数主要取决于路面的粗糙程度和潮湿泥泞程度、轮胎的花纹和气压以及车速和荷载等。
编辑本段附着系数(K)的确定1、附着系数(K)应在车轮不抱死,脱开防抱死装置,并且两轮同时制动时,由车辆的最大制动速率确定*。
2、制动试验应在初速度约为60km/h的条件下进行。
对于车速不到60km/h的车辆,应在空载条件下(必需的试验仪器和安全设备除外),以0.9Vmax的车速试验,在整个试验过程中使用恒定的制动控制力。
3、为了确定车辆最大制动速率,可以通过改变前轮和后轮制动力进行一系列试验,直至找到车轮刚刚抱死的临界点**。
4、制动速率(Z)由车速从40km/h降到20km/h 所需时间用下式确定:z=0.56/t ;式中t为测得的时间,s。
若车速达不到50km/h 的车辆,制动速率应以车速从0.8Vmax降至(0.8Vmax-20)所需时间确定,Vmax 是以km/h为单位的实测值。
Z的最大值=K编辑本段附着力利用率(ε)的确定1、附着力利用率定义为防抱死装置工作状态下的最大制动速率(Zmax)与它在脱开状态下的最大制动速率(Zm)的比值。
必须在每个装有一只防抱死装置的车轮上分别进行试验。
2、Zmax由三次试验中车速达到1.4条规定的降低值所需时间的平均值确定。
地面附着系数路面表面是行驶车辆的安全非常重要的一部分,其表面质量和性能直接关系到行驶车辆的安全,而表面质量和性能归根到底取决于地面附着系数,因此,地面附着系数对于安全驾驶具有非常重要的意义。
什么是地面附着系数?地面附着系数是车辆轮胎向驾驶表面粘附量的一个量度,它是指车辆表面在车辆行驶时,轮胎的抓地力、磨耗和滑行的能力。
这个指标的高低是安全驾驶控制能力的根本,是衡量一条道路安全状况的重要指标之一。
地面附着系数一般由两个因素影响:一是车辆表面摩擦系数,即表面摩擦力的大小,这个因素决定了车辆在制动、转弯和滑行时轮胎的抓地力;二是轮胎气压,它决定了了车辆在滑行时轮胎的磨耗程度。
首先,车辆表面摩擦系数是表面摩擦力的大小,也就是车辆在行车时轮胎的抓地力。
其次,轮胎的抓地力又受轮胎气压的影响,当轮胎气压过低时,轮胎抓地力会下降,车辆行驶时会出现不稳定现象。
另外,轮胎气压过高也会影响轮胎抓地力,会出现轮胎的过早磨损。
在实践中,地面附着系数的测定一般采用车轮摩擦试验方法,即采用一组车轮模型的滑动模拟方法。
这种测定方法建立在实际摩擦律的基础上,以弹力记录技术、温度和湿度检测技术、电子摩擦计量技术为主要测试手段,利用滑动模拟方法,测量车轮与路面摩擦系数,测量出车轮摩擦能力,从而判断路面安全状况。
另外,地面附着系数还与路面类型、摩擦剂使用情况有关,这些因素也会影响地面附着系数。
许多国家和地区为了提高公路安全标准,对地面附着系数进行了明确的规定,例如,美国的道路管理机构提出,它的节点路面粘着系数至少需要达到0.8,以确保行驶车辆的行驶安全,另外,德国、英国、日本等国家也有类似的规定。
地面附着系数是表面安全状况的重要指标,只有在确保符合安全标准的情况下,车辆才能安全行驶,可以避免发生事故。
因此,地面附着系数在公路和其他道路建设中要有指导作用,根据所在区域的规定,合理调整路面的结构,恰当使用摩擦剂,以确保行驶车辆的安全。
总之,地面附着系数具有很重要的意义,它决定了行驶车辆的安全。
表冰雪路面的汽车纵滑附着系数参考值
状附着系
0.1-0.2新雪、接近冰的压实0.2-0.25普通0.25-0.30粗雪、开始溶解的
0.30-0.40积雪上撒上
0.35-0.45积雪上撒上
0.30-0.45
积雪上撒上砂和盐
表翻车时车身滑动摩擦系数参考值
滑行条件摩擦系数
0.3-0.4
卡车的侧面车身在混凝土路面上滑行0.3 翻车的轿车在混凝土路面上滑行0.4
翻车的轿车在粗沥青路面上滑行0.5-0.7 翻车的轿车在石子路面上滑行0.5
翻车的轿车在干燥的草丛上滑行0.4
路面状况滚动阻力系数f
约 0.01 良好的平滑沥青铺装路约良好的平滑混凝土铺装路 0.011 约 0.014 良好的粗石混凝土铺装路约0.02 良好的石块铺装路
约修正好的平坦无铺装路 0.04
约0.08 修正不良的石块铺装路
约0.12 新的砂路
约砂或石质路0.16
0.2-0.3
松散的砂石或粘土道路约。