传统通风系统与诱导通风系统比较分析
- 格式:doc
- 大小:47.50 KB
- 文档页数:4
无风管诱导型通风系统在天津站地下停车场中的应用【摘要】简要介绍了无风管诱导型通风系统的工作原理,结合实际工程,对比分析了诱导通风系统与传统通风系统技术经济优势。
【关键词】地下停车场无风管诱导通风系统传统风管系统随着我国国民经济的增长和人民生活水平的提高,中小型汽车的数量在迅速增长,为了解决停车难这一问题,地下停车场以其面积大、节约建筑用地、管理集中等优势越来越受到业主的青睐,成为各建筑群体中不可或缺的一部分。
众所周知,汽车尾气中含有大量有毒物质,如不及时排出,会对车库内人员健康造成影响,另外,co 等尾气容易聚集而引起火灾或爆炸,因此,汽车库通风和防排烟问题在设计中尤为重要。
所谓车库的通风,也就是要排除汽车尾气和汽油蒸汽等有害物,送入新鲜空气。
以便有害物(这里主要指co)的含量稀释到国家规定的卫生标准要求。
那么如何排除这些污染物以保证汽车库具有良好的空气品质正是我们暖通空调师们需要解决的问题。
1 传统风管系统存在的问题传统的地下车库设计常采用上部送风,上、下部同时排风的系统,即传统风管系统。
通风换气量为6次/h。
《采暖通风与空气调节设计规范》规定,当放散气体密度比空气重,建筑内放散的显热不足以形成稳定的上升气流而沉积在下部区域时,宜从下部区域排出总排风量的2/3,上部区域排出总排风量的1/3,且不应小于每小时1次换气。
规范同时规定,相对密度小于等于0.75的气体视为比空气轻,当其相对密度大于0.75时,视为比空气重。
传统地下车库通风系统,由于送风与上下排风组成的通风系统与建筑结构矛盾较大,送回风口位置布置困难,难以实现合理的气流组织,在实际工程中常会出现车库co浓度高于卫生标准的情况。
此外,传统风管系统由于具有送排风管而占用较大的空间,风道位置固定,容易形成死角,空气流动不佳,影响整个停车场的空气品质。
无风管诱导通风系统恰恰克服了传统风管系统的这些缺点,近年来在车库通风中得到了推广使用。
2 无风管诱导型通风系统无风管诱导型通风系统是由送风风机、多台诱导风机和排风风机组成的。
诱导通风方式运用的分析报告目前我国大量兴建高层建筑, 设计中都设有地下停车库. 它占有建筑空间的大小, 直接影响到投资的经济性. 在此我们从探讨地下车库的常规设计出发, 根据目前存在问题, 介绍了国内外近几年来推广的诱导通风方式在车库中的应用。
1、停车库的通风量计算1.1 考虑因素通风量的确定和车库内许多因素有关,例如,停车库规定的停车数量(即每个车位的面积指标)、单位时间出入车库的车数与额定停车数之比(称出入频率)、车库内车辆行驶的平均时间及每辆车的CO排量、车库内容许CO浓度以及室外CO浓度。
众所周知, 停车场的换气量是按有害气体(一般以CO为准)稀释到容许浓度来决定的,同时也要符合当地法规的规定.1.2 考虑因素室内全面通风换气量与有害气体发生量和容许浓度的关系可用下式表示:通风量:L=G/(m1-m0) (1)式中:L——通风换气量(m3/h);G——有害气体发生量(m3/h);m1、m0分别为室内容许有害气体浓度和进风空气中的有害气体的浓度m0一般取0~2.5ppm(即容积百分率0~0.00025)因此: m1=G/L+m0 (2)虽然车库的有害气体成份有CO、CO2、NO2、HCHO、Pb、SO2等多种,但按劳动卫生法规, 以稀释汽车排气中CO含量到容许浓度的新鲜空气倍率为最高, 故通风量能满足CO的卫生标准时, 其它有害物成份均在可容许范围内.停车库中CO容许浓度规定为(3~5)×10-6 m3/ m3。
1.3 CO发生量的确定车库内CO的发生量可按下式计算:G=mrqt (3)式中: G—车库的CO发生量;m—停车库容纳车位(辆);t—停车库内汽车平均停车时间, 一般为2分钟;r—汽车出入频率(1小时内进出车量与停车位之比);出入频率一般按统计得的经验数据,可取35~55%。
q—每辆小汽车的CO排量(m3/min)。
小汽车CO发生量理论上为排气中CO含有率与总排气量之积, 实际上因引擎的排气量、型式、负荷比例、运行状态而异, 一般使用实测结果的平均值. 表1为汽油发动汽车因运行状态而产生的CO浓度的比例, CO排气量q值可按下式计算:q=0.04 ξVN×10-3 (4)其中:q—CO排气量(m3/min)ξ—负荷比例(全负荷时ξ=1)V—行程容积(L)(因车型不同而有较大差异)N—引擎转速(r/min)通常计算时可取ξ=0.5, V=1.5;N=1500,故q=0.045 m3/min表1 汽油发动机汽车运转条件与排气中CO的比例2.确定车库通风量的法规对于此规定各国不尽相同, 如日本, 对于停车场车库, 停车场面积大于500m2时, 如开口面积不足地板面积1/10, 应采用机械通风,每平方米每小时需提供25 m3以上的新风量; 对室内停车场, 开口面积不足1/10时, 换气次数取10次/时以上.美国对于地下车库的通风换气次数建议为4~6次/时或按每m2面积4L/s确定通风量. 对于部分与室外相通的车库, 则应具有2.5~5%的开启面积供自然通风之用. 芬兰建筑法规规定办公大楼地下车库最小新风量为2.7L/s. m2。
地下室诱导风机与风管通风成本控制比较分析近年来,伴随着我国国民经济的高速发展,高层建筑的数量日益增多,建筑地下室建设面积也随之不断增大。
而通风系统作为地下室建设中重要的组成部分,其设计的合理化引起了人们的广泛关注。
1 诱导通风系统概述诱导通风系统主要由诱导风机、送风、排风和排烟风机组成。
而诱导风机作为通风系统中是核心部分,其造型为矩形,主要把在气流喷嘴设置在前方和两侧,在运行过程中会从喷嘴中喷出气流,而气流就会对周围空气运动进行诱导作用。
前方的喷嘴主要用于气流的组织,而两侧喷嘴主要作用是消除空气滞留空间。
总之,诱导通风系统主要是通过送排风机间喷出的组织气流,按照气流的方向,对空气滞留空间进行消除以及促进有害气体随气流进行排放,有利于降低有害气体的危害。
下面结合工程实例,探讨了地下室诱导风机系统与常规风管通风系统在经济性方面进行了比较,以供参考。
2 项目概况某住宅小区地下停车库,一共2层,总面积约10万m2。
同时,将车库进行合理防火分区,一共划分为30个。
每个防火分区按照一个排风、一个送风和两个排烟竖井进行设置。
竖井出口设置在地面上,并用装饰物进行遮挡。
每个送风竖井设置2台风机、排风竖井设置2台风机和排烟竖井设1台风机。
主要采用排烟竖井排烟的排烟方式。
3 地下室诱导风机系统与常规风管通风系统的经济性比较3.1 土建工程的费用比较诱导通风系统和常规风管通风系统相比,由于可以降低层高,地下室高度可以降低0.36m,因此大大节约了土建工程的费用。
3.1.1 节省开挖费本工程占地面积60000m2,由于层高可降低0.36m,土方工程量可减少为:60000×0.36 = 21600m3。
地下开挖费:应按照45元/m3来算,管理费及其它费用按照30%来算,开挖费总计为:45 ×1.3=58.5元/m3。
从中可以节省费用为:58.5×21600≈1263600元=126万元。
3.1.2 节省混凝土墙和柱子费用将本工程占地面积60000m2简化为200m×300m;墙体:一共2400m,按照厚度为0.3m来算;柱子:一共900个,按照0.6m×0.6m来算;两层高度总共减少了0.36m,总体积减少为:(2400×0.3 + 900×0.6×0.6)×0.36=375.84m3;混凝土浇筑费用为:240元/m3;管理费及其它费用:按照30%计算为:240×1.3=312元/m3;从中以上计算得知,混凝土浇筑总计可以减少费为:312×375.84≈11.7万元。
某工程诱导通风系统设计分析【摘要】本文对某工程诱导通风系统进行了设计分析。
引言部分介绍了背景、研究目的和方法;正文部分分析了该系统的设计原理、要素、模型建立、参数选择和优化方案;结论部分评估了设计效果、应用价值,并展望了未来研究方向。
该系统通过引导气流实现通风,提高室内空气质量和舒适度。
设计要素包括风机、导流设备和通风口等。
模型建立需考虑系统动态特性和环境条件。
参数选择应综合考虑通风效果和能耗。
优化方案可通过风机调速、导流设备布置等措施实现。
设计应用于建筑物通风系统,具有节能环保、提高室内空气质量的重要价值。
未来可进一步研究设计效果优化和系统智能控制方面。
【关键词】某工程、诱导通风系统、设计分析、原理、要素、模型、参数选择、优化方案、效果分析、应用价值、未来研究展望1. 引言1.1 背景介绍在工程设计中,通风系统的设计是至关重要的一环。
通风系统在工程中起到了排除有害气体、保持空气清新、控制温度和湿度等重要作用,同时也直接影响到工作环境的舒适度和工作效率。
某工程诱导通风系统是一种利用自然风力或机械设备进行通风的系统,其设计能够有效提高通风效果,并减少能源消耗。
诱导通风系统通过合理的设计和参数选择,可以实现对空气流动的控制,达到对室内空气环境进行调节的效果。
随着工程技术的发展和人们对工作环境舒适度要求的提高,某工程诱导通风系统越来越受到重视。
对于工程设计者来说,了解某工程诱导通风系统设计的原理和要素,建立相应的设计模型并选择合适的参数,优化通风系统设计方案,将对工程效果产生积极的影响。
本文旨在深入探讨某工程诱导通风系统设计的相关内容,为工程设计提供一定的指导和参考。
1.2 研究目的研究目的:本文旨在探讨某工程中的诱导通风系统设计,通过分析其设计原理、要素、模型建立、参数选择和优化方案,从而实现系统设计的有效性和性能提升。
具体目的包括:1. 分析诱导通风系统设计原理,揭示其通风效果和作用机制,为设计提供理论支撑和指导;2. 分析诱导通风系统设计要素,确定影响系统性能的关键因素,为设计提供关键参考;3. 建立诱导通风系统设计模型,实现系统设计的科学化和规范化,提高设计效率和准确性;4. 选择合适的设计参数,以优化系统设计,提升通风效果和能效;5. 提出诱导通风系统设计的优化方案,为工程实践提供可行性建议和推荐。
传统通风方式和诱导通风方式对比分析一、 概述随着人民生活水平的不断提高,城市的中、小型汽车保有量正在飞速增长。
因此,停车难的问题就急显突兀,地下停车场、车库的建设也就随之而发展。
瞻园商城坐落在繁华的夫子庙地区,瞻园路和东牌楼交叉的路口。
考虑到夫子庙是步行街,各类交通工具禁止通行,瞻园商城地下车库为此而建。
该地下室为复式车库面积为8169平方米,除去设备用房(变配电房,冷冻机房,水泵房等)车库面积约7000平方米,层高为-5.2米。
作为地下车库,解决通风和防排烟问题是设计的主要内容之一,所谓车库的通风,也就是要排除汽车尾气和汽油蒸汽,送入新鲜空气。
以便有害物(这里主要指CO)的含量稀释到国家规定的卫生标准要求。
防排烟也就是满足火灾时的排烟要求,以保证火灾发生时迅速排除滞留烟气,限制烟气的扩散,保证人员和车辆安全撤离现场,减少伤亡。
常规地下室的通风方式为全面通风方式,即按划分的若干个防火分区,有若干个送、排风系统。
这些系统同时兼做火灾时排烟系统,即所谓的“合二为一”。
而这些系统因为风量较大,都是由庞大的风管组成,这种复杂庞大的通风管道,不仅占用空间高度,使车库的使用率降低,还大大提高建筑物地基的开挖成本、土建投资和设备投资,系统繁杂,安装工作量大,投资高且难以变动,避免不了风管与其他管线(电缆桥架、喷淋管道、上下水管道)的打架问题。
这一问题在车库面积有7000多平方米的本工程设计中尤为突出,而应运而生的诱导式通风方式恰恰能避免或者说克服了上述的矛盾。
二、诱导式通风系统的原理及系统特点诱导式通风系统就是利用射流的诱导特性,在送风口处导入新鲜空气,采用超薄型射流器以高速喷出的空气主流,诱导及搅拌周围大量的空气,一方面稀释车库内空间的有害气体,另一方面带动空气沿着预设的流程至设定方向,从而达到在进风口处引入新风,在排风口处顺利排出废气的目的,保证了车库空间良好的换气效果,从而达到通风的目的。
随着射流程距喷嘴距离的增加,射流速度及诱导作用逐渐减小,因此到达一定射程后,必须有另一台射流器来衔接,从而形成“气流推拉作用”,使整个空间产生流动的速度场。
50林业科技情报2003V01.35N o.1浅谈诱导通风系统的优越性杨基春(哈尔滨方舟建筑设计事务所)杨明(黑龙江省城市科学研究所)[摘要】本文对诱导通风的原理及其优越性进行了论述,阐明该系统用于地下车库中,可使地下车库层高降低,从而节约土建造价;另外,使用诱导通风系统可取消传统通风系统的风道,且通风效果良好。
[关键词]地下车库通风系统诱导通风AB r i ef T al k O n T he Super i or i t y O f I nduce d V ent i l a t i on Sys t em阮,w J i chun(H a rbi n Fangzho u B ui l di ng D e si g n O f f i ce)Y a ng M i ng(H ei l or t gj i ang Pr ovi nc e C i t y Sc i enc e R e s ear c h St at ion)A b s t ra ct T hi s paper s a te s t he t heor y a nd adva nt a ge of i nduce d vent i l at i on s ys t em.I t C af f l l o w er t he hi shnes s of under gr oun d gar a ge and s ave s oi l cons t r uct i on cos t f f i t i s app l i ed i n unde r ground gar age.I n a d di ti on.it c a n canc el suct i o n pi pel i ne i n t r adi t ional venti l at i on sy st e m a nd ha ve bett er venti l at i on eff ect.K e y w or ds unde r ground gar age;vent i l at i on sy st e m;i ndu ced venti l at i on随着我国城市交通中私有汽车拥有量的快速增长,许多城市兴建的高层建筑中都设有地下车库。
诱导风机用于地下停车场机械通风系统设计【摘要】诱导风机与地下停车场放排烟、通风系统应用结合原理、布置方法,以及传统通风系统与诱导风机通风系统的优缺点,以实际工程中应注意设计的问题,系统的节能措施。
【关键词】诱导风机与放排烟;通风系统应用结合原理;诱导风机通风系统的优特点;设计的问题;节能措施在快速发展的现实的生活中,人们对生活环境质量要求很高。
生活停车问题较难解决,建筑设计中节约用地解决停车问题是关键,地下停车库有效缓解停车难问题。
建设、使用生活中存在问题较多,通风的形式对效果、造价影响很大。
因此,减少造价、解决汽车尾气(co)排放设计方案是关键。
采用诱导风机与防排烟系统组成,减少风道设置、降低土建工程造价(降低有效空间)、确保地下车库内良好的通风。
1.诱导通风系统与防排烟通风系统结合1.1 诱导风机原理:空气从设备吸入口进入,在由直径do喷口以vc的速度从多个喷出,在一个不受界面限制空间扩散时,形成一定风速的自由射流。
射流在惯性作用下保持风速向前扩散。
诱导风机又称作射流风机、接力风机、无风道风机,它通过射流对空气诱导,进行空气的传递,达到通风所需效果。
1.2诱导通风系统与防排烟通风系统结合诱导风机是无风道射流通风系统的一部分,与送风风机,与排风、排烟风机组成。
是由诱导风机喷嘴射出的定向高速气流,有效诱导室内空气与室外的空气搅拌周围静止空气,在无风管的条件下有组织的送到人们希望送到的区排出室外。
主要用于地下停车场的通风和高大空间建筑等场合。
特别对降低使用空间,诱导风机设计简单、布置更为灵活、气流分布更为合理,安装施工更为方便、节能效果更明显。
1)工程实例:在天津津南区金地格林工程中上部为12.5万平米住宅12.5万,下部为3万多平米地下车库设计。
根据甲方要求设计方案初期地下车库采用传统通风系统,其地下车库考虑排烟风道与通风风道、消防管道、电桥架交叉所需结构层高为5米。
火灾时防排烟通风系统与平时通风风道独立设置,平时通风设计根据规范要求考虑对汽车尾气排出效果,排风口要求设置在上部1/3处,下部2/3处风道布置较多,设计复杂,设备及风道造价较高。
地下汽车库诱导通风与传统通风系统的经济性比较摘要:本文介绍了诱导通风系统的基本原理和特点,并结合工程实例阐述了地下汽车库诱导通风与传统通风系统的一次性投资和运行对照。
关键词:地下汽车库,诱导通风,经济性Abstract: this paper introduces the basic principle of the induction ventilation system and characteristics, and combined with engineering examples underground garage induction ventilation and traditional ventilation system of one-time investment and operation control.Keywords: underground garage, induction ventilation, economy0 引言由于我国城市汽车的拥有量迅猛增加,使停车难这一问题显得尤为突出。
作为缓解这一矛盾的手段之一,地下汽车库以其面积大、节约建筑用地、管理集中等优势而越来越受到业主的青睐。
如何改善地下汽车库的空气品质,并有效降低工程成本,是进行车库通风设计的基本出发点。
1 诱导通风系统概述1.1 传统通风方式的弊端(1)传统通风方式,风管结构庞杂,与建筑结构矛盾较大, 往往必须增加地下车库层高, 以致影响到土建投资,且设计复杂,变动弹性小,难以满足开发商多变的要求;同时,风管的界面尺寸,使车库有一种压迫感。
(2)对于常规的通风换气系统, 使用CO 传感器会发现, 传统通风方式在各区段的每个送风口和每个排风口之间CO 的分布是相同的, 即从送风口到排风口浓度逐渐增加, 使人员行经时经过区域的CO 浓度值反而大于整体平均值。
(3)常规通风换气系统一旦气流组织欠佳,容易产生CO滞留的现象;风管上积聚尘土难以清扫等。
某工程诱导通风系统设计分析
关键词:诱导通风系统,室内空气质量,能耗,适用性,性能
2. 工程背景
某工程是一个办公楼,每天有多名员工在室内工作。
工程的建筑面积为1000平方米,共有5个楼层。
由于楼层高度较低,传统空调系统不能满足通风需求,因此决定采用诱导通风系统。
3. 诱导通风系统设计
3.1 通风需求分析
根据室内工作人员的数量和建筑面积,计算了每小时的人气产生量。
结合国家室内空气质量标准,确定了每小时的通风换气量。
在此基础上,计算了诱导通风系统的风扇数量和风扇功率。
3.2 系统设计方案
根据建筑的布局和通风需求,设计了诱导通风系统的布置方案。
系统主要由风扇、管道和通风口组成。
风扇和通风口的位置和数量经过优化,能够实现室内空气的均匀流通和更新。
3.3 系统的适用性分析
通过模拟计算和实地测试,验证了诱导通风系统在某工程中的适用性。
结果表明,诱导通风系统能够满足室内空气质量的要求,并能够有效降低能耗。
4. 系统的性能分析
通过对诱导通风系统的性能进行分析,得出了以下结论:
4.1 通风效果:诱导通风系统能够有效改善室内空气质量,提供良好的室内环境。
4.2 能耗:相比传统的空调系统,诱导通风系统的能耗更低,运行成本更低。
4.3 维护成本:诱导通风系统的维护成本相对较低,维修和清洁较为简单。
某工程诱导通风系统设计分析通过某工程诱导通风系统设计与传统通风系统设计管道的对比,从而得出诱导通风的系统具有布置灵活性及初投资的经济性特点。
标签:诱导通风;灵活性;经济性1 诱导通风系统的发展国民生活质量越来越好,城市私家车数量持续增长,汽车的存储与停放问题越来越棘手,因此地下车库逐渐发展起来。
因为地下汽车库有面积大、不占用地上空间、管理集中等优势,可以满足城市用地紧张、土地价格昂贵、地上停车位不足的问题。
地下工程开挖过程中的人工费、机械费、材料费等在整个建筑的建设费用中占了较大的比例,因此降低地下停车场层高对减少建筑施工费是有利的。
另一方面,由于地下汽车库相比地上而言,密闭程度较高。
汽车尾气中的大量有害气体易长时间聚集在车库内导致浓度越来越高,所以一般地下汽车库需设置机械通风设施以改善空气质量。
传统通风方式是采用合理布置的低速风管的送排风系统,由送风机气吸入排风道,最后再由排风机排出室外。
由此也带来了其固有的弊端,如风管管道體积庞大,与水、电、气等管道交叉增加了安装难度并且使层高降低,使人产生压抑感,以及送入的新鲜空气与车库内污浊空气混合不均匀,从而难以消除卫生死角等。
近年来,人们已逐渐摒弃这种传统通风方式,我国于2000年将诱导通风系统引入中国市场,诱导通风系统具有节省空间、灵活度高、投资费用低、噪声小、可以有效稀释有害气体等诸多优点,因此越来越受开发商与设计方的欢迎。
以下将对地下停车库的诱导通风进行深入的研究与讨论。
2 工程实例3 系统分析无风管诱导通风系统主要由送风风机、诱导风机、排风排烟风机组成。
送风机将车库外新鲜的空气送入车库内,诱导风机起到组织气流、传递新鲜空气的作用,排风机负责将停车场中吹来的污浊空气及时的排出室内。
系统利用空气射流的原理,通过诱导风机喷射出的高速空气流,卷吸周围的空气从而带动周围空气流动。
整个地下车库可通过摆放多个诱导风机,形成一个合理的摆放位置,从而实现整个车库内空气无死角的流动,进而达到合理通风、稀释有毒气体的目的。
某工程诱导通风系统设计分析1. 引言1.1 某工程诱导通风系统设计分析的背景某工程诱导通风系统设计分析是在当今社会发展的背景下应运而生的。
随着城市化进程的加快和工业化程度的提高,各种建筑工程的规模和复杂程度也在不断增加。
而在这些建筑工程中,通风系统的设计和实施显得尤为重要。
在过去,人们对通风系统的要求并不是很高,只是简单地通过开窗或者设置空调来进行通风。
然而随着人们对室内空气质量和舒适度的要求不断提高,传统的通风系统已经不能满足需求。
某工程诱导通风系统设计分析应运而生,以满足现代建筑的通风需求。
随着环境保护意识的提高,人们对通风系统的能耗和环保性能要求也在不断增加。
某工程诱导通风系统设计分析正是在这样的背景下应运而生,旨在提高通风系统的效率和环保性能,同时降低能耗和碳排放。
某工程诱导通风系统设计分析的背景是建立在当前社会发展和环境保护意识不断提高的基础之上的。
通过对通风系统的设计分析,我们可以更好地满足建筑的通风需求,同时保护环境,提高能源利用效率。
1.2 某工程诱导通风系统设计分析的意义某工程诱导通风系统设计分析的意义在于提高建筑物内空气质量和舒适度,保障人们的健康与生活质量。
随着城市化进程的加快和建筑规模的扩大,建筑物密集度增加导致建筑物之间的通风条件变差。
这将导致建筑物内部空气污染严重,影响人们的健康和生活品质。
通过某工程诱导通风系统设计分析,可以有效改善建筑物内部通风条件,增加新鲜空气的供给,减少有害气体的积聚,从而提高室内空气质量。
另外,某工程诱导通风系统设计分析也有利于节约能源和降低能耗。
传统的通风方式往往需要大量的电力支持,而某工程诱导通风系统设计可以利用风力或气流的自然力量进行通风,减少对人工能源的依赖,降低能耗成本,实现可持续发展。
综上所述,某工程诱导通风系统设计分析的意义重大,不仅可以改善建筑物内部环境,提升空气质量和舒适度,还有利于节能减排,保护环境和促进可持续发展。
通过深入研究分析,可以更好地指导相关工程实践,促进城市建设的健康和可持续发展。
教学楼地道通风及诱导通风设计北⼤附⼩教学楼地道通风及诱导通风设计中国航空⼯业规划设计研究院林其静苏志军摘要:随着⼈类对⾃然环境造成的破坏,⽣态环境⽇趋恶化,在未来的建筑设计中,遵循“保护环境、保护⽣态、节约能源、节省资源,减少污染”的⽣态原则是必然趋势。
以“绿⾊”和⽣态为宗旨的设计必将成为21世纪建筑设计者所要追求的设计⽬标之⼀。
所谓“⽣态建筑”,是为了解决现代建筑给⼈类带来的环境问题和社会问题应运⽽⽣的⼀种可持续发展的建筑形式。
本⽂简要论述了在具体⼯程设计中,运⽤⽣态建筑中可采⽤的基本技术措施之⼀的诱导式⾃然通风和烟囱效应及太阳集热器,实现所谓的“⽣态建筑”。
先进的欧美国家已有很多好的⽣态建筑作品早已问世,⽽我国还处于初期发展阶段。
本⽂中所介绍的设计也是对⽣态建筑设计的⼀个探索和尝试。
关键词:⽣态建筑、诱导式⾃然通风、地道通风降温、空⽓品质。
⽣态建筑的设计理念在国际上已被建筑设计师们所⼴泛关注,并归纳总结了⼀些可采⽤的技术措施,并正在通过点点滴滴的⼯程实践,合理地运⽤到⽣态建筑中。
在创造健康舒适的室内环境,满⾜⼈类对舒适环境需求的同时,最⼤限度地降低资源浪费和对⾃然环境的污染,保持和促进地球⾃然⽣态环境的平衡,提倡“⼈类建筑与环境共⽣”的设计新理念。
本⽂结合⼯程设计实例,介绍了⽣态建筑中可采⽤的基本技术措施之⼀的诱导式构造技术。
除此之外,技术措施还包括有绿化技术、太阳能利⽤、废物的回收循环利⽤、⽣态建材的开发利⽤等⽅⾯。
这些技术措施都要靠⽬前的技术条件,并结合本国国情,才能得以运⽤和实施。
1.⼯程概况:建筑⾯积:12000㎡;建筑⾼度:22m;建筑层数:地上5层/地下⼀层(设备层)。
建筑分为主教学楼、南教学楼及宿舍三部分,地下设备层布置为通风机房、通风静压箱、消声砌体及库房,地上布置为教室、宿舍、餐厅、库房、多功能教室等,其中教室⾯积约为6000㎡。
2003年完成施⼯图设计。
本⽂主要介绍地道通风降温及诱导通风系统的设计。
某工程诱导通风系统设计分析某工程需要设计一套诱导通风系统。
诱导通风是通过室内外空气压差差异达到室内自然通风的一种方法,适用于没有自然通风条件的建筑物。
本文将对该工程的诱导通风系统进行设计分析。
设计目标该工程是一座大型商业综合体,包括购物中心、办公楼、酒店、公寓等多个功能区域,总建筑面积为10万平方米。
设计目标是在不影响建筑外观和使用的前提下,实现室内空气质量的保证和节能降耗。
系统结构诱导通风系统分为天窗组、防火组和排气组三个部分。
天窗组用于进风,防火组用于隔离不同区域,排气组用于排出废气。
天窗组安装在建筑的北面和南面,天窗面积占建筑总面积的1%。
防火组安装在建筑物中心位置,包括两台防火可控门,用于根据温度和烟雾控制室内外通风和隔离不同区域。
排气组安装在建筑的屋顶,通过管道将废气排至室外。
设计原理诱导通风系统利用室内外温度差异产生自然对流,通过天窗组和排气组实现空气对流,实现室内空气的自然通风。
防火组主要是为了保证在火灾等紧急情况下能够控制烟雾,避免不同区域之间的烟雾相互渗透。
设计过程1. 计算室内外气温差异首先需要测量出建筑内部各个区域的室内温度和建筑外部的气温,计算室内外气温差异。
温度差异越大,诱导通风效果越好。
2. 计算诱导通风风量根据岛津式公式(q=CV√HΔT),计算出诱导通风需要的风量。
其中q表示通风风量,C为岛津系数,V为天窗面积,H为天窗高度,ΔT为室内外温度差异。
3. 计算天窗面积计算出诱导通风所需要的风量后,再根据天窗组件的风量系数计算出需要的天窗面积。
天窗组件的风量系数一般为0.02~0.05。
4. 设计防火组根据建筑的布局和消防要求,设计防火组,包括防火可控门的位置和控制系统。
根据建筑的废气产生量和建筑结构,设计排气组的数量和管道排布,确保废气排出量符合排放标准。
6. 安装运行完成设计后,进行安装和调试,并进行空气质量监测和效果评估。
总结诱导通风是一种适用于没有自然通风条件的建筑物的通风方法,通过合理设计和布局,可以实现室内空气质量的保证和节能降耗。
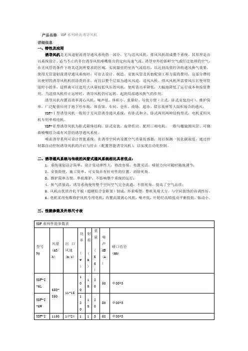
YDF—I型诱导风机用于无风管诱导通风系统, 有卧式和立式二种结构形式’, 卧式用W表示,立式用L表示。
电YDF—II型诱导风机为柜式消音箱体结构,卧式安装,皮带传动,配用三相电机,与螺旋圆形风管、可挠曲喷嘴组合诱导风机智能控制的目的, 就是为了有效节能和防范误动作。
使诱导排风系统更安全可靠、经济地运行。
同时该当集中控制箱处于自动状态时,如果车库内一氧化碳超标,控制器就会发出报警信号并自动输出控制命令,按照程序指令启动单台或多台诱导风机,进行排风以降低某分区的废气的浓度直至低于预设值。
当一氧化碳浓度不超标时,在系统复位后可以自动停机或是由人工手动停机;当控制箱处于手动状态时, 管理人员可以按照车库的当前状况手动操作当风机工作时, 如果地下车库内发生火灾,控制箱可接收到火灾报警控制柜的停机信号, 自动停止运行。
集中控制器对返回信号作出决策所有诱导风机开机工作联动开启主排风机(3)YDF—I—12W诱导风机示意图(4)YDF—II系列管道式诱导风机外形尺寸YDF-Ⅱ系列管道式诱导风机箱由铝合金框架、离心风机、嵌入式消声器静压箱组成, 回转角 度<45‘,喷嘴中36。
离心风机采用低风量大压力,全压≥1750Pa,风管采用螺旋有压力圆管,配 装小直径的喷口以超高速的气流传递卷吸量大,喷口自带风量调节阀更能适应各种环境的使用。
规格型号A B C D E F G4一Фd YDF-II—2.25600168055022016068076012.5YDF-II—2.5660168065025020074082014.5 YDF—II—2.8720180075030023080088014.5序号使用场合的情况送排风方式数量1空间不规则,隔墙及障碍物多,气流滞留的场合。
自然进风、机械排风100m 2/台2隔墙及障碍物多,但通排风气流易形成。
自然进风、机械排风机械进风、机械排风150m 2/台3隔墙及障碍物较少,通排风气流较理想。
某工程诱导通风系统设计分析工程诱导通风系统是一种通过自然或机械手段,将室内外温差或风压差作用于建筑物内部,促进空气流通,改善空气质量,保证室内舒适性的通风系统。
本文将对某工程诱导通风系统进行设计分析。
一、通风系统的设计目标和要求本通风系统的设计目标是保证室内舒适度和工作环境安全。
在此基础上,要满足以下设计要求:1、通风系统应根据该建筑的特殊需求,尽可能减少室内二氧化碳的浓度,提高空气质量。
2、通风系统要能够随时根据室内外环境的变化而进行调整,以保证室内空气的流通和质量。
3、通风系统的设计应考虑室内外温度、湿度、气流速度等因素,避免产生冷、热、紊流现象,保证室内舒适性。
4、通风系统应能有效控制室内外的气流噪声,避免对周围环境造成干扰。
5、通风系统应遵循节能原则,保证运行成本低、效益高。
1、风力诱导通风系统本通风系统采用的是风力诱导通风系统。
在该系统中,通过设置通风塔,利用自然风压力差,将室内外气流进行有效地流通和交换,从而保证室内空气质量。
在风力条件不利的情况下,该系统还可以采用机械辅助通风的方案,保证通风质量。
2、通风塔的设计本通风系统中的通风塔主要由进风口、出风口、防风罩、蓝宝石玻璃、反射板和风轮等部分组成。
通风塔的尺寸和高度应根据建筑物的实际需求进行确定。
3、建筑物的整体设计本通风系统的设计需要考虑到建筑物的整体设计,尤其是建筑外表的美观和通风效果的统一。
在此基础上,需要考虑塔的高度和颜色的搭配,优化通风使用效果。
1、通风塔的设计应遵循流线型原则,优化气流导向,增加通风效果。
2、通风塔的尺寸、形态和高度应与建筑物的整体设计相适应、相协调,避免影响建筑风格。
3、通风塔内设计尽量合理,降低空气流速,防止产生冷、热和紊流。
5、通风系统的运行成本应控制在合理范围内,保证良好的通风效果的同时,达到节能减排的目的。
四、总结针对某工程的诱导通风系统的设计,本文提出了风力诱导通风系统的设计方案,包括通风塔的设计、建筑物整体设计、通风系统的设计原则等。
传统通风方式和诱导通风方式在几个方面做了比较
本文由地源热泵提供下载
一、概述
随着人民生活水平的不断提高,城市的中、小型汽车保有量正在飞速增长。
因此,停车难的问题就急显突兀,地下停车场、车库的建设也就随之而发展。
瞻园商城坐落在繁华的夫子庙地区,瞻园路和东牌楼交叉的路口。
考虑到夫子庙是步行街,各类交通工具禁止通行,瞻园商城地下车库为此而建。
该地下室为复式车库面积为8169平方米,除去设备用房(变配电房,冷冻机房,水泵房等)车库面积约7000平方米,层高为-5.2米。
作为地下车库,解决通风和防排烟问题是设计的主要内容之一,所谓车库的通风,也就是要排除汽车尾气和汽油蒸汽,送入新鲜空气。
以便有害物(这里主要指CO)的含量稀释到国家规定的卫生标准要求。
防排烟也就是满足火灾时的排烟要求,以保证火灾发生时迅速排除滞留烟气,限制烟气的扩散,保证人员和车辆安全撤离现场,减少伤亡。
常规地下室的通风方式为全面通风方式,即按划分的若干个防火分区,有若干个送、排风系统。
这些系统同时兼做火灾时排烟系统,即所谓的“合二为一”。
而这些系统因为风量较大,都是由庞大的风管组成,这种复杂庞大的通风管道,不仅占用空间高度,使车库的使用率降低,还大大提高建筑物地基的开挖成本、土建投资和设备投资,系统繁杂,安装工作量大,投资高且难以变动,避免不了风管与其他管线(电缆桥架、喷淋管道、上下水管道)的打架问题。
这一问题在车库面积有7000多平方米的本工程设计中尤为突出,而应运而生的诱导式通风方式恰恰能避免或者说克服了上述的矛盾。
二、诱导式通风系统的原理及系统特点
诱导式通风系统就是利用射流的诱导特性,在送风口处导入新鲜空气,采用超薄型射流器以高速喷出的空气主流,诱导及搅拌周围大量的空气,一方面稀释车库内空间的有害气体,另一方面带动空气沿着预设的流程至设定方向,从而达到在进风口处引入新风,在排风口处顺利排出废气的目的,保证了车库空间良好的换气效果,从而达到通风的目的。
随着射流程距喷嘴距离的增加,射流速度及诱导作用逐渐减小,因此到达一定射程后,必须有另一台射流器来衔接,从而形成“气流推拉作用”,使整个空间产生流动的速度场。
笔者综合两者后发现,诱导式通风的确具备了系统的简洁美观。
因为无风管,系统变得简单。
其整齐美观的外型,更能体现停车场的现代感,提升了车库的品位。
气流方向可以随意调节,适应不同的建筑形式达到最佳配置,气流畅通无死角,整体空间内新鲜空气分布均匀,混合效果好,废气被充分稀释,室内空气品质良好。
利用物理特性导引风量,无管路阻力损失,故节省电力,运行成本低。
设备体积小,重量轻,安装工艺非常简单,施工成本大为降低,单相220V电源,电路安装十分简单,采用高质无油式轴承电机,无需定期添加润滑油,维修量很小,又采用了高效低噪音凤机、消声箱和符合空气动力学特性曲线的高速喷嘴,故噪音也低。
三、传统通风系统与诱导通风系统的经济性比较
针对本工程,两种通风系统的原理图如下图所示
3.1 降低土建成本
图一采用射流诱导通风系统后,地下停车库层高可由5.2米降为4.6米,节省的土建造价有:
节省开挖土方量:8000 X 0.6= 4800m3
节省钢筋混凝土量:370 X 0.3 X 0.6=67 m3
节省支扩量:370 X 0.6=222 m2
开挖土方节省资金:4800 X 25=120000元
钢筋混凝土节省资金:67 X 2500=167500元
支扩节省资金:222 X 500=111000元
合计 398500元
3.2 节省运行费用:
图一为采用射流诱导通风设备的车库,每辆车的排风量取500m3/n.平时的通风系统和防排烟系统各自分开,独立布置。
这是因为:这样一来,射流诱导通风的送、排风机无需接长风管,管路阻力损失就没有,故风机风压低,功率也就小,平时车库通风开启该系统,运行费用很低。
而此时的排烟系统风管就可按规范“排烟口距防烟分区内最远点的水平距离不超过30m”的原则布置,风管管径按规范规定的风速上限20m/s来确定。
这样防排烟系统变得简单,排烟风管的面积大大减小。
管路也设计得“纤细美观”。
经计算:
图一采用诱导通风系统的总耗电量:50.94kw
图二采用传统通风系统的总耗电量:110.00kw
3.3 系统投资降低:
图一采用诱导通风系统的投资:40万元
图二采用传统通风系统的投资:72万元
两种方案,用数字进行比较可一目了然,其他方面如诱导通风系统比传统通风系统有施工的简便、噪音的降低、空气品质的改善等等,这里就不一一赘述了。
大家从前面的系统特点中也可知道。
四、总结
通过以上几方面的考虑比较后,瞻园商城地下车库选择了诱导式通风系统。
现在该地下停车库已于去年华商会前施工完毕并投入使用,用户反映良好。
图1
图2。