皮带机平托改型-重型平托
- 格式:docx
- 大小:12.16 KB
- 文档页数:6
皮带运输机关键部件优化问题研究摘要:带式输送机作为性能显著,成本低廉,操作便捷,维修简易,能耗理想的输送机类型之一,深受各行业青睐与认可。
煤矿产业特别是采煤工作面往往存在大量煤炭输送任务,因此对于性能具备优势性的带式输送机非常依赖,其是普采工作面顺槽运输系统的重要组成形式。
现如今各类侧重点不一的带式输送机接连面世,为煤炭行业发展奠定重要基础。
然而亦需认识到,带式输送机在组成以及原理方面可谓大同小异,其由一系列部件组合而成,其中任何一部件存在问题,均可能致使整体效率受到影响,因此针对采煤工作面带式输送机关键部件优化进行研究有重要意义。
关键词:皮带运输机;关键部件;优化问题1 皮带输送机结构及基本性能近几年来,由于皮带运输机适应性强,可以满足大运量、高强度采煤工作的要求;在坡度陡峭的道路上仍然可进行运输等优势,使其成为井下采煤行业的主要运输设备。
皮带运输机的构成包括:通过滚筒的转动产生摩擦,将牵引力传送给输送带,带动输送带转动,进而货物运输作用的驱动装置;防止皮带发生滑动,拉近皮带作用的张紧装置;进行煤量运输的输送带;包括改向滚筒及托辊并调节输送带方向的改向装置等。
皮带运输机的基本性能包括输送能力、带速、带宽、胶带安全系数等。
皮带运输机的输送能力即运输机的运输能力,井下煤矿运输系统往往采用多部皮带运输机搭接起来共同运作。
因此对于前后端皮带运输机型号的选择,需要根据峰值、掘进及回采等运输煤量进行型号的选取,需要注意的是顺煤流始端的皮带运输机应该小于或等于末端的皮带运输机。
2 皮带运输机关键部件优化机头及储带张紧部分。
机头及储带张紧部分是带式输送机的重要组成部分,因此需要进一步优化的部分亦是具备多元性与丰富性。
主要包括如下方面:(1)机头卸载臂。
机头卸载臂安装卸载滚筒部位,尤其是开口处往往不够结实,受到外力影响容易出现变形问题,因此未来需要通过底檐焊接筋板方式进行加固。
具体而言,可以将机头卸载延伸架Ⅰ的垫块进行加长处理,使其抵达端面。
DQL1500/2060∙38型斗轮堆取料机机械设备安装施工技术平安措施一、工程概况储煤场堆取料是XXX矿储煤场已有设备,拆除到XXXXX储煤场。
在设备安装前,需对现有旧设备进行清点、修理。
DQL1500/2060-35型斗轮堆取料机主要由斗轮装置、悬臂梁装置、悬臂皮带机、俯仰装置、回转刚结构、回转装置、门座架装置、走形装置、润滑系统、尾车、除尘装置、变压器室、司机室、电气室、电缆卷筒、电缆桥架、电气等组成,设备总重约520t,外形尺寸(长X宽X 高):75m×IOm×21m o主要技术性能:1.物料种类2.取料实力3.堆料实力4.回转半径5.回转角度6.俯仰角度7.轨距8.轮压煤1500t∕h2060t∕h35000mm±110°-10.50~+12.507000mm<250KN9.走行速度:慢速6.5m∕min;快速25m∕min10.电源:供电电源IOKV,50HZ;主回路电源380V,50HZ;限制电源220V,50HZ;照明电源220V,50HZ;修理电源:380V/220V,50HZ;PC电源220V,50HZ;PC输入电源:24V;PC输出电源24V o11.装机功率350kw安装时大型部件明细表为平安、高效、保质、保量地完成本次施工任务,特编制本施工技术平安措施以指导生产。
二、施工前打算工作(一)技术打算1.施工前由厂家对本工程进行具体的技术交底,有利于施工单位驾驭设计意图和要求。
2.组织施工人员学习有关的安装工艺、质量标准和技术规范。
3.组织施工人员熟识有关图纸,说明书等有关技术资料。
4.组织施工员、技术员熟识施工现场、确定施工方法;技术员编制施工技术平安措施,贯彻到每位参与该工程的施工人员并签字,重点讲解安装质量平安保证措施。
(二)设备、材料和施工工具打算1.检查设备状况是否及设计要求相符合。
2.由于设备为旧设备,须按设备清单对设备进行清点校核,发觉缺损件应逐一分类,登记制表上报。
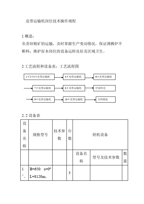
皮带运输机岗位技术操作规程1概述:负责锌精矿的运输,及时掌握生产变动情况,保证沸腾炉不断料;维护好本岗位的设备运转良好及区域卫生。
2工艺流程和设备表:工艺流程图2.2设备表设备名称规格型号技术参数台数附机设备设备名称型号及技术参数数量1#、B=650 a=0ºL=8120m,31﹟2﹟3﹟皮带运输机4﹟皮带运输机6﹟皮带运输机7﹟皮带运输机8﹟皮带运输机炉前料仓9﹟皮带运输机10﹟皮带运输机分料圆盘2#、3#胶带运输机TD75附外装式电动滚筒(JWD2型外装式)WD—30—100—65×500 N=3kwL=8120m,滚筒直径300mm,带宽:650mm,转速1.0m/s3电机Y132S-6,3.0KW、I=7.2A3双托辊型申克电子皮带秤BMP06型 34#胶带运输机B650L=104850mV=1.0m/s能力Q=100t/hTD751减速器ZQ75-50-6-Z,速比:1:48.57附:电动机Y180M-4,18.5KW、I=35.9A6#胶B650L=12.3501 减速器ZQ40-50-1-Z,速比1:48.57带运输机Q=100tTD75附:电动机Y100L2-4,3.0KW、I=6A7#胶带运输机B=650A=12.5º水平长度L=107.25m能力Q=100t/h 提升高度17.485m 带速1.25m/sTD751减速器ZQ75-40-6-Z,速比:1:401附:电动机Y180M-4,22KW、I=45A8#胶带运输机B=650a=13ºLh=45.035mTD751附:电动机N=11kw1减速器ZQ650-50-Ⅵ-Z速比;48.5719#胶带运输机TD75B=800L=16.500Q=35t/h1附:摆线针轮减速机XWDⅤ-8185-71N=5.5kw i=1:71N=1470RPM1变频调速异步电动机YVCP132S-4X7/W P=5.5KW(7.5kw)10#胶带运输机B=800L=8.2TD75Q=35t/h1附:减速器XWD0.75-4-1/71N=0.75kw1附:电动机3岗位操作:正常操作3.1掌握好料仓储料量及下道工序设备的需求量。
福特平托车案案例:福特平托车案1971年的时候,福特汽车公司生产一款车叫平托车(pinto),这个车小巧,耗油量也低,卖的特别便宜,只卖2000美元一辆。
很显然,这是为了对抗当时德国车和日本车在美国市场的攻势,这是福特汽车公司的一次绝地反击,是一款战略型的产品。
这款车投放市场反应不错,但是要知道,所有的新车型遇到的考验,可不仅仅是客户满意度,价格这些事,更重要的一个事,是你的交通事故率,平托车在这方面的表现还是不错的,因为从1971年到1977年发生的恶性交通事故是500起,同时期推出的同类车型一共是五款,在交通事故率的表现上,平托车是第三名,正好处于中游水平,这是一份交代的过去的一份答卷。
但是平托车有一个问题,那就是它的油箱设计问题,和其他车有一点不一样。
其他车油箱都是放在后轴承的上面,而平托车是放在下面的,这会带来一个什么问题呢带来的问题就是这款车存在一个安全隐患,一旦后车追尾,容易引发油箱的爆裂,甚至是爆炸。
1972年的某天,高速公路上,13岁的理查德•格林萧乘坐邻居驾驶的一辆福特平托(Ford Pinto)牌汽车回家。
正常行驶的汽车突然减速,停止,被后车追尾。
被撞后,油箱爆炸,汽油外溢,引起车身进一步起火、爆炸。
驾车的女司机当场死亡,小格林萧严重烧伤面积达90%,不幸地失去了鼻子、左耳和大部分左手。
自这次事故之后的6年里,小格林萧先后接受了60多次手术治疗以修补被毁坏的面容和其他损伤。
原告律师向福特汽车公司提起了诉讼。
他们指出该次事故是由于汽车的设计错误所致。
由于油箱安装在车辆的后座下部,距离离合器只有8厘米多一点,一旦有中等强度的碰撞就能引起爆炸。
这一点在法庭质证的过程中基本没有异议。
原告律师依据审判前的调查,向陪审团出示了下列证据:福特公司在Pinto车型设计期间曾经进行过一系列的碰撞试验,其中的一部分还留有影像资料。
试验清晰地表明,如果发生碰撞,汽车内部会充满从爆炸油箱流出的汽油。
皮带机平托改型重型平托摘要:托辊返修使用时常发生上线后很快筒皮磨裂下线现象。
皮带机回程平托在运行时轴承失效之后易引起轴脱损坏;磨损运行失效后筒皮开裂时有发生。
降低了运行的安全性。
返修重复使用时筒皮较薄无最低厚度理论限数。
重复有效使用次数低,浪费严重。
运行成本较高。
关键词:皮带机关于重型平托改型的计算书。
1 力系构成:(平托受力)当量载荷:IL=(WB+WM)SIIL为当量载荷;WB为带重(46.5kg/M);SI为托辊间距(3000mm);WM为煤重(无)。
AL=Il×K1×K2×K3×K4=194(kg)K1为物料粒度系数;K2为环境系数;K3为工作系数;K4为皮带修正系数。
轴承载荷:P=(AL×E+WR)/2E为中心载荷频率(1);WR为旋转体重量(46kg)。
2 改型后力系变化如表1所示。
注:原轴承6308zz Cr=31.2 C0r=22.2;现轴承6408zz Cr=50.2 C0r=37.8托辊单重增加率:方案1:19.8/65.62=30%;方案2:20.98/65.62=32%(分子:单重增加;分母:原平托重);选方案2——材料推荐(托辊用电焊钢管)3 原平托截面系数I=20.129cm4Z=119.7cm3E=2.1×106(kg/cm2)弯矩M(max)=4008(kg/cm)轴承受力:P=120.2kg 轴承许用载荷C=4133kg σ=33 kg/cm2<[σ]3许用应力[σ]=σab/(1/3~1/5);σab=630(kg/cm2) [σ]1=211kg/cm2—— (1/3)[σ]2=157.5kg/cm2—— (1/4)[σ]3=126kg/cm2—— (1/5)现平托截面系数:I1=27.129cm4Z=149.7cm3E=2.1×106(kg/cm2)弯矩M(max)=5022(kg/cm)轴承受力:P=120.2kg 轴承许用载荷C=5022kg σ=31.5kg/cm2<[σ]34 原平托筒皮磨损厚度下限:S——皮厚P=240.4kgM=W×L2/12(2000mm)I=π/64(D4-d4)W=π/64(D4-d4)/D(cm3)E=2.1×106S=4.5时: .D=190.7 d=181.7 I=1141.5 W=119.7σ=33 kg/cm2<[σ]3S=2mm .D=185.7 d=181.7 I=486.9321 W=52.6413σ=76.14kg/cm2<[σ]3S=1.5mm .D=184.7 d=181.7 I=362.2 W=29.2211σ=102.18kg/cmp寿命:L10h=106/(60×N)×(C/P)3(1)原始寿命:原轴承6308zz Cr1=31.2 C0r=22.2;现轴承6408zz Cr2=50.2 C0r=37.8新轴承寿命/旧轴承寿命=(Cr2/Cr1)3=(50.2/31.2)3=4.1655倍(2)实际寿命:原轴承6308zz Cr=4133;现轴承6408zz Cr=5022 L10h1=34.3177(5022/129.1133)3=201922.6(h)——新轴承L10h2=34.3177(4133/102.2)3=1394393(h)——旧轴承L10h1/L10h2=1.45倍6 磨损寿命计算Fv=V/e0 V为轴承径向游隙允许增大量;e0为内径系数d=40mm;e0=5.6皮带滚筒为e—f段曲线Fv=10~15或c—b段曲线Fv=3~5。
皮带自移机尾在综采工作面的应用和改进尹凤贵【摘要】According to protruding problem that lay restricted on producefor fully‐mechanized coal technology electromechanical self advance ofbelt conveyor ,put forward technical transform .Offered reliability for the normal production and safety under the working shaft .%针对综采工作面中皮带自移机尾在生产实践中存在的几个问题,提出了相应的改造方案,为矿井的安全高效生产提供了保障。
【期刊名称】《机械管理开发》【年(卷),期】2014(000)006【总页数】3页(P65-67)【关键词】皮带自移机尾;技术改造;综采工作面【作者】尹凤贵【作者单位】山西潞安矿业集团有限责任公司漳村煤矿,山西长治 046032【正文语种】中文【中图分类】TD528.1引言综采工作面是指煤炭生产从采煤、装煤、运煤、顶板管理等全部实现了机械化作业。
由于综采设备的使用,使采煤工艺简化,生产集中,巷道掘进率低,材料消耗少,因而成本低,效率高,取得了满意的经济效益。
漳村矿综采工作面目前采用综合机械化放顶煤一次采全高的采煤方法。
工作面配套设备为:机组MGTY250/600 型,前后溜SGZ830/2×400型,转载机SZZ960/250型,破碎机PLM2200 型,液压支架ZFS6000型。
工作面顺槽布置SZZ960/250型转载机配合皮带自移机尾(DSJ120/150-2×315型可伸缩胶带输送机)。
1 皮带自移机尾的结构特点及操作皮带自移机尾装置由头架、尾架、中间架、行走架及压带托辊、滚筒、清煤器等部件组成,同时配备有液压控制系统和操作台。
电厂皮带运输机防撕裂开关技术问题探讨电厂皮带运输机利用皮带的转动作用可以将优质煤炭运输到原煤仓中进行储存,再将其传到锅炉中燃烧,以维持机组的有效运行。
输煤若失去了时效性和保护,将对机组的运行造成严重的影响,因此,必须对输煤皮带进行有效的防护工作。
作为输煤皮带上的关键保护设备,防撕裂开关可以在皮带碎裂、破损、交汇部位受损或尖锐物损坏皮带等故障时,这种开关可以为监控人员提供有效地报警讯号或者将输送机的电源切断,从而对输煤系统中出现的皮带撕裂问题进行处理。
标签:电厂皮带运输机; 防撕裂开关; 应用输煤系统的正常运行是电厂工作中最为重要的部分,输煤系统在正常运行过程中会利用输送带将煤种运输到原煤仓中保存,接着将原煤运输到锅炉内部燃烧发电。
在此过程中一旦出现输送带撕裂现象,则无法保证原煤的有效保存,从而对电厂的正常运行造成影响,因此采用良好的输煤皮带防撕裂开关对电厂的运行有重要意义。
1 纵向撕裂检测装置这种装置与其他规格的防撕裂开关存在一定的不同,它的构成主要包含了控制箱与传感装置,其原理是将纵向撕裂检测设备相关线路连接到设备主机上,正常工作时传感器将保持断开状态,此时输出高电平; 如果皮带出现撕裂问题,会有一部分煤炭落到传感器中,此时导电橡胶内的 2 根引线将出现短路故障,输出低电平,同时相关的指示灯将亮起,主机执行继电器将释放,作出保护和报警动作。
该装置运用了容量较大的触点,具有较强的抗震动能力,为了使其具备较高的有效性,还应当针对其作出的动作设定有效的可允许误差范围,其优势就是当故障发生之后可以及时发出报警讯号来提醒工作人员。
但传感器支架过于脆弱,极易产生弯曲; 控制箱的密封性较差,极易吸入粉尘; 传感器内部进水或继电器受到损坏,都会对报警功能造成影响。
2 拦索式纵向防撕裂开关这种防撕裂开关的运行原理:当异物穿破胶带,并触碰到拦索时,拦索将出现移动,造成机构动作,导致两侧的限位开关发生动作,发出撕裂讯号,停止皮带机的工作,确保皮带出现撕裂时可以迅速作出反应,并发出撕裂信号。
鹤煤热电厂3#皮带机重锤张紧处长期严重跑偏的治理作者:万书军张永强来源:《科技创新导报》 2013年第17期万书军1 张永强2(1.鹤煤热电厂发电运行部; 2.鹤煤热电厂检修部河南鹤壁 458000)摘要:3#皮带机安装后使用了近5年,并未出现皮带跑偏,直到2011年开始掺烧煤泥和洗中煤后,3#皮带机重锤张紧处出现严重跑偏,通过对3#皮带机的调整与临时处理等一直未处理好,最后查找出了跑偏的真正原因,并拿出了改造方案,直到2013年才治理了3#皮带机重锤张紧处长期严重跑偏的问题。
关键词:鹤煤热电厂跑偏治理中图分类号:TM86 文献标识码:A 文章编号:1674-098X(2013)06(b)-0112-021 概述鹤煤热电厂输煤系统主要采用胶带输送机将原煤从煤场或卸煤沟运至锅炉原煤仓,皮带机型式为DTⅡ型,带宽800mm。
1#至5#皮带机为A、B双回路,两路互为备用,其中:2#、3#、4#皮带为倾斜向上运输,倾角分别为14°、11°、11°,拉紧型式为重锤式。
我厂自2011年3月份开始掺烧煤泥、洗中煤后,3#、4#皮带机在运行中出现回程段皮带在重锤张紧前后改向滚筒处严重跑偏现象,皮带边缘与机架严重磨损,造成皮带撕裂、接口挂扯、翘皮等现象频发;进入冬季后,3#皮带输送机还出现冬季长期过负荷、甚至还造成了断带的严重事故。
严重危及皮带机安全运行。
2 原因分析经现场观察,3#皮带跑偏都是发生在回程段、重锤张紧的前后改向滚筒处;皮带跑出滚筒边缘、卡在滚筒与固定框架上,使皮带边缘磨损、挂扯,严重时发生撕裂;刚换上的新皮带用不了多少时间,就出现皮带边缘损坏、接口挂扯开胶。
而产生这一现象的原因:就是重锤张紧处前后两个改向滚筒中部衬胶磨损严重,形成了凹腰滚筒所致。
而造成原因是由于工程建设时期土建施工和设备安装等多种因素,使3#皮带机投运最初,张紧装置处的两个Φ500衬胶改向滚筒就存在明显安装缺陷——滚筒与固定框架及皮带栈桥底板间隙过小,仅为50mm左右。
皮带输送机和斗式提升机改造施工方案皮带输送机和斗式提升机改造施工方案1. 适用范围本工艺方案适用于DTⅡ、TD75皮带输送机和TB315型斗式提升机的改造工程。
2. 施工准备2.1 技术准备2.1.1 取得原有设备完整的技术文件(文件见附件1)2.1.2 进行图纸会审并形成记录(记录见附件2)2.1.3 对其到货的皮带输送机进行清理数量,并检查质量。
2.1.4 编制施工方案并获得甲方的批准,对施工班组进行技术、安全交底。
2.1.5 相关标准规范2.1.5.1 《连续输送设备安装工程施工及验收规范》GB502702.1.5.2 《机械设备安装工程施工及验收通用规范》GB502312.1.5.3 《现场设备、工业管道焊接工程施工及验收规范》GB502362.1.5.4 《工业设备、管道防腐蚀工程施工及验收规范》HGJ2292.1.5.5《带式输送机安全规范》GB14784-932.1.5.6 TD型带式运输机基本参数和尺寸》GB987~9962.2工程简介本改造是对攀钢钛业公司18万t/a钛渣项目二期工程运输设备输送系统其中四条皮带机及两个斗式提升机进行改造。
2.2.1 第一条为混料皮带机,规格型号为DTⅡ型,带宽B=800mm,输送量为300t/h,带速为1.25m/s,施工图纸要求进行检查验收,不合格不得使用。
2.5 作业条件2.5.1 开工审批及管理体系。
2.5.1.1 图纸设计技术交底已完成。
2.5.1.2 开工报告已批复。
2.5.1.3 现场质量、安全管理体系已建立并已正常运行。
2.5.2 现场施工应具备条件2.5.2.1 设备基础复测合格,周围障碍物清理,运输道路畅通,环境合乎要求。
2.5.2.2 设备用电能满足使用,施工人员具备持证上岗、机具已落实。
2.5.2.3 设备本身及传动部分复查合格。
2.5.3 在进场前几天与甲方联系,确定好存放货物的地点,提前两天将货物运送至现场,为改造做好准备。
带式输送机机头的改造1.研制原因煤矿生产中带式输送机是运输的主要设备,带式输送机是否保持安全运转,是关系到煤矿安全生产能否顺利进行的重要因素。
带式输送机发生故障最常见的部位在机头驱动部,驱动部主要是由电动机、联轴器、减速器和传动滚筒组成。
南山煤矿斜井区所使用的皮带运输机为传统型式,机头占地面积大,维修不便;斜井区现有的都是PJ-1000mm皮带,现有的巷道规格断面为8.6平方米,宽度为3.2米,高度为2.9米,安设PJ-1000mm皮带后,机头最窄处只剩下1.5米,过于狭窄,人员通行,运料,维修都不方便,存在着安全隐患,亟需加以改进。
基于以上几点,经过实地论证,最好的解决办法就是安设PJ-800mm皮带,而整机采购费用高昂,从斜井区的经营现状出发,决定把PJ-1000mm皮带机改成800mm皮带机;把电动机、减速机和联轴器替换为电动滚筒,从这两方面减小皮带机的体积,这样才会从根本上解决问题。
1.1可行性分析带式输送机的驱动装置是由电动机、联轴器、减速器和传动滚筒组成,驱动装置的作用是将电动机的动力传递给输送带,并带动它运行。
现用的电动机为鼠笼式,联轴器为柱销联轴器,减速器为圆锥-圆柱齿轮减速器,电机轴与输送机平行。
传动滚筒为钢制光面滚筒,依靠它与输送带之间的摩擦力带动输送机运行,表面摩擦因数小。
我们采纳特别的传动滚筒"电动滚筒",来进行驱动装置的更新换代,将电机和减速齿轮全安装在滚筒内,其中内齿轮装在滚筒端盖上,电动机经两级减速齿轮带动滚筒旋转,电动滚筒结构紧凑,外形尺寸小,能将所有易引起火花的电气部件包容在隔爆外壳之内。
结构紧凑,占用空间面积小,使用维修方便,操作可靠方便,寿命长。
电动滚筒表面为菱形(XX纹)包胶,与原有光面滚筒相比,可提高摩擦力。
1.2先期设计原始数据及工作条件工作环境:井下运输距离:300米倾角:13度输送机的倾斜系数k=0.95所运物料名称:原煤运输量:150吨/小时矿石最大块度αmx=100mm矿石密度?奕=900kg/m3带速V的确定:带速V根据带宽和被运物料性质确定,我国带速已标准化,初步确定带速V=1.6m/s。
福特平托车案案例:福特平托车案1971年的时候,福特汽车公司生产一款车叫平托车(pinto),这个车小巧,耗油量也低,卖的特别便宜,只卖2000美元一辆。
很显然,这是为了对抗当时德国车和日本车在美国市场的攻势,这是福特汽车公司的一次绝地反击,是一款战略型的产品。
这款车投放市场反应不错,但是要知道,所有的新车型遇到的考验,可不仅仅是客户满意度,价格这些事,更重要的一个事,是你的交通事故率,平托车在这方面的表现还是不错的,因为从1971年到1977年发生的恶性交通事故是500起,同时期推出的同类车型一共是五款,在交通事故率的表现上,平托车是第三名,正好处于中游水平,这是一份交代的过去的一份答卷。
但是平托车有一个问题,那就是它的油箱设计问题,和其他车有一点不一样。
其他车油箱都是放在后轴承的上面,而平托车是放在下面的,这会带来一个什么问题呢?带来的问题就是这款车存在一个安全隐患,一旦后车追尾,容易引发油箱的爆裂,甚至是爆炸。
1972年的某天,高速公路上,13岁的理查德•格林萧乘坐邻居驾驶的一辆福特平托(Ford Pinto)牌汽车回家。
正常行驶的汽车突然减速,停止,被后车追尾。
被撞后,油箱爆炸,汽油外溢,引起车身进一步起火、爆炸。
驾车的女司机当场死亡,小格林萧严重烧伤面积达90%,不幸地失去了鼻子、左耳和大部分左手。
自这次事故之后的6年里,小格林萧先后接受了60多次手术治疗以修补被毁坏的面容和其他损伤。
原告律师向福特汽车公司提起了诉讼。
他们指出该次事故是由于汽车的设计错误所致。
由于油箱安装在车辆的后座下部,距离离合器只有8厘米多一点,一旦有中等强度的碰撞就能引起爆炸。
这一点在法庭质证的过程中基本没有异议。
原告律师依据审判前的调查,向陪审团出示了下列证据:福特公司在Pinto车型设计期间曾经进行过一系列的碰撞试验,其中的一部分还留有影像资料。
试验清晰地表明,如果发生碰撞,汽车内部会充满从爆炸油箱流出的汽油。
皮带机平托改型-重型平托
摘要:托辊返修使用时常发生上线后很快筒皮磨裂下线现象。
皮带机回程平托在运行时轴承失效之后易引起轴脱损坏;磨损运行失效后筒皮开裂时有发生。
降低了运行的安全性。
返修重复使用时筒皮较薄无最低厚度理论限数。
重复有效使用次数低,浪费严重。
运行成本较高。
关键词:皮带机
中图分类号: TD98 文献标识码: A 文章编号:1672-3791(2011)06(b)-0000-00
关于重型平托改型的计算书
A:1.力系构成:(平托受力)
当量载荷: IL=(WB+WM )SI
IL----当量载荷
WB----带重(46.5KG/M )
SI----托辊间距(3000mm )
WM----煤重(无)
AL=Il*K1*K2*K3*K4=194(KG)
K1---物料粒度系数
K2----环境系数
K3----工作系数
K4-----皮带修正系数
轴承载荷: P=( AL*E+WR) /2
E---中心载荷频率(1)
WR----旋转体重量( 46KG)
2改型后力系变化:
(单位 KG)轴承筒轴附件
现 0.624 D190*6.5 : 58.82 19.27 6.3(方案 1)
D194*6 : 60 19.27 6.3(方案 2)
原 1.218 .D190.7*4.541.2 19.27 5.3
注:原轴承6308zz Cr=31.2 C0r=22.2;现轴承 6408zz Cr=50.2 C0r=37.8
托辊单重增加率:方案1:19.8/65.62=30%
方案 2:20.98/65.62=32% (分子:单重增加;分母:原平托重);选方案2----材料推荐(托辊用电焊钢管)
3.原平托截面系数:
I=20.129?M^4
Z=119.7?M^3
E=2.1*10^6(kg/?M^2)
弯矩 M(max)=4008(kg-?M)
轴承受力 :P=120.2kg 轴承许用载荷C=4133KG
σ=33 kg/?M^2<[ σ ]3
许用应力 [σ ]= σ ab/(1/3----1/5);σ ab=630(kg/?M^2) [σ ]1=211 kg/?M^2 ----(1/3)
[σ ]2= 157.5 kg/?M^2 -----(1/4)
[σ ]3= 126 kg/?M^2 ------(1/5)
现平托截面系数:I1=27.129?M^4
Z=149.7?M^3
E=2.1*10^6(kg/?M^2)
弯矩 M(max)=5022(kg-?M)
轴承受力 :P=120.2kg 轴承许用载荷C=5022KG
σ=31.5 kg/?M^2<[ σ]3
4.原平托筒皮磨损厚度下限: S---皮厚
P=240.4KG
M=W*L^2/12(2000mm)
I=π /64(D^4-d^4)
W=π /64(D^4-d^4)/D(?M^3)
E=2.1*10^6
S=4.5 时 : .D=190.7 d=181.7I=1141.5W=119.7
σ=33 kg/?M^2<[ σ ]3
S=2mm.D=185.7d=181.7I=486.9321 W=52.6413
σ=76.14kg/?M^2<[ σ ]3
S=1.5mm.D=184.7d=181.7I=362.2 W=29.2211
σ=102.18kg/?M^2<[ σ ]3
S=1.3mm.D=184.3d=181.7I=312.8804W=33.9538
σ=118kg/?M<[ σ ]3
S=1.1mm.D=183.9d=181.7I=263.8742W=28.6976
σ=139kg/?M>[ σ ]3
考虑回程皮带粘煤的影响;滚筒不平度的影响s 的下限值=2mm
所以:S最小 =2 mm ------弯变剪导致平托中部筒皮失效---现象 ---磨露了。
5.改装后轴承寿命对比计算:
寿命: L10h=10^6/(60*N)*(C/P)^3
A)原始寿命 : 原轴承 6308zz Cr1=31.2 C0r=22.2;现轴承 6408zz Cr2=50.2 C0r=37.8
新轴承寿命 / 旧轴承寿命 =( Cr2/ Cr1)
^3=(50.2/31.2)^3=4.1655 倍
B)实际寿命:原轴承6308zz Cr=4133;现轴承 6408zz Cr=5022
L10h1=34.3177(5022/129.1133 )^3=201922.6(h)---- 新轴承
L10h2=34.3177( 4133/102.2 )^3=1394393(h)------- 旧轴承
L10h1/ L10h2=1.45 倍
6.磨损寿命计算:
Fv=V/e0V-----轴承径向游隙允许增大量
e0-------- 内径系数d=40mm; e0=5.6
皮带滚筒为e---f段曲线Fv=10---15 或c---b段曲线
Fv=3---5
Fv=V/e0=18/5.6=3此时:e---f段曲线对应寿命
10000h----18000h
c---b段曲线对应寿命25000----45000
e---f段曲线对应寿命10000h----18000h接近现场值
7.改装后的挠度变化:
由 tanβ =2pcl/4*E*I
tanβ (现 )/ tan β (原 )=p(现 )/I( 现 )*[p( 原 )/
I(原 )]=4.8/5.87<1
故合格
8.轴的剪切校核:P(现)=260.98kg
轴截面积A=12.5663?M^2
T=P/A=20.7682?K/?M^2
[T]= [ σ]/3^1/2=72.748?K/?M^2
T<[T]所以合格。
9.关于转动惯量引起的应力校核:
由于转动件工作转速=4.5m/s<[v]=40 ―50m/s( 塑性材料 )
故不做计算。
B:改装的可行性(结构部分)
1.原轴承座迷宫式密封轴向缩短4mm; 径向直径增加
10mm
2.原轴承座直径增加 10mm 后冲压弯角 >最小许用弯角;厚度取 8mm; 冲压延展缝按原尺寸即可。
3.轴承挡圈高度 >轴承最小定位高度;挡圈环槽必须用
滚珠碾压以消除应力集中。
其他结构不变。