机械滑台工艺流程控制系统设计
- 格式:doc
- 大小:383.00 KB
- 文档页数:48
目录1.设计任务书 (2)1.1 设计任务 (2)1.2 设计目的及要求 (2)1.3 设计内容及报告要求 (3)2.总体设计方案 (4)2.1 方案的确定 (4)2.2 设计方案 (4)3.PLC外部接线图,I/O地址分配表 (5)3.1 PLC外部接线图 (5)3.2 I/O模块的地址分配 (6)4.顺序功能图,梯形图及指令表 (7)4.1 顺序功能图………………………………………………… . 74.2 梯形图 (8)4.3 程序说明 (19)5.程序的调试运行及其结果 (20)5.1 手动控制的调试运行及结果 (20)5.2 单步控制的调试运行及结果 (20)5.3 自动循环控制的调试运行及结果 (20)6.个人小结 (21)7.参考文献 (22)2.设计总体方案2.1方案的确定:采用S7-300系列PLC和五层电梯实现控制任务。
采用电梯模型中的轿厢来模拟机械滑台,工作台由三相异步电动机拖动,电机转速和正反转运行由变频器控制。
工作台的位置由楼层的限位开关控制。
滑台运行状态分为三种方式:手动方式、单步方式和自动循环三种控制方式。
其中,运行方式是由外部开关S1、S2确定的,S1断开时为手动方式,S1合上时为自动方式;S2断开为单步运行方式,S2合上为自动循环控制方式。
运行切换时,滑台立即停止运行。
2.2设计方案:主电路设计方案工艺流程图如下图1所示:图1 工艺流程图工作台的快进由电机的正转和快速来控制,后退由电机反转和高速来控制,工进由电机的正转和低速来控制。
手动控制时用外部LED的A灯来指示,单步控制时用外部LED的G灯来指示,自动循环控制时用外部LED的D灯来指示。
工作台启动按钮由二层上呼按钮SB2▲来控制,后退按钮由二层下呼按钮SB2▼控制,停止按钮由五层下呼按钮SB5▼控制。
最后通过PLC程序代码来实现工艺流程的顺序控制。
3.PLC外部接线图,I/O地址分配表3.1 PLC外部接线图3. 2 I/O模块的地址分配(1)地址分配输入设备输出设备序号名称代号地址序号名称代号地址1 转换开关1 S1 I0.1 1 电机正转DIN1 Q0.12 转换开关2S2 I0.2 2 电机反转DIN2 Q0.23 二层上呼按钮SB2▲I1.1 3 电机低速DIN3 Q0.34 二层下呼按钮SB2▼I1.2 4 电机高速DIN4 Q0.45 五层下呼(停止)按钮SB5▼I1.3 5 蜂鸣器P Q1.06 一层定位传感器SQ1I2.1 6 一层上呼灯D1 Q1.67 二层定位传感器SQ2 I2.2 7 五层下呼灯D5 Q1.58 三层定位传感器SQ3 I2.3 8 手动指示灯 A Q1.19 四层定位传感器SQ4 I2.4 9 单步指示灯G Q1.210 五层定位传感器SQ5 I2.5 10 循环指示灯 D Q1.3(2)工作方式开关的切换对照表S1(I0.1)S2(I0.2) 工作方式0 0 停止0 1 手动1 0 单步1 1 自动循环4.顺序功能图,梯形图及指令表4.1 顺序功能图图3 单步运行顺序功能图图4 自动循环运行顺序功能图4.2 梯形图OB1程序:(1)不工作时工作指示灯全灭(2)手动工作方式A灯亮(3)单步工作方式G灯亮(4)循环工作方式D灯亮(5)手动控制(6)单步运行(7)自动循环(8)停止FC1(手动运行)程序:(1)按下启动按钮SB2▲即I1.1时滑台上升(2)按下下降按钮SB2▼即I1.2时滑台下降(3)五层限位指示灯(4)一层限位指示灯FC2(单步运行)程序:(1)切换到手动时给初始步置位,切换到其它工作方式时使其所有步复位。
机械滑台工艺流程控制系统设计论文摘要本论文设计了一种机械滑台工艺流程控制系统,旨在提高工艺流程的效率和精度。
通过对系统的结构设计、控制原理和算法进行详细分析,实现了对滑台的运动轨迹的精准控制。
在实验中,该系统表现出良好的性能,达到了预期的效果。
本文对系统的设计思路、实现方法和应用前景进行了深入探讨,为机械制造领域的研究提供了一定的参考价值。
引言机械滑台是一种常见的工业设备,在生产加工过程中扮演着重要角色。
传统的机械滑台多采用人工操作或简单的控制系统进行控制,存在效率低、精度不高等问题。
因此,设计一种高效、精准的机械滑台工艺流程控制系统具有重要意义。
本文将详细介绍该系统的设计思路、结构设计和控制原理,希望为机械制造行业带来新的技术革新。
1. 系统结构设计机械滑台工艺流程控制系统由五个主要部分组成:控制单元、传感单元、执行单元、通讯单元和电源单元。
这些部分之间通过各种接口相互连接,实现系统的整体功能。
控制单元负责对系统进行整体控制和监控,传感单元用于获取滑台的位置信息,执行单元实现对滑台运动的控制,通讯单元用于系统与外部设备的数据传输,电源单元提供系统运行所需的电能。
2. 控制原理系统的控制原理基于PID控制算法,通过对传感单元采集到的位置信息进行反馈控制,实现滑台的运动轨迹控制。
控制单元根据设定的目标轨迹和当前位置信息计算出控制量,然后传递给执行单元实现对滑台的运动控制。
PID控制算法具有简单、稳定的特点,能够提高系统的控制精度和响应速度。
3. 算法设计为了提高系统的控制精度和性能,本文设计了一种基于模糊控制的增量式PID算法。
该算法结合了模糊逻辑和PID控制,能够根据系统的实时状态调整控制参数,实现对滑台的精准控制。
实验结果表明,该算法在控制精度和稳定性方面表现优异,能够有效提高系统的整体性能。
4. 实验结果通过对设计的机械滑台工艺流程控制系统进行实验验证,获得了良好的实验结果。
系统在控制精度、响应速度和稳定性等方面均表现出优异的性能,达到了设计要求。
课程设计机械滑台工艺流程控制系统设计机械滑台工艺流程控制系统设计第一章 PLC简介PLC(Programmable logic Controller),是指以计算机技术为基础的新型工业装置。
在1987年国际电工委员会(International Electrical Committee)颁布的PLC标准草案中对PLC下定义:“PLC是一种专门为在工业环境下应用而设计的数字运算操作的电子装置。
它采用可以编制程序的存储器,用来在其内部存储执行逻辑运算、顺序运算、计时、计数和算术运算等操作的指令,并能通过数字式或模拟式的输入和输出,控制各种类型的机械或生产过程。
PLC 及其有关的外围设备都应该按易于与工业控制系统形成一个整体,易于扩展其功能的原则而设计。
”1.1 PLC的特点1、可靠性高,抗干扰能力强2、配套齐全,功能完善,适用性强3 、易学易用,深受工程技术人员欢迎4、系统的设计、建造工作量小,维护方便,容易改造5 、体积小,重量轻,能耗低1.2 PLC的应用领域目前,PLC在国内外已广泛应用于钢铁、石油、化工、电力、建材、机械制造、汽车、轻纺、交通运及文化娱乐等各个行业,使用情况大致可归纳为如下几类。
1.2.1 开关量的逻辑控制这是PLC最基本、最广泛的应用领域,它取代传统的继电器电路,实现逻辑控制、顺序控制,既可用于单台设备的控制,也可用于多机群控及自动化流水线。
如注塑机、印刷机、订书机械、组合机床、磨床、包装生产线、电镀流水线等。
1.2.2 模拟量控制在工业生产过程当中,有许多连续变化的量,如温度、压力、流量、液位和速度等都是模拟量。
为了控制器处理模拟量,必须实现模拟量(Analog)和数字量(Digital)之间的A/D转换及D/A转换。
PLC 产配套的A/D和D/A转换模块,使可编程控制器用于模拟量控制。
1.2.3 运动控制PLC可以用于圆周运动或直线运动的控制。
从控制机构配置来说,早期直接用于开关量I/O模块连接位和执行机构,现在一般使用专用的运动控制模块。
机械滑台工艺流程控制系统设计方案一、引言在工业生产中,机械滑台作为一种常见的工作装置,用于在工件加工过程中实现工件定位、移动等功能。
为了提高工作效率和生产质量,设计一个高效、稳定的工艺流程控制系统尤为重要。
本文将就机械滑台工艺流程控制系统的设计方案进行详细探讨。
二、系统功能需求1.实现机械滑台的定位控制,包括定位精度和速度控制;2.实现工件在机械滑台上的移动控制,包括直线运动、往复运动等;3.实现对工艺流程的自动化控制,包括过程监控、报警处理等功能;4.保证系统的稳定性和可靠性,提高生产效率。
三、系统硬件设计1.采用高精度的位置传感器,如编码器等,实时监测机械滑台的位置信息;2.采用高效率的电动执行机构,如步进电机或伺服电机,实现精准的位置和速度控制;3.设计合理的机械结构,确保机械滑台具有足够的稳定性和承载能力。
四、系统软件设计1.设计相应的控制算法,实现对机械滑台的定位和运动控制;2.开发人机界面软件,提供用户友好的操作界面,实现工艺流程的设定和监控功能;3.编写系统监控和报警程序,及时处理系统异常情况,保证生产安全。
五、系统集成与调试1.对硬件和软件进行集成测试,确保系统各部分协同工作正常;2.进行系统调试,优化控制算法和参数设定,提高系统性能;3.对系统进行全面测试,验证系统功能和稳定性,保证系统达到预期要求。
六、总结机械滑台工艺流程控制系统的设计方案包括硬件设计、软件设计、系统集成与调试等方面,通过以上系统设计,可以实现对机械滑台的精准控制,提高生产效率和质量,为工业生产提供更好的支持和保障。
以上为机械滑台工艺流程控制系统设计方案的详细介绍,希望能为相关领域的读者提供一定的参考价值。
PLC控制机械滑台的设计与模拟调试(1)1. 引言工业自动化是目前制造行业的主要趋势,随着工业自动化的发展,PLC应用越来越普遍。
PLC(Programmable Logic Controller)即可编程逻辑控制器,是一种用于控制工业过程的数字计算机。
机械滑台是一种常见的工业设备,通常由电机、电控系统和机械结构三部分组成。
本文将主要介绍如何使用PLC控制机械滑台,设计和模拟调试一套完整的PLC控制系统。
2. PLC控制系统设计2.1 系统结构PLC控制系统主要由输入模块、输出模块、中央处理器模块和电源模块组成。
其中,输入模块用于接受外部信号输入,输出模块用于控制外部动作输出,中央处理器模块是整个系统的核心,用于接收输入信号并进行逻辑运算,最后输出控制信号使输出模块进行控制操作。
2.2 接线图设计PLC控制系统的接线图设计是整个系统设计的核心,其中包含了PLC接线、电机控制接线和传感器接线等,必须按照正确的接线方式才能确保系统正常运行。
接线图设计时需要注意以下几点:1)输入设备如接近开关、按钮等的接线数量和输入方式;2)输出设备如电机、电磁阀等的电源和控制接线;3)中央处理器的电源和接线方式;4)各个设备之间的接线方式。
2.3 程序设计PLC程序设计是PLC控制系统中控制动作的主要方式。
程序设计需要根据实际控制需求,设计一系列逻辑运算和控制操作。
例如,对于机械滑台控制,可以设计以下程序:IF 输入设备1 = ON THEN 输出设备1 = ONIF 输入设备2 = ON THEN 输出设备2 = ONIF 输入设备3 = ON THEN 输出设备1 = OFFIF 输入设备4 = ON THEN 输出设备2 = OFF上述程序表示,当输入设备1开关打开时,输出设备1(电机)也会打开。
输入设备2开关打开时,输出设备2(减速器)也会打开。
相应地,当输入设备3开关打开时,输出设备1(电机)关闭;当输入设备4开关打开时,输出设备2(减速器)关闭。
攀枝花学院本科课程设计(论文)机械动力滑台PLC控制系统设计学生姓名:***学生学号: ************ 院(系):机械工程学院年级专业:2011 级机械设计制造及其自动化指导教师:助理指导教师:二0一四年十二月摘要机械动力滑台在先进制造领域中扮演着极其重要的角色。
因其有着进给量稳定,慢速无爬行,高速无振动,有良好的抗冲击能力,以及没有液压驱动的管路,泄露,噪声,更便于维修的优点,而应用于我们的制造生产中,为我们生产加工零件带来了方便。
本文通过对机械动力滑台的电气控制、PLC的设计,采用整体化的设计思路,充分考虑了软、硬件各自的特点并进行互补优化。
对系统的输入输出信号的选择、PLC机型选择及各主要电器的选择都进行了最优化的选择。
最后提出了一种简单、易于实现、理论意义明确的控制策略。
关键字:机械动力滑台,可编程控制器(PLC),控制电路,I/O端口AbstractAlso known the hoist another name is winch. Vertical lifting transport machinery is an important component of the tie in with the derrick, mast, pulley blocks, and auxiliary equipment, used to enhance the materials, installation of equipment operations, from human or mechanical power-driven drum, winding traction rope to complete the installation work. Vertical, horizontal or inclined simple tractor Lifting heavy objects. Two types of the hoist are manual and electric two kinds. and Now to the main electric winch. The design of the 5-ton electric hoist motor contions electromotor 、coupling、arrester、retarder、drum、boom sheave 、a system of pulleys set、hook, etc..The design of the drum machine because of its simple structure, handling the installation of a flexible, convenient operation, simple maintenance, and operating environment features such as adaptability, can be applied to lifting metallurgical, construction, operations and other water conservancy, but the design mainly applied to the drum machine for 5-ton overhead crane hoisting mechanism. Heavy winch upgrade is one of the main functions of the design of various types of winches are based on based on this request.KEY WORDS: hoist,drum,drum,shaft目录摘要 (I)Abstract (II)1 系统控制方案的确立 (1)1.1 机械动力滑台工作方式 (1)1.2 采用PLC控制机械动力滑台的优点 (1)1.3 系统设计的基本步骤 (2)2 机械动力滑台的控制电路 (3)3 PLC的输入输出点分配表 (5)4 PLC控制接线图 (6)5 PLC简介 (7)5.1 PLC定义 (7)5.2 PLC的特点 (7)5.3 PLC的使用情况 (8)5.3.1 基本元件 (8)5.3.2 工业过程控制 (9)5.3.3 运动控制 (9)5.3.4 数据处理 (9)5.3.5 通信及联网 (9)6 PLC的选择 (10)6.1 三菱PLC (10)6.1.1 三菱PLC的特点 (10)6.1.2 三菱FXPLC的特点 (10)6.2 西门子PLC (11)6.3 欧姆龙PLC (12)7 PLC控制梯形图及语句表 (14)7.1梯形图 (14)7.2 语句表 (15)8 主要电器件的选择 (17)结论 (19)参考文献 (20)1 系统控制方案的确立1.1 机械动力滑台工作方式动力滑台按结构分有机械动力滑台和液压动力滑台。
机械滑台工艺流程控制系统设计论文1.引言机械滑台是一种常用的工业设备,用于实现工件在加工过程中的移动和定位。
在工艺流程控制中,机械滑台的自动控制和监测是至关重要的。
因此,设计一种高效、可靠的机械滑台工艺流程控制系统对于提高生产效率和产品质量具有重要意义。
2.系统设计本文设计的机械滑台工艺流程控制系统采用了PLC控制器和HMI人机界面。
PLC控制器负责对机械滑台的运动进行控制,而HMI人机界面则提供了实时监测和操作的功能。
系统采用了模块化设计,具有良好的可扩展性和灵活性。
3.系统实现在系统实现中,首先进行了硬件的选型和接线设计,保证了系统的稳定性和可靠性。
然后进行了PLC程序的编写和HMI界面的设计,实现了对机械滑台的自动控制和监测。
最后进行了系统的调试和实验验证,结果表明该系统能够满足工艺流程的需求。
4.实验结果分析通过实验结果分析可得出结论,本设计的机械滑台工艺流程控制系统具有较高的可靠性和稳定性。
系统能够实现对机械滑台的精准控制,并能够满足工艺流程的要求。
同时,该系统还具有良好的用户界面和操作体验,能够提高操作人员的工作效率。
5.结论本文设计了一种高效、可靠的机械滑台工艺流程控制系统。
该系统采用了PLC控制器和HMI人机界面,能够实现对机械滑台的自动控制和监测。
实验结果表明,该系统具有较高的可靠性和稳定性,能够满足工艺流程的需求,具有较好的应用前景。
6. 讨论在工业生产过程中,机械滑台工艺流程控制系统的设计,对于提高生产效率,保证产品质量和安全生产具有重要的意义。
本文介绍的机械滑台工艺流程控制系统利用PLC控制器和HMI人机界面,实现了对机械滑台的自动控制和监测,以及用户友好的操作体验。
本系统设计的特点包括模块化设计、可扩展性和灵活性等,这些特点使得系统具有更好的应用性和适用性。
在实验中,我们验证了系统的可靠性和稳定性。
在进行了系统的调试和实验验证后,系统能够满足工艺流程的需求。
此外,与传统的手动操作相比,本系统的自动控制功能大大提高了生产效率和工作精度,减少了人为操作带来的误差。
PLC机械滑台工艺流程控制模板机械滑台工艺流程控制3如下免责申明,下载者必读!!!免责申明:本报告及其程序仅供参考,交流之用,若出现调试意外,本人概不负责。
程序部分在本机上基本能够运行,不排除其中有bug.其它未提及等错误情况,需要下载者逬一步思考完善。
若在其它试验机型调试中出现意外,本人概不负责。
报告部分因时间比较紧,难免出错,望下载者细细阅读思考后,发现错误并指明。
本报告初期有引用她人资料之嫌,后已大加改逬,如若还有雷同相似之处,望有疑冋者联系本人,本人与之再行商榷。
XXXX大学电气与自动化工程学院«PLC控制技术实训》资料内容仅供您学习参考,如有不半或者侵权,请联系改正或者删除。
题曰:机械滑台工艺流程枠制3姓名:学号:班级: 指导教师: 起止日期:目录1..................................................................................................... 设计任务书 (1)L1设计任务1.2设计目的及要求1.3设计内容及报告要求2基础实训项目一: (5)2.1总体设计方案2.2I/O地址分配表2.3PLC外部接线图2.4元件及功能表2.5流程图2.6程序3基础实训项目二: (9)3.1总体设计方案3.2I/O地址分配表3.3PLC外部接线图3.4元件及功能表3.5流程图3.6程序4. ..................................................................................................... 综合型自主实训项目 . (14)1 •总体设计方案1.1方案的确定1.2设计方案2.I/O地址分配表3元件及功能表4.流程图,顺序功能图,梯形图及指令表4.1流程图4.2顺序功能图4.3梯形图4.4程序说明5•程序的调试运行及其结果5」手动控制的调试运行及结果5.2单步控制的调试运行及结果5.3自动循环控制的调试运行及结果5................................................................................. 个人小结316.............................................................................. 参考文献32资料内容仅供您学习参考,如有不半或者侵权,请联系改正或者删除。
《电气与PLC操纵》课程设计任务书(四)题目:机械滑台工艺流程操纵系统设计(二)一、课程设计任务本课题要求设计机械滑台工艺流程操纵系统,具体要求是:采纳S7-300系列PLC和五层电梯模型完成操纵任务。
用电梯模型中的桥厢来模拟机械滑台的工作台,工作台由三相异步电机拖动,电机速度、正反转运行由变频器操纵。
楼层接近限位开关用于工作台的位置操纵。
工作台的工艺流程由任课教师指定。
操纵要求:工作台运行状态分为三种方式:手动、单周期和自动循环三种操纵方式。
其中,运行方式由开关S一、S2确信:S1断开—手动,S1合上—自动;在自动方式下,S2断开—单周期运行,S2合上—自动循环操纵方式。
运行方式切换时,滑台当即停止运行。
手动操纵:(点动)手动操纵指示灯A亮,按住S B▲(二层),工作台前进(电梯上升);按住S B▼(二层),工作台后退(电梯下降)。
(松开按钮当即停止)单周期运行:单周期指示灯G亮,滑台位于初始原点(1层),按动启动按钮S B▲(一层),按工艺流程自动运行一周后停在初始原点。
按停止按钮S B▼(五层),当即停止运行。
自动循环操纵:自动循环灯D亮,滑台位于初始原点(1层),按动启动按钮S B▲(一层),按工艺流程自动循环运行,运行一周后回到原点后暂停6秒后再接着运行,按停止按钮S B▼(五层),当即停止运行。
工艺流程中暂停延时需要用指示灯(报警灯)以1HZ的频率闪烁指示。
二、课程设计目的通过本次课程设计使学生把握:1)Step7编程软件的利用方式和梯形图、SFC图编程语言的运用;2)实际程序的设计及实现方式;3)程序的调试和运行操作技术。
从而提高学生对PLC操纵系统的设计和调试能力。
三、课程设计要求一、完成硬件选型2、程序设计方式采纳状态转移图SFC图进行设计或体会设计法。
3、指令实现采纳基于M的SFC梯形图实现或梯形图实现。
4、工艺流程为:四、课程设计内容一、熟悉实验模块的大体实验;二、滑台工艺流程操纵系统设计;3、硬件接线图、程序清单。
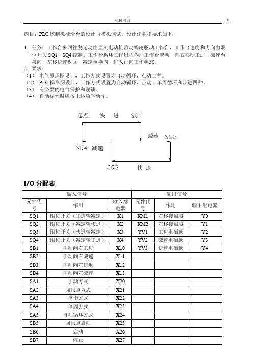
题目:PLC控制机械滑台的设计与模拟调试。
设计任务和要求如下:1.任务:工作台来回往复运动由直流电动机带动蜗轮驱动工作台,工作台速度和方向由限位开关SQ1—SQ4控制。
工作台循环工作过程为:工作台起动—向右移动工进—减速至换向—左移快速返回—减速至换向—进入正向工作状态。
2.要求:(1)电气原理图设计,工作方式设置为自动循环、点动二种。
(2)PLC梯形图设计,工作方式设置为自动循环、点动、单周循环和步进四种。
(3)有必要的电气保护和联锁。
(4)自动循环时应按上述顺序动作。
减速快 退减速起点快 进I/O分配表输入信号输出信号元件代号作用输入继电器元件代号作用输出继电器SQ1 限位开关(工进转减速)X1 KM1 右移接触器Y0 SQ2 限位开关(减速转快退)X2 KM2 左移接触器Y1 SQ3 限位开关(快退转减速)X3 YV1 工进电磁阀Y2 SQ4 限位开关(减速转工进)X4 YV2 减速电磁阀Y3 SB1 手动向右工进X10 YV3 快速电磁阀Y4 SB2 手动向右减速X11SB3 手动向左快退X12SB4 手动向左减速X13SA1 手动方式X20SA2 回原点方式X21SA3 单步方式X22SA4 单周方式X23SA5 自动循环方式X24SB5 回原点启动X25SB6 启动X26SB7 停止X27梯形图程序验证指导:(一)手动方式按下X20并按紧:按下手动向右工进按钮X10→右移接触器 Y0和工进电磁阀Y2同时得电,工作台向右工进;按下手动向右工进按钮X11→右移接触器 Y0和减速电磁阀Y3同时得电,工作台向右减速;按下手动向右工进按钮X12→左移接触器 Y1和快速电磁阀Y4同时得电,工作台向左快退;按下手动向右工进按钮X13→左移接触器 Y1和减速电磁阀Y3同时得电,工作台向左减速;(二)回原点方式按下X21并按紧,再按下回原点启动按钮X25:右移接触器Y0复位,同时左移接触器 Y1和快速电磁阀Y4同时得电,工作台向左快退;当工作台压到原点条件按钮X4的时候,回原点继电器闭合,回原点完成;注意:回原点在这个图上只做过渡作用,因为题目要求没有要求编回原点方式。
机械滑台工艺流程控制技术培训简介机械滑台是一种常见的工业设备,广泛应用于各种生产线中。
它通过控制滑台的运动轨迹和速度,实现零件的加工、组装和运输等工艺流程。
为了熟练掌握机械滑台的工艺流程控制技术,需要进行专门的培训。
本文将介绍机械滑台工艺流程控制技术培训的内容和方法,以帮助读者快速入门和掌握相关技术。
培训内容1. 机械滑台的组成和工作原理首先,培训需要介绍机械滑台的组成和工作原理。
机械滑台主要由滑台、导轨、传动装置、控制系统等部分组成。
掌握这些基本组成部分的功能和工作原理是进行后续技术培训的基础。
2. 基本运动控制技术在机械滑台的工艺流程控制中,基本运动控制技术是重要的一环。
这包括速度控制、位置控制、加减速控制等方面的技术。
在培训中,需要进行相关理论的讲解,并通过实际案例进行实操演示。
3. 运动轨迹规划和优化技术机械滑台的运动轨迹规划和优化技术对工艺流程的控制具有重要意义。
在培训中,需要介绍常用的运动轨迹规划方法,如直线轨迹、圆弧轨迹、S形曲线轨迹等。
同时还需要介绍轨迹优化技术,如加速度平滑控制、最优路径规划等。
4. 传感器应用技术为了实现精准的工艺流程控制,机械滑台通常需要搭配各种传感器来进行数据采集和反馈。
在培训中,需要介绍常见的传感器应用技术,如位置传感器、力传感器、光电传感器等。
同时还需要讲解传感器的选型和安装方法。
5. 控制系统的配置和调试机械滑台的工艺流程控制离不开稳定可靠的控制系统。
在培训中,需要介绍控制系统的基本配置和调试方法。
包括控制器的选型、连接方式、参数设置等方面内容。
同时还需要进行实际的控制系统调试,验证培训效果。
培训方法为了达到良好的培训效果,机械滑台工艺流程控制技术培训可以采用以下方法:1. 理论讲解通过PPT、讲义等方式进行机械滑台的理论讲解,包括组成和工作原理等内容。
重点讲解基本运动控制技术、运动轨迹规划和优化技术、传感器应用技术等方面的知识。
2. 实操演示通过实际的机械滑台设备进行实操演示,讲解基本运动控制技术的具体操作方法,以及运动轨迹规划和优化技术的应用实例。
机械滑台工艺流程控制技术培训一、培训背景随着机械制造业的发展,机械滑台在工业生产中起着重要的作用。
然而,如何正确控制机械滑台的工艺流程,提高生产效率,降低生产成本,是当前机械制造企业急需解决的问题之一。
因此,为了提升企业员工的技能水平和工作效率,本次培训将重点介绍机械滑台工艺流程控制技术,并通过理论学习和实际操作相结合的方式,帮助企业员工掌握相关技能,提高生产效率和质量。
二、培训内容1. 机械滑台的基本工作原理和结构组成2. 机械滑台的启动和停止控制技术3. 机械滑台的运动控制技术4. 机械滑台的自动化控制技术5. 机械滑台的故障排除和维护保养三、培训目标通过本次培训,参与人员将达到以下目标:1. 理解机械滑台的基本工作原理和结构组成2. 掌握机械滑台的启动和停止控制技术3. 掌握机械滑台的运动控制技术,能够熟练操作设备进行生产4. 了解机械滑台的自动化控制技术,增加生产效率5. 能够独立进行机械滑台的故障排除和维护保养工作四、培训方式本次培训将采用理论讲解和实际操作相结合的方式进行,培训内容将由专业的技术人员进行讲解,并安排现场操作实践,让参与人员能够真正掌握技能。
五、培训安排培训时间:3天第一天:理论讲解和设备介绍第二天:设备操作实践第三天:故障排除和维护保养六、结业证书完成培训并通过考核的参与人员将获得结业证书,以证明其所掌握的技能和知识。
通过本次培训,相信参与人员将能够提高自身的技术水平,为企业的生产和发展做出更大的贡献。
很高兴看到您对培训内容的兴趣,下面我将继续分享关于机械滑台工艺流程控制技术培训的相关内容。
七、培训效果经过本次培训,参与人员将能够熟练掌握机械滑台的基本工作原理和结构组成,掌握启动和停止控制技术,运动控制技术以及自动化控制技术。
他们也将具备独立进行机械滑台的故障排除和维护保养工作的能力。
这样的培训效果将充分满足企业生产的需要,提高生产效率,降低生产成本,并提升产品质量,助力企业更好地适应市场竞争。
机械滑台的模拟控制一、实验目的用PLC构成机械滑台控制系统二、实验内容根据主电路设计方案示意图如图1所示。
图1 设计方案示意图工作台前进和后退是通过并励直流电动机正反转来控制的,所以完成这一动作可采用电动机正反转控制基本程序。
并励直流电动机正转启动或反转启动时,电枢电路串入启动电阻,随转速上升,逐段切除启动电阻。
无论电动机是正转还是反转运行状态,按下停止按钮或碰到减速行程开关,都进入反接制动减速,使电动机停止运转。
1.控制要求①、正向运转按下启动按钮,KM1吸合,同时KM5接通,电阻R3被短接电机减速启动;按下SQ2后,KM3接通,电阻R1被切除,经过一段时候后KM4接通,电阻R2被切除,电机进入正常运行;接着按下SQ3,KM3断开,电阻R1被接入,经过一段时候后KM4接通,电阻R2被接入,电机进入减速运行。
②、反向运转接着上面按下终点按钮SQ4后,KM1断开,KM2吸合,电机进入减速反转;按下SQ3后,KM3接通,电阻R1被切除,经过一段时候后KM4接通,电阻R2被切除,电机进入正常运行;接着按下SQ2,KM3断开,电阻R1被接入,经过一段时候后KM4接通,电阻R2被接入,电机进入减速运行。
按下起点按钮后,电机按第一步重新开始运行。
③、停止按下停止按钮后,KM5被断开,电阻R3被接入,电阻制动停止。
程序运行顺序X0→KM1、KM5→SQ2→KM1、KM5、KM3、KM4→SQ3→KM1、KM5→SQ4→KM2、KM5→SQ3→KM2、KM5、KM3、KM4→SQ2→KM2、KM5→SQ1→KM1、KM5→SQ2……循环下去2.I/O分配输入输出起动按钮:X0 KM1:Y1停止按钮:X1 KM2:Y2SQ1:X011 KM3:Y3SQ2:X012 KM4:Y4SQ3:X013 KM5:Y5SQ4:X0143.按图所示的梯形图输入程序。
4.调试并运行程序。
机械滑台一次工作进给控制电路过程分析
手动按钮使接触器吸合,接触器常开触头并联在手动按钮上自锁。
到了行程,行程开关常闭合触头拉断接触器线包而解扣。
这是到一头就停止。
如果是循环一次,原点位置的静态时行程开关常开合触头串联在接触器线包供电回路,手动按钮是双联的,分别并联在接触器自锁触头和行程开关上,手动按钮按下保持到滑动枕离开原始位置就放手。
机械动力滑台工作方式:
动力滑台按结构分有机械动力滑台和液压动力滑台。
动力滑台可配置成卧式或立式的组合机床,动力滑台配置不同的控制电路,可完成多种自动循环。
动力滑台的基本工作循环形式:一次工作进给快进→工作进给→(延时停留)→快退
可用于钻、扩、镗孔或加工盲孔、刮端面等。
二次工作进给
快进→一次工作进给→二次工进→(延时停留)→快退可用于镗孔完后又要车削或刮端面。
跳跃进给
快进→工进→快进→工进→(延时停留)→快退
例如镗削两层壁上的同心孔,可用跳跃进给自动工作循环。
双向工作进给
快进→工进一反向工进一快退
例如用于正向工进粗加工,反向工进精加工。
分级进给
快进→工进→快退一快进→工进→快退→……→快进→工进→
快退主要用于钻深孔。
机械动力滑台由滑台、滑座及双电动机传动装置三部分组成。
滑台的自动工作循环由机械传动及电气控制完成,在一次循环中,要实现速度差别很大的快进和工进,两者之比通常可达300;1.快进、快退由快进电动机实现,工进由工进电动机实现,当快进电机与工进电机同时工作时,快进速度为原来的快。
机械滑台工艺流程控制系统设计一、系统要求1.准确可靠:系统要能够准确地控制机械滑台的运行和工艺流程,确保生产过程的准确性和可靠性。
2.灵活性:系统要能够适应不同的工艺流程和生产要求,具有一定的灵活性。
3.高效性:系统需要高效运行,提高生产效率,减少能源和物料的浪费。
4.安全性:系统需要保证操作人员的安全,具备安全保护功能,及时发现和处理异常情况。
二、硬件设计1.控制器:选择一款功能强大、性能稳定的工业控制器,能够满足系统要求的控制和运行需要。
2.传感器:根据需要选择合适的传感器来监测机械滑台的运行状态和工艺流程,如位置传感器、压力传感器等。
3.执行器:选择适合的执行器来控制机械滑台的运动,如电机、液压缸等。
4. 通信模块:为了与其他系统进行数据交互,可以选择适合的通信模块,如以太网通信、Modbus通信等。
5.人机界面:设计一个友好的人机界面,使操作人员能够方便地操作系统和监测生产过程。
三、软件设计1.系统架构:设计系统的整体结构和模块划分,确定各个模块之间的关系和通信方式,保证系统的可靠性和稳定性。
2.控制算法:根据机械滑台的运行要求和工艺流程,设计合适的控制算法,实现对机械滑台的精准控制。
3.界面设计:设计一个直观、易用的人机界面,使操作人员能够方便地操作系统和监测生产过程。
4.数据管理:设计数据库或数据存储模块,用于存储和管理生产过程中产生的数据,方便后期的数据分析和决策。
四、系统测试与调试1.单元测试:对系统的各个模块进行单独测试,保证每个模块的功能正常。
2.功能测试:对整个系统进行测试,验证系统是否满足设计要求。
3.性能测试:对系统的性能进行测试,如运行速度、响应时间等。
4.系统调试:根据测试结果对系统进行调试和优化,确保系统的稳定性和性能。
五、系统部署与维护1.系统部署:根据生产线的实际情况,将系统部署到合适的位置,确保系统能够正常工作。
2.系统维护:定期对系统进行维护和保养,保证系统的长期稳定运行。
机械滑台工艺流程控制系统设计方案硬件部分包括机械滑台、传感器、执行器和控制器。
机械滑台是系统的主体,用于实现工件的传输和定位。
传感器用于监测机械滑台的位置和状态,例如光电传感器可以用于检测物料的到位情况;执行器用于控制机械滑台的运动,例如气缸可以用于实现滑台的推拉动作;控制器是系统的大脑,用于实现对机械滑台的精确控制和参数调节。
软件部分包括程序控制和监测系统。
程序控制系统通过编程实现机械滑台的自动化控制,包括运动路径规划、速度调节、动作执行等功能;监测系统用于实时监测机械滑台的运行状态,例如通过界面显示机械滑台的位置、速度、运行时间等信息。
系统的工作流程如下:首先,传感器监测到物料到位后,传递信号给控制器;控制器根据预设的程序控制机械滑台进行相应的动作,例如将物料推送至下一个工序或者定位到指定位置;同时,监测系统实时监测机械滑台的位置和状态,并可以通过界面显示相关信息。
总的来说,该机械滑台工艺流程控制系统设计方案通过硬件和软件的组合实现了对机械滑台的自动化控制和监测,可以提高生产效率和产品质量,减少人力成本和工作风险。
由于机械滑台在工业生产中的广泛应用,其自动化控制系统的设计方案尤为重要。
以下将对该设计方案的各个方面进行更详细的描述。
首先是硬件部分的设计。
机械滑台是系统的核心部件,其设计需要考虑传动装置、滑轨结构、工件夹持和动作控制等方面。
传感器的选择和布置需要考虑到检测范围、灵敏度和稳定性,以确保对机械滑台的位置和状态进行准确监测。
执行器选择合适的推拉装置,如气缸或伺服马达,用于控制机械滑台的运动,需要考虑到力度、速度和精度的要求。
控制器的设计需要考虑到控制算法的实现,采用先进的控制理论和技术,如PID控制、模糊控制或神经网络控制,保证对机械滑台的运动进行精确控制。
其次是软件部分的设计。
程序控制系统的设计需要考虑到运动规划、速度调节、动作执行等功能,建立完善的控制算法和逻辑,实现对机械滑台的自动化控制。
机械滑台工艺流程控制系统设计
1
电气与自动化工程学院实训评分表
课程名称: PLC控制技术实训
实训题目: 机械滑台工艺流程控制系统设计
班级: 电气101
学号:
姓名: 陆敬博
指导老师: 许仙珍
年 7 月 4 日
2
3
常熟理工学院
电气与自动化工程学院
<PLC控制技术实训>
题目: 机械滑台工艺流程控制系统设计
姓名: 陆敬博
学号:
班级: 电气101
指导教师: 许仙珍
起止日期: .6.24---- .7.2
4
目录
1.设计任务书 (1)
1.1 设计任务
1.2 设计目的及要求
1.3 设计内容及报告要求
2基础实训项目一: (2)
2.1 I/O地址分配表
2.2 程序
3基础实训项目二: (5)
3.1 I/O地址分配表
3.2 程序
4.综合型自主实训项目 (10)
1.总体设计方案
1.1 方案的确定
1.2 设计方案
2. I/O地址分配表
2.1 I/O模块的地址分配
3.顺序功能图,梯形图及指令表
3.1 顺序功能图
3.2 梯形图
3.3 程序说明
5。