滚珠丝杆选型计算器
- 格式:xls
- 大小:30.00 KB
- 文档页数:1
导向面无负荷时阻力50N工作台与工件质量16Kg导向面摩擦系数0.03无下压作用力1000N最高速度0.05m/s重力加速度9.81m/s.s加速时间0.15s所选螺母导程4mm所选螺杆公称直径14mm所选螺母滚珠中心直径14.4mm70000无螺母基本额定动负荷 5.5螺杆轴惯性矩0Kg.cm2/mm所选螺杆有效行程200mm所选螺杆总长300mm所选滚珠丝杆容许轴向负荷2200N所选丝杆允许最大转速4861.11rad/min电机需要的转速750rad/min电机需要的惯性矩0Kg.m.m 无负荷匀速上升时丝杆承受力211.62N 无负荷匀速下落时丝杆承受力102.2N 无负荷垂直加速上提丝杆受力216.95N 无负荷垂直加速下落丝杆受力96.87N负载时等速下落丝杆受力1102.2N 克服摩擦力和重力所需电机扭矩38.72N*mm克服作用力所需电机扭矩707.71N*mm 无负荷匀速上升所需电机扭矩149.77N*mm 无负荷匀速下落所需电机扭矩72.33N*mm 无负荷垂直加速下落电机扭矩459.05N*mm 无负荷垂直加速上提电机扭矩681.14N*mm有负荷匀速下落电机扭矩780.05N*mm 所选螺母DN值Ca(kN)导向面无负荷时阻力50N工作台与工件质量120Kg导向面摩擦系数0.03无下压作用力1000N最高速度0.3m/s重力加速度9.81m/s.s加速时间0.15s所选螺母导程4mm所选螺杆公称直径14mm所选螺母滚珠中心直径14.4mm70000无螺母基本额定动负荷 5.5螺杆轴惯性矩0Kg.cm2/mm所选螺杆有效行程200mm所选螺杆总长300mm所选滚珠丝杆容许轴向负荷2200N所选丝杆允许最大转速4861.11rad/min电机需要的转速4500rad/min电机需要的惯性矩0Kg.m.m 无负荷匀速时丝杆承受力85.31N无负荷去路加速丝杆受力325.31N无负荷去路减速丝杆受力154.69N有负荷匀速时丝杆承受力120.61N有负荷去路加速丝杆受力360.61N有负荷去路减速丝杆受力119.39N克服摩擦力所需电机扭矩60.37N*mm克服作用力所需电机扭矩85.36N*mm无负荷匀速所需电机扭矩60.37N*mm无负荷去路加速电机扭矩3381.12N*mm无负荷去路减速电机扭矩3260.38N*mm有负荷匀速时电机的扭矩85.36N*mm有负荷去路加速电机扭矩3558.97N*mm有负荷去路减速电机扭矩3388.26N*mm 所选螺母DN值Ca(kN)。
滚珠丝杠选型计算经典版滚珠丝杠选型计算经典版一、引言滚珠丝杠广泛应用于机械传动中,通过滚珠和螺纹母摩擦作用,将旋转运动转换为直线运动。
滚珠丝杠选型计算是确定滚珠丝杠参数的重要环节,对机械传动系统的性能和寿命具有重要影响。
本文将详细介绍滚珠丝杠选型计算的步骤和方法。
二、滚珠丝杠选型计算的基本原理⑴滚珠丝杠的基本结构和工作原理在滚珠丝杠中,螺纹杠上有若干个弧形的凸台(滚珠槽),滚珠在这些凸台上滚动,菱形母材左右移动。
利用滚珠的滚动来代替螺纹对螺纹杠进行滑动的方式,实现快速、高效的转换。
⑵滚珠丝杠的选型因素滚珠丝杠的选型需要考虑以下因素:●载荷:确定滚珠丝杠承受载荷的类型和大小。
●转速:根据应用的要求,确定滚珠丝杠的最大转速。
●刚性:考虑滚珠丝杠在系统中的刚性要求。
●寿命:根据使用寿命要求,计算滚珠丝杠的寿命。
●尺寸:根据安装空间和系统要求,确定滚珠丝杠的尺寸。
三、滚珠丝杠选型计算的步骤⑴确定载荷根据机械传动系统的工作条件和负载特点,确定滚珠丝杠所承受的载荷类型和大小。
⑵计算滚珠丝杠的转速根据机械传动系统的要求和滚珠丝杠的工作条件,计算滚珠丝杠的最大转速。
⑶根据载荷和转速计算动载荷根据已知的载荷和转速,计算滚珠丝杠的动载荷,以确定有效载荷。
⑷确定滚珠丝杠的额定载荷根据滚珠丝杠的质量、尺寸和材料等参数,根据滚珠丝杠的额定载荷公式,计算滚珠丝杠的额定载荷。
⑸根据滚珠丝杠的额定载荷和动载荷计算载荷系数根据滚珠丝杠的额定载荷和动载荷,计算载荷系数,以确定滚珠丝杠的使用寿命。
⑹根据滚珠丝杠的使用寿命和工作条件选取滚珠丝杠类型根据滚珠丝杠的使用寿命和工作条件,选择适合的滚珠丝杠类型,包括直径、螺距、导程等参数。
⑺验证滚珠丝杠选型的合理性根据已选定的滚珠丝杠类型和参数,验证滚珠丝杠选型的合理性,包括滚珠丝杠的轴向刚度、刚性、动态特性等。
四、本文档涉及附件本文档涉及的附件详见附件列表:⒉滚珠丝杠承受载荷计算公式⒊滚珠丝杠额定载荷计算公式⒋滚珠丝杠使用寿命计算公式⒌滚珠丝杠选型参数参考表五、法律名词及注释⒈滚珠丝杠:一种利用滚珠在螺纹杠和螺纹母之间的滚动转动来实现机械传动的装置。
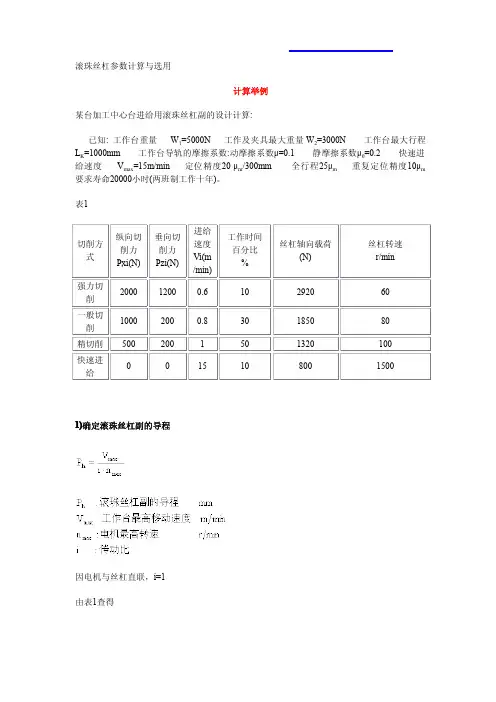
------------------------------------------------------------精品文档-------------------------------------------------------- 安昂传动1传动世界深圳tbi滚珠丝杠选型计算举例选取的滚珠丝杠转动系统为:磨制丝杠(右旋)轴承到螺母间距离(临界长度) l = 1200mm n固定端轴承到螺母间距离 L = 1200mm k设计后丝杠总长 = 1600mm最大行程 = 1200mm工作台最高移动速度 V = 14(m/min)man寿命定为 L = 24000工作小时。
hμ= 0.1 (摩擦系数)电机最高转速 n = 1800 (r/min)max定位精度:最大行程内行程误差 = 0.035mm300mm行程内行程误差 = 0.02mm失位量 = 0.045mm支承方式为(固定—支承)W = 1241kg+800kg (工作台重量+工件重量)2(重力加速度) g=9.8m/secI=1 (电机至丝杠的传动比)安昂传动2传动世界w a从已知条件得丝杠编号:此设计丝杠副对刚度及失位都有所要求,所以螺母选形为:FDG(法兰式双螺磨制丝杠)从定位精度得出精度精度不得小于P5级丝杠FDG_-_X_R-_-P5-1600X____计算选定编号导程= 14000/18000≈7.7mm平均转速平均载荷安昂传动3传动世界时间寿命与回转寿命=24000×266×60=383040000转次额定动载荷以普通运动时确定fw取 1.4得:额定动载荷C≥39673N a以C值从FDG系列表及(丝杠直径和导程、丝杠长度表)中查出适合的类型为:a公称直径:d=40mm 丝杠底径: d=33.9mm 导程:P=10mm 循环圈数:4.5 ho00额定动载荷为:48244N。
丝杠编号:FDG 40 × 10R - P5 - 4.5 - 1600 × ____预紧载荷F = F/3=11000/3 ≈ 3666 N maxao丝杠螺纹长度L=L-2L+2L=LL euu11e=1200+2×40=1280mm丝杠螺纹长度不得小于1280mm加上螺母总长一半84mm(从系列表中查出螺母总长168mm)。
深圳tbi滚珠丝杠选型计算举例选取的滚珠丝杠转动系统为:磨制丝杠(右旋)轴承到螺母间距离(临界长度) ln= 1200mm固定端轴承到螺母间距离 Lk= 1200mm设计后丝杠总长 = 1600mm最大行程 = 1200mm工作台最高移动速度 Vman= 14(m/min)寿命定为 Lh= 24000工作小时。
μ= 0.1 (摩擦系数)电机最高转速 nmax= 1800 (r/min)定位精度:最大行程内行程误差 = 0.035mm300mm行程内行程误差 = 0.02mm失位量 = 0.045mm支承方式为(固定—支承)W = 1241kg+800kg (工作台重量+工件重量)g=9.8m/sec2(重力加速度)I=1 (电机至丝杠的传动比)Fw=μ×W ×g = 0.1×2041×9.8 ≈ 2000 N(摩擦阻力)运转方式轴向载荷F a=F+F w(N)进给速度(mm/min)工作时间比例无切削F1=2000V1=14000q1=15轻切削F2=4000V2=1000q2=25普通切削F3=7000V3=600q3=50重切削F4=11000V4=120q4=10F a --- 轴向载荷(N) F --- 切削阻力(N) Fw--- 摩擦阻力(N)从已知条件得丝杠编号:此设计丝杠副对刚度及失位都有所要求,所以螺母选形为:FDG(法兰式双螺磨制丝杠)从定位精度得出精度精度不得小于P5级丝杠FDG_-_X_R-_-P5-1600X____计算选定编号导程= 14000/18000≈7.7mm在此为了安全性考虑:P =10(mm)运转方式进给速度(mm/min)进给转速(r/min)无切削V1=14000n1=1400轻切削V2=1000n2=100普通切削V3=600n2=60重切削V4=120n2=12平均转速平均载荷时间寿命与回转寿命=24000×266×60=383040000转次额定动载荷以普通运动时确定fw取 1.4得:额定动载荷 Ca≥39673N以Ca值从FDG系列表及(丝杠直径和导程、丝杠长度表)中查出适合的类型为:公称直径: d0=40mm 丝杠底径: d=33.9mm 导程:Pho=10mm 循环圈数:4.5额定动载荷为:48244N。
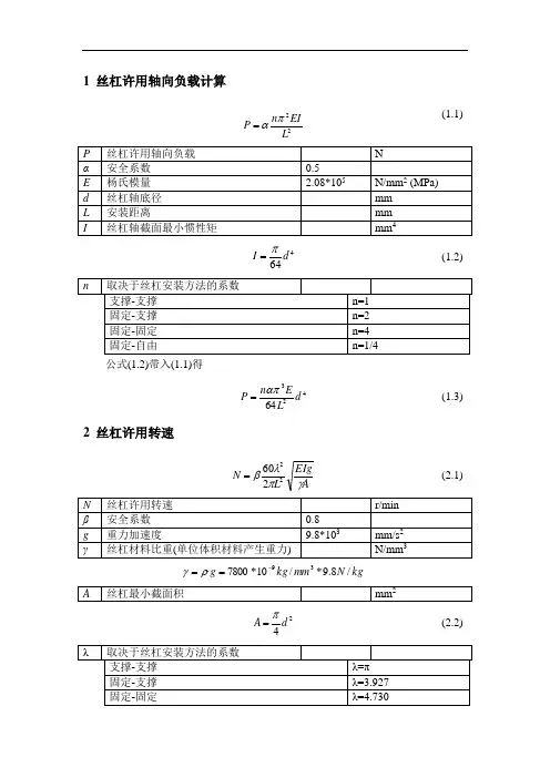
1 丝杠许用轴向负载计算22L EI n P πα=464d I π=公式带入得42364d LE n P απ=2 丝杠许用转速AEIgL N γπλβ22260=kg N mm kg g /8.9*/10*7800·39-==ργ24d A π=公式推导如下:d Ld L d L E A EIg L N 2272293522221010*780010*10*08.214.3*260*8.01000*860260λλλρπβγπλβ≈===- 则d LN 22710λ≈公式推导过程仅适用于丝杠材料密度为7800kg/m 33 丝杠导程、丝杠长度、轴径、导程角 丝杠导程确定maxmaxN V l =丝杠长度确定轴端预留量螺帽长度最大行程++=L轴向最大负载计算丝杠竖直安装时,匀加速上升状态为轴向负载值最大。
ma mg mg F ++=μ丝杠水平安装时,匀加速移动状态为轴向负载值最大。
ma mg F +=μ丝杠轴径确定公式中,使F≤P ,逆运算求d 1。
4/132164⎪⎪⎭⎫ ⎝⎛≥E n PL d απ根据长径比计算轴径d 2。
长径比通常必须小于60。
602≤d L得602L d ≥公式中,使N ≥Nmax ,逆运算求d 3。
(丝杠材料为钢)722310*max *-≥λL N d丝杠材料为其他时,使用下面公式 EL N d 32231060max*8ρβλπ≥取),,m ax (321d d d d ≥丝杠导程角dlπβ=)tan(4 基本额定载荷及寿命相关公式如下表:平均载荷计算如下:3/1332211333322321131⎪⎪⎭⎫ ⎝⎛++++=t N t N t N t N F t N F t N F F a a a am平均转速如下321332211t t t t N t N t N N m ++++=基本额定静载荷fs F F F Co a a a *),,m ax (321=基本额定寿命6310*⎪⎪⎭⎫ ⎝⎛=am fF Ca Lmam m h N fF Ca N L L 6010*6063⎪⎪⎭⎫ ⎝⎛==l fF Ca Ll L am d 3610⎪⎪⎭⎫ ⎝⎛==如果有已知的L h ,可以用公式反推Ca()23/110*60-=am h m fF L N Ca根据计算得到的Ca 、Co 选择丝杠,丝杠的响应参数要大于计算值。
X方向1500mm,Y方向1100mm,Z方向1200mm,水平旋转+-360度;最大负载重量为125KG,额定负载重量为100KG;层与层间成90度交叉排放。
每垛9层,最高1000mm。
最快码垛速度为1000mm/s,平均速度为500mm/s选取的滚珠丝杠转动系统为:磨制丝杠(右旋)轴承到螺母间距离(临界长度) ln= 1500mm固定端轴承到螺母间距离 Lk= 1500mm设计后丝杠总长 = 1900mm最大行程 = 1500mm工作台最高移动速度 Vman= 60(m/min)寿命定为 Lh= 24000工作小时。
μ= 0.1 (摩擦系数)电机最高转速 nmax= 6000 (r/min)定位精度:最大行程内行程误差 = 0.035mm300mm行程内行程误差 = 0.02mm失位量 = 0.045mm支承方式为(固定—支承)W = 150kg (工作台重量+载物重量)g=9.8m/sec2(重力加速度)I=1 (电机至丝杠的传动比)Fw=μ×W ×g = 0.1×150×9.8 ≈ 147N(摩擦阻力)F a --- 轴向载荷(N) F --- 切削阻力(N) Fw--- 摩擦阻力(N)从已知条件得丝杠编号:此设计丝杠副对刚度及失位都有所要求,所以螺母选形为:FDG(法兰式双螺磨制丝杠)计算选定编号导程= 60000/6000=10mm在此为了安全性考虑:P ho =12(mm) 平均转速Nm=500mm/s时间寿命与回转寿命=24000×2500×60 =3600000000转次额定动载荷以普通运动时确定fw 取 1.4Ca =F m ∗f w ∗√L 1063=147∗1.4∗√360000000010000003=3154.125N得:额定动载荷 C a ≥4205.5N以C a 值从FDG 系列表及(丝杠直径和导程、丝杠长度表)中查出适合的类型为: 公称直径: d 0=40mm 丝杠底径: d 0=38mm 导程:P ho =12mm 循环圈数:3 额定动载荷为:32700N 。
滚珠丝杠选型计算实例
滚珠丝杠选型计算实例:
1、首先需要确定滚珠丝杠的动力参数,例如预期的负载,传动速度,以及预期的使用寿命;
2、按照预算参数选择与现有的滚珠丝杠的相匹配的驱动装置,例如:丝杠支架、电机、减速机、传动轴等;
3、安装滚珠丝杠时应根据丝杠安装方式确定滚珠丝杠尺寸,即所有
直径尺寸,轴头类型,作动面积等;
4、对于滚珠丝杠选型,还需要考虑其使用环境,如:温度、湿度、
尘埃等;
5、最后考虑滚珠丝杠的耐久性能,特别是耐腐蚀性能,如使用的油
脂以及润滑特性;
以上就是滚珠丝杠选型计算的实例。
1 丝杠许用轴向负载计算22L EI n P πα= (1.1)464d I π=(1.2)公式(1.2)带入(1.1)得42364d LE n P απ= (1.3)2 丝杠许用转速AEIgL N γπλβ22260= (2.1)kg N mm kg g /8.9*/10*7800·39-==ργ24d A π=(2.2)d Ld L d L E A EIg L N 2272293522221010*780010*10*08.214.3*260*8.01000*860260λλλρπβγπλβ≈===- 则d LN 22710λ≈ (2.3)(2.3)公式推导过程仅适用于丝杠材料密度为7800kg/m 33 丝杠导程、丝杠长度、轴径、导程角 3.1 丝杠导程确定maxmaxN V l =(3.1)3.2 丝杠长度确定轴端预留量螺帽长度最大行程++=L (3.2)3.3 轴向最大负载计算丝杠竖直安装时,匀加速上升状态为轴向负载值最大。
ma mg mg F ++=μ(3.3)丝杠水平安装时,匀加速移动状态为轴向负载值最大。
ma mg F +=μ(3.4)3.4 丝杠轴径确定公式(1.3)中,使F≤P ,逆运算求d 1。
4/132164⎪⎪⎭⎫ ⎝⎛≥E n PL d απ (3.5)根据长径比计算轴径d 2。
长径比通常必须小于60。
602≤d L得602L d ≥公式(2.3)中,使N ≥Nmax ,逆运算求d 3。
(丝杠材料为钢)722310*max *-≥λL N d(3.5)丝杠材料为其他时,使用下面公式 EL N d 32231060max*8ρβλπ≥(3.6)取),,m ax (321d d d d ≥3.5 丝杠导程角dlπβ=)tan( (3.7)4 基本额定载荷及寿命相关公式如下表:平均载荷计算如下:3/1332211333322321131⎪⎪⎭⎫ ⎝⎛++++=t N t N t N t N F t N F t N F F a a a am(4.1)平均转速如下321332211t t t t N t N t N N m ++++=(4.2)基本额定静载荷 fs F F F Co a a a *),,m ax (321= (4.3)基本额定寿命6310*⎪⎪⎭⎫ ⎝⎛=am fF Ca L(4.4)mam m h N fF Ca N L L 6010*6063⎪⎪⎭⎫ ⎝⎛== (4.5)l fF Ca Ll L am d 3610⎪⎪⎭⎫ ⎝⎛== (4.6)如果有已知的L h ,可以用公式(4.5)反推Ca()23/110*60-=am h m fF L N Ca(4.7)根据计算得到的Ca 、Co 选择丝杠,丝杠的响应参数要大于计算值。
滚珠丝杠选型计算实例引言:滚珠丝杠广泛应用于各种机械设备中,用于传递力和运动。
在选择滚珠丝杠时,我们需根据所需的负载和速度来进行选型计算。
本文以一个葡萄压榨机为例,详细介绍滚珠丝杠选型的具体计算过程。
问题描述:葡萄压榨机需要进行滚珠丝杠选型,以下是该机器的技术参数:1.负载力:1000N2. 运动速度:500mm/s3. 滚珠丝杠长度:2000mm4.频繁启停次数:50次/分钟5.工作时间:8小时/天6.年工作天数:300天1.计算负载的动态载荷动态载荷C和速度系数fn的取值根据蜗轮原理计算得到。
根据所给的负载力1000N,查表可得C=15.2kN。
假设滚珠丝杠为M级精度,根据精度等级表可得速度系数fn=1所以动态载荷为:P=fn*C = 1*15.2kN = 15.2kN2.计算滚珠丝杠的选型参数根据公式,滚珠丝杠的选型参数可以通过以下公式计算得到:ηm = (L2/(9800*T))*(P+(Ffr*Dx))/Pηs = (L2/(9800*T))*(Mg+(Ffr*Dx))/Mgη=ηm*ηs其中ηm为滚珠丝杠的机械效率;L为滚珠丝杠的长度,单位为mm;T为转速,单位为rpm;P为动态载荷,单位为N;Ffr为滚珠丝杠的摩擦力;Dx为负载点至滚珠丝杠端部的距离,单位为mm;Mg为滚珠丝杠的总负载,即负载力与滚珠丝杠自身重力的和。
根据给定的参数,填入上述公式计算:L = 2000mmT=50次/分钟=0.833转/秒P=1000NMg=1000N+m*g(m为滚珠丝杠自身重力,g为重力加速度)假设m为100kg,则m * g = 100 * 9.8 = 980NFfr的计算需要知道滚珠丝杠的摩擦系数f以及角接触球轴承和螺纹直径Dm之间的比值(即尺寸系数),根据滚珠丝杠选型手册查表可得f = 0.005,尺寸系数为1.0。
Ffr = f * P = 0.005 * 1000N = 5NDx取滚珠丝杠长度的1/4,即Dx=2000mm/4 = 500mm代入公式计算得:ηm=(2000/(9800*0.833))*((15.2*1000)+(5*500))/(15.2*1000)=0. 54ηs=(2000/(9800*0.833))*((1000+980)+(5*500))/(1000+980)=0.57η=0.54*0.57=0.3083.计算寿命需求滚珠丝杠的寿命计算主要通过L10寿命来表示。
水平方向使用时选型计算使用工况工作台质量m1(kg)20工件质量(kg)10行程长度Ls(mm)650驱动马达伺服电机转速r/min3000加速时间t1(s)0.5减速机减速比i1无效行程mm0.15定位精度0.3/1000 mm重复定位精度0.1匀速运动时最低速度mm/s500减速时间s0.15直线导轨的摩擦系数μ=0.003导向面的阻力f(N)15需要选型确认的内容滚珠丝杆的直径导程精度轴向间隙滚珠丝杆支撑方式驱动马达导程精度的选择通常,滚珠丝杠的导程精度是规定的300mm的精度为了得到±0.1/1000mm的则300mm的精度为0.03因精度等级C6 既有轧制滚珠丝杠,又有精密滚珠丝杠,在此首先选择价格低廉的轧制滚珠丝杠。
为了满足0.15mm 无效行程的要求,必须选择轴向间隙在0.15mm 一下的滚珠丝杠。
因此,从满足轴向间隙0.15mm 一下的轧制滚珠丝杠里选择轴径32mm 以下的滚珠丝杠。
从上所述,选择丝杠轴之间在32mm 以下、精度等级C6 的轧制滚珠丝杠。
导程选择导程=(运动的最大速度x60x减速比i)/电机最大转速10轴向加速度a(m/s2)10001工作行程加速时Fa1=μ*(m1+m2)g+(m1+m2)*a+f45.9工作行程等速时Fa2=μ*(m1+m2)g+f15.9工作行程减速时Fa3=μ*(m1+m2)g-(m1+m2)*a+f-14.1滚珠丝杆最大轴向负载为Famax=Fa145.9预选丝杆丝杆直径d(mm)15丝杆导程Ph(mm)10安装间距la(mm)(行程+丝杠螺母的长度)670丝杠轴沟槽直径d1(mm)12.894与安装方法相关的系数η220丝杠的弯曲载荷计算:P1=η2*(d1^4/la^2)*10^412314.9滚珠丝杠的容许拉伸压缩负荷:P=116*d1^219285.61最大轴向不得大于计算所得的弯曲载荷和容易拉伸压缩负荷。
因此,满足这些条件的滚珠丝杠在使用上没有问题。
1 丝杠许用轴向负载计算22L EI n P πα= (1.1)P 丝杠许用轴向负载 N α 安全系数 0.5E 杨氏模量 2.08*105 N/mm 2 (MPa) d 丝杠轴底径 mm L 安装距离mm I丝杠轴截面最小惯性矩mm 4464d I π=(1.2)n取决于丝杠安装方法的系数支撑-支撑 n=1 固定-支撑 n=2 固定-固定 n=4 固定-自由n=1/4公式(1.2)带入(1.1)得42364d LE n P απ= (1.3)2 丝杠许用转速AEIgL N γπλβ22260= (2.1)N 丝杠许用转速 r/min β 安全系数 0.8 g 重力加速度9.8*103 mm/s 2 γ丝杠材料比重(单位体积材料产生重力)N/mm 3kg N mm kg g /8.9*/10*7800·39-==ργA丝杠最小截面积mm 224d A π=(2.2)λ取决于丝杠安装方法的系数支撑-支撑 λ=π 固定-支撑 λ=3.927 固定-固定λ=4.730固定-自由 λ=1.875公式推导如下:d Ld L d L E A EIg L N 2272293522221010*780010*10*08.214.3*260*8.01000*860260λλλρπβγπλβ≈===- 则d LN 22710λ≈ (2.3)(2.3)公式推导过程仅适用于丝杠材料密度为7800kg/m 33 丝杠导程、丝杠长度、轴径、导程角 3.1 丝杠导程确定maxmaxN V l =(3.1)l 丝杠导程 mm Vmax 负载移动最大速度 mm/min Nmax丝杠最大转速r/min3.2 丝杠长度确定轴端预留量螺帽长度最大行程++=L (3.2)3.3 轴向最大负载计算丝杠竖直安装时,匀加速上升状态为轴向负载值最大。
ma mg mg F ++=μ(3.3)F 轴向最大负载 N m被移动物体重量kg丝杠水平安装时,匀加速移动状态为轴向负载值最大。
滚珠丝杆副的计算选择1.使用条件提升小车负载小车,电机等总载荷5吨速度0.5m/s加速度最大行程8000mm位置精度52um/300mm寿命20000L2.类型:T类(传动滚珠丝杆副)3.滚珠丝杆副的导程P h=V max/(i*n max)=500/(1500/60)=20mm4.滚珠丝杆副的载荷及其转动速度当量载荷C0a=mg=5000*9.8=49000N4根螺杆C0a=49000/4=12250N5.预期动载荷C a1.按预期工作时间估算f w=2 f a=0.8 可靠性90%取fc=1 L h=20000小时C am=223520N2.采用预紧滚珠丝杆副,按最大负载F max计算C am=f e F max查表f e=3.4C am=3.4*12250=41650N6.按精度要求确定滚珠丝杆的最小螺纹底径d2m预计选择直径63mm , 行程8000,精度7(1)估算丝杆允许的最大轴向变形量定位精度52um/300mm ,全程2773um重复定位精度52um,取两种结果最小值17um(2)估算最小螺纹底径丝杆要求预拉伸,取两端固定的支撑形式L=(1.1~~1.2)行程+(10~14)P h静摩擦力F0=u0W1已知行程为8000mm ,W1=12250N ,u0=0.2L=1.15*8000+12*20=9440mmF0=12250*0.2=2450Nd2m=45mm7.确定滚珠丝杠副的规格代号选内循环浮动式法兰,双螺母型垫片预紧d0xl-I 公称直径X导程-循环圈数63x20-3 动载荷C a=53.2KN , 静载荷C0a=112.1KN 8.滚珠丝杠副预紧力当最大轴向工作载荷F max能确定时F p=1/3F max =1/3*12250=4083N当最大轴向工作载荷不能确定时F p =∮C am9.行程补偿值C和预拉伸力F tLu=8000+12*20=8240mmC=11.8*2.5*8240*10-3=243umF t=1.95*2.5*602=17550N确定滚珠丝杠副支承用的轴承代号,规格(1)轴承所承受的最大轴向载荷F Bmax=F t+F max=17550+12250=29800N(2)轴承类型(3)轴承内径略小于丝杠底径d2(4)轴承预紧力F bp≥1/3 F Bmax=9933N电机的选择传动系统刚度1丝杠抗压刚度1)丝杠最小抗压刚度K smin=102 *6.6*d22/L1N/umd2丝杠底径L1固定支撑距离K smin=102*6.6*602/(8000+12*20)=288Num 2)丝杠最大抗压刚度K smax =102*6.6*d22*L1/[4*L0(L1-L0)]K smax=2549N/um2支承轴组合刚度。