饰面砖粘贴工程检验批质量验收记录
- 格式:doc
- 大小:133.50 KB
- 文档页数:5
贴饰面砖检验批质量验收记录表一、引言在建筑装饰工程中,面砖作为一种重要的装饰材料,其质量和使用效果直接影响到整个工程的质量和外观。
因此,对贴饰面砖检验批的质量进行严格验收,是确保建筑工程质量的重要环节。
本文将详细介绍贴饰面砖检验批质量验收记录表的填写方法和注意事项,为相关工程技术人员提供参考。
二、贴饰面砖检验批质量验收记录表的内容和填写方法1、检验批编号:此项由验收单位填写,通常按照工程名称、专业类别、检验批顺序等划分。
2、贴饰面砖种类:填写所使用的饰面砖的种类,如陶瓷砖、大理石等。
3、规格尺寸:此项应填写所使用的饰面砖的规格尺寸,如长、宽、厚等。
4、粘贴方法及工艺:填写采用的粘贴方法和工艺,如湿贴、干挂等。
5、外观质量:此项主要检查饰面砖的表面质量,如是否有裂纹、缺棱、掉角等现象。
应逐块检查,并记录不合格的数量。
6、粘结质量:此项主要检查饰面砖与基层之间的粘结质量,如是否有空鼓、脱落等现象。
应逐块检查,并记录不合格的数量。
7、平整度及垂直度:此项主要检查饰面砖的平整度和垂直度,使用靠尺和塞尺进行检查,并记录不符合要求的位置和数量。
8、阴阳角方正:此项主要检查饰面砖的阴阳角是否方正,使用方尺进行检查,并记录不符合要求的位置和数量。
9、检验根据以上各项检查情况,给出检验结论,如合格或不合格。
如不合格,应注明需要整改的内容和要求。
10、验收人员签字:此项由验收单位的相关负责人签字确认。
三、贴饰面砖检验批质量验收记录表的注意事项1、在填写表格前,应认真阅读相关规范和标准,了解对贴饰面砖检验批的质量要求。
2、在填写表格时,应认真核对每一项内容,确保信息的准确性。
3、对于不合格的项目,应及时进行整改,并重新进行验收。
4、对于重要的质量指标,如粘结质量、平整度及垂直度等,应进行抽样复验,以验证整体质量是否符合要求。
5、在验收过程中,应注意保护个人安全和环境卫生,避免发生意外事故。
四、结论贴饰面砖检验批质量验收记录表是确保饰面砖施工质量的重要工具之一。
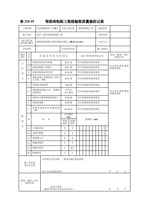
内墙饰面砖粘贴检验批质量验收记录03080201单位(子单位)工程名称分部(子分部)工程名称建筑装饰装修/饰面砖分项工程名称内墙饰面砖粘贴施工单位项目负责人检验批容量分包单位分包单位项目负责人检验批部位内墙饰面砖粘贴检验批施工依据验收依据《建筑装饰装修工程施工质量验收规范》GB50210-2001主控项目验收项目设计要求及规范规定最小/实际抽样数量检查记录检查结果1 饰面砖品种、规格、质量第8.3.2条/2 饰面砖粘贴材料第8.3.3条/3 饰面砖粘贴第8.3.4条/4 满粘法施工第8.3.5条/一般项目1 饰面砖表面质量第8.3.6条/2 阴阳角及非整砖第8.3.7条/3 墙面突出物周围第8.3.8条/4 饰面砖接缝、填嵌、宽深第8.3.9条/5 滴水线(槽)第8.3.10条/6粘贴允许偏差项目允许偏差(mm)最小/实际抽样数量检查记录检查结果外墙面砖内墙面砖立面垂直度 3 2 /表面平整度 4 3 /阴阳角方正 3 3 /接缝直线度 3 2 /接缝高低差 1 0.5 /接缝宽度 1 1 /施工单位检查结果专业工长(施工员):项目专业质量检查员:年月日监理(建设)单位验收结论专业监理工程师(建设单位项目专业负责人):年月日注:本表内容的填写需依据《现场验收检验批检查原始记录》。
本检验批质量验收的规范依据见本页背面。
外墙饰面砖粘贴工程检验批质量验收记录工程项目:外墙饰面砖粘贴工程工程地点:XX市XX区XX街道建设单位:XX有限公司施工单位:XX建筑装饰有限公司监理单位:XX监理有限公司一、工程概况1.1工程概述:1.2工程量:本次外墙饰面砖粘贴工程总计砖块面积为XXX平方米。
二、施工情况2.1材料验收:2.1.1砖块及辅材:根据施工合同要求,施工单位提供的砖块及辅材应符合国家标准规定,并经建设单位组织的验收合格。
2.1.2施工工艺及操作规程:施工单位应提供外墙饰面砖粘贴的具体工艺及操作规程,并获得建设单位和监理单位的审核通过。
2.2砌筑质量:施工单位按照设计图纸及规范要求,进行了外墙饰面砖的粘贴工作。
2.2.1粘贴平整度:经测量,外墙饰面砖的垂直度和水平度符合设计要求。
2.2.2砖缝清晰度:经目测,砖缝宽度均匀一致,没有明显的错位和开裂现象。
2.2.3砖块贴合度:砖块与墙体贴合牢固,无空鼓、脱落和裂缝现象。
2.3保护措施:在施工过程中,施工单位采取了一定的保护措施,保护了外墙饰面砖的质量。
2.3.1粉尘控制:施工单位采取了喷水降尘等措施,有效控制了施工现场的粉尘污染。
2.3.2避免损坏:施工单位在施工过程中采取了避免物品撞击破坏、及时清理施工现场等措施,保护了外墙饰面砖不受损坏。
三、质量验收结果3.1外墙饰面砖粘贴工程的质量达到设计要求和国家标准规定,通过了建设单位和监理单位的验收。
3.2外墙饰面砖粘贴工程的材料质量符合设计要求和国家标准规定,经过建设单位组织的验收合格。
四、存在的问题和整改措施4.1存在的问题:(1)一些砖缝宽度不一致,需要进行调整;(2)部分砖块与墙体贴合度不够理想,需重新粘贴;(3)施工现场粉尘控制不够彻底。
4.2整改措施:(1)对砖缝宽度不一致的问题,按规范要求进行调整,保证砖缝宽度均匀一致;(2)对于砖块与墙体贴合度不够理想的情况,进行重新粘贴,保证牢固度;(3)加强施工现场的粉尘控制,采取更加严格的措施,进行喷水降尘,确保施工现场环境的清洁。
瓷砖铺贴工程检验批质量验收记录表项目概况项目名称:瓷砖铺贴工程项目地点:[地点]施工单位:[单位名称]监理单位:[单位名称]施工单位质检员:[姓名]监理单位质检员:[姓名]验收日期:[日期]验收内容本次验收的瓷砖铺贴工程共涉及以下内容:1. 瓷砖材料的检查2. 瓷砖尺寸和平整度的检查3. 瓷砖粘贴工艺的检查4. 瓷砖拼缝和排列的检查5. 瓷砖边缘处理的检查6. 瓷砖表面质量的检查7. 瓷砖施工质量的检查验收记录瓷砖材料的检查- 验收结果:合格 / 不合格- 不合格情况:瓷砖尺寸和平整度的检查- 验收结果:合格 / 不合格- 不合格情况:瓷砖粘贴工艺的检查- 验收结果:合格 / 不合格- 不合格情况:瓷砖拼缝和排列的检查- 验收结果:合格 / 不合格- 不合格情况:瓷砖边缘处理的检查- 验收结果:合格 / 不合格- 不合格情况:瓷砖表面质量的检查- 验收结果:合格 / 不合格- 不合格情况:瓷砖施工质量的检查- 验收结果:合格 / 不合格- 不合格情况:综合评价根据以上各项检查结果,综合评价本次瓷砖铺贴工程的质量验收情况:- 验收结果:通过 / 不通过- 通过理由:验收人员签字施工单位质检员签字:____________________监理单位质检员签字:____________________结论本次瓷砖铺贴工程经过质量验收,验收结果为[通过/ 不通过],并完成了对各项工程质量的检查和评价。
各项不合格情况已记录,并需施工单位进行整改。
验收人员已签字确认。
[具体记录的页数][具体记录的附件]。
饰面砖粘贴工程检验批质量验收记录表(doc 2页)
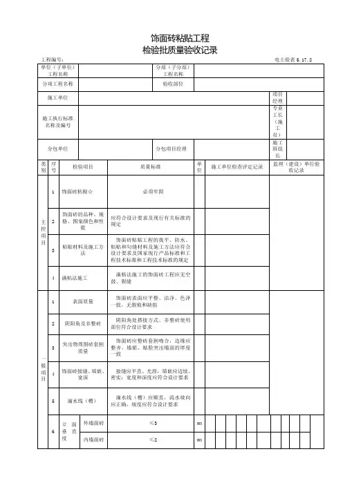
饰面砖粘贴工程检验批质量验收记录表
单位(子单位)工程名称
分部(子分部)工程名称验收部位
施工单位项目经理
分包单位分包项目经理
施工执行标准名称及编号
施工质量验收规范的规定施工单位检查评定记录监理(建设)单位验收记录
主控项1 饰面砖品种、规格、性能等第8.3.2条
2 饰面砖粘贴材料第8.3.3条
3 饰面砖粘贴第8.3.4条
4 满粘法施工第8.3.5条
一般项目1 饰面砖表面质量第8.3.6条
2 阴阳角及非整砖第8.3.7条
3 墙面突出物周围第8.3.8条
4 饰面砖接缝、填嵌第8.3.9条
5 滴水线(槽)第8.3.10条
6
允
许
偏
差
(m m)
项目玻璃砖玻璃板实测值
(mm)
立面垂直度 3 2
表面平整度 4 3
阴阳角方正 3 3
接缝直线度 3 2
接缝高低差 1 0.5
接缝宽度 1 1
施工单位检查评定结果
专业工长(施工员)施工班组长
项目专业质量检查员:年月日监理(建设)单位验收结论
专业监理工程师:
(建设单位项目专业技术负责人)年月日
说明
主控项目
1、饰面砖的品种、规格、图案、颜色和性能应符合设计要求。
观察和检查产品合格证书、进场验收记录、性能检测报告和复验报告。
2、饰面砖粘贴工程的找平、防水、粘结和勾缝材料及施工方法应符合设计要求和国家现行产品标准和工程技术标准的规定。
瓷砖铺装检验批质量验收记录
1. 项目信息
- 项目名称:
- 项目地址:
- 施工单位:
- 监理单位:
- 验收单位:
2. 背景
本次铺装检验批质量验收记录是为了确保施工质量符合规范要求,达到客户要求的标准。
3. 验收内容
本次验收主要包括以下内容:
- 瓷砖铺设质量
- 瓷砖规格与尺寸
- 瓷砖接缝处理
- 瓷砖防水效果
4. 验收过程及结果
4.1 验收过程
1. 施工单位在完成瓷砖铺设后,通知验收单位进行验收。
2. 监理单位与施工单位共同进行现场验收,并记录各项检查结果。
4.2 验收结果
经过验收,以下为本次瓷砖铺装检验批质量验收的结果:
- 瓷砖铺设质量符合规范要求。
- 瓷砖规格与尺寸符合合同要求。
- 瓷砖接缝处理符合要求,无明显缺陷。
- 瓷砖防水效果良好。
5. 验收结论
根据以上验收结果,本次瓷砖铺装检验批质量验收顺利通过,并符合相关标准和要求。
6. 附件
- 现场照片
- 检测报告
7. 验收人员
- 验收单位代表:
- 施工单位代表:
- 监理单位代表:
8. 备注
- 如果存在问题或不合格项,应记录在备注中,并制定整改措施。
厨房卫生间饰面砖粘贴工程检验批质量验收记录一、项目基本信息项目名称:厨房、卫生间饰面砖粘贴工程施工单位:XXX装饰有限公司质量监督人员:XXX二、验收依据1.《建筑行业工程质量验收规范》2.《砖砌体工程验收规程》3.施工方案及图纸三、施工过程及质量验收情况1.贴砖前的准备工作施工单位按照施工方案,对墙体进行了清理、打磨,确保墙面平整、干燥。
2.砖砌体的墙砖选用墙砖选用了规格为300mm×300mm的瓷质砖,砖的质量符合国家标准,并经过了质量监督人员的检查合格。
3.砖砌的粘贴工艺(1)墙砖边角处理:施工单位按照图纸要求,对墙砖的边角进行了修边处理,并保证边角的直线度和垂直度。
(2)砖砌墙面处理:施工单位采用先从下往上再从左往右的顺序进行墙砖的粘贴,每块砖之间的间距均匀,缝隙宽度不大于3mm。
(3)砖砌垂直度、平整度:质量监督人员使用测量工具进行了测量,墙砖的垂直度、平整度均符合规范要求。
(4)施工过程质量检查:质量监督人员对施工过程进行了监督检查,发现问题及时予以整改,确保施工质量。
4.质量验收结果(1)墙砖附着力:选取了10块墙砖进行试验,施工单位使用拉力试验仪进行测试,结果均不低于10N/mm2(2)墙砖表面质量:对已粘贴的墙砖进行了目测检查,未发现明显的砂眼、开裂、掉角等质量问题。
(3)墙砖的间距和缝隙:使用测量工具对墙砖之间的间距进行测量,结果均符合规范要求。
(4)墙砖的垂直度和平整度:使用测量工具对墙砖的垂直度和平整度进行了测量,结果均符合规范要求。
四、质量问题处理情况在质量检查过程中,发现以下问题:1.部分墙砖间距不均匀,超过了规范要求。
2.部分墙砖表面有细微的砂眼和开裂现象。
对于上述问题,施工单位已经进行了整改措施,重新调整了墙砖间距,并使用填缝剂进行修补,保证了墙砖的质量。
五、质量验收结论通过对厨房、卫生间饰面砖粘贴工程的质量验收,结合施工方案、图纸及验收依据,对施工单位的工程质量进行了综合评定。
各种材质饰面板安装工程检验批质量验收记录工程名称:各种材质饰面板安装工程工程地点:检验时间:检验标准:按照相关国家标准和设计要求进行检验检验人员:质量验收记录:1、检验项目:验收前准备工作1.1保证饰面板安装工程的基层处理合格,洁净无灰尘。
1.2检查施工现场材料储存是否符合要求。
1.3验收相关单位对饰面板安装工程的施工方案、施工组织设计、工艺措施等相关资料。
1.4检查施工现场是否按照设计要求设置临时用电和照明设施。
2、检验项目:饰面板材料质量要求2.1检查饰面板材料的质量标准和检验报告。
2.2检查饰面板材料种类、规格、颜色等是否符合设计要求。
2.3检查饰面板材料的外观质量,如表面平整、无碰伤、无色差等。
2.4采用非破坏性检测方法,对饰面板材料的尺寸、强度等进行抽样检验。
3、检验项目:饰面板安装工艺质量3.1检查饰面板的安装方案、安装工艺、施工措施是否符合设计要求。
3.2检查饰面板的安装是否牢固、稳定,是否有松动、变形等情况。
3.3检查饰面板的尺寸精度是否满足设计要求。
3.4检查饰面板之间的连接是否平整、无缝隙。
4、检验项目:饰面板后处理工艺4.1检查饰面板是否按照设计要求进行清洁工作。
4.2检查饰面板的防潮、防水、防火等处理是否符合要求。
4.3检查饰面板的涂装、喷涂等后处理工艺是否达标。
5、检验项目:饰面板工程安全和环保要求5.1检查饰面板工程的施工是否符合安全生产标准,是否存在安全隐患。
5.2检查饰面板工程施工过程中是否出现环境污染,如粉尘、噪音等。
6、质量验收结论经过上述各项检验,饰面板安装工程的质量符合设计要求和相关标准规范,经验收合格。
质量验收人员签名:。
内墙饰面砖粘贴工程检验批质量验收记录(一层) 项目背景本次工程为某小区住宅楼一层的内墙饰面砖粘贴工程。
为了保证工程质量,需进行检验批质量验收。
检验批数量与标准本次检验批共计100平方米,按照国家标准《建筑装饰装修施工质量验收规范》进行检验,主要检验以下方面:1.砖的尺寸、厚度、表面状态等是否符合要求;2.砖缝的平整度和密实度;3.砖与基层粘结牢固程度;4.砖缝宽度是否符合要求;5.砖与墙面之间是否留有规定的缝隙;6.砖缝清理是否彻底;检验方法本次检验采用目测检查和取样检验相结合的方法。
目测检查对砖的尺寸、厚度、表面状态等进行目测检查,重点检查砖表面有无明显破损、色差、毛边等问题。
取样检验取样检验包括静载试验和剪切强度试验。
其中,静载试验主要考查砖面水平度和砖与基层的粘结牢固程度;剪切强度试验主要考察砖与基层之间的剪切强度。
检验结果根据以上检验方法,本次检验结果如下:检验项标准检验结果砖的尺寸、厚度、表面状态等无明显破损、色差、毛边等问题合格砖缝的平整度和密实度砖缝宽度应不大于2mm 合格砖与基层粘结牢固程度静载试验不应有明显裂缝、脱落现合格象砖缝宽度是否符合要求应不大于4mm 合格缝隙应不小于5mm 合格砖与墙面之间是否留有规定的缝隙砖缝清理是否彻底砖缝清理干净、无杂物合格经检验,本次内墙饰面砖粘贴工程质量合格。
本次工程按照国家标准进行检验批质量验收,主要检查项目包括砖的尺寸、厚度、表面状态等、砖缝的平整度和密实度、砖与基层粘结牢固程度、砖缝宽度是否符合要求、砖与墙面之间是否留有规定的缝隙、砖缝清理是否彻底等方面,经检验,本次内墙饰面砖粘贴工程质量合格。
外墙饰面砖粘贴检验批质量验收记录项目名称:_____项目地点:_____施工单位:_____监理单位:_____施工日期:_____一、检验依据1.《建筑与装饰工程质量验收规范》2.《外墙饰面砖粘贴施工及验收规范》二、检验目的根据施工要求和质量验收规范,对外墙饰面砖粘贴工程进行质量检验和验收,确保工程质量达标。
三、检验内容及结果1.砖材验收(1)外墙饰面砖材质符合设计要求。
(2)外墙饰面砖颜色、大小、形状符合设计要求。
(3)检查每批砖块的检验合格证明,确保砖块质量合格。
2.砂浆制备(1)检查砂浆的配合比、原材料,确保符合施工要求。
(2)砂浆拌合均匀,无结块和沉降现象。
3.基层处理(1)检查基层表面平整度,光洁度符合施工要求。
(2)检查基层表面是否清洁,无油污、灰尘等杂物。
(3)基层处理质量符合施工要求。
4.砖块粘贴(1)检查砖块粘贴前是否清洁干净。
(2)检查砖块粘贴水平度、垂直度是否符合设计要求。
(3)砖与砖之间的垂直缝隙应保持一致。
(4)瓷砖与水平缝之间的缝隙应填满。
5.砖缝处理(1)检查砖缝填充材料,是否与设计要求一致。
(2)砖缝处理应保持一致的厚度和平整度。
四、质量验收结论经检验,外墙饰面砖粘贴工程符合设计要求和施工规范,质量合格。
五、存在的问题及整改措施本次质量验收发现以下问题:(1)(2)根据发现的问题,制定以下整改措施:(1)(2)六、质量验收人员签字(项目负责人):_____(监理人员):_____七、质量验收记录保留质量验收记录将保存至工程竣工验收结束。