隐蔽工程验收记录表格等
- 格式:doc
- 大小:349.50 KB
- 文档页数:12
地面层隐蔽工程验收记录工程名称项目经理分项工程名称隐蔽工程项目施工标准名称及代号隐蔽工程部位:地面砖面层工程地面砖质量要求面层所用的板块的品种、质量必须符合设计要求。
面层与下一层的结合(粘结)应坚固 ,无空鼓.砖面层的表面应洁净、图案清晰,色泽一致,接缝平整,深浅一致,周边顺直.板块无裂纹、掉角和缺楞等缺陷.面层邻接处的镶边用料及尺寸应符合设计要求,边角整齐、光滑.踢脚线表面应洁净、高度一致、结合牢固、出墙厚度一致.专业工长施工单位施工图纸名称及编号施工单位自查记录符合设计要求符合要求符合要求符合设计要求符合要求监理(建设)单位验收记录楼梯踏步和台阶板块的缝隙宽度应一致、齿角整齐;楼层梯段相邻踏步高度差不应大于 10mm;防滑条顺直。
面层表面的坡度应符合设计要求,不倒泛水、无积水;与地漏、管道结合处应严密坚固,无渗漏。
符合要求符合设计要求施工单位自查结论经检查,本分项工程符合设计及国家相关规定要求.施工单位项目技术负责人: 年月日监理工程师(建设单位项目负责人):年月日监理 (建设)单位验收结论饰面板安装 隐蔽工程验收记录工程名称 分项工程名称隐蔽工程项目施工标准名称 及代号隐蔽工程部位:饰面板工程墙面木骨架、基层板制作安装项目经理专业工长施工单位施工图纸名称及编号监理(建设)单位施工单位自查记录验收记录采用的优质烘干木材作木龙 骨(断面规格 40*40,网络 间距 200*200 施防火涂料 3 遍),其燃烧性能等均符合设 计要求.木骨架基层以 18 厚杉木细木 工板基层(防火涂料 3 遍), 连接件的规格、连接方法及 防腐处理等均符合要求.木龙骨骨架安装坚固。
其表 面平整、顺直、无翘曲及损 坏,符合设计及国家行业施 工及工艺规范要求。
经检查,本分项工程符合设计及国家相关规定要求。
施工单位项目技术负责人: 年 月 日施工单位 自查结论监理工程师(建设单位项目负责人): 年 月 日监理 (建设) 单位验收结论饰面板安装工程的预埋件(或者后置埋件)、连接件的数量、规格、位置、连 接方法和防腐处理必须符合设计要求。
隐蔽工程检查验收附表格隐蔽工程检查验收目录1 1 .目的................................ ................................. .3 3 2. 适用范围................................ ..............................3 3 3. 定义................................ ................................ ..3 3 4. 引用文件................................ ..............................3 3 5. 责任................................ ................................ ..3 3 6 6 .行动要求................................ ..............................3 3 6.1 隐蔽工程内部检查验收 ................................................. 3 6.2 隐蔽工程内业资料和工程实体检查内容 ..................................4 6.3 隐蔽工程缺陷处理.................................................... 4 6.4 隐蔽工程的验收 .......................................................5 7. 附录................................ ................................ ..5 51 1 .目的明确隐蔽工程内部检查验收流程与接口,规范隐蔽工程质量检查验收活动。
隐蔽工程验收与施工记录表的填写与审核要点隐蔽工程是指在施工过程中无法直接观察的构筑物、设施或部位,如墙内电线、管道等。
隐蔽工程的验收是施工的重要环节,通过验收可以保证工程的质量和安全性。
而隐蔽工程验收的一个重要部分,就是填写与审核隐蔽工程验收与施工记录表。
本文将从填写和审核两个方面,进行深入探讨。
一、填写隐蔽工程验收与施工记录表1. 表格格式隐蔽工程验收与施工记录表是一个重要的文档,需要按照一定的格式进行填写。
表格通常包括项目名称、施工单位、施工地点、填表日期等基本信息。
此外,还应该列出具体的工作内容和隐蔽工程位置,以及相关的规范要求。
填写时要注明具体的验收和施工时间。
2. 详细记录在填写隐蔽工程验收与施工记录表时,要尽量详细地记录相关信息。
包括施工过程中的具体操作步骤,使用的材料和设备,以及关键环节的质量检查结果等。
这有助于对工程的全面评估和后期维护。
3. 照片和图纸隐蔽工程验收与施工记录表还应该包括相关的照片和图纸。
通过照片可以清晰地展示隐蔽工程的实际情况,有助于判断工程的质量。
图纸则可以用于对工程的设计和实施做进一步的解释。
二、审核隐蔽工程验收与施工记录表1. 审核人员隐蔽工程验收与施工记录表的审核应由专业的质量监督人员进行。
审核人员需要具备相关的专业知识和丰富的经验,能够全面、准确地评估工程的质量。
2. 审核内容审核隐蔽工程验收与施工记录表时,应重点关注以下几个方面:- 表格的完整性和准确性:审核人员要确保表格中的各项信息都有填写,且内容准确无误。
- 工程的合规性:审核人员需要核对隐蔽工程是否符合相关的技术标准和规范要求。
- 工艺的可行性:审核人员要评估工程的施工工艺是否合理,是否能够保证工程的质量和安全性。
- 材料和设备的质量:审核人员应检查隐蔽工程所使用的材料和设备是否达到要求,是否符合质量标准。
3. 审核记录审核员应将审核的结果记录在隐蔽工程验收与施工记录表上。
如果发现问题或存在不合格项,应详细描述具体情况,并提出改进建议或要求进行整改。
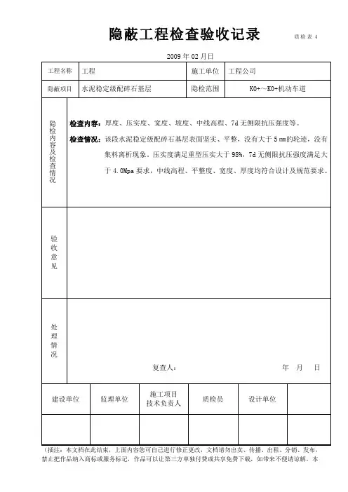
隐蔽工程检查验收记录
年月日
工程名称马鞍山市云河贸易有限责任
公司新建项目施工单位
安徽大海消防工程有限责任公司
马鞍山分公司
隐检项目消火栓系统埋地管道隐检范围马鞍山市云河贸易有限责任公
司新建项目室外埋地管道
隐检内容及
检
查
情
况
验收记录:
1、管道的材质为镀锌钢管,质量合格,其管径、标高、走向均符合设
计要求。
2、埋地管道己做好防腐处理。
3、管道经过水压强度和严密性试验,试压合格。
4、管道预埋回填黄沙垫层10公分。
验
收
意
见
处
理
情
况
及
结
论
复查人:年月日建设单位监理单位
施工项目
技术负责人
质检员。
地面砖面层隐蔽工程验收记录
注:如需绘制图纸的附本记录后。
管线敷设隐蔽工程验收记录
注:如需绘制图纸的附本记录后。
抹灰基层隐蔽工程验收记录
工程编号:表 J—01—03
注:如需绘制图纸的附本记录后。
饰面板安装隐蔽工程验收记录
注:如需绘制图纸的附本记录后。
大理石面层隐蔽工程验收记录
窗帘盒制作与安装隐蔽工程验收记录
注:如需绘制图纸的附本记录后卫生间地面防水隔离层隐蔽工程验收记录
护栏与预埋件的连接点,预埋件隐蔽工程验收记录
注:如需绘制图纸的附本记录后门套制作与安装隐蔽工程验收记录
注:如需绘制图纸的附本记录后。
门窗预埋件和锚固件隐蔽工程验收记录
轻钢龙骨吊顶隐蔽工程验收记录
注:如需绘制图纸的附本记录后。
轻钢龙骨隔墙隐蔽工程验收记录
注:如需绘制图纸的附本记录后。
隐蔽工程验收主要内容一、土建部分※桩基工程※1.桩基轴线及样桩放线定位及复核记录;2.打(压)桩施工记录、灌注桩成桩施工记录;3.预制桩接桩,灌注桩钻孔、清孔,钢筋笼制作、吊放,混凝土灌注;4.桩位轴线偏差和标高验收记录(若桩顶标高与施工现场场地标高相同时,应在桩基工程施工结束后进行)。
※基础工程※1.轴线:施工单位填报施工测量报验单(报验申请单),附施工测量放线复核单。
2.挖土(包括设计标高、暗浜、地质、基槽宽度、长度、放坡、坡度):施工单位填报地基验槽记录。
3.垫层(包括标高、长度、厚度、宽度、混凝土强度等级)。
4.底板钢筋(包括品种、规格、数量、搭接长度、箍筋间距、保护层厚度、预埋件数量位置)。
5.混凝土(包括断面尺寸,标高,是否有蜂窝、麻面、露筋,混凝土强度等级):混凝土浇灌令、混凝土级配单。
6.基础墙(包括标高、大放脚尺寸、砌筑砂浆强度):砂浆级配单。
7.防潮层钢筋(包括数量、规格、品种、搭接长度)。
8.架空板安装(包括楼板型号、下底板的离缝、搁置长度、硬找平、软坐灰;架空板锚固筋数量、规格、长度)。
※主体工程※1.轴线及放样(每一层)。
2.柱、梁、楼梯、板钢筋(包括数量、规格、品种、搭接长度、焊接情况、保护层厚度、箍筋间距、预埋件等,每层一次),巡视旁站记录。
3.雨篷、阳台、空调板等悬臂部位钢筋(每层一次),巡视旁站记录。
4.混凝土(包括表面质量、强度等级、每层一次),巡视旁站记录。
5.墙体砌筑(包括柱与墙拉结筋数量、规格及设置情况),砂浆级配单。
6.屋顶水箱钢筋(包括数量、规格、品种、搭接长度),巡视旁站记录。
7.女儿墙压顶钢筋(包括数量、规格)。
二、建筑装饰装修工程※抹灰工程※:抹灰厚度大于或等于35mm时的加强措施;不同材料基体交接处的加强措施。
※门窗工程※:预埋件和锚固件;隐蔽部位的防腐、填嵌处理。
※吊顶工程※:木龙骨防火、防腐处理;预埋件或拉结筋;吊杆安装;龙骨安装;填充材料设置。
隐蔽工程验收记录表格工程名称:____________________工程地点:____________________工程编号:____________________施工单位:____________________监理单位:____________________验收日期:____________________一、隐蔽工程基本情况序号工程部位验收标准验收结果备注1 土建工程2 给排水工程3 电气工程4 通风工程5 消防工程6 其他(如:安防工程等)二、土建工程验收情况1. 验收标准:土建工程应符合国家相关规范和技术要求。
2. 验收结果:根据现场实际情况填写验收结果。
三、给排水工程验收情况1. 验收标准:给排水工程应符合国家相关规范和技术要求。
2. 验收结果:根据现场实际情况填写验收结果。
四、电气工程验收情况1. 验收标准:电气工程应符合国家相关规范和技术要求。
2. 验收结果:根据现场实际情况填写验收结果。
五、通风工程验收情况1. 验收标准:通风工程应符合国家相关规范和技术要求。
2. 验收结果:根据现场实际情况填写验收结果。
六、消防工程验收情况1. 验收标准:消防工程应符合国家相关规范和技术要求。
2. 验收结果:根据现场实际情况填写验收结果。
七、其他隐蔽工程验收情况1. 验收标准:其他隐蔽工程应符合国家相关规范和技术要求。
2. 验收结果:根据现场实际情况填写验收结果。
八、验收结论根据以上各项工程的验收情况,经过综合评定,确定本次隐蔽工程验收结论如下:1. 隐蔽工程总体验收结果:__________2. 验收意见及建议:_____________3. 验收单位盖章:_____________9、其他补充事项1. ____________________2. ____________________3. ____________________附件:相关验收资料1. ____________________2. ____________________3. ____________________以上为隐蔽工程验收记录表格,请各相关单位认真填写,并及时上报相关部门。
基础挖土验槽隐蔽工程检查验收记录
工程名称:建设单位:图号:
隐蔽部位:施工单位:隐蔽日期:年月日
专业技术负责人:质量检查员:填表人:
注:本表适用于基础挖土验槽隐蔽工程。
说明
基础挖土验槽隐蔽工程验收内容:
1.基坑内地下水以及地表水情况及其处理情况。
2.基坑(槽)开挖尺寸(长、上下口宽、深)、有无加宽、加深、换土等情况。
3.基土遇有坑、井、人工土、障碍物等的数量、位置及清除情况。
4.地下遇有电缆、旧的管道、旧房基等位置、数量及处理情况。
5.遇有流砂等不良地基的处理。
隐蔽工程验收记录表格项目名称:___________________________施工单位:___________________________监理单位:___________________________记录日期:___________________________1. 验收基本信息项目名称:___________________________工程地点:___________________________施工单位名称:___________________________监理单位名称:___________________________验收日期:___________________________2. 验收人员施工单位代表:___________________________监理单位代表:___________________________其他相关人员:___________________________3. 工程项目概述请提供工程项目的概述,包括工程性质、规模、施工进度等内容。
4. 质量管理情况请描述施工单位在工程项目中的质量管理情况,包括质量计划、质量检查等内容。
5. 隐蔽工程验收情况请记录隐蔽工程验收的详细情况,包括验收项目、验收标准、验收结果等内容。
6. 工程质量缺陷处理情况请提供工程质量缺陷处理的情况,包括发现的缺陷、处理方式及结果等。
7. 问题整改情况请详细记录在工程验收过程中发现的问题,并记录整改情况,包括问题描述、整改要求及整改结果等。
8. 相关文件资料请列举和附上与本次工程验收相关的文件资料,如施工图纸、合同文本、报告书等。
9. 验收意见请施工单位、监理单位代表分别提出自己对本次验收结果的意见,并签字确认。
施工单位代表签字:___________________________监理单位代表签字:___________________________日期:___________________________。