隐蔽工程验收记录(通用表式一)
- 格式:xlsx
- 大小:13.23 KB
- 文档页数:1
---------------------------------------------------------------最新资料推荐------------------------------------------------------隐蔽工程检查表格(共14张)隐蔽工程检查表格 (共 14 张) 表格目录序号表格名称 1 工程检查[通用隐检工程检查] 2 一般路堤基底处理工程检查 3 路基地基浅层处理工程检查 4 钻(挖) 孔桩成孔检查 5 钻(挖) 孔桩灌注水下混凝土前检查 6 桩基承台基坑检查 7 桥梁明挖基础基底检查 8 涵洞及框架桥明挖基础基底检查 9 桥梁墩台(完工后) 中线、水平、跨度检查 10 隧道衬砌厚度、防水层及背后填塞检查 11 铺轨前路基完成情况检查 12 路基高程及宽度实测与设计对照表 13 地下电缆线埋设检查14 地线埋设工程检查[通用隐检工程检查]工程检查工程项目名称:施工合同段:编号:工程名称施工单位工程地点检查日期年月日经检查认为满足设计要求□ 经整改后满足设计要求□ 决定:准予隐蔽□ 准进入下道工序,。
1、附件:主管工程师年月日施工负责人年月日质检工程师年月日监理工程师年月日一般路堤基底处理工程检查工程项目名1 / 16称:施工合同段:编号:单位名称施工单位工程地点检查日期年月日里程:自至共 m 1、该段设计单位地质勘察文件已提供□:/未提供□:PS= Mpa 地基土类型,水位地表已□/未□进行地质补充勘探,勘探结果:PS= Mpa 或[]= Mpa 地基土类型,地下水距地表 m 2、施工前场地清理情况: 3、地下水处理措施:4、草皮、树根、杂物清理情况:已清除□/未清除,指出后清除□ 5、陡于:1:10 横坡台阶处理情况(请绘制草图说明) 6、挖除深度m ,换填 m 换填材料名称材料检验报告编号。
7、基底平整:合格□/经指出返工合格□ 8、经用法检测---------------------------------------------------------------最新资料推荐------------------------------------------------------个断面共个点。
隐蔽工程检查验收附表格隐蔽工程检查验收目录1 1 .目的................................ ................................. .3 3 2. 适用范围................................ ..............................3 3 3. 定义................................ ................................ ..3 3 4. 引用文件................................ ..............................3 3 5. 责任................................ ................................ ..3 3 6 6 .行动要求................................ ..............................3 3 6.1 隐蔽工程内部检查验收 ................................................. 3 6.2 隐蔽工程内业资料和工程实体检查内容 ..................................4 6.3 隐蔽工程缺陷处理.................................................... 4 6.4 隐蔽工程的验收 .......................................................5 7. 附录................................ ................................ ..5 51 1 .目的明确隐蔽工程内部检查验收流程与接口,规范隐蔽工程质量检查验收活动。
年月
2019
年
月
日
专业监理工程师 (建设单位项目技术负责人):
监理(建设)单位
施 工 单 位专业工长
专业质检员
施工班组长
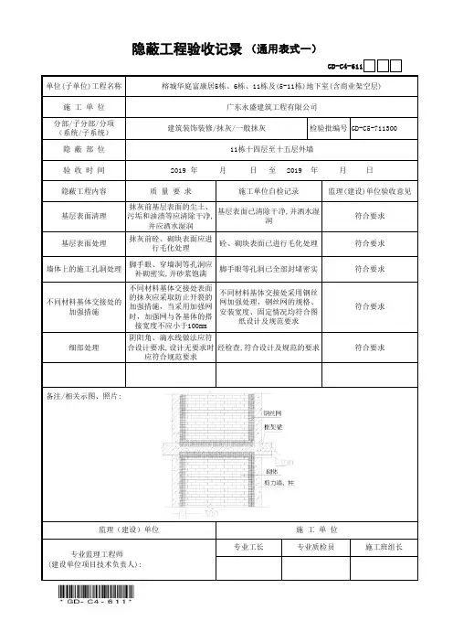
备注/相关示图、照片:
不同材料基体交接处的加强措施不同材料基体交接处表面
的抹灰应采取防止开裂的
加强措施,当采用加强网
时,加强网与各基体的搭
接宽度不应小于100mm
不同材料基体交接处采用钢丝
网加强处理,钢丝网的规格、
安装宽度、固定情况均符合图
纸设计及规范要求
符合要求
细部处理
阴阳角、滴水线做法应符
合设计要求,设计无要求时应符合规范要求
经检查,符合设计及规范的要求
符合要求
基层表面处理抹灰前砼、砌块表面应进
行毛化处理砼、砌块表面已进行毛化处理
符合要求墙体上的施工孔洞处理
脚手眼、穿墙洞等孔洞应
补砌密实,并砂浆饱满
脚手眼等孔洞已全部封堵密实
符合要求
隐蔽工程内容质 量 要 求
施工单位自检记录监理(建设)单位验收意见
基层表面清理
抹灰前基层表面的尘土、
污垢和油渍等应清除干净,
并应洒水湿润基层表面已清除干净,并洒水湿
润
符合要求
隐 蔽 部 位11栋十四层至十五层外墙
验 收 时 间2019日 至
单位(子单位)工程名称
榕城华庭富康居5栋、6栋、11栋及(5-11栋)地下室(含商业架空层)
施 工 单 位广东永盛建筑工程有限公司
分部/子分部/分项 (系统/子系统)建筑装饰装修/抹灰/一般抹灰
检验批编号GD-C5-711300
隐蔽工程验收记录(通用表式一)
GD-C4-611。
隐蔽工程检查验收记录编号:zq —zjlm-002工程名称自强乡寨脚龙马公路至家垮通村路建设工程 施工单位贵州鸿友诚建筑安装有限公司隐检项目 级配碎石填筑隐检范围 路基K0+000~K1+575检 查 情 况隐 检 内 容 及一、隐检内容1、填筑厚度;2、高程;3、中线偏位;4、平整度;5、横坡;6、压实度. 二、检查情况经检查,填方前地表无积水,无生活垃圾等。
所填筑的碎石级配均匀。
填筑厚度为15cm,经振动式20吨压路机碾压后,路基表面平整、坚实,无显著轮迹、波浪等现象,填筑压实后密实、稳定、平顺等。
各实测项目均符合《公路工程质量检验评定标准》(JTG F80/1—2017)的要求。
验 收 意 见经检验符合□不符合□设计标准及施工规范要求,同意□不同意□进行下道工序施工。
现场监理: 年 月 日处理情况复查人: 年 月 日参加验收人员建设单位(盖章):项目负责人:年 月 日监理单位(盖章):监理工程师:年 月 日施工单位(盖章):项目经理:年 月 日编号:zq-zjjk-002工程名称自强乡寨脚村家垮至杨家寨通村路建设工程 施工单位贵州鸿友诚建筑安装有限公司隐检项目 级配碎石填筑隐检范围 路基K0+000~K1+640检 查 情 况隐 检 内 容 及一、隐检内容1、填筑厚度;2、高程;3、中线偏位;4、平整度;5、横坡;6、压实度. 二、检查情况经检查,填方前地表无积水,无生活垃圾等.所填筑的碎石级配均匀.填筑厚度为15cm ,经振动式20吨压路机碾压后,路基表面平整、坚实,无显著轮迹、波浪等现象,填筑压实后密实、稳定、平顺等。
各实测项目均符合《公路工程质量检验评定标准》(JTG F80/1—2017)的要求。
验 收 意 见经检验符合□不符合□设计标准及施工规范要求,同意□不同意□进行下道工序施工。
现场监理: 年 月 日处理情况复查人: 年 月 日参加验收人员建设单位(盖章):项目负责人:年 月 日监理单位(盖章):监理工程师:年 月 日施工单位(盖章):项目经理:年 月 日。
隐蔽工程验收记录表1. 引言本文档是针对隐蔽工程进行验收的记录表,旨在对完成的隐蔽工程进行全面检查和验收。
本文档记录了隐蔽工程的验收结果、问题和改进意见等信息。
通过本文档的编写和记录,可以实现对隐蔽工程的标准化验收,确保工程质量和安全。
2. 验收时间和地点•验收时间:[填写验收时间]•验收地点:[填写验收地点]3. 验收人员•建设单位代表:[填写建设单位代表姓名]•施工单位代表:[填写施工单位代表姓名]•监理单位代表:[填写监理单位代表姓名]4. 验收内容4.1 隐蔽工程清单•[填写隐蔽工程清单]4.2 验收项目•[填写验收项目1]•[填写验收项目2]•[填写验收项目3]•…5. 验收结果5.1 合格项目•[填写合格项目1]•[填写合格项目2]•[填写合格项目3]•…5.2 不合格项目•[填写不合格项目1]•[填写不合格项目2]•[填写不合格项目3]•…6. 验收问题与改进意见6.1 验收问题•[填写验收问题1]•[填写验收问题2]•[填写验收问题3]•…6.2 改进意见•[填写改进意见1]•[填写改进意见2]•[填写改进意见3]•…7. 总结与建议通过本次隐蔽工程的验收,我们对工程的质量和安全进行了全面评估。
针对不合格项目和验收问题,必须及时采取相应的措施进行整改和改进,确保工程的顺利进行。
在未来的隐蔽工程中,建议加强对验收标准的规范性,提高施工单位和监理单位的监督和管理能力,以确保工程的质量达到要求。
8. 验收人员签名•建设单位代表签名:___________________ •施工单位代表签名:___________________ •监理单位代表签名:___________________。
隐蔽工程验收记录此表为通用表格,由施工单位填写。
工程名称施工单位隐蔽工程内容 检验批(分项)工程名称 单位 数量说 明1.面层后的结构层表面的白灰,杂物、尘土己清理干净2.原墙面碱蚀,松散部分,并用M10水泥砂浆抹面,已松动的勾缝砂浆剔除。
3.原墙面己开裂的墙体,剔除裂缝两侧1米范围内砖缝,清除缝内浮渣,用砂浆灌注封闭裂缝,并用M10水泥砂浆重新勾缝。
内墙体基层清理存在缺陷整改情况验收结论参加人员建设单位项目专业负责人(总)监理工程师 设计单位 施工单位 质量检查员墙体喷浆(刷浆)隐蔽工程验收记录此表为通用表格,由施工单位填写。
工程名称贵池职教中心食堂加固工程施工单位 安徽梅龙建筑集团有限公司隐蔽工程内容 检验批(分项)工程名称 单位 数量说 明1、 原材料质量已验收,质量合格,详见材料报验单。
2、 墙面己冲洗,湿润;3、 砂浆流动性符合图纸设计要求4、 砂浆面层的养护符合要求5、内墙体喷浆(刷浆)存在缺陷整改情况验收结论参加人员建设单位项目专业负责人(总)监理工程师 设计单位 施工单位 质量检查员墙体铺贴钢筋网片隐蔽工程验收记录工程名称贵池职教中心食堂加固工程施工单位安徽梅龙建筑集团有限公司隐蔽工程内容检验批(分项)工程名称单位数量说明1、钢材合格证,检测报告齐全。
2、钢材品种、规格、铺设方式和位置均符合图纸设计要求。
3.钢筋绑扎符合要求4.钢筋无锈浊,无污染;内墙体铺贴钢筋网片存在缺陷整改情况验收结论参加人员建设单位项目专业负责人(总)监理工程师设计单位施工单位质量检查员墙体锚固钢筋隐蔽工程验收记录工程名称贵池职教中心食堂加固工程施工单位安徽梅龙建筑集团有限公司隐蔽工程内容检验批(分项)工程名称单位数量说明1.钢材合格证,检测报告齐全。
2.钢材品种、规格、锚固方式和位置均符合图纸设计要求。
3.钢筋无锈浊,无污染;内墙体锚固钢筋存在缺陷整改情况验收结论参加人员建设单位项目专业负责人(总)监理工程师设计单位施工单位质量检查员角钢隐蔽工程验收记录工程名称城关小学综合楼加固工程施工单位安徽海博建设工程有限公司隐蔽工程内容检验批(分项)工程名称单位数量说明1、原材料质量已验收,质量合格,详见材料报验单。
年月日 2、对保温、隔热层与节点处的防火、防虫、防腐蚀措施,应作出质量认定。
3、隐蔽工程检查记录的表式,可按表C2-5-1-4形式和要求项目填写。
并写明所用材料的合格证件或复查试验单编号,以及试件强度报告编号。
4、有防水要求的屋面、楼面应有蓄水检验记录。
在工程交工前,对工程的每个有防水要求的楼、地面进行24小时蓄水检验。
蓄水深度20~30mm,屋面进行淋水检验,人工连续2小时淋水或连续降雨3小时以上屋面不渗漏,检验记录见表式C2-5-2 防水工程隐蔽检查验收记录1、屋面、地下室、室内地面处的防水工程均应做防水工程隐蔽检查记录,隐蔽内容应包括:① 记明隐蔽部位各层间(包括保温层等)质量情况(坡度、厚度、渗漏、积水);② 记载施工前(防水)测定的各层材料含水率数值;③ 对重大部位或重要节点处设计变更情况应加以说明(文字难以说明的可用图示说明)。
伸缩缝处理、穿越防水层埋件等节点处理状况、验收情况。
不编写钢筋工程隐蔽检查验收记录。
钢结构工程隐蔽检查验收记录:钢结构工程中箱式结构等要对其防腐或防火涂装工程按表C2-5-1-4作为隐蔽检查验收。
装饰装修工程中的隐蔽工程验收装饰装修工程中涉及隐蔽工程验收的,详见“细则”,应按装饰装修分部工程表Q·1·45填写,并列入汇总表C2-5-1-1。
件,如梁、板、柱、架、基墩等可编制单一的隐蔽记录。
2、钢筋隐蔽的检查内容应包括:钢筋配置是否符合设计要求(品种、规格、数量、位置及预埋件);设计变更、材料代用情况;施工质量如绑扎方法、焊接方法、除锈状态、搭接长度、垫块厚度、焊接或搭接位置与方式等;以及材质情况如焊件试验报告、钢筋出厂合格证件、进场试验报告等,对重要结构部位的钢筋隐蔽,必要时可拍照或录像作为隐蔽附件存档。
3、对于小型钢筋混凝土构件(门窗过梁、室内地沟盖板、挑檐板、阳台栏板、梁垫、小型墩池等),可缝隙处理情况;3、砌筑施工质量检验情况(包括标高、埋深、大放脚、拉结石、砂浆饱满度等),以及相邻基础处理方法(深、浅基础)等。
单位(子单位)工程质量竣工验收记录
单位(子单位)工程安全、功能和景观检验资料
核查及主要工程抽查记录
注:抽查项目有验收组协商确定
苗木规格抽查记录
绿化成活率抽查记录
园路广场工程单位(子单位)工程质量检查记录
假山叠石工程单位(子单位)工程感官质量检查记录
给排水及喷管工程单位(子单位)工程观感质量检查记录
园林建筑工程单位(子单位)工程观感质量检查记录
喷泉、喷灌调试记录
原料、构配件、设备进场验收记录
注:1、设备指工程自身使用的设备。
2、主要材料、半成品、成品、构配件、器具和设备进场验收填写表。
3、重要建筑材料应进行复检。
4、批量:每次提交验收的实际数量。
植物材料进场记录(通用)
草坪类植物进场记录
种籽类植物材料进场记录
隐蔽工程施工质量验收记录
园林绿化施工记录(通用)
园林绿化工程植物种植定位记录
园林绿化工程整地施工记录
喷泉水池人工湖工程单位(子单位)工程观感质量检查记录
绿化工程单位(子单位)工程观感质量检查记录
单位(子单位)工程质量控制资料核查记录。
隐蔽工程检查验收隐蔽工程检查验收目录1.目的 (3)2. 适用范围 (3)3. 定义 (3)4. 引用文件 (3)5. 责任 (3)6.行动要求 (3)6.1隐蔽工程内部检查验收 (3)6.2 隐蔽工程内业资料和工程实体检查内容 (4)6.3 隐蔽工程缺陷处理 (4)6.4隐蔽工程的验收 (5)7. 附录 (5)1.目的明确隐蔽工程内部检查验收流程与接口,规范隐蔽工程质量检查验收活动.2. 适用范围适用于*****工程(以下简称“本工程”)施工中涉及的隐蔽工程检查验收活动.3. 定义隐蔽工程:指在施工过程中将被掩埋、覆盖而无法在最终产品检验时进行详细检验的分部、分项工程或部位;隐蔽工程只能在施工过程中就进行检查验收,在“工程质量计划表”中按规定一般被选为停工待检点(H点),必须经选点单位授权人员检查签证,否则不能越过该点继续施工.4. 引用文件5. 责任5.1 专业工程处➢负责隐蔽工程复检,编制每次隐蔽范围内的设计文件清单,包括设计图纸、设计变更文件;➢提供准确、完整、清晰的质量证明文件、质量记录资料;➢编制综合隐蔽验收单会签单并负责传递、提交.5.2 质量检验处➢负责在工程管理部复检的基础上,对隐蔽工程进行验收检查,组织、配合监理监督进行隐蔽工程的检验、核验和核查.5.3 试验中心➢负责提供有关试验报告及资料,需要时参与、配合检查.5.4物资管理科➢负责提供材料、设备方面的有关技术、质量文件、资料,需要时参与、配合检查. 6.行动要求6.1隐蔽工程内部检查验收6.1.1隐蔽工程项目或部位,在施工过程中和完成以后,专业工程处负责进行自检,符合要求后通知质量检验处对隐蔽工程进行复检需提前一周.专业工程处负责填写隐蔽工程报验单(见附表7.1),填写隐蔽验收记录(土建专业隐蔽验收记录见附表7.2~附表7.6),隐蔽工程报验单(见附表7.1)编号规则同验收记录相同,按《检查和试验计划管理》程序收集、整理、保存或提供有关文件、记录,合格后负责通知质量检验处进行检查验收,并配合质量检验处、监理监督进行隐蔽工程的检验、核验和核查.并为隐蔽工程的检查、验证准备或提供必须的人员、器具和场所等资源,对隐蔽工程质量缺陷负完善、处理责任.6.1.2 质量检验处对隐蔽工程施工质量进行监督,在接到工程管理部验收通知后,及时对隐蔽工程内业资料进行检查,符合要求后到现场对工程实体进行检查,通知、组织和配合监理进行隐蔽工程的检验、核验和核查.6.1.3工程管理部必须按《检验和试验计划管理》程序收集、整理、保存或提供有关文件、记录,为隐蔽工程的检查、验证准备或提供必须的人员、器具和场所等资源.6.2 隐蔽工程内业资料和工程实体检查内容6.2.1隐蔽工程内业资料检查内容有(不限于):质量保证资料、施工技术资料、工程管理资料、质量验评资料等内业资料的完整性、准确性和齐全性.➢质量保证资料要检查原材料、半成品的出厂质量合格证明,抽样复试报告,各种试验检验报告,无损检测报告等;➢施工技术资料要检查施工技术方案、施工技术措施、工作(操作)程序等;➢工程管理资料要检查组织机构,人员资质,施工机具与计量器具精度、准确性、合格使用周期,管理程序等;➢质量验评资料要检查分项、分部工程质量检验评定表及相关资料.6.2.2 隐蔽工程实体检查内容有(不限于):实体与设计文件、施工规范、质量验评标准和施工技术方案、工作程序的一致性.➢工程实体与设计文件的一致性要检查隐蔽工程所使用的原材料、半成品等材料、设备的规格、型号、数量、质量、使用功能是否符合设计文件;➢工程实体与施工规范的一致性要检查隐蔽工程的施工技术方案、工作程序、施工技术记录是否符合施工规范;➢工程实体与质量验评标准的一致性要检查隐蔽工程的随机抽样、验评方法、抽查比例是否符合验评标准.对隐蔽工程可采取抽样检查和全数检查.6.3 隐蔽工程缺陷处理6.3.1内部检查验收中所发现工程实体中存在的一般质量问题或缺陷,由专业工程处进行整改、处理、完善,所发现的质量问题或缺陷属于不符合项时应按《不符合项控制》程序进行处理.内业资料中存在的问题或缺陷,由工程管理部进行整改、处理、完善.6.3.2处理完毕由质量检验处进行内部验证,符合要求后重新通知、组织和配合监理再次进行隐蔽工程的检验、核验和核查.6.3.3若有足够理由怀疑已经隐蔽的工程存在质量问题,监理有权对其进行重新检查,重新检查可由双方共同执行,也可由第三方执行.6.4隐蔽工程的验收6.4.1经监理检验符合设计文件、施工规范、质量检验标准的隐蔽工程才能验收,并在“工程质量计划表”对应栏目中签字放行;6.4.2核验符合设计文件、施工规范、质量检验标准的隐蔽工程必须及时办理“隐蔽工程验收记录”,记录原件经质量检验处、监理会签后,纳入工程竣工文件.6.5隐蔽工程下一道工序的施工6.5.1未经监理授权代表验收,或检验不符合设计文件、施工规范、质量检验标准的隐蔽工程,专业工程处不得进行下一道工序施工.6.5.2 经监理检验符合要求并签证、放行的隐蔽工程,专业工程处应抓紧时间进行下一道工序施工.6.5.3重要部位隐蔽工程隐蔽验收合格后(如主体结构、设备基础),应进行会签工作,会签格式(见附录7.7和7.8),会签单由专业工程处技术人员编制,专业、质检负责人审核确认后,经监理确认会签.会签应在隐蔽工作前3天内完成,会签完成后如果3天没有进行隐蔽,需重新进行会签,会签完成时间以监理最后一个QC人员签字的时间为准.会签时,会签单上N/A的专业,项目部的技术、QC确认后,监理不在确认.对于回填、灌浆、吊顶、石膏板墙、砌体墙等隐蔽的会签,只对需要隐蔽的某专业的物项进行会签确认,其他专业N/A即可,不需经监理确认会签.7. 附录7.1隐蔽工程报验单7.2隐蔽工程验收记录(通用表样)7.3地基验槽、地基处理工程7.4地下防水、防腐工程7.5地下砼结构工程7.6钢筋工程7.7土建隐蔽工程会签单7.8安装隐蔽工程会签单隐蔽工程验收申请表表号: A14-03填报说明:本表一式 3 份,由承包单位填报,项目监理机构、总承包单位、承包单位各1份.隐蔽工程验收记录(表样)编号:按施工验收记录编号填写7.3地基验槽、地基处理工程隐蔽工程验收记录(地基验槽、地基处理工程)编号:按施工验收记录编号填写项目专业质量检查员:项目专业技术负责人: 总承包单位专业工程师:专业监理工程师: 设计单位: 勘察单位:填表日期: 年月日7.4地下防水、防腐工程隐蔽工程验收记录(地下防水、防腐工程)编号:按施工验收记录编号填项目专业质量检查员:项目专业技术负责人:总承包单位专业工程师:专业监理工程师:填表日期: 年月日7.5地下砼结构工程隐蔽工程验收记录(地下混凝土结构工程)编号:按施工验收记录编号填写项目专业质量检查员:项目专业技术负责人:总承包单位专业工程师:专业监理工程师:填表日期: 年月日隐蔽工程检查验收7.6钢筋工程隐蔽工程验收记录(钢筋工程)编号:按施工验收记录编号填写项目专业质量检查员:项目专业技术负责人:总承包单位专业工程师:专业监理工程师:填表日期: 年月日土建隐蔽工程会签单机组号: 部位:计划隐蔽日期: 设计文件清单编号: 会签单编号:安装隐蔽工程会签单机组号: 部位:计划隐蔽日期: 设计文件清单编号: 会签单编号:。
基础挖土验槽隐蔽工程检查验收记录
工程名称:建设单位:图号:
隐蔽部位:施工单位:隐蔽日期:年月日
专业技术负责人:质量检查员:填表人:
注:本表适用于基础挖土验槽隐蔽工程。
说明
基础挖土验槽隐蔽工程验收内容:
1.基坑内地下水以及地表水情况及其处理情况。
2.基坑(槽)开挖尺寸(长、上下口宽、深)、有无加宽、加深、换土等情况。
3.基土遇有坑、井、人工土、障碍物等的数量、位置及清除情况。
4.地下遇有电缆、旧的管道、旧房基等位置、数量及处理情况。
5.遇有流砂等不良地基的处理。
年月年月日隐蔽方式:采用刚性防水套管Φ100、Φ150。
施工方法:刚性防水套管翼环宽60mm,厚10mm,双面满焊,焊缝饱满,无虚焊,焊接质量良好,预埋标高、尺寸符合设计要求,固定牢固;内壁刷两道防锈漆保护,施工质量符合设计及施工规范要求。
专业监理工程师
(建设单位项目技术负责人):
监理(建设)单位
施 工 单 位专业工长专业质检员施工班组长GD-C4-611 备注/相关示图、照片:
隐蔽工程内容质 量 要 求
施工单位自检记录监理(建设)单位验收意见刚性防水套管预埋套管牢固,标高,
尺寸及外观符合要求符合要求
隐 蔽 部 位
教学楼首层梁板(1-A~1-G轴×1-1~1-16轴)套管敷设验 收 时 间
日 至单位(子单位)工程名称
施 工 单 位
分部/子分部/分项
(系统/子系统)
建筑给排水检验批编号隐蔽工程验收记录(通用表式一)。