哈理工电机学习题库
- 格式:doc
- 大小:1.24 MB
- 文档页数:12
哈工大 2006 年 秋 季学期电机学 答案及评分标准一、 选择题二、 填空题1、升高,降低2、1000r/min ,6,0.053、铁损,铜损4、4极,15,0.5 5、交流电,直流电6、电势归算就是匝数归算,而电流归算中还包括了相数的归算(只说最后一半也算对)7、额定电压相等,连接组号相等,短路阻抗标幺值相等 8、改善电势和磁势的波形,削弱高次谐波 9、容性10、有无剩磁,励磁磁动势与剩磁方向相同,励磁回路总电阻小于临界电阻三、简答题1、2、mR mX 1R σ1X空载时,s ≈0;(写s=1扣1分)'2R 1R σ1X '2σX mR mX堵转时,s=1(无激磁回路也可以)2E ' '22jx I σ'I '22r I '-'2U (1) 相位关系对就可以,角度和比例不用太严格, (2) 相量标识必须大写加点,否则酌情扣分。
3、 4、四、计算题1、(1)k=6000/230=26.087rk=r1+k*k*r2,其他的相类似,有 rk=8.61Ω xk=17.75Ωzk=8.61+j17.75Ω或zk=19.73Ω ………………………………………………….3分 (2)通过Un, In, 可以得到Zb=360,用rk*=rk/Zb, 其他的相类似,可以rk*,xk*,zk*的数值为 Rk*=0.02392 Xk*=0.04932Zk*=0.05481 …………………………….3分 (3)首先求出来对应某一COSφ2的SIN φ2数值,再利用公式求之。
COSφ2=0.8(滞后)时, SIN φ2=0.6,du=rk* COSφ2+xk*SIN φ2=4.87%, …………………….2分 COSφ2=0.8(超前)时,SIN φ2=-0.6,du=rk* COSφ2+xk*SIN φ2=-1.046% … …………….2分2、(1)∵n=1450, ∴n s = 1500Ωs =2πn s /60= 2π1500/60=157 rad/sP e =T e Ωs =100 x 157= 15700 W(=15.7kW) …………………………….3分假设B 相断线,此时虽然A 、C 相绕组在空间有相位差,但流过的是同一个电流,时间上无相位差,所以是脉振的。
目录第二章变压器 (2)第三章直流电机的稳态分析 (13)第四章交流绕组及其电动势和磁动势 (17)第五章感应电机的稳态分析 (31)第九章旋转电机分析的一般方法 (35)第十一章同步电机的动态分析 (36)第一部分 电机的基本原理和稳态分析第二章 变压器2-1. 什么叫变压器的主磁通,什么叫漏磁通?空载和负载时主磁通的大小取决于哪些因素?答:主磁通:同时交链一次、二次绕组的磁通; 漏磁通:只交链一次或二次绕组的磁通。
空载主磁通的大小取决于一次电压; 负载主磁通的大小取决于二次电压。
2-2. 答:f 由50Z H 变为60Z H ,额定电压不变,激磁电流m I 变为原来的65铁耗Fe P 约为原来的3.1)65(;漏抗为原来的56。
2-3. 答:归算的目的是为了简化定量计算和得出变压器一次、二次侧有电的联系的等效电路。
归算的实质是在功率和磁动势保持不变的条件下对绕组的电压和电流所进行的一种线性变换。
2-4. 答:T 形等效电路中各参数意义:σ11,X R 为一次侧绕组的电阻和漏抗;m m X R ,为激磁电阻和电抗;σ2'2',X R 为二次绕组折算到一次侧的电阻和漏抗。
2-5. 答:一次电压、电流功率和损耗均为实际值;二次电压、电流为折算值。
2-6. 答:励磁阻抗可由空载试验来测得,0I U Z N m ≈,0I 为空载额定电压时测得的激磁电流。
另外,激磁电阻为:200I P R m ≈,励磁电抗22m m m R Z x -=,0P 为空载损耗。
等效漏阻抗可由短路试验测得:短路阻抗kN k k U I UZ ,≈为短路额定电流时外加电压值。
短路电阻为K NK K P I PR ,2≈为短路试验在额定电流时测得的输入功率,则短路电抗为22K KK R Z x -=;用电流桥测出一、二次绕组直流电阻21,r r ,由方程组:⎪⎩⎪⎨⎧=+='2'211'21r R r R R R R K 可求得1R 和'2R ,漏抗分离可假设:2'21K x x x ==从而求得一、二次侧的等效漏阻抗。
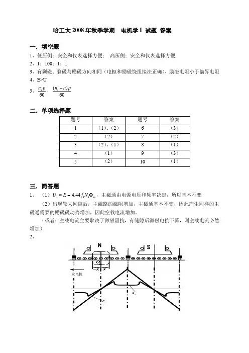
哈工大2008年秋季学期 电机学I 试题 答案一.填空题1、低压侧;安全和仪表选择方便; 高压侧;安全和仪表选择方便2、1:100;1:13、有剩磁、剩磁与励磁方向相同(电枢和励磁绕组接法正确)、励磁电阻小于临界电阻4、E>U5、60s n p ,()60s n n p-二.单项选择题三.简答题1、 (1)1114.44m U E f N ≈=Φ,主磁通由电源电压和频率决定,所以基本不变(2)出现较大间隙后,主磁路的磁阻增加,主磁通基本不变,因此产生同样的主磁通需要的励磁磁动势增加,因此空载电流增加。
(或者:空载电流主要取决于激磁阻抗,有缝隙后激磁电抗下降,则空载电流必然增加) 2、3、4、增加转子电阻,最大转矩不变,启动转矩增加。
四、计算题1、变压器题(1)用标幺值表示的近似等效电路的参数; …………..4分**1*10**10*2210******(75)***2(75)(75)1200.057.35 1.961500(0.05)19.90.05522.50.0151500mm m k kk k k C k C k C kU Z I P R I X U Z U I P R P I ======⨯========== 053.0)015.0()055.0(222*)75(2**=-=-=C k k k R Z X0075.02*)75(*'2*1===C kR R R0265.02**'2*1===k X XX (也可以先求出来数值,再求标幺值) (2)折算到一次侧的T 形等效电路各个参数值; …………..3分113111150015010101066.67150N N N N b N S I A A U U Z I ===⨯==Ω=Ω*1*1*12066.671333.31.9666.67130.6719.966.671326.7m m b m m b m m b Z Z Z R R Z X X Z ==⨯Ω=Ω==⨯Ω=Ω==⨯Ω=Ω'120.0075*66.670.5R R ===Ω'120.0265*100 1.767X X ===Ω(3)当接额定负载且8.0cos 2=ϕ(滞后)时的电压调整率u ∆。
哈理工电气电路1答案一、选择题1.KVL 和KCL 不适用于 D 。
A .集总参数线性电路;B .集总参数非线性电路;C .集总参数时变电路;D .分布参数电路2.图1—1所示电路中,外电路未知,则u 和i 分别为 D 。
A .0==i u u S ,;B .i u u S ,=未知;C .0=-=i u u S ,;D .i u u S ,-=未知3.图1—2所示电路中,外电路未知,则u 和i 分别为 D 。
A .S i i u =∞=, ;B .S i i u -=∞=, ;C .S i i u =未知, ;D .S i i u -=未知,4.在图1—3所示的电路中,按照“节点是三条或三条以上支路的联接点”的定义,该电路的总节点个数为 A 。
A .5个;B .8个;C .6个;D .7个5.在图1—4所示电路中,电流源发出的功率为 C 。
A .45W ;B .27W ;C .–27W ;D .–51W二、填空题1.答:在图1—5所示各段电路中,图A 中电流、电压的参考方向是 关联 参考方向;图B 中的电流、电压的参考方向是 非关联 参考方向;图C 中电流、电压的参考方向是 关联 参考方向;图D 中电流、电压的参考方向是 非关联 参考方向。
2.答:图1—6所示电路中的u 和i 对元件A 而言是 非关联 参考方向;对元件B 而言是 关联 参考方向。
3.答:在图1—7所示的四段电路中,A 、B 中的电压和电流为关联参考方向,C 、D 中的电压和电流为非关联参考方向。
4.答:电路如图1—8所示。
假如10=R Ω,则10=U V ,9-=I A ;假如1=R Ω,则 10=U V ,0=I A 。
5.答:在图1—9 (a)所示的电路中,当10=R Ω时,=2u 50V ,=2i 5A ;当5=R Ω时,=2u 50V , =2i 10A 。
在图1—9 (b)所示的电路中,当R =10Ω时,2002=u V, 202=i A ;当5=R Ω时,1002=u V , 202=i A 。
考试科目:电路 考试时间:120分钟 试卷总分:100分一.填充题(本大题共3小题,总计10分)1、本小题3分装 三角形电阻电路如图所示,其等效的星形电阻电路参数为R ;、= _______ Q, /?b = _______________ Q, Rc = _______________ Q o2、本小题3分图示电路中No 为无源线性电阻网络,"s 为直流电压源。
当〃s=120 V 时,/( =4 A, U 2 =64 V,尺3消耗的功率=80 Wo 若S 降为60 V,人将变为 ___________________ A ; U?为 _____ V; § 为 ______ Wo——>—E 3 -----Rs——_•+.JLNoU. &■-TR3系(部.屮心.教研室):班级••自动化乍( )班电技04,()班题号 —-二 三 卩U五 六 七 八 九 十十 十 十 十四 总分 得分评卷 教师出题教师:王威图(a): ___________________图(b): ___________________ 图(c):___________________图(d): ___________________二.单项选择题(本大题共10小题,总计32分)1.本小题(4分)电路如图所示,开关S 由打开到闭合,电路内发生变化的是A.电压UB.电流/C.电压源的功率D.电流源的功率答( )班级••自动化04,(3、木小题4分图示电路的端口电压况(或电流i )与各独立电源参数的关系是6U(a)(b))班电技04,(装 .丿他屮“(c)(①2QJn 2Q—1A(IV)4Q15Q4Q学号:姓名••2.本小题(2分)图示电路中,7? >0,若等效电阻为R,贝ijA. R〉12QB. /?<12QC. /?>12QD. R〈12 Q答()3.本小题(4分)用叠加定理可求得图示电路的端口电压u应为A. 16 VB. 16cos /V答()4.本小题(4分)今有10u F的电容元件,充电到100 V后从电路中断开, 到36.8 V,则该电容元件的绝缘电阻为A. 100kQB. 1MQC. 10MQD. 20MQ 经10s后电压下降f R6.本小题(2分)已知某正弦电压u- U m cos(cor--^) V,正弦电流z = I m sin cor A,贝九如下相位关系JTA.比超冃ij i ----4C. u超询,—4答()功率(功率复量)农等于A.250 VAB.250Z-30°VAC.250/60° VAD.0答()8.本小题(4分)图示电路中,电流比丛应为1UA. _心;B. 一心;C. _心;D. 一心c/?A + R B R» +心心心5.本小题(2分)电路如图所示,/ = ()时开关断开,贝ij/n()时,XQ电阻的电流i为2尹A」LB.-2e"9r A」L1 _ 12Q0 Tt = 0+6Q1)36V I\8Q2H:C. -4e~9z AD. 4e_9/AD. u、i同相位7.木小题(2 分)已知某电路的(复)阻抗Z = 10Z60°Q, 则当外施电压为(7=5OZ-30°时,其复装10.本小题(4分)图示网络端口的电压电流关系为4U = 40-8/,则该网络诺顿等效电路是iJ姓名•• A. B. C. D.答()班级••白动化0严( 9.本小题(4分)图示二端网络的戴维南等效电路的两参数为3 3宀 3 3宀 A.-V 、 -Q B. -V 、 -Q 4 22 29 6 C.5V 、5QD.-V . -Q5 5)班电技04,()班学号••三.非客观题本题6分电路如图所示,求各个电源的功率(以吸收功率为正,2A,S2上2V10V( u s] /S3( ;5A 5V( )U S3四、非客观题本题4分试用网孔分析法求解图示电路的I024 V 供出功率为负)。
哈尔滨理工大学机械电子工程专业-机械设计经考研复习必做重点习题汇编-考研资料-真题报考哈尔滨理工大学机械电子工程专业考研专业课资料的重要性根据考研淘宝网教育的统计,87.3%以上报考哈尔滨理工大学机械电子工程专业考研成功的考生,尤其是那些跨学校的考研人,他们大多都在第一时间获取了哈尔滨理工大学机械电子工程专业考研专业课指定的教材和非指定的哈尔滨理工大学机械电子工程专业内部权威复习资料,精准确定专业课考核范围和考点重点,才确保了自己的专业课高分,进而才才最后考研成功的。
如果咱们仔细的研究下问题的本质,不难发现因为非统考专业课的真题均是由哈尔滨理工大学机械电子工程专业自主命题和阅卷,对于跨校考研同学而言,初试和复试命题的重点、考点、范围、趋势、规律和阅卷的方式等关键信息都是很难获取的。
所以第一时间获取了哈尔滨理工大学机械电子工程专业考研专业课指定的教材和非指定的哈尔滨理工大学机械电子工程专业内部权威复习资料的考生,就占得了专业课复习的先机。
专业课得高分便不难理解。
那么怎么样才能顺利的考入哈尔滨理工大学机械电子工程专业呢?为了有把握的的取得专业课的高分,确保考研专业课真正意义上的成功,考研专业课复习的首要工作便是全面搜集哈尔滨理工大学机械电子工程专业的内部权威专业课资料和考研信息,建议大家做到以下两点:1、快速消除跨学校考研的信息方面的劣势。
这要求大家查询好考研的招生信息,给大家推荐一个考研淘宝网,有详细的考研招生信息。
2、确定最合适的考研专业课复习资料,明确专业课的复习方法策略,并且制定详细的复习计划,并且将复习计划较好的贯彻执行。
哈尔滨理工大学机械设计考研复习必做重点习题汇编由考研淘宝网教育组织哈尔滨理工大学机械电子工程专业研一的多名研究生整理编写,习题的来源是哈尔滨理工大学机械电子工程专业导师的习题集、高分研究生在考研复习中遇到的重难点习题、考研真题中的典型习题、与考研真题同类型同考点的习题等等。
机电学测题库(100题)3您的姓名: [填空题] *_________________________________1. 4 . 常用于高速场合的凸轮机构的从动件形式是 [单选题]A.平底从动件(正确答案)B.尖顶从动件C.滚子从动件D.曲面从动件2. 21 . 判断铰链四杆机构传力性能的重要参数是 [单选题]A.压力角(正确答案)B.摆角C.极位夹角D.行程速度变化系数3. 32 . 在承受较大载荷时,为保证圆螺母的定位可靠,通常采用( )螺纹和放松措施。
[单选题]A.粗牙B.细牙(正确答案)C.梯形D.多头4. 51 . 滚动轴承和滑动轴承都可以支撑转动的零件,两者的最大不同是 [单选题]A.精度B.工作时的摩擦性质(正确答案)C.极限转速D.价格5. 70 . 牛头刨床的进给机构含有( )机构。
[单选题]A.槽轮B.棘轮(正确答案)C.间歇齿轮D.凸轮6. 86 . 轴上零件轴向固定的方式有()A.轴肩(环)(正确答案)B.平键C.轴套(正确答案)D.圆螺母(正确答案)7. 96 . 关于摩擦式棘轮机构的描述,正确的是()A.棘轮上无齿(正确答案)B.依靠摩擦力传递动力(正确答案)C.噪音小,又称无声棘轮(正确答案)D.用于负载大的扳手及钻床等场合8. 115 . 对开式轴瓦中的油槽应开在非承载部位,且不应开通。
[判断题]对(正确答案)错9. 142 . 由曲柄摇杆机构带动的棘轮机构,棘轮的转向和曲柄的转向可相同也可相反。
[判断题]对(正确答案)错10. 22 . 人体发生单相触电时,作用于人体的电压是 [单选题]A.线电压B.相电压(正确答案)C.接触电压D.接地电压11. 33 . 发现有人低压触电错误的解救方法是 [单选题]A.当发现有人低压触电时,应立即断开近处电源开关(或拔掉电源插头)B.若事故地点离电源开关太远,不能即时断电时,救护人员可用干燥的手套、衣服、木棍等绝缘物体使触电者脱离电源C.打电话叫救护车(正确答案)D.若触电者因抽筋而紧握电线,则可用木柄斧、铲或胶柄等把电线弄断12. 44 . 人体触电时,根据触电的体位不同,电流通过人体最危险途径是 [单选题]A.左手至双脚(正确答案)B.右手至双脚C.右手至左手D.左脚至右脚13. 70 . 当感受到压力过大时,不应避讳,应该正视压力,将压力化作工作的动力,多给自己积极的暗示。
12三相逆变器,若输出线电压基波有效值(V LL )1 = 220 V ,频率为52Hz ,负载为三相对称的Y 型接法,解答下述问题:1)若逆变器工作于方波控制方式,计算直流电源电压V d 和负载相电压基波有效值(V An )1。
2)若逆变器工作于双极性SPWM 控制方式,m f =39 且 m a = 0.8,计算直流电源电压V d 和负载相电压基波有效值(V An )1。
解:1)若逆变器工作于方波控制方式,则 直流电源电压有效值 1282.10.78LL d V V V == 负载相电压有效值1()127An V V == 2)若逆变器工作于双极性SPWM 控制方式,则直流电源电压有效值 1220449.30.6120.6120.8LL d a V V V m ===×负载相电压有效值1()127An V V == 13. 三相桥式逆变器如图6-3所示,方波控制方式。
负载为三相平衡的纯阻性负载,Y 形连接,中性点为n 。
时间轴对应地画出稳态时下列两组电压和电流的波形,波形上应标注幅值(用V d 和一相负载电阻R 来表示): 1),,,,,AN BN CN AB nN An v v v v v v 2),,,,,,A A An A B C T D d v i i i i i i ++图6-3解:(1),,,,,AN BN CN AB nN An v v v v v v 的波形如下:(2),,,,,,A A An A B C T D d v i i i i i i ++的波形如下:14.图6-4(a)所示的单相全桥逆变电路工作于双极性SPWM模式。
设载波比N=9要求:在图6-4(b)中画出1个调制信号波周期内的开关控制信号波形和输出电压u o的波形。
图6-4(a)解:1个调制信号波周期内的开关控制信号波形和输出电压u o的波形如下15桥式DC-DC变换电路如图7-6所示,负载为直流电动机,采用双极型PWM控制方式时,将电机处于正向电动状态时的电压、电流方向定义为正方向。
电机学_哈尔滨工业大学2中国大学mooc课后章节答案期末考试题库2023年1.在磁路中,与电路中的电流作用相同的物理量是()。
答案:磁通2.对于降压变压器,一次绕组的匝数()二次绕组的匝数。
答案:大于3.直流电动机电枢绕组导体中电流为();定子励磁绕组中电流为()。
答案:交流,直流4.有一个三相电机,2p=8,Q=18,则该电机的槽距角为()。
答案:80°5.设感应电动机定子旋转磁动势的转速为n1, 转子电流产生的旋转磁动势相对定子的转速为n2, 则()。
答案:n2<n16.同步发电机的额定功率指()。
答案:电枢端口输出的电功率7.一台额定条件下工作在 220V/50Hz 的单相变压器,错接在220V/60Hz的交流电源上,则额定负载时的主磁通会( )。
答案:变小8.直流电机电刷处在几何中性线上,当磁路不饱和时的电枢反应是()。
答案:交轴电枢反应9.一台50Hz三相感应电动机的转速为580r/min,该电机的极数和同步转速为()。
答案:10极,600r/min10.已知一台凸极同步发电机的Id = 9A、Iq = 12A,则电枢电流大小为()。
答案:15A11.单相变压器变比为10,在低压端作空载试验测得空载损耗为20W,若在高压端作空载试验,则空载损耗应为( )。
答案:20W12.在交流电机中,绕组节距的选择原则是()。
答案:与极距接近13.一台直流发电机,由额定运行状态转速下降为原来的30%,而励磁电流及电枢电流不变,则()。
答案:仅Ea下降30℅14.并网运行的同步发电机,依靠调节()来调节无功功率。
答案:励磁电流15.改变三相感应电动机转向的方法是()。
答案:改变定子绕组中电流的相序16.一台三相变压器,SN=750kVA,U1N/U2N=10000/400V,Y/d联结,则该变压器的变比为( )。
答案:14.417.感应电机负载工作时,相当于一台变压器工作在()状态。
答案:电阻性负载18.有一个三相双层叠绕组,2p=4,Q=36,绕组节距y1=8,如果将y1增大为10,则该绕组的节距系数()。
哈工大2008年秋季学期电机学I 试题一.填空题(共10分,每小题2分)1、变压器空载实验选择在___低___压侧进行,原因是__安全仪表选择方便____ 。
短路实验选择在 高 压侧进行,原因是 安全仪表 选择方便 。
2、一台单相变压器一次、二次绕组匝数比为10,则将二次绕组进行归算后,归算前后的二次侧电阻之比为 ;归算前后的二次侧磁势之比是 。
3、并励直流发电机自励的三个条件是 电机有剩磁 ; 电枢绕组与励磁绕组的极性连接正确 ; 励磁电阻小于临界电阻 。
4、一台直流发电机,其电势和端电压的大小关系是E>U 。
5、三相感应电动机转子转速为n ,定子旋转磁场的转速为n S , 极对数为p ,则定子电流的交变频率为 _ ;转子电流的交变频率为 _____ 。
二.单项选择题(共20分,每小题2分)1、两相对称绕组通以两相对称电流,将产生( );三相感应电机通以三相对称电流,若一相绕组断线(绕组无中线),将产生( )。
第1页(共6页)(1) 圆形旋转磁场(2) 脉振磁场(3) 椭圆形旋转磁场2、一台额定条件下工作在220V50Hz 的单相变压器,错接在220V60Hz的交流电源上,则额定负载时的主磁通会():(1) 变大(2) 变小(3) 几乎不变3、直流电动机电枢绕组导体中电流为();定子励磁绕组中电流为():(1) 直流电流(2) 交流电流(3) 尖顶波形4、在双笼感应电动机中,两个笼的作用分别为( )。
(1) 上笼为启动笼,下笼为工作笼(2) 下笼为启动笼,上笼为工作笼5、一台变压器在工作时,额定电压调整率有可能为零,这时的负载性质可能是( )。
(1) 电阻性负载(2) 电阻电容性负载(3) 电感性负载(4) 电阻电感性负载6、改变三相感应电动机转向的方法是( )。
(1) 改变电源频率(2) 改变电源电压(3) 改变定子绕组中电流的相序(4) 改变电机的极数第2页(共6页)7、一台四极单叠绕组直流发电机出现一个元件断线时,下列哪一项保持不变( )。
第14章半导体器件教学内容:PN结的单向导电性;二极管的伏安特性及主要参数;晶体管的基本结构、电流分配与放大原理,晶体管特性及主要参数。
教学要求:了解PN结的单向导电性;了解二极管的伏安特性及主要参数;理解晶体管、场效应管的放大原理。
重点:晶体管特性曲线。
一、选择题1、理想二极管的反向电阻为( b )。
(a) 零 (b) 无穷大 (c) 约几百千欧2、当温度升高时,半导体的导电能力将( a )。
(a) 增强(b) 减弱(c) 不变 (d) 不能确定3、半导体二极管的主要特点是具有( b )。
(a) 电流放大作用(b) 单向导电性 (c) 电压放大作用4、二极管的反向饱和峰值电流随环境温度的升高而( a )。
(a) 增大(b) 减小(c) 不变5、晶体管的电流放大系数β是指( b )。
(a)工作在饱和区时的电流放大系数(b)工作在放大区时的电流放大系数(c) 工作在截止区时的电流放大系数6、稳压管的动态电阻 r Z是指( b )。
(a) 稳定电压 UZ 与相应电流 IZ 之比(b) 稳压管端电压变化量∆UZ 与相应电流变化量∆IZ 的比值(c) 稳压管正向压降与相应正向电流的比值7、已知某晶体管的穿透电流 I CEO = 0.32mA,集基反向饱和电流 I CBO = 4μA,如要获得 2.69 mA的集电极电流,则基极电流 I B应为( c )。
(a) 0.3mA (b) 2.4mA (c) 0.03mA (d) 0.24mA8、已知某晶体管的 I CEO为 200μA,当基极电流为 20μA 时,集电极电流为1mA,则该管的 I CBO约等于( c )。
(a) 8 mA (b) 10 mA (c) 5μA (d) 20μA9、已知某晶体管处于放大状态,测得其三个极的电位分别为 6V、9V 和 6.3V,则 6V所对应的电极为( a )。
9V所对应的电极为( c )。
6.3V 所对应的电极为( b )。
电机学_哈尔滨工业大学中国大学mooc课后章节答案期末考试题库2023年1.交流绕组采用短距与分布后,其基波磁动势将()。
参考答案:减小2.在忽略电机铁心磁压降的情况下,整距线圈的气隙磁动势的分布波形是()。
参考答案:矩形波3.在绕组电势的计算公式E1=4.44fNkw1ϕ1中,E1指的是绕组电势的()。
参考答案:有效值4.某三相双层叠绕组,2p=4, Q=36, 支路数a=1,y1=8,则该绕组的绕组因数为()。
参考答案:0.9455.某4极36槽交流电机,绕组节距为8,则该绕组的节距因数为()。
参考答案:0.9856.在绕组电势的计算公式E1=4.44fNkϕ1中,ϕ1指的是()。
参考答案:每极磁通7.某4极交流电机,转速为1200r/min,则定子绕组感应电动势的频率为()。
参考答案:40Hz8.变压器接()负载时,其电压调整率可能为零。
参考答案:电阻电容性9.变压器负载为阻感性负载,负载增加时,副边电压将()。
参考答案:降低10.一台变压器,空载电压为220V,带负载时的输出电压为210V,则此时变压器的电压变化率为()。
参考答案:4.55%11.在变压器中,为了得到正弦感应电动势,当铁心饱和时,变压器空载电流呈()。
参考答案:尖顶波12.一台额定频率为50Hz的电力变压器,接于60Hz、电压为此变压器的额定电压的电网上运行,此时变压器磁路饱和程度()。
参考答案:变小13.变压器空载运行时,一次侧端电压主要是和()平衡。
参考答案:主电势14.变压器变比是指()。
参考答案:一次、二次侧绕组匝数之比15.变压器中的励磁电阻Rm反映的是()。
参考答案:铁耗16.如果将变压器的铁心抽出,励磁电抗将()。
参考答案:变小17.变压器的变比可看作是额定线电压之比。
参考答案:错误18.在直流电机中,换向器的运动形式是()。
参考答案:与电枢绕组一起旋转19.在直流发电机中,电枢绕组中的电流是()。
参考答案:交流电20.在直流发电机中,换相器的作用是()。
电机与拖动模拟试题_EASON哈工大模拟试卷1一.选择题(共20分)1. 有一台两极绕线式感应电动机要把转速调高,下列哪一种调速方法是可行的:3⑴变极调速;⑵转子中串入电阻;⑶变频调速。
2.交流绕组每相感应电势公式E=4.44fNkw1φm中的φm是:3⑴磁通随时间交变的有效值;⑵一台电机的总磁通量;⑶每极的磁通量幅值。
3.直流发电机电枢导体中的电流是:2⑴直流电;⑵交流电;⑶脉动的直流。
4.若电源电压不变,变压器产生的主磁通φ,在空载和负载时,其数值:2⑴完全相等;⑵基本不变;⑶根本不同。
5.变压器短路试验常在高压侧进行,其原因是:1⑴高压侧电流较小便于测量;⑵低压侧电流太大变压器易于过电流损坏;⑶可以使低压侧电流小一些;⑷变压器发热可以小一点。
二.填空题(共20分)1. 同步发电机并入电网以后要调节其有功功率,必须调节原动机输入功率____,当只调节其无功功率,可调节同步发电机的励磁电流。
2. 一台三相感应电动机,额定频率为50赫,额定转速是575转/分,此机的同步速是600 转/分,极数是10 ,额定时的转差率是0.0417 。
3. 直流发电机的电磁转矩是制动转矩,而直流电动机的电磁转矩是拖动转矩。
4. 直流电动机调速时,在励磁回路中增加调节电阻,可使转速升高,而在电枢回路中增加调节电阻,可使转速降低。
5. 变压器空载时,一方加额定电压,虽然线圈电阻很小,但电流仍然很小,其原因是交变磁通在线圈感应电势和大部分外接电压相平衡,电阻上的压降很小。
三.简答题(共20分)1.三相对称绕组接成Y形,通以三相对称电流。
如果绕组中有一相断相,在无中线时各会产生什么性质的磁势?为什么?答:产生脉振磁场,因为电流无相位差。
2、并励直流发电机的自励条件有哪些?不满足时有何影响?答:条件有(1)必须有剩磁,否则无法产生剩磁电压;(2)励磁磁势与剩磁方向必须相同,否则形不成正反馈;(3)励磁回路总电阻小于临界电阻,否则不稳定或只能发出剩磁电压模拟试卷2:一.选择题(共20分)1. 同步发电机短路特性是一条直线的原因是:2⑴励磁电流较小磁路不饱和;⑵电枢反应去磁作用使磁路不饱和;⑶短路时电机相当于在一个电阻为常数的电路中运行,所以Ik和If 成正比。
哈尔滨理工大学机械电子工程专业-机械设计经考研复习必做重点习题汇编-考研资料-真题报考哈尔滨理工大学机械电子工程专业考研专业课资料的重要性根据考研淘宝网教育的统计,87.3%以上报考哈尔滨理工大学机械电子工程专业考研成功的考生,尤其是那些跨学校的考研人,他们大多都在第一时间获取了哈尔滨理工大学机械电子工程专业考研专业课指定的教材和非指定的哈尔滨理工大学机械电子工程专业内部权威复习资料,精准确定专业课考核范围和考点重点,才确保了自己的专业课高分,进而才才最后考研成功的。
如果咱们仔细的研究下问题的本质,不难发现因为非统考专业课的真题均是由哈尔滨理工大学机械电子工程专业自主命题和阅卷,对于跨校考研同学而言,初试和复试命题的重点、考点、范围、趋势、规律和阅卷的方式等关键信息都是很难获取的。
所以第一时间获取了哈尔滨理工大学机械电子工程专业考研专业课指定的教材和非指定的哈尔滨理工大学机械电子工程专业内部权威复习资料的考生,就占得了专业课复习的先机。
专业课得高分便不难理解。
那么怎么样才能顺利的考入哈尔滨理工大学机械电子工程专业呢?为了有把握的的取得专业课的高分,确保考研专业课真正意义上的成功,考研专业课复习的首要工作便是全面搜集哈尔滨理工大学机械电子工程专业的内部权威专业课资料和考研信息,建议大家做到以下两点:1、快速消除跨学校考研的信息方面的劣势。
这要求大家查询好考研的招生信息,给大家推荐一个考研淘宝网,有详细的考研招生信息。
2、确定最合适的考研专业课复习资料,明确专业课的复习方法策略,并且制定详细的复习计划,并且将复习计划较好的贯彻执行。
哈尔滨理工大学机械设计考研复习必做重点习题汇编由考研淘宝网教育组织哈尔滨理工大学机械电子工程专业研一的多名研究生整理编写,习题的来源是哈尔滨理工大学机械电子工程专业导师的习题集、高分研究生在考研复习中遇到的重难点习题、考研真题中的典型习题、与考研真题同类型同考点的习题等等。
电机学习题库+参考答案一、单选题(共40题,每题1分,共40分)1、绕线式异步电动机的转子绕组中串入调速电阻,当转速达到稳定后,如果负载为恒转矩负载,调速前后转子电沆将(A、减小B、0C、保持不变D、增加正确答案:C2、所有非铁磁材料的磁化曲线都是()。
A、过原点的直线B、磁饱和曲线C、闭合曲线D、平行坐标轴的直线正确答案:A3、同步电机当电枢绕组匝数增加时,同步电抗将()A、增加B、不确定C、不变D、减小正确答案:A4、与凸极同步发电机基本电磁功率无关的因素是()。
A、功角B、交轴同步电抗C、直轴同步电抗D、空载电动势正确答案:B5、接在输变电线路终端的变压器被称为()。
A、多绕组变压器B、降压变压器C、开压变压器D、自赮变压器正确答案:B6、同步补偿机的作用是()。
A、作为同步发电机的励磁电源B、作为用户的备用电源C、补偿电网电力不足D、改善电网功率因数正确答案:D7、当电网负载为异步电动机时,同步发电机应工作在()状态。
A、过励磁B、正常励磁C、无励磁D、欠励磁正确答案:A8、三相变压器并联运行时,要求并联运行的三相变压器变比( ),否则不能并联运行。
A、误差不超过±5%B、必须绝对相等C、误差不超过±0.5%D、误差不超过±10%正确答案:C9、我国国家标准规定变压器的额定使用条件:最低气温为()。
A、0°CB、-20°CC、-30°CD、-40°C正确答案:C10、自耜变压器的经济性与其变比有关,变比增加其经济效益()。
A、差B、不确定C、不明显D、好正确答案:A11、同步发电机电枢反应性质取决于().A、发电机本身参数B、负载大小C、负载性质和发电机本身参数D、负载性质正确答案:C12、转差率为s的异步电动机,电磁功率为P,则sP将等于(,A、总机械功率B、定子铜耗C、机械功率D、转子铜耗正确答案:D13、槽距角也叫槽间角,是指(A、相邻两槽之间的电角度B、相邻两槽之间的直线距离C、一个槽的直线宽度D、相邻两槽之间的机械角度正确答案:A14、改变绕线式异步电动机定子绕组线圈连接方式,可以改变()。
电机学习题库与参考答案一、单选题(共40题,每题1分,共40分)1、电流互感器是将高压系统中的电流或低压系统中的大电流改变为低压标准的().A、大电流B、直流电流C、任意电流D、小电流正确答案:D2、同步补偿机的作用是补偿电网功率因数,对于带感性负载的电网,同步补偿机一般工作在()状态A、过励磁B、欠励磁C、先过励后欠励D、正常励磁正确答案:A3、变压器的铁心、低压绕组、高压绕组的发热只与(),有关,互不关联。
A、本身损耗B、散热装置C、外部结构D、内部结构正确答案:A4、绕组D,d联接的三相变压器的一次侧的额定电流等于()。
A、变压器额定容量除以一次侧额定电压的根号2倍B、变压器额定容量除以一次侧额定电压的根号3倍C、变压器额定容量除以二次侧相电压的D、变压器额定容量除以二次侧相电压的2倍正确答案:B5、自男变压器的绕组接线方式一般为()。
A、星形B、Z形C、V形D、三角形正确答案:A6、接在输变电线路终端的变压器被称为()。
A、多绕组变压器B、开压变压器C、降压变压器D、自赮变压器正确答案:C7、三相同步发电机的cosφ=0.8,所谓正常励磁状态是指励磁电流(,A、仅有有功功率输出时的励磁电流B、额定励磁电流C、输出容性无功功率所需的励磁电流D、输出感性无功功率所需的励磁电流正确答案:A8、交轴电枢反应对发电机的主要影响是()。
A、使发电机端电压升高B、使发电机转速下降C、使发电机转速上升D、使发电机端电压下降正确答案:B9、一台三相四极交流电机,定子铁心 36槽,绕组节距为7槽,则短距角为()。
A、40°B、10°C、20°D、30°正确答案:A10、调相机运行在过动磁状态时其功率因数是()。
A、可超前可滞后B、超前的C、之后的D、等于1正确答案:B11、三相感应电动机等效电路中的附加电阻-1上所消耗的电功率应等于()。
A、总机械功率PΩB、电磁功率PemC、输出功率P₁D、输入功率P₂正确答案:A12、电源频率不变而三相异步电动机的转速降低时,转子绕组产生的磁动势,在空间的转速将()。
第一章磁路一、填空:1.磁通恒定的磁路称为,磁通随时间变化的磁路称为。
答:直流磁路,交流磁路。
2.电机和变压器常用的铁心材料为。
答:软磁材料。
3.铁磁材料的磁导率非铁磁材料的磁导率。
答:远大于。
4.在磁路中与电路中的电势源作用相同的物理量是。
答:磁动势。
5.★★当外加电压大小不变而铁心磁路中的气隙增大时,对直流磁路,则磁通,电感,电流;对交流磁路,则磁通,电感,电流。
答:减小,减小,不变;不变,减小,增大。
二、选择填空1.★★恒压直流铁心磁路中,如果增大空气气隙。
则磁通;电感;电流;如果是恒压交流铁心磁路,则空气气隙增大时,磁通;电感;电流。
A:增加 B:减小 C:基本不变答:B,B,C,C,B,A2.★若硅钢片的叠片接缝增大,则其磁阻。
A:增加 B:减小 C:基本不变答:A3.★在电机和变压器铁心材料周围的气隙中磁场。
A:存在 B:不存在 C:不好确定答:A4.磁路计算时如果存在多个磁动势,则对磁路可应用叠加原理。
A:线形 B:非线性 C:所有的答:A5.★铁心叠片越厚,其损耗。
A:越大 B:越小 C:不变答:A三、判断1.电机和变压器常用的铁心材料为软磁材料。
()答:对。
2.铁磁材料的磁导率小于非铁磁材料的磁导率。
()答:错。
3.在磁路中与电路中的电流作用相同的物理量是磁通密度。
()答:对。
4.★若硅钢片的接缝增大,则其磁阻增加。
()答:对。
5.在电机和变压器铁心材料周围的气隙中存在少量磁场。
()答:对。
6.★恒压交流铁心磁路,则空气气隙增大时磁通不变。
()答:对。
7. 磁通磁路计算时如果存在多个磁动势,可应用叠加原理。
( ) 答:错。
8. ★铁心叠片越厚,其损耗越大。
( ) 答:对。
四、简答1. 电机和变压器的磁路常采用什么材料制成,这种材料有那些主要特性?答:电机和变压器的磁路常采用硅钢片制成,它的导磁率高,损耗小,有饱和现象存在。
2. ★磁滞损耗和涡流损耗是什幺原因引起的?它们的大小与那些因素有关?答:磁滞损耗由于B 交变时铁磁物质磁化不可逆,磁畴之间反复摩擦,消耗能量而产生的。
它与交变频率f 成正比,与磁密幅值Bm的α次方成正比。
V fB C p nm h h =涡流损耗是由于通过铁心的磁通ф发生变化时,在铁心中产生感应电势,再由于这个感应电势引起电流(涡流)而产生的电损耗。
它与交变频率f 的平方和Bm的平方成正比。
VB fC p m e e 222∆=3. 什么是软磁材料?什么是硬磁材料?答:铁磁材料按其磁滞回线的宽窄可分为两大类:软磁材料和硬磁材料。
磁滞回线较宽,即矫顽力大、剩磁也大的铁磁材料称为硬磁材料,也称为永磁材料。
这类材料一经磁化就很难退磁,能长期保持磁性。
常用的硬磁材料有铁氧体、钕铁硼等,这些材料可用来制造永磁电机。
磁滞回线较窄,即矫顽力小、剩磁也小的铁磁材料称为软磁材料。
电机铁心常用的硅钢片、铸钢、铸铁等都是软磁材料。
4. 磁路的磁阻如何计算?磁阻的单位是什么? 答:mR Aμ=l,其中:µ为材料的磁导率;l 为材料的导磁长度;A 为材料的导磁面积。
磁阻的单位为A/Wb 。
5. ★说明磁路和电路的不同点。
答:1)电流通过电阻时有功率损耗,磁通通过磁阻时无功率损耗;2)自然界中无对磁通绝缘的材料;3)空气也是导磁的,磁路中存在漏磁现象; 4)含有铁磁材料的磁路几乎都是非线性的。
6.★说明直流磁路和交流磁路的不同点。
答:1)直流磁路中磁通恒定,而交流磁路中磁通随时间交变进而会在激磁线圈内产生感应电动势;2)直流磁路中无铁心损耗,而交流磁路中有铁心损耗; 3)交流磁路中磁饱和现象会导致电流、磁通和电动势波形畸变。
7.基本磁化曲线与起始磁化曲线有何区别?磁路计算时用的是哪一种磁化曲线?答:起始磁化曲线是将一块从未磁化过的铁磁材料放入磁场中进行磁化,所得的B=f (H )曲线;基本磁化曲线是对同一铁磁材料,选择不同的磁场强度进行反复磁化,可得一系列大小不同的磁滞回线,再将各磁滞回线的顶点连接所得的曲线。
二者区别不大。
磁路计算时用的是基本磁化曲线。
8. 路的基本定律有哪几条?当铁心磁路上有几个磁动势同时作用时,磁路计算能否用叠加原理,为什么? 答:有:安培环路定律、磁路的欧姆定律、磁路的串联定律和并联定律;不能,因为磁路是非线性的,存在饱和现象。
9. ★在下图中,当给线圈外加正弦电压u1时,线圈内为什么会感应出电势?当电流i1增加和减小时,分别算出感应电势的实际方向。
答:在W1中外加u1时在W1中产生交变电流i1,i1在W1中产生交变磁通ф,ф通过W2在W2中和W1中均产生感应电势е2和e 1,当i1增加时e 1从b 到a ,е2从d 到c ,当i1减少时e 1从a 到b ,е2从c 到d 。
五、计算1. ★下图是两根无限长的平行轴电线,P 点与两线在同一平面内,当导体中通以直流电流I 时,求P 点的磁场强度和磁通密度的大小和r1方向。
解:对于线性介质,迭加原理适用,A 在P 处产生磁场强度HAP=r12πIB 在P 出产生的磁场强度HBP=r I 22π由于HAP与HBP方向相同,如图所示则HP=HAP+HBP感应强度BP=μ0HP=πμ20I(r 11+r21)2. ★上图中,当两电线分别通以直流电流(同向)I 和异向电流I 时,求每根导线单位长度上所受之电磁力,并画出受力方向。
解:由于两根导体内通以同样大小的电流I ,现在考虑其大小时,它们受力是相同的。
一根导体在另一根导体处产生磁感应强度B =02Iμπ(r r 211+) 所以每根导体单位长度受力f=BI=πμ22I(r r 211+)力的方向是通同向电流时相吸,通异向电流相斥。
3. 在下图中,如果电流i 1在铁心中建立的磁通是Ф=φmSin ωt ,副线圈匝数是w2,试求副线圈内感应电势有效值的计算公式。
解:副线圈中感应电势的瞬时值e 2=w2dtd φ=w 2φmωCos ωt∴感应电势e2的有效值计算公式为:2E =21w 2ωφm4. ★★有一单匝矩形线圈与一无限长导体同在一平面内,如下图所示。
试分别求出下列条件下线圈内的感应电势:(1) 导体内通以直流电流I ,线圈以速度ν从左向右移动:(2) 电流i= I m Sin ωt ,线圈不动:(3) 电流i= I m Sin ωt ,线圈以速度ν从左向右移动。
解:(1)导体内通以电流I 时离导体x 远处的磁密为B =xIπμ20所以,当线圈以速度ν从左向右移动时感应电势大小为e =-dtd φ=-dtd dx b xIcvt a vta ⋅⋅⎰+++πμ20=-dtd (⋅πμ20bI㏑vta c vt a +++)=-⋅πμ20bIc vt a vt a +++()()2()v a vt v a vt c a vt +-+++=⋅+++⋅))((20c vt a vt a vcbI πμ(2) 当线圈不动时,电流是i = I m Sin ωt 时,ф=02Sin t I a c m b dx a xμωπ+⋅⋅⋅⎰ =⋅πμ20Imb ㏑aca + Sin ωt 所以 e =-dtd φ=-02b I m μπ⋅㏑aca + ωCos ωt (3)电流i= I m Sin ωt ,线圈以速度ν从左向右移动时ф=02a vt cm a vtSin t I b dx xμωπ+++⋅⋅⋅⎰=02b I m μπ⋅㏑vta c vt a +++ Sin ωt所以,e =-dtd φ=-02m b I μπ⋅[2()a vt vc Sin t a vt c a vt ω+-⋅⋅++++㏑vta cvt a +++ ωCos ωt ] =02b I m μπ⋅[))((vt a c vt a t vcSin +++ω+㏑cvt a vt a +++ ωCos ωt ] 5. ★★对于下图,如果铁心用23D 硅钢片迭成,截面积A Fe =412.2510-⨯㎡,铁心的平均长度l Fe =0.4m ,,空气隙30.510δ-=⨯m ,线圈的匝数为600匝,试求产生磁通φ=41110-⨯韦时所需的励磁磁势和励磁电流。
解:在铁心迭片中的磁密为FeB FeA φ==11/12.25=0.9 (T)根据23D 硅钢片磁化曲线查出Fe H =306 (A/m)在铁心内部的磁位降 F Fe =H Fe *l Fe =306*0.4=122.4(A ) 在空气隙处,当不考虑气隙的边缘效应时 0.9B B aFe ==(T ) 所以 0.974100B aH aμπ==-⨯=7.15510⨯ (A/m )故 537.150.51010F H aa δ-=⨯=⨯⨯⨯=357.5(A )则励磁磁势F =a F +Fe F =357.5+122.4=479.9 安匝 励磁电流479.90.799600fF IW === (A ) 6. ★★磁路结构如下图所示,欲在气隙中建立4710-⨯韦伯的磁通,需要多大的磁势?解:当在气隙处不考虑边缘效应时,各处的磁密 B =4710 1.4()4510T S φ-⨯==-⨯硅钢片磁路长度3080110Dl =+=(mm )铸钢磁路长度3080601169l r =++-=(mm )查磁化曲线: 2.09DH=(A/mm ) 1.88H r =(A/mm )空气之中:1431.111044100BH aμπ===⨯-⨯(A/mm )故:各段磁路上的磁位降 2.09110229.9DD Dl FH =⋅=⨯=(A )1.88169389.0l F H r r r =⋅=⨯=(A ) 111011110l F H aa a =⋅=⨯=(A )则:F =a F +D F +r F =1110+229.9+389.0=1728.9(A )故需要总磁势1728.9安匝。
7. ★★一铁环的平均半径为0.3米,铁环的横截面积为一直径等于0.05米的圆形,在铁环上绕有线圈,当线圈中电流为5安时,在铁心中产生的磁通为0.003韦伯,试求线圈应有匝数。
铁环所用材料为铸钢。
解:铁环中磁路平均长度220.3 1.89DR lππ==⨯=(m )圆环的截面积S =112322 1.96()0.051044m D ππ-=⨯=⨯ 铁环内的磁感应强度0.003 1.528()31.9610BT Sφ===-⨯查磁化曲线得磁感应强度H =3180(A ) F =H Dl =)(600089.13180A =⨯故:线圈应有的匝数为W =12005/6000==IF(匝) 8. ★★设上题铁心中的磁通减少一半,线圈匝数仍同上题中所求之值,问此时线圈中应流过多少电流?如果线圈中的电流为4安,线圈的匝数不变,铁心磁通应是多少?解:在上题中磁通减少一半时磁密10.764()2BT B== 查磁化曲线得出磁场强度1H =646(A/m ) 所以,11646 1.891220Dl FH =⋅=⨯=(安/匝)故此时线圈内应流过电流1112201.021200F IW===(安)当线圈中电流为4安时磁势22120044800W FI ==⨯=⋅(安匝)设2F 所产生的磁通为0.0027韦,则:2'0.00272' 1.37531.9610B S φ===-⨯(T ) 查磁化曲线得磁场强度'1945(/)2A m H = 22''1945 1.893680Dl F H ∴=⋅=⨯=(安匝)假设值小了,使'2F 比2F 小了很多,现重新假设''0.029φ=韦,则''0.0292'' 1.48()231.9610T B Sφ===-⨯查磁化曲线得磁场强度''2710(/)2A m H =''''2710 1.89512022D l F H ∴=⋅=⨯=(安匝)在''',,222F F F 中采用插值得F2产生得磁通"'1'''"22"()2222"'222F F F F φφφφ-=-⨯-⨯- =21)48005120(368051200027.00029.00029.0⨯-⨯---=0.002878(韦)9. ★★设有100匝长方形线圈,如下图所示,线圈的尺寸为a =0.1米,b =0.2米,线圈在均匀磁场中围绕着连接长边中点的轴线以均匀转速n =1000转/分旋转,均匀磁场的磁通密度2B=0.8wb/m 。