市政资料检验批应做表格
- 格式:doc
- 大小:178.50 KB
- 文档页数:11
沟槽(基坑)土方开挖检验批质量验收记录表B.0.1 编号:010001□□沟槽(基坑)回填检验批质量验收记录表B.0.1 编号:010003□□开槽施工管道基础检验批质量验收记录表B.0.1 编号:020101□□/020201□□/020301□□/020401□□钢筋混凝土类管道铺设检验批质量验收记录表B.0.1 编号:010003□□ 020303□□柔性管道铺设检验批质量验收记录表B.0.1 编号:020403□□沉井模板检验批质量验收记录表B.0.1 编号:020802□□沉井钢筋加工检验批质量验收记录表B.0.1 编号:020803□□沉井钢筋安装检验批质量验收记录表B.0.1 编号:020804□□沉井制作检验批质量验收记录表B.0.1 编号:020805□□沉井下沉及封底检验批质量验收记录表B.0.1 编号:020806□□土方路基(挖方)检验批质量检验记录表B.0.1 编号:010001□□基层(水泥稳定土类)检验批质量检验记录表B.0.1 编号:020004□□基层(级配碎石、碎砾石)检验批质量检验记录表B.0.1 编号:020006□□基层(级配砂砾、碎砾石)检验批质量检验记录表B.0.1 编号:020005□□面层(热拌沥青混合料)检验批质量检验记录表A.0.1 编号:030104□□路缘石检验批质量验收记录表B.0.1 编号:080001□□混凝土井室检验批质量验收记录表B.0.1 编号:030001□□砖砌井室检验批质量验收记录表B.0.1 编号:030002□□沉井井内结构检验批质量验收记录表B.0.1 编号:020807□□基层(石灰稳定土)检验批质量检验记录表B.0.1 编号:020001□□雨水口及支连管安装检验批质量验收记录表B.0.1 编号:030004□□沟槽(基坑)支护检验批质量验收记录表B.0.1 编号:010002□□土方路基(填方)检验批质量验收记录表A.0.1 编号:010002□□路基处理(换填土)检验批质量验收记录表A.0.1 编号:010006□□路基处理(土工材料)检验批质量验收记录表A.0.1 编号:030109□□面层(粘层)检验批质量验收记录表A.0.1 编号:030101□□面层(透层)检验批质量验收记录表A.0.1 编号:030102□□面层(封层)检验批质量验收记录表A.0.1 编号:030102□□路基处理(湿陷性黄土强夯处理)检验批质量验收记录表A.0.1 编号:010015□□水泥混凝土面层检验批质量检验记录表A.0.1 编号:030303□□倒虹管检验批质量检验记录表B.0.1 编号:080004□□。
沟槽(基坑)土方开挖检验批质量验收记录表 B.0.1工程名称施工单位分包单位工程数量交方班组检查序检查内容检验依据 / 允许偏差(规定项目号值或±偏差值)主1原状地基土观察、检查原状地土不得扰动、受水浸控泡或受冻项2地基承载力满足设计要求目3压实度、厚度检查压实度、厚度满足设计要求一1槽底高程( mm)土方±20石方+20、 -200般项2槽底中线不小于规定每侧宽度目3沟槽边坡不陡于规定施工单位检查评定结论监理(建设)单位意见编号: 010001□□分部工程名称分项工程名称沟槽(基坑)土方开挖施工员项目经理分包项目经理施工班组长验收部位(桩号或井号)项目技术负责人接方班组检查日期年月日检查数量检查结果 /实测点偏差值或实测值范围点数12345678910应测合格合格率点数点数(%)全数查施工记录全数检验报告编号:全数检验报告编号:两井之间3两井之间6两井之间6项目专业质量检查员:(签字)监理工程师:(签字)(或建设单位项目专业技术负责人):(签字)年月日沟槽(基坑)回填检验批质量验收记录表 B.0.1工程名称施工单位分包单位工程数量交方班组检查序检查内容项目号1回填材料主2观测沟槽控项3管道变形目4压实度一1高程般项2管道及附属构筑物目检验依据 / 允许偏差(规定值或±偏差值)材料应符合设计要求沟槽不得带水回填,回填应密实柔性管道变形率不得超过设计或规范规定符合设计与规范要求回填应达到设计高程,表面应平整回填时管道及附属构物无损伤、沉降、位移编号: 010003□□分部工程名称分项工程名称沟槽(基坑)回填施工员项目经理分包项目经理施工班组长验收部位(桩号或井号)项目技术负责人接方班组检查日期年月日检查数量检查结果 /实测点偏差值或实测值范围点数12345678910应测合格合格率点数点数(%)21次2组检测报告编号:1000m检查施工记录试验段每50米3正常作业段3每100米每层、每侧 1 组≤2010m1观察、或用水准仪测施工单位检查评定结论监理(建设)单位意见项目专业质量检查员:(签字)监理工程师:(签字)(或建设单位项目专业技术负责人):(签字)年月日开槽施工管道基础检验批质量验收记录表 B.0.1工程名称 施工单位分包单位工程数量交方班组检查 序 检查内容项目 号保 1地基承载力证 2项混凝土强度目3砂石基础压实度中线每侧宽度1垫层高 压力管道程无压管道厚度平中线每侧宽度一混凝高程般基2土基 厚度项础、管座管肩宽 目座肩高土(砂 高压力管道3及砂程无压管道砾)平基厚度基础土弧基础腋角高度施工单位检查评定结论 监理(建设)单位意见检验依据 / 允许偏差 (规定值或±偏差值) ( mm )现状地基承载力符合设计要求标准养护及同条件养护应符合设计要求符合设计要求或规范规定不小于设计要求± 30 0,-15不小于设计要求+10,0 0,-15 不小于设计要求+10, -5± 20 ± 300,-15 不小于设计要求不小于设计要求编号: 020101□□ /020201 □□ /020301 □□ /020401 □□分部工程名称分项工程名称 管道基础施工员 项目经理分包项目经理施工班组长 验收部位(桩号或井号)项目技术负责人接方班组 检查日期年 月 日检查数量 检查结果 / 实测点偏差值或实测值范 围点数1234567应测 合格 合格率8910点数(%)点数检查地基处理强度或(复 检验报告编号:合)承载力检验报告每工作班各 1 组检验报告编号:3每 100m检验报告编号:每 10m 测每个 1 点,且 验收批不少于 3点每个 每 10m 测1 点,且 验收批不少于 3点每个每 10m 测1 点,且 验收批不少于 3点项目专业质量检查员: (签字)监理工程师:(签字)(或建设单位项目专业技术负责人) :(签字) 年 月 日钢筋混凝土类管道铺设检验批质量验收记录检查项目主控项目一般项目表 B.0.1工程名称施工单位分包单位工程数量交方班组序检查内容号1埋设深度2管道外观3管道安装1水平轴线D i≤ 10002管底高程D i> 1000检验依据 / 允许偏差(规定值或±偏差值)( mm)管道埋设深度、轴线位置应符合设计要求,无压力管道严禁倒坡。
土方路基查验批质量查验记录市政质检·1·1第页,共页第页,共页第页,共页路肩查验批质量查验记录市政质检·1·4第页,共页砂垫层软土路基查验批质量查验记录市政质检·1·5第页,共页反压护道路基查验批质量查验记录市政质检·1·6第页,共页土工材料处置软土路基查验批质量查验记录市政质检·1·7第页,共页袋装砂井查验批质量查验记录市政质检·1·8第页,共页塑料排水板查验批质量查验记录市政质检·1·9第页,共页砂桩处置软土路基查验批质量查验记录市政质检·1·10第页,共页碎石桩处置软土路基查验批质量查验记录市政质检·1·11第页,共页粉喷桩处置软土路基查验批质量查验记录市政质检·1·12第页,共页湿陷性黄土强夯路基查验批质量查验记录市政质检·1·13第页,共页石灰不变土,石灰、粉煤灰不变砂砾〔碎石〕,粉煤灰不变钢渣基层及底基层查验批质量查验记录市政质检·1·14第页,共页水泥不变土类基层及底基层查验批质量查验记录市政质检·1·15第页,共页级配砂砾(级配砂石)基层及底基层查验批质量查验记录市政质检·1·16第页,共页级配碎石及级配碎砾石基层和底基层查验批质量查验记录市政质检·1·17第页,共页沥青混合料(沥青碎石)基层查验批质量查验记录市政质检·1·18第页,共页沥青贯入式基层查验批质量查验记录市政质检·1·19第页,共页热拌沥青混合料查验批质量查验记录市政质检·1·20第页,共页热拌沥青混合料面层查验批质量查验记录市政质检·1·21第页,共页第页,共页第页,共页第页,共页沥青贯入式面层查验批质量查验记录市政质检·1·26第页,共页沥青外表处治施工查验批质量查验记录市政质检·1·27第页,共页水泥混凝土面层原材料查验批质量查验记录市政质检·1·28页,共页混凝土面层查验批质量查验记录市政质检·1·29第页,共页铺砌式料石面层查验批质量查验记录市政质检·1·30第页,共页铺砌式预制混凝土砌块面层查验批质量查验记录市政质检·1·31第页,共页广场与泊车场料石面层查验批质量查验记录市政质检·1·32第页,共页广场与泊车场预制混凝土砌块面层查验批质量查验记录市政质检·1·33第页,共页第页,共页第页,共页料石铺砌人行道面层查验批质量查验记录市政质检·1·36第页,共页混凝土预制铺砌人行道〔含盲道〕面层查验批质量查验记录市政质检·1·37第页,共页沥青混凝土铺筑人行道面层查验批质量查验记录市政质检·1·38第页,共页人行地道布局地基查验批质量查验记录市政质检·1·39第页,共页人行地道布局防水层查验批质量查验记录市政质检·1·40第页,共页人行地道布局根底模板安装查验批质量查验记录市政质检·1·41第页,共页人行地道布局钢筋加工、成型与安装查验批质量查验记录市政质检·1·42人行地道布局混凝土根底查验批质量查验记录市政质检·1·43现浇钢筋混凝土人行地道布局墙与顶板模板安装查验批质量查验记录市政质检·1·44第页,共页现浇钢筋混凝土人行地道布局墙与顶板混凝土查验批质量查验记录市政质检·1·45第页,共页预制钢筋混凝土人行地道布局墙板查验批质量查验记录预制钢筋混凝土人行地道布局顶板查验批质量查验记录预制钢筋混凝土人行地道布局墙板、顶板安装查验批质量查验记录第页,共页砌筑墙体、钢筋混凝土顶板人行地道布局墙体砌筑查验批质量查验记录市政质检·1·49第页,共页挡土墙地基查验批质量查验记录市政质检·1·50第页,共页挡土墙模板安装查验批质量查验记录市政质检·1·51第页,共页。
土方路基检验批质量检验记录市政质检·1·1第页,共页挖石方路基检验批质量检验记录市政质检·1·2第页,共页填石方路基检验批质量检验记录市政质检·1·3第页,共页路肩检验批质量检验记录市政质检·1·4第页,共页砂垫层软土路基检验批质量检验记录市政质检·1·5第页,共页反压护道路基检验批质量检验记录市政质检·1·6第页,共页土工材料处理软土路基检验批质量检验记录市政质检·1·7第页,共页袋装砂井检验批质量检验记录市政质检·1·8第页,共页塑料排水板检验批质量检验记录市政质检·1·9第页,共页砂桩处理软土路基检验批质量检验记录市政质检·1·10第页,共页碎石桩处理软土路基检验批质量检验记录市政质检·1·11第页,共页粉喷桩处理软土路基检验批质量检验记录市政质检·1·12第页,共页湿陷性黄土强夯路基检验批质量检验记录市政质检·1·13第页,共页石灰稳定土,石灰、粉煤灰稳定砂砾(碎石),粉煤灰稳定钢渣基层及底基层检验批质量检验记录市政质检·1·14第页,共页水泥稳定土类基层及底基层检验批质量检验记录市政质检·1·15第页,共页级配砂砾(级配砂石)基层及底基层检验批质量检验记录市政质检·1·16第页,共页级配碎石及级配碎砾石基层和底基层检验批质量检验记录市政质检·1·17第页,共页沥青混合料(沥青碎石)基层检验批质量检验记录市政质检·1·18第页,共页沥青贯入式基层检验批质量检验记录市政质检·1·19第页,共页热拌沥青混合料检验批质量检验记录市政质检·1·20第页,共页热拌沥青混合料面层检验批质量检验记录市政质检·1·21第页,共页冷拌沥青混合料面层检验批质量检验记录市政质检·1·22第页,共页沥青混合料面层透层检验批质量检验记录市政质检·1·23第页,共页沥青混合料面层粘层检验批质量检验记录市政质检·1·24第页,共页沥青混合料面层封层检验批质量检验记录市政质检·1·25第页,共页沥青贯入式面层检验批质量检验记录市政质检·1·26第页,共页沥青表面处治施工检验批质量检验记录市政质检·1·27第页,共页水泥混凝土面层原材料检验批质量检验记录市政质检·1·28页,共页混凝土面层检验批质量检验记录市政质检·1·29第页,共页铺砌式料石面层检验批质量检验记录市政质检·1·30第页,共页铺砌式预制混凝土砌块面层检验批质量检验记录市政质检·1·31第页,共页广场与停车场料石面层检验批质量检验记录市政质检·1·32第页,共页广场与停车场预制混凝土砌块面层检验批质量检验记录市政质检·1·33第页,共页广场与停车场沥青混合料面层检验批质量检验记录市政质检·1·34第页,共页广场与停车场水泥混凝土面层检验批质量检验记录市政质检·1·35第页,共页。
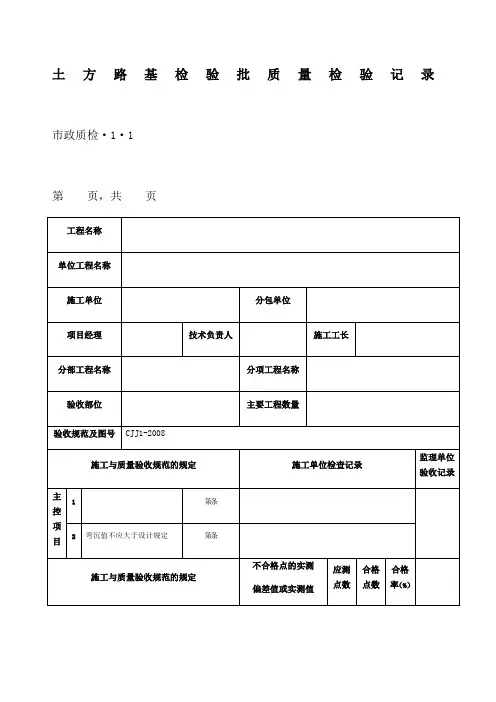
市政工程检验批质量检收记录全套表格土方路基检验批质量检验记录市政质检·1·1 第 页,共 页工程名称单位工程名称施工单位分包单位项目经理技术负责人施工工长分部工程名称分项工程名称验收部位主要工程数量验收规范及图号CJJ1-2008施工与质量验收规范的规定施工单位检查记录监理单位验收记录1压实度应符合规范表6.3.12-2规定第6.8.1-1条主控项目2弯沉值不应大于设计规定第6.8.1-2条施工与质量验收规范的规定不合格点的实测偏差值或实测值应测点数合格点数合格率(%)1路床应平整、坚实,无显著轮迹、翻浆、波浪、起皮等现象,路堤边坡应密实、稳定、平顺。
第6.8.1-4条2路床纵断高程(mm)-20,+103路床中线偏位(mm )≤304路床平整度(mm )≤15一般项目5允许偏差路床宽度(mm )不小于设计值+B6路床横坡(%)±0.3%且不反坡7边坡不陡于设计值平均合格率(%)施工单位检查意见质检员签名:年月日监理单位验收结论监理工程师签名:年月日挖石方路基检验批质量检验记录市政质检·1·2第页,共页工程名称单位工程名称施工单位分包单位项目经理技术负责人施工工长分部工程名称分项工程名称验收部位主要工程数量验收规范及图号CJJ1-2008施工与质量验收规范的规定施工单位检查记录监理单位验收记录1上边坡必须稳定,严禁有松石、险石。
第6.8.2-1条主控项目施工与质量验收规范的规定不合格点的实测偏差值或实测值应测点数合格点数合格率(%)1路床纵断高程(mm)+50;-1002路床中线偏位(mm )≤303路床宽(mm )不小于设计规定+B 4边坡不陡于设计规定允许偏差一般项目平均合格率(%)施工单位检查意见质检员签名:年 月 日监理单位验收结论监理工程师签名:年 月 日填石方路基检验批质量检验记录市政质检·1·3 第 页,共 页工程名称单位工程名称施工单位分包单位项目经理技术负责人施工工长分部工程名称分项工程名称验收部位主要工程数量验收规范及图号CJJ1-2008施工与质量验收规范的规定施工单位检查记录监理单位验收记录1压实密度应符合试验路段确定的施工工艺。
土方路基检验批质量检验记录市政质检·1·1第页,共页挖石方路基检验批质量检验记录市政质检·1·2第页,共页填石方路基检验批质量检验记录市政质检·1·3第页,共页路肩检验批质量检验记录市政质检·1·4第页,共页砂垫层软土路基检验批质量检验记录市政质检·1·5第页,共页反压护道路基检验批质量检验记录市政质检·1·6第页,共页土工材料处理软土路基检验批质量检验记录市政质检·1·7第页,共页袋装砂井检验批质量检验记录市政质检·1·8第页,共页塑料排水板检验批质量检验记录市政质检·1·9第页,共页砂桩处理软土路基检验批质量检验记录市政质检·1·10第页,共页碎石桩处理软土路基检验批质量检验记录市政质检·1·11第页,共页粉喷桩处理软土路基检验批质量检验记录市政质检·1·12第页,共页湿陷性黄土强夯路基检验批质量检验记录市政质检·1·13第页,共页石灰稳定土,石灰、粉煤灰稳定砂砾(碎石),粉煤灰稳定钢渣基层及底基层检验批质量检验记录市政质检·1·14第页,共页水泥稳定土类基层及底基层检验批质量检验记录市政质检·1·15第页,共页级配砂砾(级配砂石)基层及底基层检验批质量检验记录市政质检·1·16第页,共页级配碎石及级配碎砾石基层和底基层检验批质量检验记录市政质检·1·17第页,共页沥青混合料(沥青碎石)基层检验批质量检验记录市政质检·1·18第页,共页沥青贯入式基层检验批质量检验记录市政质检·1·19第页,共页热拌沥青混合料检验批质量检验记录市政质检·1·20第页,共页热拌沥青混合料面层检验批质量检验记录市政质检·1·21第页,共页冷拌沥青混合料面层检验批质量检验记录市政质检·1·22第页,共页沥青混合料面层透层检验批质量检验记录市政质检·1·23第页,共页沥青混合料面层粘层检验批质量检验记录市政质检·1·24第页,共页沥青混合料面层封层检验批质量检验记录市政质检·1·25第页,共页沥青贯入式面层检验批质量检验记录市政质检·1·26第页,共页沥青表面处治施工检验批质量检验记录市政质检·1·27第页,共页水泥混凝土面层原材料检验批质量检验记录市政质检·1·28页,共页混凝土面层检验批质量检验记录市政质检·1·29第页,共页铺砌式料石面层检验批质量检验记录市政质检·1·30 第页,共页铺砌式预制混凝土砌块面层检验批质量检验记录市政质检·1·31第页,共页广场与停车场料石面层检验批质量检验记录市政质检·1·32第页,共页广场与停车场预制混凝土砌块面层检验批质量检验记录市政质检·1·33 第页,共页广场与停车场沥青混合料面层检验批质量检验记录市政质检·1·34第页,共页广场与停车场水泥混凝土面层检验批质量检验记录市政质检·1·35第页,共页料石铺砌人行道面层检验批质量检验记录市政质检·1·36第页,共页混凝土预制铺砌人行道(含盲道)面层检验批质量检验记录市政质检·1·37第页,共页沥青混凝土铺筑人行道面层检验批质量检验记录市政质检·1·38第页,共页人行地道结构地基检验批质量检验记录市政质检·1·39第页,共页。
沟槽(基坑)土方开挖检验批质量验收记录表B.0.1 编号:010001□□页脚内容1沟槽(基坑)回填检验批质量验收记录表B.0.1 编号:010003□□页脚内容2开槽施工管道基础检验批质量验收记录表B.0.1 编号:020101□□/020201□□/020301□□/020401□□页脚内容3钢筋混凝土类管道铺设检验批质量验收记录表B.0.1 编号:010003□□020303□□页脚内容4柔性管道铺设检验批质量验收记录表B.0.1 编号:020403□□页脚内容5页脚内容6沉井模板检验批质量验收记录表B.0.1 编号:020802□□页脚内容7沉井钢筋加工检验批质量验收记录表B.0.1 编号:020803□□页脚内容8沉井钢筋安装检验批质量验收记录表B.0.1 编号:020804□□页脚内容9沉井制作检验批质量验收记录表B.0.1 编号:020805□□页脚内容10页脚内容11沉井下沉及封底检验批质量验收记录表B.0.1 编号:020806□□页脚内容12土方路基(挖方)检验批质量检验记录表B.0.1 编号:010001□□页脚内容13基层(水泥稳定土类)检验批质量检验记录表B.0.1 编号:020004□□页脚内容14页脚内容15基层(级配碎石、碎砾石)检验批质量检验记录表B.0.1 编号:020006□□页脚内容16基层(级配砂砾、碎砾石)检验批质量检验记录表B.0.1 编号:020005□□页脚内容面层(热拌沥青混合料)检验批质量检验记录表A.0.1 编号:030104□□页脚内容18路缘石检验批质量验收记录表B.0.1 编号:080001□□页脚内容19混凝土井室检验批质量验收记录表B.0.1 编号:030001□□页脚内容20页脚内容21砖砌井室检验批质量验收记录表B.0.1 编号:030002□□页脚内容22沉井井内结构检验批质量验收记录表B.0.1 编号:020807□□页脚内容23基层(石灰稳定土)检验批质量检验记录表B.0.1 编号:020001□□页脚内容24页脚内容25雨水口及支连管安装检验批质量验收记录表B.0.1 编号:030004□□页脚内容26沟槽(基坑)支护检验批质量验收记录表B.0.1 编号:010002□□页脚内容27土方路基(填方)检验批质量验收记录编号:010002□□表A.0.1页脚内容28路基处理(换填土)检验批质量验收记录表A.0.1 编号:010006□□页脚内容29路基处理(土工材料)检验批质量验收记录页脚内容30表A.0.1 编号:030109□□页脚内容31面层(粘层)检验批质量验收记录表A.0.1 编号:030101□□页脚内容32面层(透层)检验批质量验收记录表A.0.1 编号:030102□□页脚内容33面层(封层)检验批质量验收记录表A.0.1 编号:030102□□页脚内容路基处理(湿陷性黄土强夯处理)检验批质量验收记录表A.0.1 编号:010015□□页脚内容35页脚内容36水泥混凝土面层检验批质量检验记录表A.0.1 编号:030303□□页脚内容37倒虹管检验批质量检验记录表B.0.1 编号:080004□□页脚内容38页脚内容39。
土方路基检验批质量检验记录市政质检·1·1第页,共页挖石方路基检验批质量检验记录市政质检·1·2第页,共页填石方路基检验批质量检验记录市政质检·1·3第页,共页路肩检验批质量检验记录市政质检·1·4第页,共页砂垫层软土路基检验批质量检验记录市政质检·1·5第页,共页反压护道路基检验批质量检验记录市政质检·1·6第页,共页土工材料处理软土路基检验批质量检验记录市政质检·1·7第页,共页袋装砂井检验批质量检验记录市政质检·1·8第页,共页塑料排水板检验批质量检验记录市政质检·1·9第页,共页砂桩处理软土路基检验批质量检验记录市政质检·1·10第页,共页碎石桩处理软土路基检验批质量检验记录市政质检·1·11第页,共页粉喷桩处理软土路基检验批质量检验记录市政质检·1·12第页,共页湿陷性黄土强夯路基检验批质量检验记录市政质检·1·13第页,共页石灰稳定土,石灰、粉煤灰稳定砂砾(碎石),粉煤灰稳定钢渣基层及底基层检验批质量检验记录市政质检·1·14第页,共页水泥稳定土类基层及底基层检验批质量检验记录市政质检·1·15第页,共页级配砂砾(级配砂石)基层及底基层检验批质量检验记录市政质检·1·16第页,共页级配碎石及级配碎砾石基层和底基层检验批质量检验记录市政质检·1·17第页,共页沥青混合料(沥青碎石)基层检验批质量检验记录市政质检·1·18第页,共页沥青贯入式基层检验批质量检验记录市政质检·1·19第页,共页热拌沥青混合料检验批质量检验记录市政质检·1·20第页,共页热拌沥青混合料面层检验批质量检验记录市政质检·1·21第页,共页冷拌沥青混合料面层检验批质量检验记录市政质检·1·22第页,共页沥青混合料面层透层检验批质量检验记录市政质检·1·23第页,共页沥青混合料面层粘层检验批质量检验记录市政质检·1·24第页,共页沥青混合料面层封层检验批质量检验记录市政质检·1·25第页,共页沥青贯入式面层检验批质量检验记录市政质检·1·26第页,共页沥青表面处治施工检验批质量检验记录市政质检·1·27第页,共页水泥混凝土面层原材料检验批质量检验记录市政质检·1·28页,共页混凝土面层检验批质量检验记录市政质检·1·29第页,共页。
1、施工管理表填写施工技术文件要按单位工程进行组卷。
市政工程中的独立核算项目,应是一个单位工程。
采用分期单独核算的同一市政工程,应是若干个单位工程。
1.1 施管表1的填写文件材料部分的排列宜按以下顺序:(1)施工组织设计。
(2)施工图设计文件会审、技术交底记录。
(3)设计变更通知单、洽商记录。
(4)原材料、成品、半成品、构配件、设备出厂质量合格证书、出厂检(试)验报告和复试报告。
(需一一对应)。
(5)施工试验资料。
(6)施工记录。
(7)测量复核及预检记录。
(8)隐蔽工程检查验收记录。
(9)工程质量检验评定资料。
(10)使用功能试验记录。
(11)事故报告。
(12)竣工测量资料。
(13)竣工图。
(14)工程竣工验收文件。
文件目录表中的文件编号横杠前的数字为总的卷数,横杠后的数字为本卷项目编号。
页号应是本项目在卷中的页码位置,不能光写本项目的页数。
类别栏应与该项表头右上方类别相同。
现以道路工程为例示见后。
1.2 施管表2的填写存在问题及处理意见栏中填验收检查时发现的问题,一般无什么大问题也可不填。
但如工程出过事故,事故处理情况应作简要说明。
验收围及数量栏应扼要填写。
本表主要强调各参与单位均应签字盖章。
填法示见后。
1.3 施管表3的填写施工组织设计应包括下列主要容:(1)工程概况:工程规模、工程特点、工期要求、参建单位等。
(2)施工平面布置图。
(3)施工部署和管理体系:施工阶段、区划安排;进度计划及工、料、机、运计划表和组织机构设置。
组织机构中应明确项目经理、技术负责人、施工管理负责人及其他各部门主要责任人等。
(4)质量目标设计:质量总目标、分项质量目标,实现质量目标的主要措施、办法及工序、部位、单位工程技术人员。
(5)施工方法及技术措施(包括冬、雨期施工措施及采用的新技术、新工艺、新材料、新设备等)。
(6)安全措施。
(7)文明施工措施。
(8)环保措施。
(9)节能、降耗措施。
(10)模板及支架、地下沟槽基坑支护、降水、施工便桥便线、构筑物顶推进、沉井、软基处理、预应力筋拉工艺、大型构件吊运、混凝土浇筑、设备安装、管道吹洗等专项设计。
适用文档沟槽(基坑)土方开挖查验批质量查收记录表检查序项目号主1控项2目3一1般项2目3工程名称施工单位分包单位工程数目交方班组查验依照 / 同意误差(规定检查内容值或±误差值)原状地土不得扰动、受水浸原状地基土察看、检查泡或受冻地基承载力知足设计要求压实度、厚度检查压实度、厚度知足设计要求土方± 20槽底高程( mm)石方+20、-200槽底中线不小于规定每侧宽度沟槽边坡不陡于规定编号: 010001□□分部工程名称分项工程名称沟槽(基坑)土方开挖施工员项目经理分包项目经理施工班组长查收部位(桩号或井号)项目技术负责人接方班组检查日期年月日检查数目检查结果 /实测点误差值或实测值范围点数12345678910应测合格合格率点数点数(%)全数查施工记录全数查验报告编号:全数查验报告编号:两井之间3两井之间6两井之间6施工单位检查评定结论监理(建设)单位建议项目专业质量检查员:(署名)监理工程师:(署名)(或建设单位项目专业技术负责人):(署名)年月日表适用文档沟槽(基坑)回填查验批质量查收记录编号: 010003□□工程名称施工单位分包单位工程数目交方班组检查序检查内容项目号1回填资料主2观察沟槽控项3管道变形目4压实度一1高程般项2管道及隶属修建物目查验依照 / 同意误差(规定值或±误差值)资料应切合设计要求沟槽不得带水回填,回填应密实柔性管道变形率不得超出设计或规范规定切合设计与规范要求回填应达到设计高程,表面应平坦回填时管道及隶属构物无损害、沉降、位移分部工程名称分项工程名称沟槽(基坑)回填施工员项目经理分包项目经理施工班组长查收部位(桩号或井号)项目技术负责人接方班组检查日期年月日检查数目检查结果 /实测点误差值或实测值范围点数123456789应测合格合格率10点数(%)点数21 次2 组检测报告编号:1000m检查施工记录试验段每50米3正常作业段3每 100 米每层、每侧 1 组≤2010m1察看、或用水平仪测施工单位检查评定结论监理(建设)单位建议项目专业质量检查员:(署名)适用文档监理工程师:(署名)(或建设单位项目专业技术负责人):(署名)年月日开槽施工管道基础查验批质量查收记录检查项目保证项目一般项目表工程名称施工单位分包单位工程数目交方班组序检查内容号1地基承载力2混凝土强度3砂石基础压实度中线每侧宽度1垫层高压力管道程无压管道厚度平中线每侧宽度混凝高程基2土基厚度础、管座管肩宽座肩高土(砂高压力管道3及砂程无压管道砾)平基厚度基础土弧基础腋角高度查验依照 / 同意误差(规定值或±误差值)(mm)现状地基承载力切合设计要求标准保养及同条件保养应切合设计要求切合设计要求或规范规定不小于设计要求±300, -15不小于设计要求+10,00, -15不小于设计要求+10, -5±20±300, -15不小于设计要求不小于设计要求编号: 020101□□ /020201 □□ /020301 □□ /020401 □□分部工程名称分项工程名称管道基础施工员项目经理分包项目经理施工班组长查收部位(桩号或井号)项目技术负责人接方班组检查日期年月日检查数目检查结果 /实测点误差值或实测值范围点数1234567应测合格合格率8910点数(%)点数检查地基办理强度或(复查验报告编号:合)承载力查验报告每工作班各 1 组查验报告编号:3每 100m查验报告编号:每 10m测每个 1 点,且查收批许多于 3点每 10m测每个 1 点,且查收批许多于 3点每 10m测每个 1 点,且查收批许多于 3点适用文档施工单位检查评定结论项目专业质量检查员:(署名)监理(建设)单位建议监理工程师:(署名)(或建设单位项目专业技术负责人):(署名)年月日钢筋混凝土类管道铺设查验批质量查收记录表检查序项目号主1控项2目31一般项目2工程名称施工单位分包单位工程数目交方班组查验依照 / 同意误差(规定值或±检查内容误差值)(mm)管道埋设深度、轴线地点应符埋设深度合设计要求,无压力管道禁止倒坡。
土方路基检验批质量检验记录市政质检·1·1第页,共页挖石方路基检验批质量检验记录市政质检·1·2第页,共页填石方路基检验批质量检验记录市政质检·1·3第页,共页路肩检验批质量检验记录市政质检·1·4第页,共页砂垫层软土路基检验批质量检验记录市政质检·1·5第页,共页反压护道路基检验批质量检验记录市政质检·1·6第页,共页土工材料处理软土路基检验批质量检验记录市政质检·1·7第页,共页袋装砂井检验批质量检验记录市政质检·1·8第页,共页塑料排水板检验批质量检验记录市政质检·1·9第页,共页砂桩处理软土路基检验批质量检验记录市政质检·1·10第页,共页碎石桩处理软土路基检验批质量检验记录市政质检·1·11第页,共页粉喷桩处理软土路基检验批质量检验记录市政质检·1·12第页,共页湿陷性黄土强夯路基检验批质量检验记录市政质检·1·13第页,共页石灰稳定土,石灰、粉煤灰稳定砂砾(碎石),粉煤灰稳定钢渣基层及底基层检验批质量检验记录市政质检·1·14第页,共页水泥稳定土类基层及底基层检验批质量检验记录市政质检·1·15第页,共页级配砂砾(级配砂石)基层及底基层检验批质量检验记录市政质检·1·16第页,共页级配碎石及级配碎砾石基层和底基层检验批质量检验记录市政质检·1·17第页,共页沥青混合料(沥青碎石)基层检验批质量检验记录市政质检·1·18第页,共页沥青贯入式基层检验批质量检验记录市政质检·1·19第页,共页热拌沥青混合料检验批质量检验记录市政质检·1·20第页,共页热拌沥青混合料面层检验批质量检验记录市政质检·1·21第页,共页冷拌沥青混合料面层检验批质量检验记录市政质检·1·22第页,共页沥青混合料面层透层检验批质量检验记录市政质检·1·23第页,共页沥青混合料面层粘层检验批质量检验记录市政质检·1·24第页,共页沥青混合料面层封层检验批质量检验记录市政质检·1·25第页,共页沥青贯入式面层检验批质量检验记录市政质检·1·26第页,共页沥青表面处治施工检验批质量检验记录市政质检·1·27第页,共页水泥混凝土面层原材料检验批质量检验记录市政质检·1·28页,共页混凝土面层检验批质量检验记录市政质检·1·29第页,共页铺砌式料石面层检验批质量检验记录市政质检·1·30第页,共页铺砌式预制混凝土砌块面层检验批质量检验记录市政质检·1·31第页,共页广场与停车场料石面层检验批质量检验记录市政质检·1·32第页,共页广场与停车场预制混凝土砌块面层检验批质量检验记录市政质检·1·33第页,共页广场与停车场沥青混合料面层检验批质量检验记录市政质检·1·34第页,共页广场与停车场水泥混凝土面层检验批质量检验记录市政质检·1·35第页,共页。
1、施工管理表填写施工技术文件要按单位工程进行组卷。
市政工程中的独立核算项目,应是一个单位工程。
采用分期单独核算的同一市政工程,应是若干个单位工程。
1.1 施管表1的填写文件材料部分的排列宜按以下顺序:(1)施工组织设计。
(2)施工图设计文件会审、技术交底记录。
(3)设计变更通知单、洽商记录。
(4)原材料、成品、半成品、构配件、设备出厂质量合格证书、出厂检(试)验报告和复试报告。
(需一一对应)。
(5)施工试验资料。
(6)施工记录。
(7)测量复核及预检记录。
(8)隐蔽工程检查验收记录。
(9)工程质量检验评定资料。
(10)使用功能试验记录。
(11)事故报告。
(12)竣工测量资料。
(13)竣工图。
(14)工程竣工验收文件。
文件目录表中的文件编号横杠前的数字为总的卷数,横杠后的数字为本卷项目编号。
页号应是本项目在卷中的页码位置,不能光写本项目的页数。
类别栏应与该项表头右上方类别相同。
现以道路工程为例示范见后。
1.2 施管表2的填写存在问题及处理意见栏中填验收检查时发现的问题,一般无什么大问题也可不填。
但如工程出过事故,事故处理情况应作简要说明。
验收范围及数量栏应扼要填写。
本表主要强调各参与单位均应签字盖章。
填法示范见后。
1.3 施管表3的填写施工组织设计应包括下列主要内容:(1)工程概况:工程规模、工程特点、工期要求、参建单位等。
(2)施工平面布置图。
(3)施工部署和管理体系:施工阶段、区划安排;进度计划及工、料、机、运计划表和组织机构设置。
组织机构中应明确项目经理、技术负责人、施工管理负责人及其他各部门主要责任人等。
(4)质量目标设计:质量总目标、分项质量目标,实现质量目标的主要措施、办法及工序、部位、单位工程技术人员名单。
(5)施工方法及技术措施(包括冬、雨期施工措施及采用的新技术、新工艺、新材料、新设备等)。
(6)安全措施。
(7)文明施工措施。
(8)环保措施。
(9)节能、降耗措施。
(10)模板及支架、地下沟槽基坑支护、降水、施工便桥便线、构筑物顶推进、沉井、软基处理、预应力筋张拉工艺、大型构件吊运、混凝土浇筑、设备安装、管道吹洗等专项设计。
2 城市桥梁工程2.1 模板、支架和拱架2.1.1 木模板制作检验批质量验收记录表2.1.2 钢模板制作检验批质量验收记录表2.1.3 模板、支架和拱架安装检验批质量验收记录表2.2 钢筋工程2.2.1 钢筋加工检验批质量验收记录表2.2.2 钢筋网加工检验批质量验收记录表2.2.3 钢筋成形和安装检验批质量验收记录表2.3 混凝土、预应力混凝土和砌体工程2.3.1 混凝土原材料及配合比检验批质量验收记录表2.3.2 预应力材料检验批质量验收记录表2.3.3 钢丝、钢绞线先张法施工检验批质量验收记录表2.3.4 钢筋先张法施工检验批质量验收记录表2.3.5 钢筋后张法施工检验批质量验收记录表2.3.6 砌体工程检验批质量验收记录表2.4 基础工程2.4.1 基坑、地基、回填土检验批质量验收记录表2.4.2 现浇混凝土基础检验批质量验收记录表2.4.3 砌体基础检验批质量验收记录表2.4.4 预制桩检验批质量验收记录表2.4.5 钢管桩制作检验批质量验收记录表2.4.6 沉桩检验批质量验收记录表2.4.7 混凝土灌注桩检验批质量验收记录表2.4.8 沉井制作检验批质量验收记录表2.4.9 沉井浮运下沉与清基封底检验批质量验收记录表地下连续墙检验批质量验收记录表现浇混凝土承台检验批质量验收记录表2.5 墩台和支座2.5.1 浆砌块石砌筑墩台检验批质量验收记录表2.5.2 浆砌料石、砌块砌筑墩台检验批质量验收记录表2.5.3 现浇混凝土墩台检验批质量验收记录表2.5.4 现浇混凝土(柱)检验批质量验收记录表2.5.5 现浇混凝土挡墙检验批质量验收记录表2.5.7 现浇混凝土盖梁检验批质量验收记录表2.5.8 人行天桥钢墩柱检验批质量验收记录表2.5.9 台背填土检验批质量验收记录表支座检验批质量验收记录表2.6 混凝土梁(板)2.6.1 支架上浇筑梁(板)检验批质量验收记录表2.6.2 混凝土梁(板)预制检验批质量验收记录表2.6.3 混凝土梁(板)安装质量验收记录表2.6.4 悬臂浇筑混凝土梁检验批质量验收记录表2.6.5 悬臂拼装预应力混凝土梁检验批质量验收记录表2.6.6 顶推施工预应力混凝土梁检验批质量验收记录表2.7 钢梁与结合梁2.7.1 钢桁梁节段制作检验批质量验收记录表2.7.2 钢板梁制作检验批质量验收记录表2.7.3 钢箱形梁制作检验批质量验收记录表2.7.4 钢梁现场安装检验批质量验收记录表2.7.5 钢-混凝土结合梁检验批质量验收记录表2.7.6 混凝土结合梁检验批质量验收记录表2.8 拱部与拱上结构2.8.1 砌筑拱圈检验批质量验收记录表2.8.2 现浇混凝土拱圈检验批质量验收记录表2.8.3 劲性骨架混凝土拱圈检验批质量验收记录表2.8.4 拱圈预制与安装检验批质量验收记录表2.8.5 悬臂拼装的桁架拱检验批质量验收记录表2.8.6 腹拱安装检验批质量验收记录表2.8.7 钢管混凝土拱检验批质量验收记录表2.8.8 中下承式拱吊杆和柔性系杆拱检验批质量验收记录表2.8.9 转体施工拱检验批质量验收记录表2.9 斜拉桥2.9.1 现浇混凝土索塔检验批质量验收记录表2.9.2 混凝土斜拉桥墩顶梁段检验批质量验收记录表2.9.3 支架上浇筑混凝土主梁检验批质量验收记录表2.9.4 悬臂浇筑混凝土主梁检验批质量验收记录表2.9.6 钢箱梁段制作检验批质量验收记录表2.9.7 悬臂拼装、在支架上安装检验批质量验收记录表2.9.8 结合梁的工字钢梁拼装检验批质量验收记录表2.9.9 结合梁的混凝土板施工检验批质量验收记录表斜拉索安装检验批质量验收记录表2.10 悬索桥2.10.1 现浇混凝土索塔检验批质量验收记录表2.10.2 锚碇锚固系统制作检验批质量验收记录表2.10.3 锚碇锚固系统安装检验批质量验收记录表2.10.4 锚碇混凝土施工检验批质量验收记录表2.10.5 预应力锚索张拉检验批质量验收记录表2.10.6 主索鞍安装检验批质量验收记录表2.10.7 散索鞍安装检验批质量验收记录表2.10.8 主缆架设与防护检验批质量验收记录表2.10.9 索夹和吊索安装检验批质量验收记录表悬索桥钢箱梁段拼装检验批质量验收记录表2.11 顶进箱涵2.11.1 滑板检验批质量验收记录表2.11.2 预制箱涵检验批质量验收记录表2.11.3 箱涵顶进检验批质量验收记录表2.12 桥面系2.12.1 排水设施检验批质量验收记录表2.12.2 桥面防水层检验批质量验收记录表2.12.3 水泥混凝土桥面铺装层检验批质量验收记录表2.12.4 沥青混凝土桥面铺装层检验批质量验收记录表2.12.5 人行天桥塑胶桥面铺装层检验批质量验收记录表2.12.6 伸缩装置检验批质量验收记录表2.12.7 地袱、缘石和挂板检验批质量验收记录表2.12.8 混凝土栏杆预制及安装检验批质量验收记录表2.12.9 金属栏杆、防护网检验批质量验收记录表防撞护栏、防撞墩、隔离墩检验批质量验收记录表人行道检验批质量验收记录表2.13 附属结构2.13.1 隔声装置安装检验批质量验收记录表2.13.2 防眩装置安装检验批质量验收记录表2.13.3 混凝土梯道安装检验批质量验收记录表2.13.4 钢梯道制作与安装检验批质量验收记录表2.13.5 桥头搭板检验批质量验收记录表2.13.6 防冲刷结构检验批质量验收记录表2.13.7 照明系统检验批质量验收记录表2.14 装饰与装修2.14.1 水泥砂浆普通抹面检验批质量验收记录表2.14.2 水磨石装饰抹面检验批质量验收记录表2.14.3 水刷石装饰抹面检验批质量验收记录表2.14.4 剁斧石装饰抹面检验批质量验收记录表2.14.5 镶天然石饰面板检验批质量验收记录表2.14.6 镶人造石饰面板检验批质量验收记录表2.14.7 贴饰面砖检验批质量验收记录表2.14.8 涂饰检验批质量验收记录表2.15 竣工验收2.15.1 工程竣工验收检验批质量验收记录表2.15.2 单位(子单位)工程观感检查记录木模板制作检验批质量验收记录表编号:__________钢筋成形和安装检验批质量验收记录表编现浇混凝土挡墙检验批质量验收记录表人行天桥钢墩柱检验批质量验收记录表编号:__________钢梁现场安装检验批质量验收记录表混凝土斜拉桥墩顶梁段检验批质量验收记录表锚碇锚固系统安装检验批质量验收记录表。
1、施工管理表填写施工技术文件要按单位工程进行组卷。
市政工程中的独立核算项目,应是一个单位工程。
采用分期单独核算的同一市政工程,应是若干个单位工程。
1。
1 施管表1的填写文件材料部分的排列宜按以下顺序:(1)施工组织设计.(2)施工图设计文件会审、技术交底记录.(3)设计变更通知单、洽商记录.(4)原材料、成品、半成品、构配件、设备出厂质量合格证书、出厂检(试)验报告和复试报告.(需一一对应)。
(5)施工试验资料.(6)施工记录。
(7)测量复核及预检记录。
(8)隐蔽工程检查验收记录.(9)工程质量检验评定资料。
(10)使用功能试验记录。
(11)事故报告。
(12)竣工测量资料。
(13)竣工图。
(14)工程竣工验收文件.文件目录表中的文件编号横杠前的数字为总的卷数,横杠后的数字为本卷项目编号.页号应是本项目在卷中的页码位置,不能光写本项目的页数.类别栏应与该项表头右上方类别相同。
现以道路工程为例示范见后.1。
2 施管表2的填写存在问题及处理意见栏中填验收检查时发现的问题,一般无什么大问题也可不填。
但如工程出过事故,事故处理情况应作简要说明。
验收范围及数量栏应扼要填写。
本表主要强调各参与单位均应签字盖章。
填法示范见后.1.3 施管表3的填写施工组织设计应包括下列主要内容:(1)工程概况:工程规模、工程特点、工期要求、参建单位等。
(2)施工平面布置图。
(3)施工部署和管理体系:施工阶段、区划安排;进度计划及工、料、机、运计划表和组织机构设置.组织机构中应明确项目经理、技术负责人、施工管理负责人及其他各部门主要责任人等。
(4)质量目标设计:质量总目标、分项质量目标,实现质量目标的主要措施、办法及工序、部位、单位工程技术人员名单。
(5)施工方法及技术措施(包括冬、雨期施工措施及采用的新技术、新工艺、新材料、新设备等)。
(6)安全措施。
(7)文明施工措施。
(8)环保措施.(9)节能、降耗措施。
(10)模板及支架、地下沟槽基坑支护、降水、施工便桥便线、构筑物顶推进、沉井、软基处理、预应力筋张拉工艺、大型构件吊运、混凝土浇筑、设备安装、管道吹洗等专项设计。
土方路基检验批质量检验记录市政质检·1·1第页,共页第页,共页第页,共页路肩检验批质量检验记录市政质检·1·4第页,共页砂垫层软土路基检验批质量检验记录市政质检·1·5第页,共页反压护道路基检验批质量检验记录市政质检·1·6第页,共页土工材料处理软土路基检验批质量检验记录市政质检·1·7第页,共页袋装砂井检验批质量检验记录市政质检·1·8第页,共页塑料排水板检验批质量检验记录市政质检·1·9第页,共页砂桩处理软土路基检验批质量检验记录市政质检·1·10第页,共页碎石桩处理软土路基检验批质量检验记录市政质检·1·11第页,共页粉喷桩处理软土路基检验批质量检验记录市政质检·1·12第页,共页湿陷性黄土强夯路基检验批质量检验记录市政质检·1·13第页,共页石灰稳定土,石灰、粉煤灰稳定砂砾(碎石),粉煤灰稳定钢渣基层及底基层检验批质量检验记录市政质检·1·14第页,共页水泥稳定土类基层及底基层检验批质量检验记录市政质检·1·15第页,共页级配砂砾(级配砂石)基层及底基层检验批质量检验记录市政质检·1·16第页,共页级配碎石及级配碎砾石基层和底基层检验批质量检验记录市政质检·1·17第页,共页沥青混合料(沥青碎石)基层检验批质量检验记录市政质检·1·18第页,共页沥青贯入式基层检验批质量检验记录市政质检·1·19第页,共页热拌沥青混合料检验批质量检验记录市政质检·1·20第页,共页热拌沥青混合料面层检验批质量检验记录市政质检·1·21第页,共页第页,共页第页,共页第页,共页沥青贯入式面层检验批质量检验记录市政质检·1·26第页,共页沥青表面处治施工检验批质量检验记录市政质检·1·27第页,共页水泥混凝土面层原材料检验批质量检验记录市政质检·1·28页,共页混凝土面层检验批质量检验记录市政质检·1·29第页,共页铺砌式料石面层检验批质量检验记录市政质检·1·30铺砌式预制混凝土砌块面层检验批质量检验记录市政质检·1·31第页,共页广场与停车场料石面层检验批质量检验记录市政质检·1·32第页,共页广场与停车场预制混凝土砌块面层检验批质量检验记录市政质检·1·33广场与停车场沥青混合料面层检验批质量检验记录市政质检·1·34第页,共页广场与停车场水泥混凝土面层检验批质量检验记录市政质检·1·35料石铺砌人行道面层检验批质量检验记录市政质检·1·36第页,共页混凝土预制铺砌人行道(含盲道)面层检验批质量检验记录市政质检·1·37第页,共页沥青混凝土铺筑人行道面层检验批质量检验记录市政质检·1·38人行地道结构地基检验批质量检验记录市政质检·1·39人行地道结构防水层检验批质量检验记录市政质检·1·40人行地道结构基础模板安装检验批质量检验记录市政质检·1·41人行地道结构钢筋加工、成型与安装检验批质量检验记录市政质检·1·42人行地道结构混凝土基础检验批质量检验记录市政质检·1·43第页,共页现浇钢筋混凝土人行地道结构墙与顶板模板安装检验批质量检验记录市政质检·1·44现浇钢筋混凝土人行地道结构墙与顶板混凝土检验批质量检验记录市政质检·1·45第页,共页预制钢筋混凝土人行地道结构墙板检验批质量检验记录市政质检·1·46预制钢筋混凝土人行地道结构顶板检验批质量检验记录市政质检·1·47预制钢筋混凝土人行地道结构墙板、顶板安装检验批质量检验记录市政质检·1·48第页,共页砌筑墙体、钢筋混凝土顶板人行地道结构墙体砌筑检验批质量检验记录市政质检·1·49第页,共页挡土墙地基检验批质量检验记录市政质检·1·50。